CamperOnLine
  • Camper
    • Camper usati
    • Camper nuovi
    • Produttori
    • Listino
    • Cataloghi
    • Concessionari e rete vendita
    • Noleggio
    • Van
    • Caravan
    • Fiere
    • Rimessaggi
    • Le prove di CamperOnLine
    • Provati da voi
    • Primo acquisto
    • Area professionisti
  • Accessori
    • Accessori e Prodotti
    • Camping Sport Magenta accessori
    • Produttori
    • Antenne TV
    • Ammortizzatori
    • GPS
    • Pneumatici
    • Rimorchi
    • Provati da Voi
    • Fai da te
  • Viaggi
    • Diari di viaggi in camper
    • Eventi
    • Foto
    • Check list
    • Traghetti
    • Trasporti
  • Sosta
    • Cerca Strutture
    • Sosta
    • Aree sosta camper
    • Campeggi
    • Agriturismi con sosta camper
    • App Camperonline App
    • 10 Consigli utili per la sosta
    • Area strutture
  • Forum
    • Tutti i Forum
    • Sosta
    • Gruppi
    • Compagni
    • Italia
    • Estero
    • Marchi
    • Meccanica
    • Cellula
    • Accessori
    • Eventi
    • Leggi
    • Comportamenti
    • Disabili
    • In camper per
    • Altro Camper
    • Altro
    • Extra
    • FAQ
    • Regolamento
    • Attivi
    • Preferiti
    • Cerca
  • Community
    • COL
    • CamperOnFest
    • Convenzioni Convenzioni
    • Amici
    • Furti
    • Informativa Privacy
    • Lavoro
  • COL
    • News
    • Newsletter
    • Pubblicità
    • Contatto
    • Ora
    • RSS RSS
    • Video
    • Facebook
    • Instagram
  • Magazine
  • Italiano
    • Bienvenue
    • Welcome
    • Willkommen
  • Accedi
CamperOnLine
Camping Sport Magenta
  1. Forum
  2. Tecnica
  3. Accessori
Galleria

Batteria al litio 150Ah 12V LiFePO4

Rispondi
Cerca
Berger Camping
SostaGruppiCompagniItaliaEsteroMarchiMeccanicaCellulaAccessoriEventiLeggiComportamentiDisabiliIn camper perAltro CamperAltroExtra
7 20 160
Akko
Akko
27/09/2024 17
Rispondi Abuso
Inserito il 30/09/2024 alle: 00:23:00
In risposta al messaggio di salvatore del 24/03/2024 alle 19:11:02

Lo so, hai gia' l' Orion-TR ma hai valutato le caratteristiche dell' Orion XS, che dovrebbe essere disponibile a breve? E' un salto generazionale. Potenza 50 ampere a fronte dei 30 ampere del TR. Tutta la potenza e' erogata
scaldando pochissimo (una decina watt da smaltire al massimo). E' integrabile nel Cerbo GX, il che significa possibilita' di totale controllo da remoto (wifi) di tutti i dispositivi compatibili. Quindi anche ad esempio il regolatore solare o lo shunt. Se non ricordo male, il controllo da remoto e' un' altra delle tue esigenze. Altra caratteristica e' il rilevamento automatico del funzionamento del motore. L'  Orion XS costa molto (attualmente e' prenotabile a circa 500 euro). Puoi pero' abbinargli una litio commerciale da 200ah, ovviamente con bms bluetooth, da 5-600 euro. Quindi spenderesti circa 1.000 - 1.100 euro. Qualcosa recuperi vendendo il tuo Orion-TR. Sara' questa la soluzione che adottero' per installare una 200ah. Sto aspettando una recensione completa di del dispositivo.
...
ciao hai installato? perche anche io sono arrivato a questa soluzione... batteria litio 280 A e victron 50 A... NON SO che alternatore ho devo vedere da sotto è un ducato X290 DOVREBBE essere almeno 140 se intallatore non ha messo quella maggiorata
Akko
Akko
27/09/2024 17
Rispondi Abuso
Inserito il 30/09/2024 alle: 00:32:28
In risposta al messaggio di il tornitore del 15/04/2024 alle 18:36:21

Mentre stavo guardando di fare l'impianto fotovoltaico a casa e sul camper comprando di persona i componenti da Alib..a a casa ho visto una batteria interessante la LFP Basen... da 230 Ah/12,8V con BMS da 150A (dovrebbero
essere celle EVE grade A), 25kg, garanzia 5 anni, bluetooth, almeno 5000 cicli all'80% per poi avere almeno 80% di capacità, possibilità di collegare fino a 4 batterie in parallelo o in serie. Prezzo 435€ spedita; circa 148€/kWh. Per chi non conoscesse Basen è un brand molto usato ritenuto affidabile per accumuli fotovoltaici sia off che on grid; alla fine usano celle EVE o CATL e BMS JK. Lascio il link:  Allo stesso tempo ho trovato pannelli da 420-450W Jinko o Longi (half-cut e con efficienza 22-23%) con dimensioni residenziali standard a circa 35-55€ l'uno + spedizione ed eventuali tasse (sto attendendo una risposta dal fornitore per avere il prezzo in formula DDP, Delivered Duty Paid, anche se ho cercato chi aveva magazzini in UE così eventualmente da richiedere detrazione 50% per quello di casa); ovviamente prezzi prendendo in quantità (min 30-40 pannelli, nel mio caso li uso anche per quello di casa).
...
hai preso poi quella batteria? test sul campo?  ciao
20
Emme48
Emme48
rating

13/01/2006 24511
Rispondi Abuso
Inserito il 30/09/2024 alle: 08:38:43
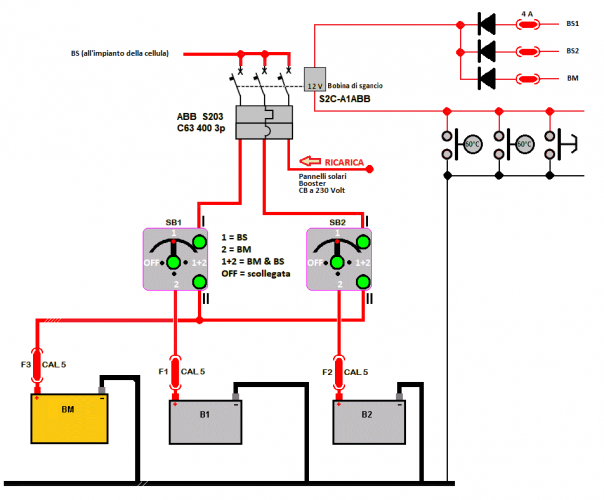
In caso di sovratensione molti BMS escludono completamente la batteria e non la sola ricarica, questo comporta un rischio.
Alcuni regolatori MPPT economici cinesi, in caso di guasto, lasciano passare direttamente la tensione dei pannelli verso la BS generando un sovraccarico e soprattutto una sovratensione, quando interviene il distacco automatico della batteria, la tensione sull'impianto schizza su a valori elevati e poi alimenta le utenze.

Al salone del camper di Parma, mi diceva Dario, titolare di DSTeck, che in questo scenario un suo cliente ha fatto fuori 2 inverter, alcune luci a led e tutti gli elettrodomestici di bordo come Frigo, Truma ecc prima di accorgersi del probema.
Per questo motivo è interessato a produrre un kit di sicurezza basato su quello che ho fatto io sul mio campr Colibrì.
Questi kit permetterà agli installatori di implementare una sicurezza in più che salvaguarda le utenze (e la batteria) in caso di sovratensione o sovratemperatura rilevata in più punti e componenti critici.

Non è facile fare un impianto energetico performante e anche sicuro, sull'ultimo video Youtube di Simone (Stepsover Extra) lui ha rischiato il pacco batterie del camper Valentino a causa di un MPPT che aveva perso la programmazione.
Simone ha fatto in modo di leggere la tensione delle BS e incrementare un controllo domotico che può generare un allarme, ma funziona solo con la domotica accesa e non fa azione alcuna, genera solo una segnalazione.

Col mio impianto una sovracorrente, una sovratensione oppure una sovratemperatura generano un immediato scollegamento dall'impianto sia della BS che di tutti sistemi di ricarica, anche in rimessaggio con tutto quanto spento.

Se qualcuno vuole cimentarsi lo schema è questo.
Power%20-%20Batterie(1).png
Per incrementare il controllo dell'extratensione va aggiunto un picolo circuito che chiude un contatto ad un certo valore, il mio l'ho tarato a 15,2 Volt, visto che con le AGM alcuni algoritmi erogano fino a 14,6 Volt.
Marco

http://www.m48.it


Modificato da Emme48 il 30/09/2024 alle 09:11:09
22
salvatore
salvatore
10/08/2003 9120
Rispondi Abuso
Inserito il 30/09/2024 alle: 09:37:00
In risposta al messaggio di Akko del 30/09/2024 alle 00:23:00

ciao hai installato? perche anche io sono arrivato a questa soluzione... batteria litio 280 A e victron 50 A... NON SO che alternatore ho devo vedere da sotto è un ducato X290 DOVREBBE essere almeno 140 se intallatore non ha messo quella maggiorata
Ho la fortuna smiley di avere un motore euro 4 e quindi non necessito di convertitore di corrente continua.
Uso da qualche anno una batteria al litio plug&play da 100ah con corrente di carica limitata dal bms interno a 20A e per il momento sono a posto.
Il problema delle batterie al litio e' la forte corrente di carica che non puo' essere gestita dagli impianti elettrici nati per il piombo.
L' OrionXS consente di risolvere questo problema, almeno parzialmente.
Pur essendo nato come corvertitore di corrente continua per alternatori intelligenti, nulla impedisce, secondo me, di usarlo anche su alternatori normali..
Poiche' la corrente in entrata e la corrente in uscita sono totalmente regolabili, ognuno puo' adattarla alla propria batteria, ovviamente nei limiti dell' impianto elettrico e dell' alternatore.
Mi spiego meglio.
Una litio da 200ah comporta - mettiamo - una corrente di carica di 50A.
Questo valore non puo' essere modificato e quindi la batteria non e' compatibile con il mio impianto elettrico.
Se pero' riesco a regolare la corrente in uscita, l' operazione diventa possibile sia pure entro certi limiti.
Ovviamente non potro' sfruttare tutti i 50A dell' Orion, ma - ad esempio - almeno 20 o 30.
In buona sostanza. ogni batteria al litio puo' diventare plug&play.
Nel tuo caso, il problema non e' solo l' alternatore ma anche il dimensionamento dell' impianto elettrico
E comunque resta il problema della ricarica della batteria tramite 230.
Ovviamente sono ragionamenti teorici che andrebbero verificati sul campo.
Sala Silvergruva, la miniera d'argento
Sala Silvergruva, la miniera d'argento
Folgaria d’inverno in camper
Folgaria d’inverno in camper
Francia 2025
Francia 2025
Eksjo, la città di legno
Eksjo, la città di legno
Viaggio in Umbria e dintorni
Viaggio in Umbria e dintorni
Previous Next
6
Szopen
Szopen
rating

06/09/2019 5999
Rispondi Abuso
Inserito il 30/09/2024 alle: 11:03:38
In risposta al messaggio di salvatore del 30/09/2024 alle 09:37:00

Ho la fortuna  di avere un motore euro 4 e quindi non necessito di convertitore di corrente continua. Uso da qualche anno una batteria al litio plug&play da 100ah con corrente di carica limitata dal bms interno a 20A
e per il momento sono a posto. Il problema delle batterie al litio e' la forte corrente di carica che non puo' essere gestita dagli impianti elettrici nati per il piombo. L' OrionXS consente di risolvere questo problema, almeno parzialmente. Pur essendo nato come corvertitore di corrente continua per alternatori intelligenti, nulla impedisce, secondo me, di usarlo anche su alternatori normali.. Poiche' la corrente in entrata e la corrente in uscita sono totalmente regolabili, ognuno puo' adattarla alla propria batteria, ovviamente nei limiti dell' impianto elettrico e dell' alternatore. Mi spiego meglio. Una litio da 200ah comporta - mettiamo - una corrente di carica di 50A. Questo valore non puo' essere modificato e quindi la batteria non e' compatibile con il mio impianto elettrico. Se pero' riesco a regolare la corrente in uscita, l' operazione diventa possibile sia pure entro certi limiti. Ovviamente non potro' sfruttare tutti i 50A dell' Orion, ma - ad esempio - almeno 20 o 30. In buona sostanza. ogni batteria al litio puo' diventare plug&play. Nel tuo caso, il problema non e' solo l' alternatore ma anche il dimensionamento dell' impianto elettrico E comunque resta il problema della ricarica della batteria tramite 230. Ovviamente sono ragionamenti teorici che andrebbero verificati sul campo.
...
Scusa Salvatore ma, dove avresti appreso che l'Orion XS e' nato per gli alternatori intelligenti?

Ciro.
nomade analogico e fanciulla all'imbrunire. Non ho nulla da vendere nè consigli da dare, solo qualche piccolo suggerimento da prendere con le pinze, possibilmente, amperometriche. Buoni Km a tutti e......... rammentate sempre che....... TESTAR NON NUOCE!
6
Szopen
Szopen
rating

06/09/2019 5999
Rispondi Abuso
Inserito il 30/09/2024 alle: 11:17:00
In risposta al messaggio di Emme48 del 30/09/2024 alle 08:38:43

In caso di sovratensione molti BMS escludono completamente la batteria e non la sola ricarica, questo comporta un rischio. Alcuni regolatori MPPT economici cinesi, in caso di guasto, lasciano passare direttamente la tensione
dei pannelli verso la BS generando un sovraccarico e soprattutto una sovratensione, quando interviene il distacco automatico della batteria, la tensione sull'impianto schizza su a valori elevati e poi alimenta le utenze. Al salone del camper di Parma, mi diceva Dario, titolare di DSTeck, che in questo scenario un suo cliente ha fatto fuori 2 inverter, alcune luci a led e tutti gli elettrodomestici di bordo come Frigo, Truma ecc prima di accorgersi del probema. Per questo motivo è interessato a produrre un kit di sicurezza basato su quello che ho fatto io sul mio campr Colibrì. Questi kit permetterà agli installatori di implementare una sicurezza in più che salvaguarda le utenze (e la batteria) in caso di sovratensione o sovratemperatura rilevata in più punti e componenti critici. Non è facile fare un impianto energetico performante e anche sicuro, sull'ultimo video Youtube di Simone (Stepsover Extra) lui ha rischiato il pacco batterie del camper Valentino a causa di un MPPT che aveva perso la programmazione. Simone ha fatto in modo di leggere la tensione delle BS e incrementare un controllo domotico che può generare un allarme, ma funziona solo con la domotica accesa e non fa azione alcuna, genera solo una segnalazione. Col mio impianto una sovracorrente, una sovratensione oppure una sovratemperatura generano un immediato scollegamento dall'impianto sia della BS che di tutti sistemi di ricarica, anche in rimessaggio con tutto quanto spento. Se qualcuno vuole cimentarsi lo schema è questo. Per incrementare il controllo dell'extratensione va aggiunto un picolo circuito che chiude un contatto ad un certo valore, il mio l'ho tarato a 15,2 Volt, visto che con le AGM alcuni algoritmi erogano fino a 14,6 Volt.
...
Marco il tuo schema e' ottimo ma , ha una vistosa mancanza verso regolatori di carica non Western e similari.

Sarebbe opportuno a mio avviso che la bobina di sgancio S2A-C1 della ABB in caso di intervento andasse a  disalimentare anche anche la bobina di un'opportuno relè SSR tra pannelli e regolatore.

Io non ho i mezzi adatti, penso però,  sia abbastanza semplice per te creare una copia di quello schema inserendoci per l'appunto un'automatismo simile a quello sopra citato, per coloro che hanno regolatori di carica solare come ad esempio Epever, Victron ma anche per i tanti altri che non gradiscono il distacco delle batterie con i pannelli ancora collegati.

Ciro.
nomade analogico e fanciulla all'imbrunire. Non ho nulla da vendere nè consigli da dare, solo qualche piccolo suggerimento da prendere con le pinze, possibilmente, amperometriche. Buoni Km a tutti e......... rammentate sempre che....... TESTAR NON NUOCE!
20
Emme48
Emme48
rating

13/01/2006 24511
Rispondi Abuso
Inserito il 30/09/2024 alle: 11:42:01
In risposta al messaggio di Szopen del 30/09/2024 alle 11:17:00

Marco il tuo schema e' ottimo ma , ha una vistosa mancanza verso regolatori di carica non Western e similari. Sarebbe opportuno a mio avviso che la bobina di sgancio S2A-C1 della ABB in caso di intervento andasse a  disalimentare
anche anche la bobina di un'opportuno relè SSR tra pannelli e regolatore. Io non ho i mezzi adatti, penso però,  sia abbastanza semplice per te creare una copia di quello schema inserendoci per l'appunto un'automatismo simile a quello sopra citato, per coloro che hanno regolatori di carica solare come ad esempio Epever, Victron ma anche per i tanti altri che non gradiscono il distacco delle batterie con i pannelli ancora collegati. Ciro.
...
Relè mai, in caso di guasto deve scattare qualcosa che non si riarma da solo, serve una indagine per trovare il guasto, una riparazione e poi un riarmo manuale.

Secondo me è inutile, ma se proprio vuoi implementare questa opzione basta creare due impianti gemelli con le sole bobine di sgancio in parallelo tra loro.
Avrai 3 contatti ausiliari in più "puliti" che usi come ti pare, anche da sganciare manualmente per fare manutenzione ai pannelli solari.
Se sganci manualmente un magnetotermico con la sua bobina di sgancio, l'altro che ha solo le bobine in parallelo elettrico MA NON MECCANICO, rimane su.

Una sola bobina di sgancio non ce la fa a buttar giù due tripolari.
Marco

http://www.m48.it


Modificato da Emme48 il 30/09/2024 alle 11:43:08
6
Szopen
Szopen
rating

06/09/2019 5999
Rispondi Abuso
Inserito il 30/09/2024 alle: 12:36:34
In risposta al messaggio di Emme48 del 30/09/2024 alle 11:42:01

Relè mai, in caso di guasto deve scattare qualcosa che non si riarma da solo, serve una indagine per trovare il guasto, una riparazione e poi un riarmo manuale. Secondo me è inutile, ma se proprio vuoi implementare questa
opzione basta creare due impianti gemelli con le sole bobine di sgancio in parallelo tra loro. Avrai 3 contatti ausiliari in più puliti che usi come ti pare, anche da sganciare manualmente per fare manutenzione ai pannelli solari. Se sganci manualmente un magnetotermico con la sua bobina di sgancio, l'altro che ha solo le bobine in parallelo elettrico MA NON MECCANICO, rimane su. Una sola bobina di sgancio non ce la fa a buttar giù due tripolari.
...
Non credo che un relè in assenza di alimentazione alla sua bobina sia in grado di riarmarsi da solo, comunque sia, si, anche una seconda bobina di sgancio ed un magnetotermico (S201 ?) C10 < C20 in ingresso al regolatore va benissimo.

Ciro.
nomade analogico e fanciulla all'imbrunire. Non ho nulla da vendere nè consigli da dare, solo qualche piccolo suggerimento da prendere con le pinze, possibilmente, amperometriche. Buoni Km a tutti e......... rammentate sempre che....... TESTAR NON NUOCE!
5
Lebowski
Lebowski
02/02/2021 1542
Rispondi Abuso
Inserito il 30/09/2024 alle: 12:44:02
In risposta al messaggio di Emme48 del 30/09/2024 alle 08:38:43

In caso di sovratensione molti BMS escludono completamente la batteria e non la sola ricarica, questo comporta un rischio. Alcuni regolatori MPPT economici cinesi, in caso di guasto, lasciano passare direttamente la tensione
dei pannelli verso la BS generando un sovraccarico e soprattutto una sovratensione, quando interviene il distacco automatico della batteria, la tensione sull'impianto schizza su a valori elevati e poi alimenta le utenze. Al salone del camper di Parma, mi diceva Dario, titolare di DSTeck, che in questo scenario un suo cliente ha fatto fuori 2 inverter, alcune luci a led e tutti gli elettrodomestici di bordo come Frigo, Truma ecc prima di accorgersi del probema. Per questo motivo è interessato a produrre un kit di sicurezza basato su quello che ho fatto io sul mio campr Colibrì. Questi kit permetterà agli installatori di implementare una sicurezza in più che salvaguarda le utenze (e la batteria) in caso di sovratensione o sovratemperatura rilevata in più punti e componenti critici. Non è facile fare un impianto energetico performante e anche sicuro, sull'ultimo video Youtube di Simone (Stepsover Extra) lui ha rischiato il pacco batterie del camper Valentino a causa di un MPPT che aveva perso la programmazione. Simone ha fatto in modo di leggere la tensione delle BS e incrementare un controllo domotico che può generare un allarme, ma funziona solo con la domotica accesa e non fa azione alcuna, genera solo una segnalazione. Col mio impianto una sovracorrente, una sovratensione oppure una sovratemperatura generano un immediato scollegamento dall'impianto sia della BS che di tutti sistemi di ricarica, anche in rimessaggio con tutto quanto spento. Se qualcuno vuole cimentarsi lo schema è questo. Per incrementare il controllo dell'extratensione va aggiunto un picolo circuito che chiude un contatto ad un certo valore, il mio l'ho tarato a 15,2 Volt, visto che con le AGM alcuni algoritmi erogano fino a 14,6 Volt.
...
Non c'è solo il problema della perdita della programmazione, ma anche che qualche "buontempone" armato di bluetooth modifichi i parametri in modo pericoloso (putroppo nel mio regolatore la password è fissa, mentre la bms ha una password "maestra" anche lei fissa, nel regolatore posso staccare il modulo bluetooth, ma nella bms non è possibile, avevo pensato di mettere un esp32 per tenere sempre occupato il suo bluetooth).
 
Bon cop de falç!
20
Emme48
Emme48
rating

13/01/2006 24511
Rispondi Abuso
Inserito il 30/09/2024 alle: 13:10:14
In risposta al messaggio di Lebowski del 30/09/2024 alle 12:44:02

Non c'è solo il problema della perdita della programmazione, ma anche che qualche buontempone armato di bluetooth modifichi i parametri in modo pericoloso (putroppo nel mio regolatore la password è fissa, mentre la bms
ha una password maestra anche lei fissa, nel regolatore posso staccare il modulo bluetooth, ma nella bms non è possibile, avevo pensato di mettere un esp32 per tenere sempre occupato il suo bluetooth).  
...
Si, ci sono mille cose che possono generare problemi, non solo i guasti, anche un MPPT che si... autoconvince di essere collegato ad una batteria a 24 Volt invece che a 12 Volt può fare danni.
Poi arrivano pure gli accessi haker...

Già nel 2020, quando progettai la parte impiantistica del Colibrì, implementai quel magnetotermico che scollegava dalla cellula  tutte le fonti energetiche di bordo.
All'inizio l'intervento era amperometrico (63A) e termico (60 gradi) sulle due AGM, poi ho aggiunto altri sensori termici e prima di andare in Finlandia realizzai il circuito che rileva l'extratensione (>15,2 Volt).

Le precauzioni non sono mai troppe, è finita l'era dei pannelli solari da 60 Watt e delle BS da 80 Ah, oggi abbiamo a bordo energia più che sufficiente a dar fuoco al camper, incrociare le dita non basta, serve qualcosa di concreto.
Marco

http://www.m48.it

6
Szopen
Szopen
rating

06/09/2019 5999
Rispondi Abuso
Inserito il 30/09/2024 alle: 13:27:22
In risposta al messaggio di Lebowski del 30/09/2024 alle 12:44:02

Non c'è solo il problema della perdita della programmazione, ma anche che qualche buontempone armato di bluetooth modifichi i parametri in modo pericoloso (putroppo nel mio regolatore la password è fissa, mentre la bms
ha una password maestra anche lei fissa, nel regolatore posso staccare il modulo bluetooth, ma nella bms non è possibile, avevo pensato di mettere un esp32 per tenere sempre occupato il suo bluetooth).  
...
Non so quali dispositivi tu abbia ma io ho personalizzato le password sia del regolatore che del BMS.

Ciro.
nomade analogico e fanciulla all'imbrunire. Non ho nulla da vendere nè consigli da dare, solo qualche piccolo suggerimento da prendere con le pinze, possibilmente, amperometriche. Buoni Km a tutti e......... rammentate sempre che....... TESTAR NON NUOCE!
Argomenti recenti dal forum
Accessori
Waeco cruiscontroll Ms 900
Chi lo ha montato su ducato 3000cc del 2010 mi spiega come funziona ...
flavius67
Oggi alle 21:12
Accessori
Impianto 13 poli gancio traino schema
Ciao a tutti, Dubito di risolvere, ma la community qui é numerosa e ...
maaaxxx
Oggi alle 18:27
Meccanica
Un aiutino da casa x Crossclimate
Mi sono un po perso sulle pressioni corrette , il mezzo è su Ducato ...
dadamazz
Oggi alle 18:05
Aree di sosta e campeggi
Area sosta sul lago di Barcis
Ciao a tutti , qualcuno è stato a Pasqua nell'area sosta camper a Ba...
diabolik
Oggi alle 16:14
Accessori
Interpretare smartshunt
Buongiorno, nel cammin di mezza via . . . Mi ritrovo con 2 BS 110AH ...
isauri
Oggi alle 15:21
Accessori
monitoraggio pressione pneumatici
Buongiorno a tutti, volevo chiedere se qualcuno ha montato un TPMS d...
Walter62
Oggi alle 14:11
Aree di sosta e campeggi
Area sosta a primaluna LECCO
Buongiorno chiedo x piacere,,qualcuno e stato recentemente all,area ...
giuvanella
Oggi alle 13:26
Cellula abitativa
Cavi dietro sedile lato passeggero ducato 244
Buongiorno a tutti, sul mio ducato 244 esce dietro il sedile una lin...
CamperistaPN
Oggi alle 08:55
In camper per
Studio di settore sulle aree camper
Buona sera a tutti Sono qua a chiedere qualche minuto del vostro tem...
kettyke
Ieri alle: 23:02
Meccanica
Arca america 2024
Buonasera a tutti, vorrei capire se il camper in oggetto può già ave...
Adocaro
Ieri alle: 19:14
Cellula abitativa
motorhome hymer 2003 non carica bs
Buongiorno a tutti, ho un problema e spero nel Vostro aiuto. Attacc...
salva56
Ieri alle: 14:29
Viaggi in Italia
Ciclabili Verona est
Abbiamo letto la pagina web dell'agricamping Oro verde a Verona. Sap...
rlui
Ieri alle: 14:28
Accessori
Installazione retrocamera posteriore
Ciao a tutti, ho acquistato un Krunia Schermo Portatile 8'' per Appl...
Karbon17
Ieri alle: 10:10
Cellula abitativa
Mercedes Viano Marco Polo allestito Westfalia
Buongiorno a tutti, per il mio Viano Marco Polo allestito Westfalia ...
Salo
Ieri alle: 09:31
Meccanica
Fanale opacizzato
Ciao, ho un Ducato i cui fanali anteriori sono opacizzati. Quest'ann...
Maiamaia4
Ieri alle: 08:35
5
Lebowski
Lebowski
02/02/2021 1542
Rispondi Abuso
Inserito il 30/09/2024 alle: 14:05:10
In risposta al messaggio di Szopen del 30/09/2024 alle 13:27:22

Non so quali dispositivi tu abbia ma io ho personalizzato le password sia del regolatore che del BMS. Ciro.
Il regolatore (dc-dc+mppt) è renogy e la password del bluetooth è fissa. Siccome è un apparecchio esterno si può eventualmente togliere.
La bms è una jk, puoi cambiare la password (cosa che ho fatto) ma

non serve a niente.

Bon cop de falç!
22
salvatore
salvatore
10/08/2003 9120
Rispondi Abuso
Inserito il 30/09/2024 alle: 14:10:07
In risposta al messaggio di Szopen del 30/09/2024 alle 11:03:38

Scusa Salvatore ma, dove avresti appreso che l'Orion XS e' nato per gli alternatori intelligenti? Ciro.
Ciao Ciro.
Dal sito della Victronwink
"L’Orion XS, progettato da zero, ridefinisce la carica CC-CC da batteria a batteria. Ideale per i sistemi a doppia batteria caricati da un alternatore intelligente"
E d'altronde quale altra funzione puo' avere un convertitore di corrente continua?
Almeno finora.
6
Szopen
Szopen
rating

06/09/2019 5999
Rispondi Abuso
Inserito il 30/09/2024 alle: 14:20:02
In risposta al messaggio di Lebowski del 30/09/2024 alle 14:05:10

Il regolatore (dc-dc+mppt) è renogy e la password del bluetooth è fissa. Siccome è un apparecchio esterno si può eventualmente togliere. La bms è una jk, puoi cambiare la password (cosa che ho fatto) ma non serve a niente.
Joe e' bravino ma scorretto, nei senso, il software di ri-generazione della password funziona solo se sei a conoscenza del seriale del BMS, per visualizzarlo occorre però essere gia collegati al BMS e senza la password iniziale d'accesso, cosa che tu come me hai già cambiato, non e cosa semplice.

Prova tu stesso a collegarti al BMS da altro dispositivo e vedrai.


Ciro.
nomade analogico e fanciulla all'imbrunire. Non ho nulla da vendere nè consigli da dare, solo qualche piccolo suggerimento da prendere con le pinze, possibilmente, amperometriche. Buoni Km a tutti e......... rammentate sempre che....... TESTAR NON NUOCE!
6
Szopen
Szopen
rating

06/09/2019 5999
Rispondi Abuso
Inserito il 30/09/2024 alle: 14:32:46
In risposta al messaggio di salvatore del 30/09/2024 alle 14:10:07

Ciao Ciro. Dal sito della Victron L’Orion XS, progettato da zero, ridefinisce la carica CC-CC da batteria a batteria. Ideale per i sistemi a doppia batteria caricati da un alternatore intelligente E d'altronde quale altra funzione puo' avere un convertitore di corrente continua? Almeno finora.
Salvatore, l'Orion XS e stato riprogettato ma non proprio da zero, le "radici" sono le stesse, il codice del software adottato e lo stesso che trovi negli oramai consolidati caricabatterie e regolatori di carica solare, certo, sono stati ri-definiti gli algoritmi per gli alternatori cosiddetti "intelligenti" ma permane sia la possibilità di impostare la ricarica da alternatori regolari o "stupidi" sia quella di poter configurare tutti i parametri secondo necessità dell'utente.

Naturalmente, serve avere a disposizione le caratteristiche tecniche reali delle batterie che il caricabatterie Orion XS dovrà servire.

Ciro.
nomade analogico e fanciulla all'imbrunire. Non ho nulla da vendere nè consigli da dare, solo qualche piccolo suggerimento da prendere con le pinze, possibilmente, amperometriche. Buoni Km a tutti e......... rammentate sempre che....... TESTAR NON NUOCE!
5
Lebowski
Lebowski
02/02/2021 1542
Rispondi Abuso
Inserito il 30/09/2024 alle: 15:10:44
In risposta al messaggio di Szopen del 30/09/2024 alle 14:20:02

Joe e' bravino ma scorretto, nei senso, il software di ri-generazione della password funziona solo se sei a conoscenza del seriale del BMS, per visualizzarlo occorre però essere gia collegati al BMS e senza la password iniziale
d'accesso, cosa che tu come me hai già cambiato, non e cosa semplice. Prova tu stesso a collegarti al BMS da altro dispositivo e vedrai. Ciro.
...
Boh, adesso sono lontano, ma ho provato con il cellulare che ho fisso nel van: ho eliminato i dati dell'applicazione , quando mi collego per la prima volta mi chiede la password per l'accoppiamento bluetooth (che è fissa (*)), una volta introdotta con "about" vedo il numero di serie e il gioco è fatto.

(*) per lo meno non ho trovato il modo di cambiarla, se c'è e lo conosci me lo potresti dire?

Edit: credo di aver trovato il modo...
Edit 2: effettivamente, nello stesso menu che permette cambiare il nome si può anche modificare la password di accoppiamento, sembra che funzioni, comunque prima o poi farò la prova con un esp32.
Bon cop de falç!

Modificato da Lebowski il 30/09/2024 alle 15:31:49
20
Emme48
Emme48
rating

13/01/2006 24511
Rispondi Abuso
Inserito il 30/09/2024 alle: 16:04:14
In risposta al messaggio di Lebowski del 30/09/2024 alle 15:10:44

Boh, adesso sono lontano, ma ho provato con il cellulare che ho fisso nel van: ho eliminato i dati dell'applicazione , quando mi collego per la prima volta mi chiede la password per l'accoppiamento bluetooth (che è fissa
(*)), una volta introdotta con about vedo il numero di serie e il gioco è fatto. (*) per lo meno non ho trovato il modo di cambiarla, se c'è e lo conosci me lo potresti dire? Edit: credo di aver trovato il modo... Edit 2: effettivamente, nello stesso menu che permette cambiare il nome si può anche modificare la password di accoppiamento, sembra che funzioni, comunque prima o poi farò la prova con un esp32.
...
Non sono affatto convinto che la percentuale dei utenti sia in grado di porsi il problema e di provvedere sia elevata, temo invece che questa percentuale sia... ad una sola cifra.
Quanti installatori avranno la voglia e il coraggio (commerciale) di raccontare al felice e sorridente cliente pagante che ci sono problemi di sicurezza?
 
Marco

http://www.m48.it

5
Lebowski
Lebowski
02/02/2021 1542
Rispondi Abuso
Inserito il 30/09/2024 alle: 16:18:21
In risposta al messaggio di Emme48 del 30/09/2024 alle 16:04:14

Non sono affatto convinto che la percentuale dei utenti sia in grado di porsi il problema e di provvedere sia elevata, temo invece che questa percentuale sia... ad una sola cifra. Quanti installatori avranno la voglia e il coraggio (commerciale) di raccontare al felice e sorridente cliente pagante che ci sono problemi di sicurezza?  
Almeno questa discussione è servita a me per scoprire come cambiare una password che pensavo fosse fissa wink .
Riguardo agli installatori sono convinto che chi fa da sé fa per tre laugh (sempre che sia possibile e  con le dovute precauzioni).
Bon cop de falç!
20
Emme48
Emme48
rating

13/01/2006 24511
Rispondi Abuso
Inserito il 30/09/2024 alle: 16:37:04
In risposta al messaggio di Lebowski del 30/09/2024 alle 16:18:21

Almeno questa discussione è servita a me per scoprire come cambiare una password che pensavo fosse fissa . Riguardo agli installatori sono convinto che chi fa da sé fa per tre (sempre che sia possibile e  con le dovute precauzioni).
Chi fa da sè deve saperlo fare.
In un filo la corrente non si vede, bisogna saperla immaginare, calcolare e misurare.
Anche i segnali radio sono invisibili...

Specialmente con la corrente sono in troppi a confondere "sta funzionando" con "funziona e funzionerà bene in tutti gli scenari possibili, compresi quelli poco probabili".
Marco

http://www.m48.it

5
Lebowski
Lebowski
02/02/2021 1542
Rispondi Abuso
Inserito il 30/09/2024 alle: 16:46:10
In risposta al messaggio di Emme48 del 30/09/2024 alle 16:37:04

Chi fa da sè deve saperlo fare. In un filo la corrente non si vede, bisogna saperla immaginare, calcolare e misurare. Anche i segnali radio sono invisibili... Specialmente con la corrente sono in troppi a confondere sta funzionando con funziona e funzionerà bene in tutti gli scenari possibili, compresi quelli poco probabili.
D'accordissimo, per quello dicevo "sempre che sia possibile e con le dovute precauzioni".
Comunque nessun installatore (o forse uno o due ci sono) avrebbe fatto l'impianto che ti sei fatto tu o il controllo della truma che mi sono fatto io.
Bon cop de falç!
SostaGruppiCompagniItaliaEsteroMarchiMeccanicaCellulaAccessoriEventiLeggiComportamentiDisabiliIn camper perAltro CamperAltroExtra
167k Facebook
343k Instagram
42,6k TikTok
73,3k Youtube
CamperOnLine - Copyright © 1998-2026 - P.Iva 06953990014
Informativa privacy
Loading...

Accedi

Recupera Password
Nuovo utente

Vuoi eliminare il messaggio?

Sottoscrizione

Anteprima

PREFERENZA

Il messaggio è in fase di inserimento.

loading

CamperOnLine

Buongiorno gentile utente,

da oltre 20 anni Camperonline offre gratuitamente tutti i suoi servizi
grazie agli inserzionisti che ci hanno dato la loro fiducia, permettici di continuare il nostro lavoro disattivando il blocco delle pubblicità.

Grazie della collaborazione.

Azione eseguita con successo

Azione Fallita

Condividi

Condividi questa pagina con:

O copia il link