CamperOnLine
  • Camper
    • Camper usati
    • Camper nuovi
    • Produttori
    • Listino
    • Cataloghi
    • Concessionari e rete vendita
    • Noleggio
    • Van
    • Caravan
    • Fiere
    • Rimessaggi
    • Le prove di CamperOnLine
    • Provati da voi
    • Primo acquisto
    • Area professionisti
  • Accessori
    • Accessori e Prodotti
    • Camping Sport Magenta accessori
    • Produttori
    • Antenne TV
    • Ammortizzatori
    • GPS
    • Pneumatici
    • Rimorchi
    • Provati da Voi
    • Fai da te
  • Viaggi
    • Diari di viaggi in camper
    • Eventi
    • Foto
    • Check list
    • Traghetti
    • Trasporti
  • Sosta
    • Cerca Strutture
    • Sosta
    • Aree sosta camper
    • Campeggi
    • Agriturismi con sosta camper
    • App Camperonline App
    • 10 Consigli utili per la sosta
    • Area strutture
  • Forum
    • Tutti i Forum
    • Sosta
    • Gruppi
    • Compagni
    • Italia
    • Estero
    • Marchi
    • Meccanica
    • Cellula
    • Accessori
    • Eventi
    • Leggi
    • Comportamenti
    • Disabili
    • In camper per
    • Altro Camper
    • Altro
    • Extra
    • FAQ
    • Regolamento
    • Attivi
    • Preferiti
    • Cerca
  • Community
    • COL
    • CamperOnFest
    • Convenzioni Convenzioni
    • Amici
    • Furti
    • Informativa Privacy
    • Lavoro
  • COL
    • News
    • Newsletter
    • Pubblicità
    • Contatto
    • Ora
    • RSS RSS
    • Video
    • Facebook
    • Instagram
  • Magazine
  • Italiano
    • Bienvenue
    • Welcome
    • Willkommen
  • Accedi
CamperOnLine
Camping Sport Magenta
  1. Forum
  2. Tecnica
  3. Accessori
Galleria

Batterie piombo vs Litio

Rispondi
Cerca
Berger Camping
SostaGruppiCompagniItaliaEsteroMarchiMeccanicaCellulaAccessoriEventiLeggiComportamentiDisabiliIn camper perAltro CamperAltroExtra
1 20 11
20
a.daniele
a.daniele
12/04/2005 3973
Rispondi Abuso
Inserito il 20/03/2021 alle: 22:24:58
Ho trovato in rete un bellissimo video relativo a pro e contro tra batterie al piomb o e quelle al litio.

https://www.youtube.com/watch?v...

 
L'ho trovato molto interessante.
Saluti
Daniele
 

http://dagostinelli3.wix.com/da...

Mirvan
Mirvan
20/07/2021 13
Rispondi Abuso
Inserito il 26/07/2021 alle: 18:46:43
Confronto interessante, manco a dirlo. Oh, avete visto come l'autore del video somiglia a Claudio Bisio? Ah! Ah! Ogni tanto a causa di alcune sue espressioni che me lo ricordavano mi veniva da sorridere, ma solo per questo perché l'autore è bravo a spiegare molto bene in parole semplici la differenza tra le batterie al litio e quelle in piombo, elencando pregi e difetti per entrambe le tipologie di accumulatori.

Ovviamente ci sono anche altri canali You Tube ove trattano la tematica. Uno di questi in particolare, molto tecnico, lo consiglio caldamente, si chiama "il blog della vela" e gli argomenti trattati interessano anche il mondo caravan, notoriamente vicino al mondo della nautica per ciò che riguarda il living e le soluzioni tecniche.

Per ciò che riguarda le batterie, personalmente sono nettamente favorevole alle litio. Non c'è confronto; rendimento energetico, velocità in carica e in scarica, peso, ingombro, tutto gioca a favore delle litio. La discriminante la fa ancora esclusivamente il prezzo, anche se col tempo sta cominciando ad abbassarsi come accade per tutte le nuove tecnologie.

Sarei curioso di sapere, da chi ha installato un impianto al litio sul proprio mezzo, quando lo ha fatto e quanto ha speso, magari specificando le voci dell'impianto (batteria/e, cavi, regolatore di carica ed eventuale/i pannello/i solare/i e naturalmente mano d'opera). Sarei curioso di sapere le vostre opinioni in merito all'installazione di un impianto al litio. Va da se che l'impianto al litio deve essere necessario, come ad esempio potrebbe esserlo per chi usa il camper anche in inverno oppure per chi ci vive, ovvio che per chi ad esempio usa il camper quindici giorni l'anno un impianto al litio è superfluo.

Modificato da Mirvan il 26/07/2021 alle 18:50:35
7
Karbon17
Karbon17
rating

10/01/2019 2127
Rispondi Abuso
Inserito il 26/07/2021 alle: 19:31:57
In risposta al messaggio di Mirvan del 26/07/2021 alle 18:46:43

Confronto interessante, manco a dirlo. Oh, avete visto come l'autore del video somiglia a Claudio Bisio? Ah! Ah! Ogni tanto a causa di alcune sue espressioni che me lo ricordavano mi veniva da sorridere, ma solo per questo
perché l'autore è bravo a spiegare molto bene in parole semplici la differenza tra le batterie al litio e quelle in piombo, elencando pregi e difetti per entrambe le tipologie di accumulatori. Ovviamente ci sono anche altri canali You Tube ove trattano la tematica. Uno di questi in particolare, molto tecnico, lo consiglio caldamente, si chiama il blog della vela e gli argomenti trattati interessano anche il mondo caravan, notoriamente vicino al mondo della nautica per ciò che riguarda il living e le soluzioni tecniche. Per ciò che riguarda le batterie, personalmente sono nettamente favorevole alle litio. Non c'è confronto; rendimento energetico, velocità in carica e in scarica, peso, ingombro, tutto gioca a favore delle litio. La discriminante la fa ancora esclusivamente il prezzo, anche se col tempo sta cominciando ad abbassarsi come accade per tutte le nuove tecnologie. Sarei curioso di sapere, da chi ha installato un impianto al litio sul proprio mezzo, quando lo ha fatto e quanto ha speso, magari specificando le voci dell'impianto (batteria/e, cavi, regolatore di carica ed eventuale/i pannello/i solare/i e naturalmente mano d'opera). Sarei curioso di sapere le vostre opinioni in merito all'installazione di un impianto al litio. Va da se che l'impianto al litio deve essere necessario, come ad esempio potrebbe esserlo per chi usa il camper anche in inverno oppure per chi ci vive, ovvio che per chi ad esempio usa il camper quindici giorni l'anno un impianto al litio è superfluo.
...
Ciao io prossimamente installerò una batteria al litio da 120Ah( con BMS integrato e garantita 8 anni), in sostituzione di una AGM da 95Ah con i medesimi ingombri ed almeno 15kg di peso per una spesa comprensiva di tutto di circa 1.300€ cosi suddivisi : 760€ per la batteria, converter DC/DC 240€(Victron) carica batteria 180€ (Victron) il resto in cavi fusibili capicorda manodopera gratuita fornita dal sottoscritto.
Sono già state scritte pagine su vantaggi e svantaggi, il costo globale non và valutato nell'immediato ma a lungo termine, una 120Ah al litio vale almeno quanto due AGM da 100Ah che se di buona marca sono circa 400€, consideriamo poi i cicli di scarica che per le litio sono almeno il triplo delle AGM ed abbiamo già pareggiato la spesa, in quanto tempo? dipende da quanto si usa il camper ed io usandolo almeno 10 mesi all'anno penso di pareggiare in 8-10 anni, poi c'è l'aspetto peso almeno 40kg risparmiati, la velocità di ricarica sia da alternatore con adeguato converter DC/DC sia da caricabatteria idoneo per le litio, soffrono il freddo in quanto a temperature di -10° hanno una resa del 60% quindi non idonee a chi frequenta zono con clima particolarmente rigido ed è consigliato se non utilizzate per un certo periodo di non lasciarle cariche al 100%, personalmente ho fatto questa scelta per almeno raddoppiare la disponibilità ed indipendenza energetica, dai due giorni attuali ad almeno 4 giorni, non avendo al momento intenzione di montare un sistema alternativo (pannelli fotovoltaici o efoy) nel medesimo spazio non avendone disponibile per una seconda batteria AGM altrimenti avrei aspettato per la litio costi minori e tecnologie evolute

Modificato da Karbon17 il 26/07/2021 alle 19:36:09
7
Karbon17
Karbon17
rating

10/01/2019 2127
Rispondi Abuso
Inserito il 26/07/2021 alle: 20:15:37
Ciao Marco a parità di dimensioni e di Ah sicuramente hai maggior autonomia, direi doppia, ed almeno alla metà del peso, poi sicuramente ci sono ottime AGM con un notevole risparmio economico
7
Karbon17
Karbon17
rating

10/01/2019 2127
Rispondi Abuso
Inserito il 26/07/2021 alle: 21:14:07
sono situazioni estreme, poi ognuno è libero di fare la scelta che ritiene più opportuna
ciao
Asturia, Cantabria e Paesi Baschi in cam
Asturia, Cantabria e Paesi Baschi in cam
Sala Silvergruva, la miniera d'argento
Sala Silvergruva, la miniera d'argento
Folgaria d’inverno in camper
Folgaria d’inverno in camper
Francia 2025
Francia 2025
Eksjo, la città di legno
Eksjo, la città di legno
Previous Next
11
Semi
Semi
23/03/2014 1126
Rispondi Abuso
Inserito il 26/07/2021 alle: 22:11:00
Però ce da dire che nel passaggio da agm a litio loro hanno dimezzato gli ah. Si vedono i vantaggi mantenendo la stessa capacità 
Semi
11
Semi
Semi
23/03/2014 1126
Rispondi Abuso
Inserito il 26/07/2021 alle: 22:18:41
Se cerchi c'è un mio post con l'evoluzione del mio impianto e i costi 
Semi
7
Steu851
Steu851
27/08/2018 3079
Rispondi Abuso
Inserito il 27/07/2021 alle: 13:10:20
Non mi sembra che abbiano mai avuto problemi energetici, anzi, ora si son permessi di tenere il condizionatore acceso tutta la notte.
Hanno risparmiato oltre 400 Kg di peso e recuperato un sacco di spazio, avendo anche dimezzato la capacità nominale, senza diminuire (anzi forse aumentandola visto che Simone da come soglia utilizzabile dalle AGM il 30% cioè 70% residuo)
Ricaricano solo da solare o col generatore, l'alternare (per altro per lungo tempo in avaria) si occupa solo del motore.
Io ho appena fatto la sostituzione con una DIY (orrore non è certificata) ora ho nello spazio della vecchia AGM da 100 Ah una LiFePO4 da 200 Ah passando da 40-50 Ah utilizzabili senza degrado a 180 Ah
Adria Coral Compact, il camper coupè
19
camperos
camperos
29/12/2006 4709
Rispondi Abuso
Inserito il 27/07/2021 alle: 13:57:01
In risposta al messaggio di a.daniele del 20/03/2021 alle 22:24:58

Ho trovato in rete un bellissimo video relativo a pro e contro tra batterie al piomb o e quelle al litio. v...   L'ho trovato molto interessante. Saluti Daniele   ...
scusa daniele ma posso dimostrare  il contrario,
ho le lifepo dal 2011, caricate pe 7 anni senza cambiare nulla, cioè booster per piombo, regolatore FV per piombo, CB per piombo,
ora vero ho upgradato ma le 2 gialle da 90ah il parallelo secco a occhio stanno funzionando come nuove,
mentre tra i milleproblemi dimostrati qui su COL di agm scaricate oltr il 50% (12.1V) è un continuo cambiarle 
34 minuti di filmato mi sono bastati i primi 5 minuti..
ma la gente ha tempo da perdere e seguire per mezz'ora un altro  dei mille? , che faccia un filmato riassuntivo di max 4 minuti
fai da te? ahi ahi ahi ahi, ora in ogni tuo viaggio ad ogni strano odore penserai al camper... che si sta incendiando :)

Modificato da camperos il 28/07/2021 alle 02:20:35
7
Steu851
Steu851
27/08/2018 3079
Rispondi Abuso
Inserito il 27/07/2021 alle: 14:49:54
la mia esigenza è quella di poter ricaricare le batterie di 2 ebike in assenza di allacciamento alla 220V, mi ritrovavo con una AGM ancora funzionate ma dalla capacità reale ignota avendo una eta compresa tra i 6 ed i 12 anni, il punto debole ora è la ricarica, ma suppongo, anche per problemi idrici, di non passare più di 2 notti consecutive in libera.
Altri 2 fattori che mi hanno 'costretto' al passaggio alla litio sono il mio animo nerd e la mancanza di un vano sacrificabile per la seconda batteria vite le dimensioni compatte del mezzo.
Per quanto riguarda l'assisitrbilità sono nella condizione peggiore, ho fatto arrivare le celle dalla Cina e ci hanno messo 2 mesi, però l'impianto è plug&play con le piombo, quindi dovessi avere problemi alla batteria posso rapidamente sostituirla con una da supermercato, via bluetooth cambiare il profilo del DC-DC e del regolatore solare la LiFePO4, rimettere il fusibile del caricabatteria originale e proseguire il viaggio quasi come avessi mantenuto la piombo.
Per la possibilità di usare la AGM per avviare il motore, non mi pare che sia fattibile con qualsiasi AGM senza distruggerla, per quello ho uno starter a parte
Posso disturbarti in privato per implementare il diodo/resistenza nel mio impianto?
Adria Coral Compact, il camper coupè

Modificato da Steu851 il 27/07/2021 alle 14:59:46
22
Giovanni
Giovanni
rating

28/08/2003 13334
Rispondi Abuso
Inserito il 27/07/2021 alle: 16:30:41

Nel complesso ho trovato buono il video, almeno fin dove son riuscito a seguire (oltre il 70%?) se non fosse che, da professore, mi confonde gli ampere con gli amperora: non è da persona che si propone la divulgazione tecnica e specifica.

Ma a parte ciò, resto con le mie due Agm in parallelo: hanno compiuto orami 14 anni; ho un impianto  fotovoltaico da 180 watt., il carico più pesante sono i piedini elettrici di livellamento nonché il caricabatterie della e-bike. E' pur vero, così per dire qualcosa, che le litio si possono scaricare un po' di più delle agm, ma a me questo problema non si presenta; è pur vero, anche, che le litio si possono caricare con correnti più alte delle agm ma se non hai a disposizione una fonte che ti possa dare più corrente, è una specificità che conta poco. Il peso? E' vero anche questo, ma con tutti i nessi e connessi che ho messo sul mio camper, sto entro il massimo per oltre un quintale, per cui continuo con le mie. So che esistono le litio ma, per questa vita, continuo con le agm.

Giovanni
7
Steu851
Steu851
27/08/2018 3079
Rispondi Abuso
Inserito il 28/07/2021 alle: 10:22:48
Ciao Marco, anche se a volte dai mie interventi potrebbe non sembrare ti stimo ed apprezzo le tue competenze.
Vediamo al problema
L'impianto originale era ben fatto, tanto è vero che il frigo raffredda anche a 12V e la batteria servizi (Fiamm) ha una età compresa tra i 6 e gli 11 anni, io sono il terzo proprietario, ho contatti solo col secondo che afferma di non averla mai cambiata.
Nell'impianto era presente un parallelatore per il mantenimento della BM col pannello solare che ha sempre funzionato bene ma che ho dovuto eliminare, ho quindi pensato di mettere il tuo diodo-resistenza ma ci sono dei problemi da risolvere, messo come suggerito andrebbe a fare un ponte tra ingresso ed uscita del DC-DC che non va siciuamente bene, è vero che posos impostare la soglia di intervento del dc-dc ad una tensione superiore a quella della BS - diodo però quando è in funzione una parte della corrente in uscta tornerebbe all'ingresso, quindi la soluzione potrebbe essere un relè NC che in presenza del +12 sotto chiave (non disponibile nel vano tecnico) o del fantomatico D+ apra il collegamento.
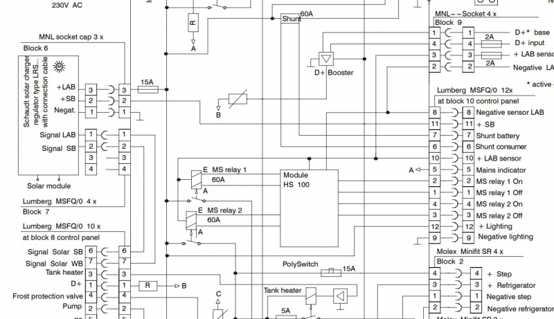
Come ho scritto in un post dallo schema della EBL 229 ho trovato 2 fili, uno denominato D+ e l'altro D+ base (active ground)
Mi par di capire che il Base è il segnale che arriva dall'alternarore che va a massa quando il motoe è acceso mentre l'altro dovrebbe essere amplificato dalla centralina e forse invertito. Allego parte dello schema
image(2883).png
Ho visto che il relè che ho preso assorbe 150 mA, creerà problemi? il cavo che esce dal connettore D+ è molto sottile su connettore a passo ravvicinato, mentre il D+ base è il classico cavo automotive
Cosa mi consigli?

Altra domanda, inverter da 1200VA (sempre victron), per ora ho solo collegato l'ingresso 12V con 2 cavi da saldatrice 25 mmq ed all'uscita 220V ho collegato una ciabatta a 3 posti, dovrei collegarci solo cose a doppio isolamento, quali i caricabatterie delle ebike e delle apparecchiature non USB, ed un piccolo phon, devo comunque collegarlo alla massa del veicolo tramite l'apposito morsetto e mettere un salvavita?

Grazie
Stefano

 
Adria Coral Compact, il camper coupè
Argomenti recenti dal forum
Cellula abitativa
Camper nuovi con serbatoio nere nautico
Un saluto a tutti, sul mio attuale arca è installato un sistema spee...
riccardo23
Ieri alle: 17:42
Accessori
Trasferire molti ah da BS a BM
Una volta sono rimasto senza alternatore a circa due ore da casa era...
gianninotopo
Ieri alle: 13:22
Cellula abitativa
pulizia oblo bagno impossibile
Buongiorno a tutti, ho un Hymer Camp GT544 mansardato del 2005. Il b...
Ceschi1984
Ieri alle: 11:53
Cellula abitativa
Comando Cp plus su Combi 6002
Buongiorno a tutti,volevo sapere se si può montare il comando cp plu...
Rickyge
19/03/26 - 16:00
Viaggi all'estero
Vignette/telepass oltre 35q in Cechia e Polonia
Buongiorno a tutti, stavo programmando un viaggio per vedere la Polo...
biomax
19/03/26 - 14:09
Cellula abitativa
Sportello presa cee
Lo sportello della presa del mio veicolo è mal ridotta, un paio di c...
gianninotopo
19/03/26 - 11:10
Altro sui camper
camper puro, furgonato x usarlo anche per lavori
buongiorno, mi frulla in testa la voglia anche se non per quest'anno...
vespucci
19/03/26 - 09:04
Altro sui camper
Cerco rimessaggio Arenzano,Genova,Savona,masone ec
Aiutoooo cerco rimessaggio nel raggio di 50km da Arenzano… grazie an...
Lelle007
19/03/26 - 01:19
Accessori
domanda secca su lifepo4
buonaser a tutti, prossimamente vorrei acquistare un box batteria d...
AlbertoPD
18/03/26 - 23:08
Cellula abitativa
Caricabatterie e colonnina 220v
Buonasera, non mi era mai capitato oppure non ci avevo fatto caso. S...
323232
18/03/26 - 20:17
Compagni di viaggio
Compagni viaggio Lombardia
Ciao, siamo una coppia di Milano, Matteo (34) e Angelica (40), con u...
Mario Dalgalla
18/03/26 - 17:16
Accessori
Striscia a led "d'atmosfera"
Salve vorrei mettere questa striscia (5mt. COB 45w) alla base dei ...
gianninotopo
18/03/26 - 16:43
Meccanica
Problema elettrico Fiat ducato X250 2.3 mjt 2012
Salve a tutti. Ho un grosso problema sul mio mezzo per quanto riguar...
Pizza77
18/03/26 - 10:30
Accessori
Impianto con lifepo4
Buongiorno a tutti, sono un novellino di questo fantastico mondo, ho...
The Box
18/03/26 - 09:16
Meccanica
Quantità olio circuito freni
Secondo voi, su un mezzo di 7 metri su telaio ALKO con interasse di ...
norbidic
18/03/26 - 06:57
SostaGruppiCompagniItaliaEsteroMarchiMeccanicaCellulaAccessoriEventiLeggiComportamentiDisabiliIn camper perAltro CamperAltroExtra
167k Facebook
343k Instagram
42,6k TikTok
73,3k Youtube
CamperOnLine - Copyright © 1998-2026 - P.Iva 06953990014
Informativa privacy
Loading...

Accedi

Recupera Password
Nuovo utente

Vuoi eliminare il messaggio?

Sottoscrizione

Anteprima

PREFERENZA

Il messaggio è in fase di inserimento.

loading

CamperOnLine

Buongiorno gentile utente,

da oltre 20 anni Camperonline offre gratuitamente tutti i suoi servizi
grazie agli inserzionisti che ci hanno dato la loro fiducia, permettici di continuare il nostro lavoro disattivando il blocco delle pubblicità.

Grazie della collaborazione.

Azione eseguita con successo

Azione Fallita

Condividi

Condividi questa pagina con:

O copia il link