CamperOnLine
  • Camper
    • Camper usati
    • Camper nuovi
    • Produttori
    • Listino
    • Cataloghi
    • Concessionari e rete vendita
    • Noleggio
    • Van
    • Caravan
    • Fiere
    • Rimessaggi
    • Le prove di CamperOnLine
    • Provati da voi
    • Primo acquisto
    • Area professionisti
  • Accessori
    • Accessori e Prodotti
    • Camping Sport Magenta accessori
    • Produttori
    • Antenne TV
    • Ammortizzatori
    • GPS
    • Pneumatici
    • Rimorchi
    • Provati da Voi
    • Fai da te
  • Viaggi
    • Diari di viaggi in camper
    • Eventi
    • Foto
    • Check list
    • Traghetti
    • Trasporti
  • Sosta
    • Cerca Strutture
    • Sosta
    • Aree sosta camper
    • Campeggi
    • Agriturismi con sosta camper
    • App Camperonline App
    • 10 Consigli utili per la sosta
    • Area strutture
  • Forum
    • Tutti i Forum
    • Sosta
    • Gruppi
    • Compagni
    • Italia
    • Estero
    • Marchi
    • Meccanica
    • Cellula
    • Accessori
    • Eventi
    • Leggi
    • Comportamenti
    • Disabili
    • In camper per
    • Altro Camper
    • Altro
    • Extra
    • FAQ
    • Regolamento
    • Attivi
    • Preferiti
    • Cerca
  • Community
    • COL
    • CamperOnFest
    • Convenzioni Convenzioni
    • Amici
    • Furti
    • Informativa Privacy
    • Lavoro
  • COL
    • News
    • Newsletter
    • Pubblicità
    • Contatto
    • Ora
    • RSS RSS
    • Video
    • Facebook
    • Instagram
  • Magazine
  • Italiano
    • Bienvenue
    • Welcome
    • Willkommen
  • Accedi
CamperOnLine
Camping Sport Magenta
  1. Forum
  2. Tecnica
  3. Accessori
Galleria

Doppia Alimentazione Autoradio

Rispondi
Cerca
Berger Camping
SostaGruppiCompagniItaliaEsteroMarchiMeccanicaCellulaAccessoriEventiLeggiComportamentiDisabiliIn camper perAltro CamperAltroExtra
1 20 80
15
Subalpino
Subalpino
07/12/2010 2861
Rispondi Abuso
Inserito il 27/03/2021 alle: 11:14:44
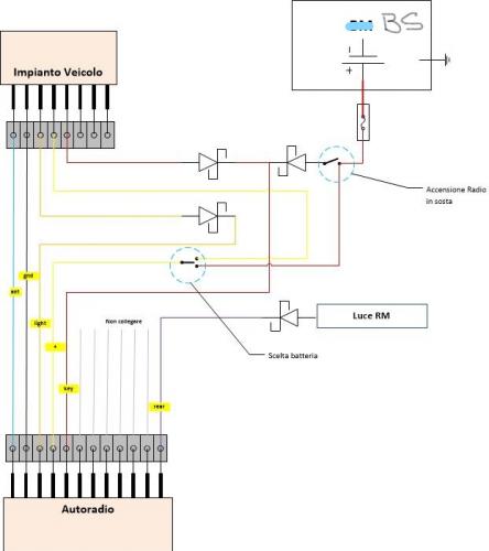
In fase di installazione della nuova autoradio cinese ho valutato alcuni problemi relativi al doppio collegamento (marcia e sosta), ci sono molti circuiti del veicolo che vengono coinvolti e potrebbero creare dei "ponti" indesiderati tra le due batterie.

Ho buttato giù uno schema basato su diodi schotty,  da condividere e commentare.
Oltre ai soliti 2 cavi ( postivo e sottochiave) ho solo considerato le connessioni per luci, antenna e retromarcia. 
Nel caso di canbus, volante, mute credo vadano aggiunti altri diodi.
Ho inserito un deviatore per la scelta della batteria primaria che potrebbe essere sostituito da un ponticello.
Inkedradio_LI.jpg


 
quello che succede a Las Vegas resta a Las Vegas, quello che succede sul forum resta sul forum

Modificato da Subalpino il 27/03/2021 alle 22:52:56
20
Grinza
Grinza
rating

16/02/2006 63838
Rispondi Abuso
Inserito il 27/03/2021 alle: 12:20:15
In risposta al messaggio di Subalpino del 27/03/2021 alle 11:14:44

In fase di installazione della nuova autoradio cinese ho valutato alcuni problemi relativi al doppio collegamento (marcia e sosta), ci sono molti circuiti del veicolo che vengono coinvolti e potrebbero creare dei ponti indesiderati
tra le due batterie. Ho buttato giù uno schema basato su diodi schotty,  da condividere e commentare. Oltre ai soliti 2 cavi ( postivo e sottochiave) ho solo considerato le connessioni per luci, antenna e retromarcia.  Nel caso di canbus, volante, mute credo vadano aggiunti altri diodi. Ho inserito un deviatore per la scelta della batteria primaria che potrebbe essere sostituito da un ponticello.   quello che succede a Las Vegas resta a Las Vegas, quello che succede sul forum resta sul forum
...
Esiste un ponticello da fare direttamente sul portafusibili per far funzionare la radio anche in sosta, se fai un cerca sicuramente lo trovi.

Se hai il diodo/resistenza tra BS e BM praticamente alimenti la radio con entrambe le batterie
 
Il problema non è la gente che non comprende ma la gente che giudica quello che nemmeno comprende
15
camperistadoc
camperistadoc
04/10/2010 3538
Rispondi Abuso
Inserito il 27/03/2021 alle: 13:03:21
In risposta al messaggio di Subalpino del 27/03/2021 alle 11:14:44

In fase di installazione della nuova autoradio cinese ho valutato alcuni problemi relativi al doppio collegamento (marcia e sosta), ci sono molti circuiti del veicolo che vengono coinvolti e potrebbero creare dei ponti indesiderati
tra le due batterie. Ho buttato giù uno schema basato su diodi schotty,  da condividere e commentare. Oltre ai soliti 2 cavi ( postivo e sottochiave) ho solo considerato le connessioni per luci, antenna e retromarcia.  Nel caso di canbus, volante, mute credo vadano aggiunti altri diodi. Ho inserito un deviatore per la scelta della batteria primaria che potrebbe essere sostituito da un ponticello.   quello che succede a Las Vegas resta a Las Vegas, quello che succede sul forum resta sul forum
...
Componenti elettrici che possono guastarsi, schemi elettrici non alla portata di tutti... 
Basterebbe alimentare potenza e memorie direttamente dalla BS ed è tutto risolto, per chi stacca la BS durante il rimessaggio alimentare le memorie dalla BM.

Ciaowink
Viaggiare apre la mente...
14
gduca
gduca
29/11/2011 2093
Rispondi Abuso
Inserito il 27/03/2021 alle: 13:17:08
togli il filo rosso che va alla radio. Prendi un interruttore/deviatore. Colleghi il centrale al filo rosso verso l'autoradio, un laterale al filo giallo e l'altro laterale all'altra estremità del filo rosso, quella che va verso il mezzo.   Il deviatore lo puoi inserire nel tappo centrale in basso, vicino al portabottiglie.    Se sposti la levetta da un lato, tutto funziona come in origine, se la sposti dall'altro, puoi accendere l'autoradio a motore spento. Mi sembra molto più semplice di tutte quelle complicazioni.
Fabrizio
15
Subalpino
Subalpino
07/12/2010 2861
Rispondi Abuso
Inserito il 27/03/2021 alle: 13:17:18
In risposta al messaggio di camperistadoc del 27/03/2021 alle 13:03:21

Componenti elettrici che possono guastarsi, schemi elettrici non alla portata di tutti...  Basterebbe alimentare potenza e memorie direttamente dalla BS ed è tutto risolto, per chi stacca la BS durante il rimessaggio alimentare le memorie dalla BM. Ciao
Non ho capito cosa intendi nel tuo messaggio. 
Potenza e memorie sono un solo cavo(di solito giallo) che puoi alimentare dalla BS come ho indicato nel mio schema.
Il problema è l'accensione che arriva dalla chiave e da un comando che la sostituisce per la sosta.
Il secondo problema sono i circuiti che portano tensioni alla radio dalla BM e potrebbero, attraverso la radio stessa, trasferire queste tensioni alla BS.


 
quello che succede a Las Vegas resta a Las Vegas, quello che succede sul forum resta sul forum
Sala Silvergruva, la miniera d'argento
Sala Silvergruva, la miniera d'argento
Folgaria d’inverno in camper
Folgaria d’inverno in camper
Francia 2025
Francia 2025
Eksjo, la città di legno
Eksjo, la città di legno
Viaggio in Umbria e dintorni
Viaggio in Umbria e dintorni
Previous Next
15
Subalpino
Subalpino
07/12/2010 2861
Rispondi Abuso
Inserito il 27/03/2021 alle: 13:19:56
In risposta al messaggio di gduca del 27/03/2021 alle 13:17:08

togli il filo rosso che va alla radio. Prendi un interruttore/deviatore. Colleghi il centrale al filo rosso verso l'autoradio, un laterale al filo giallo e l'altro laterale all'altra estremità del filo rosso, quella che
va verso il mezzo.   Il deviatore lo puoi inserire nel tappo centrale in basso, vicino al portabottiglie.    Se sposti la levetta da un lato, tutto funziona come in origine, se la sposti dall'altro, puoi accendere l'autoradio a motore spento. Mi sembra molto più semplice di tutte quelle complicazioni.
...
Sicuramente più semplice se vuoi usare la BM anche in sosta.
quello che succede a Las Vegas resta a Las Vegas, quello che succede sul forum resta sul forum
15
camperistadoc
camperistadoc
04/10/2010 3538
Rispondi Abuso
Inserito il 27/03/2021 alle: 14:15:56
In risposta al messaggio di Subalpino del 27/03/2021 alle 13:17:18

Non ho capito cosa intendi nel tuo messaggio.  Potenza e memorie sono un solo cavo(di solito giallo) che puoi alimentare dalla BS come ho indicato nel mio schema. Il problema è l'accensione che arriva dalla chiave e da
un comando che la sostituisce per la sosta. Il secondo problema sono i circuiti che portano tensioni alla radio dalla BM e potrebbero, attraverso la radio stessa, trasferire queste tensioni alla BS.  
...
Il filo per le memorie di solito è giallo, quello per la potenza rosso (e di sezione leggermente superiore), a volte i colori sono capovolti, ma non mi e mai successo di vedere un unico filo per potenza e memorie.
20191227_134119_copy_440x640(3).jpg
Il filo n° 4 e il n° 5 sono rispettivamente memoria e potenza del mio aistema A/V alimentato esclusivamente da BS.
Alimentare il tutto con la sola BS mi sembra la cosa più saggia, ovviamente ci vuole un interruttore che sostituisca la chiave.
Poi, per i comandi al volante ednil CAN BUS può essere un altro discorso.

Ciaowink
Viaggiare apre la mente...

Modificato da camperistadoc il 27/03/2021 alle 14:17:49
15
Subalpino
Subalpino
07/12/2010 2861
Rispondi Abuso
Inserito il 27/03/2021 alle: 15:25:24
In risposta al messaggio di camperistadoc del 27/03/2021 alle 14:15:56

Il filo per le memorie di solito è giallo, quello per la potenza rosso (e di sezione leggermente superiore), a volte i colori sono capovolti, ma non mi e mai successo di vedere un unico filo per potenza e memorie. Il filo
n° 4 e il n° 5 sono rispettivamente memoria e potenza del mio aistema A/V alimentato esclusivamente da BS. Alimentare il tutto con la sola BS mi sembra la cosa più saggia, ovviamente ci vuole un interruttore che sostituisca la chiave. Poi, per i comandi al volante ednil CAN BUS può essere un altro discorso. Ciao
...
Nel mio caso (Ducato) con connettore ISO il cavo giallo (spesso) porta alimentazione sempre mentre il rosso (sottile) porta il segnale di accensione. In altri casi i colori sono invertiti.
In ogni caso non capisco il concetto di memoria e potenza.
Nella mia autoradio esiste un cavo che alimenta l'autoradio sempre (giallo) e uno che manda il segnale di accensione (rosso), quando giro la chiave.
Ovviamente se tolgo l'alimentazione perde le memorie.
Alimentare tutto dalla BS sarà anche saggio oltre che semplice ma rinunci ad alcune funzionalità dell'autoradio (retrocamera, mute,canbus, abbassamento delle luci). 
Non è lo scopo del mio intervento.




 
quello che succede a Las Vegas resta a Las Vegas, quello che succede sul forum resta sul forum
14
gduca
gduca
29/11/2011 2093
Rispondi Abuso
Inserito il 27/03/2021 alle: 19:08:01
In risposta al messaggio di Subalpino del 27/03/2021 alle 15:25:24

Nel mio caso (Ducato) con connettore ISO il cavo giallo (spesso) porta alimentazione sempre mentre il rosso (sottile) porta il segnale di accensione. In altri casi i colori sono invertiti. In ogni caso non capisco il concetto
di memoria e potenza. Nella mia autoradio esiste un cavo che alimenta l'autoradio sempre (giallo) e uno che manda il segnale di accensione (rosso), quando giro la chiave. Ovviamente se tolgo l'alimentazione perde le memorie. Alimentare tutto dalla BS sarà anche saggio oltre che semplice ma rinunci ad alcune funzionalità dell'autoradio (retrocamera, mute,canbus, abbassamento delle luci).  Non è lo scopo del mio intervento.  
...
continuo a non capire perchè vuoi complicarti la vita con circuiti diodi ecc..   Qual'è il tuo problema? usare la radio con la batteria servizi anzichè con la batteria motore?   Dov'è il problema?  A parte i consumi trascurabili (nel breve) nel lungo periodo si presume che tu sia stanziale e che la batteria motore venga ricaricata da pannelli o colonnina 220.    Io vado avanti da anni con il semplicissimo deviatore e mai avuto nessun problema.   
Fabrizio
15
camperistadoc
camperistadoc
04/10/2010 3538
Rispondi Abuso
Inserito il 27/03/2021 alle: 19:49:10
In risposta al messaggio di Subalpino del 27/03/2021 alle 15:25:24

Nel mio caso (Ducato) con connettore ISO il cavo giallo (spesso) porta alimentazione sempre mentre il rosso (sottile) porta il segnale di accensione. In altri casi i colori sono invertiti. In ogni caso non capisco il concetto
di memoria e potenza. Nella mia autoradio esiste un cavo che alimenta l'autoradio sempre (giallo) e uno che manda il segnale di accensione (rosso), quando giro la chiave. Ovviamente se tolgo l'alimentazione perde le memorie. Alimentare tutto dalla BS sarà anche saggio oltre che semplice ma rinunci ad alcune funzionalità dell'autoradio (retrocamera, mute,canbus, abbassamento delle luci).  Non è lo scopo del mio intervento.  
...
Se i 2 fili (rosso e giallo) li sfili dal connettore ISO e li rimpiazzi, sempre usando il connettore ISO e quindi ricablando i faston che finiscono dentro al connettore, alimentando il giallo diretto e il rosso interposto con un interruttore entrambi dalla BS non perdi nessuna funzionalità, gli altri fili (abbassamento luce, antenna, amplificatore ecc...) rimangono sempre nel connettore e vanno all'impianto originale. Io ho escluso comunque tutto perchè viaggiando sempre con luci accese lo schermo non deve diminuire la luminosità, non ho comandi al volante e così via...

Ciaowink


 
Viaggiare apre la mente...
19
IZ4DJI
IZ4DJI
rating

12/11/2006 58356
Rispondi Abuso
Inserito il 27/03/2021 alle: 20:20:14
Ma non sarebbe piu semplice collegare (come ho fatto io) l autoradio e tutto il resto, sempre alla BS, anche in viaggio?
____________________________________

Tommaso IZ4DJI

www.iz4dji.it




6
Szopen
Szopen
rating

06/09/2019 5997
Rispondi Abuso
Inserito il 27/03/2021 alle: 21:03:27
In risposta al messaggio di Grinza del 27/03/2021 alle 12:20:15

Esiste un ponticello da fare direttamente sul portafusibili per far funzionare la radio anche in sosta, se fai un cerca sicuramente lo trovi. Se hai il diodo/resistenza tra BS e BM praticamente alimenti la radio con entrambe le batterie  
Prima per l'autoradio avevo spostato l'alimentazione al fusibile del clacson, successivamente, visto che comunque non ci dispiace tenere un sottofondo musicale o ascoltare qualche notiziario al mattino, l'ho collegata direttamente alla BS.

Avevo anche pensato ad un relè a 5 contatti a monte dell'alimentazione, nello schema di subalpino subito dopo il fusibile vicino alla BM  ma, a che pro, le BS in viaggio si ricaricano comunque.

Ciro.

 
nomade analogico e fanciulla all'imbrunire. Non ho nulla da vendere nè consigli da dare, solo qualche piccolo suggerimento da prendere con le pinze, possibilmente, amperometriche. Buoni Km a tutti e......... rammentate sempre che....... TESTAR NON NUOCE!
Argomenti recenti dal forum
Accessori
Impianto 13 poli gancio traino schema
Ciao a tutti, Dubito di risolvere, ma la community qui é numerosa e ...
maaaxxx
Oggi alle 18:27
Meccanica
Un aiutino da casa x Crossclimate
Mi sono un po perso sulle pressioni corrette , il mezzo è su Ducato ...
dadamazz
Oggi alle 18:05
Aree di sosta e campeggi
Area sosta sul lago di Barcis
Ciao a tutti , qualcuno è stato a Pasqua nell'area sosta camper a Ba...
diabolik
Oggi alle 16:14
Accessori
Interpretare smartshunt
Buongiorno, nel cammin di mezza via . . . Mi ritrovo con 2 BS 110AH ...
isauri
Oggi alle 15:21
Accessori
monitoraggio pressione pneumatici
Buongiorno a tutti, volevo chiedere se qualcuno ha montato un TPMS d...
Walter62
Oggi alle 14:11
Aree di sosta e campeggi
Area sosta a primaluna LECCO
Buongiorno chiedo x piacere,,qualcuno e stato recentemente all,area ...
giuvanella
Oggi alle 13:26
Cellula abitativa
Cavi dietro sedile lato passeggero ducato 244
Buongiorno a tutti, sul mio ducato 244 esce dietro il sedile una lin...
CamperistaPN
Oggi alle 08:55
In camper per
Studio di settore sulle aree camper
Buona sera a tutti Sono qua a chiedere qualche minuto del vostro tem...
kettyke
Ieri alle: 23:02
Meccanica
Arca america 2024
Buonasera a tutti, vorrei capire se il camper in oggetto può già ave...
Adocaro
Ieri alle: 19:14
Cellula abitativa
motorhome hymer 2003 non carica bs
Buongiorno a tutti, ho un problema e spero nel Vostro aiuto. Attacc...
salva56
Ieri alle: 14:29
Viaggi in Italia
Ciclabili Verona est
Abbiamo letto la pagina web dell'agricamping Oro verde a Verona. Sap...
rlui
Ieri alle: 14:28
Accessori
Installazione retrocamera posteriore
Ciao a tutti, ho acquistato un Krunia Schermo Portatile 8'' per Appl...
Karbon17
Ieri alle: 10:10
Cellula abitativa
Mercedes Viano Marco Polo allestito Westfalia
Buongiorno a tutti, per il mio Viano Marco Polo allestito Westfalia ...
Salo
Ieri alle: 09:31
Meccanica
Fanale opacizzato
Ciao, ho un Ducato i cui fanali anteriori sono opacizzati. Quest'ann...
Maiamaia4
Ieri alle: 08:35
Aree di sosta e campeggi
Villalago
Buona sera vorrei un informazione, a primavera vorrei andare a visit...
PetruDaniele
13/03/26 - 21:01
15
Subalpino
Subalpino
07/12/2010 2861
Rispondi Abuso
Inserito il 27/03/2021 alle: 22:40:36
SCUSATE ERRORE NEL MIO SCHEMA  BM=BS

Leggendo i vari commenti mi pare di capire che ci sono 2 correnti di pensiero:
  1. radio tutta collegata alla BS, senza controlli luci,retro,canbus,etc con interruttore manuale per switch
  2. radio collegata alla BM con deviatore per lo switch
La soluzione 1 non risponde alle mie esigenze, perchè in marcia vorrei che la radio funzionasse come ora.
La soluzione 2 di gduca va bene ma ho qualche dubbio su quello che possa succedere alla BM se tenessi accesa la radio per diverse ore. Grinza sostiene che è sufficiente la corrente che passa dal diodo+resistenza, potrebbe essere una soluzione.

Per chiarire meglio, la radio in oggetto è un 2din che funge anche da retrocamera, navigatore e, volendo, anche da lettore video.






 
quello che succede a Las Vegas resta a Las Vegas, quello che succede sul forum resta sul forum

Modificato da Subalpino il 28/03/2021 alle 00:01:09
18
franco49tn
franco49tn
rating

24/01/2008 10414
Rispondi Abuso
Inserito il 28/03/2021 alle: 10:16:03
Ma domando , cosa ve ne fate delle "memorie" dei vari canali
quando mil mezzo viaggia sempre in zone diverse e le frequenze cambiano ogni 50 km
io stacco sempre tutto e sento radio comunque e con ricerca automatica si posiziona
su quanto trasmesso in zona con potenza maggiore.

Capisco per chi viaggia in città e deve sentire ad una data ora
sempre lo stesso "radiogiornale"-
Franco

Modificato da franco49tn il 28/03/2021 alle 10:16:44
22
salvatore
salvatore
10/08/2003 9120
Rispondi Abuso
Inserito il 28/03/2021 alle: 10:57:09
Sto seguendo, ma non ho capito molto.
Innanzitutto non ho capito quale vantaggio ci sarebbe a collegare l'autoradio alla batteria di servizio
Sicuramente c'e' lo svantaggio di portare i cavi dalla batteria di servizio al cruscotto.
Sul camper c'e' gia' la predisposizione per l' autoradio, collegata, ovviamente, alla batteria motore (connettore iso).
Se si usa l'autoradio originale, spegnendo il motore si spegne anche la radio, che puo' essere comunque riaccesa sia pur a tempo (almeno e' cosi' sulla mia Panda).
Il problema nasce sulle radio "cinesi", che pur apparentemente spente, continuano ad assorbire corrente, a volte anche in quantita' notevole (0,4-0,8 ampere per quanto ho potuto verificare).
Utilizzando la batteria di servizio, non si fa che spostare il problema.
Soluzione.
Interrompere il cavo rosso che va dall' connettore iso all' autoradio.
Collegare la parte di cavo rosso lato autoradio al cavo giallo mediante un interruttore.
Interuttore aperto: radio spenta, nessun consumo.
Interruttore chiuso, radio accesa fissa.
Questa soluzione pero' ha l'effetto antipatico di cancellare le stazioni radio memorizzate.
Recentemente ho trovato autoradio "cinesi" che non presentano questo problema, nel senso che pur spente, non perdono le memorie.
 
10
rubylove
rubylove
rating

09/06/2015 5665
Rispondi Abuso
Inserito il 28/03/2021 alle: 11:05:26
In risposta al messaggio di Subalpino del 27/03/2021 alle 11:14:44

In fase di installazione della nuova autoradio cinese ho valutato alcuni problemi relativi al doppio collegamento (marcia e sosta), ci sono molti circuiti del veicolo che vengono coinvolti e potrebbero creare dei ponti indesiderati
tra le due batterie. Ho buttato giù uno schema basato su diodi schotty,  da condividere e commentare. Oltre ai soliti 2 cavi ( postivo e sottochiave) ho solo considerato le connessioni per luci, antenna e retromarcia.  Nel caso di canbus, volante, mute credo vadano aggiunti altri diodi. Ho inserito un deviatore per la scelta della batteria primaria che potrebbe essere sostituito da un ponticello.   quello che succede a Las Vegas resta a Las Vegas, quello che succede sul forum resta sul forum
...

Il  tuo ragionamento è corretto, evitare che possano esserci punti nei quali l'autoradio possa diventare un collegamento anomalo tra i due positivi delle due sorgenti

Solo che io non riesco a leggere bene le nomenclature dei conduttori che si vedono nello schema, se l'autoradio è standard ISO dovrebbero essere: giallo: alimentazione diretta batteria, rosso: accensione autoradio da chiave, blu attivazione servizi (antenna ad esempio) nero massa 
Quindi tu useresti un deviatore solo per l'alimentazione principale (giallo) mentre il rosso avrebbe o il sottochiave da BM o il diretto da BS attraverso i due diodi di disaccoppiamento (stesso discorso per il controllo da retromarcia) invece non ho capito la funzione del filo light, l'autoradio quando riceve il segnale della retro dovrebbe collegarsi alla retrocamera e eventualmente accendere la luce posteriore, aggiuntiva giusto? quello a me sembra un ingresso da come è messo il diodo


Volendo l'interruttore può essere sostituito da un rele da 40A che commuta automaticamente quando giri la chiave o da D+ in modo che a veicolo spento passi l'alimentazione da BM a BS

Mi chiedo però quali altre siano le funzioni che tu perdi se invece che collegare l'autoradio in questo modo, la colleghi direttamente solo alla batteria dei servizi?

Io parto dal presupposto che l'autoradio, in un sistema dove è presente una batteria servizi, andrebbe alimentata sempre da quella, visto che è un dispositivo che lo si può usare anche da fermo e che l'energia a disposizione su un veicolo è sempre la stessa, sia che provenga da una sorgente che da un'altra, in sostanza se si usa l'energia della batteria dei servizi per l'autoradio invece che quella motore non cambia proprio nulla.

A mio parere lasciare l'alimentazione dell'autoradio dalla batteria motore escludendo il controllo sotto chiave e contando sulla corrente che circola sull'accoppiata resistenza diodo che fungono da mantenimento è errato per due motivi: 1) un impianto audio serio ha un discreto assorbimento e se in quel momento richiede 4 A e la corrente massima che può circolare tra diodo e resistenza è di 4A, la batteria non si caricherà perchè cede la potenziale ricarica all'autoradio

Nel mio caso, autoradio Pioneer con parecchie funzioni accessorie, (blue tooth, telecomando da smartphone, comandi al volante, microfono, viva voce ecc..) ma non touch panel e non android, non ho fatto altro che alimentare l'autoradio, il subwoofer e l'antenna amplificata DAB+ esclusivamente dalla batteria dei servizi, il giallo diretto e il rosso con un piccolo interruttore su un pannellino 1U dove ho una serie di controlli che provengono tutti dalla batteria dei servizi, i tre interruttori a bilancere sono per i due voltmetri, le prese USB e proprio per attivare l'autoradio 

Nel mio caso l'impianto audio è completamente fuori dal controllo del sistema dell'auto, nel tuo quali difficoltà avresti nel fare la stessa cosa?













 
l'analogico non è il vecchio e il digitale il nuovo, no, non è così! Il digitale è solo un modo per rappresentare l'analogico, la natura, è analogica

Modificato da rubylove il 28/03/2021 alle 11:11:26
22
salvatore
salvatore
10/08/2003 9120
Rispondi Abuso
Inserito il 28/03/2021 alle: 11:13:09
In risposta al messaggio di franco49tn del 28/03/2021 alle 10:16:03

Ma domando , cosa ve ne fate delle memorie dei vari canali quando mil mezzo viaggia sempre in zone diverse e le frequenze cambiano ogni 50 km io stacco sempre tutto e sento radio comunque e con ricerca automatica si posiziona
su quanto trasmesso in zona con potenza maggiore. Capisco per chi viaggia in città e deve sentire ad una data ora sempre lo stesso radiogiornale-
...
Soluzione semplice ed economica per avere sempre sintonizzate le proprie stazioni in ogni parte di Italia (e teoricamente del mondo), in alta fedelta'.
Scaricare un applicazione tipo Radioplayer sul proprio telefono e poi collegare il telefono via cavo (presa cuffia) all' ingresso ausiliario dell' autoradio.
Il consumo di dati e' minimo.
6
Stefino
Stefino
19/05/2019 1448
Rispondi Abuso
Inserito il 28/03/2021 alle: 11:19:12
In risposta al messaggio di salvatore del 28/03/2021 alle 11:13:09

Soluzione semplice ed economica per avere sempre sintonizzate le proprie stazioni in ogni parte di Italia (e teoricamente del mondo), in alta fedelta'. Scaricare un applicazione tipo Radioplayer sul proprio telefono e poi collegare il telefono via cavo (presa cuffia) all' ingresso ausiliario dell' autoradio. Il consumo di dati e' minimo.
Conosci la App Radio Garden ?
15
camperistadoc
camperistadoc
04/10/2010 3538
Rispondi Abuso
Inserito il 28/03/2021 alle: 12:13:12
In risposta al messaggio di salvatore del 28/03/2021 alle 10:57:09

Sto seguendo, ma non ho capito molto. Innanzitutto non ho capito quale vantaggio ci sarebbe a collegare l'autoradio alla batteria di servizio Sicuramente c'e' lo svantaggio di portare i cavi dalla batteria di servizio al
cruscotto. Sul camper c'e' gia' la predisposizione per l' autoradio, collegata, ovviamente, alla batteria motore (connettore iso). Se si usa l'autoradio originale, spegnendo il motore si spegne anche la radio, che puo' essere comunque riaccesa sia pur a tempo (almeno e' cosi' sulla mia Panda). Il problema nasce sulle radio cinesi, che pur apparentemente spente, continuano ad assorbire corrente, a volte anche in quantita' notevole (0,4-0,8 ampere per quanto ho potuto verificare). Utilizzando la batteria di servizio, non si fa che spostare il problema. Soluzione. Interrompere il cavo rosso che va dall' connettore iso all' autoradio. Collegare la parte di cavo rosso lato autoradio al cavo giallo mediante un interruttore. Interuttore aperto: radio spenta, nessun consumo. Interruttore chiuso, radio accesa fissa. Questa soluzione pero' ha l'effetto antipatico di cancellare le stazioni radio memorizzate. Recentemente ho trovato autoradio cinesi che non presentano questo problema, nel senso che pur spente, non perdono le memorie.  
...
Sul serio ragazzi, veramente non si capisce quali siano i benefici del collegare la "radio" alla BS lasciando la BM all'unico compito della messa in moto?

Ciaowink
Viaggiare apre la mente...
22
Armando
Armando
rating

11/08/2003 7445
Rispondi Abuso
Inserito il 28/03/2021 alle: 12:52:37
A me all'acquisto del camper, dato che la Pioneer 2din faceva parte del ”pacchetto”, avevano installato connettendo alla BM e pure sotto chiave, asserendo motivi di garanzia FIAT per la batteria.
Mi ero riservato di farla connettere in seguito ”fuori chiave” o alla BS, pensando appunto alle soste. 
Ora però da tempo trascuriamo la chiavetta USB e preferiamo sentire musica da Spotify oppure utilizziamo sui cellulari delle applicazioni x radio digitale via Rete, in particolare VR che usiamo anche a casa e che ci dà tutte le radio mondiali senza disturbi, con equalizzatore, spegnimento temporizzato impostabile, ecc. Con 100 Gb io + 30 Gb mia moglie non abbiamo problemi di dati, peraltro l’audio occupa poco. Per l’amplificazione uso una cassa Bose Mini che ha batteria per 8 ore, o si può alimentare a 12 V, e ha un’ottima timbrica e resa sonora; comandabile via cavo o BT. I miei figli hanno altre casse BT più economiche della Bose cioè da 25-30 €, che comunque vanno benissimo.
Francamente ora sono meno invogliato a cambiare alimentazione alla Pioneer. Probabilmente limiterò quella agli usi ”automobilistici” e per  le soste andrò come detto sopra.
_____________ Armando

Modificato da Armando il 28/03/2021 alle 12:57:45
10
rubylove
rubylove
rating

09/06/2015 5665
Rispondi Abuso
Inserito il 28/03/2021 alle: 12:58:46
In risposta al messaggio di salvatore del 28/03/2021 alle 10:57:09

Sto seguendo, ma non ho capito molto. Innanzitutto non ho capito quale vantaggio ci sarebbe a collegare l'autoradio alla batteria di servizio Sicuramente c'e' lo svantaggio di portare i cavi dalla batteria di servizio al
cruscotto. Sul camper c'e' gia' la predisposizione per l' autoradio, collegata, ovviamente, alla batteria motore (connettore iso). Se si usa l'autoradio originale, spegnendo il motore si spegne anche la radio, che puo' essere comunque riaccesa sia pur a tempo (almeno e' cosi' sulla mia Panda). Il problema nasce sulle radio cinesi, che pur apparentemente spente, continuano ad assorbire corrente, a volte anche in quantita' notevole (0,4-0,8 ampere per quanto ho potuto verificare). Utilizzando la batteria di servizio, non si fa che spostare il problema. Soluzione. Interrompere il cavo rosso che va dall' connettore iso all' autoradio. Collegare la parte di cavo rosso lato autoradio al cavo giallo mediante un interruttore. Interuttore aperto: radio spenta, nessun consumo. Interruttore chiuso, radio accesa fissa. Questa soluzione pero' ha l'effetto antipatico di cancellare le stazioni radio memorizzate. Recentemente ho trovato autoradio cinesi che non presentano questo problema, nel senso che pur spente, non perdono le memorie.  
...
Io invece trovo naturale che tutto quello che si usa anche da fermo sia collegato alla batteria servizi, a parte che si può spostare il controllo dell'accensione fuori chiave ma non vedo perchè debba essere la batteria motore ad alimentare l'autoradio quando si è fermi, non tutti vanno al campeggio e non tutti hanno un sistema di ricarica della batteria motore in grado di compensare la corrente richiesta dall'autoradio, se hai diodo e resistenza gia non va bene
La batteria motore deve solo essere mantenuta a mio parere e non usata a mezzo fermo
tutte le autoradio di ultima generazione non hanno più bisogno delle memorie sotto tampone per mantenere le stazioni memorizzate, usano delle memorie flash
In ogni caso un conto è spostare 100/150 mA (più di quelli non sono) sulla batteria servizi e un conto è spostarci il carico dell'amplificatore e magari anche del subwoofer, si raggiungono picchi anche di 30A.

Se proprio si teme che quei pochi mA possano scaricare la batteria motore, si può installare un interruttore sull'alimentazione e se l'autoradio è di vecchia generazione rifarsi le memorie ogni volta
questi assorbimenti sono gia contemplati nei veicoli che a causa di immobilizzatore, antifurto, e qualche centralina, la batteria motore può andare in crisi dopo almeno 15 giorni di unutilizzo, non prima

Mi sembra però che quasi tutti i camper abbiano dei sistemi di ricarica che mantengono anche la batteria motore, se non lo hanno, il problema non è l'autoradio perchè ci sono altri assorbimenti oltre quello e comunque influirebbero lo stesso

Quando parcheggio anche per poche ore stacco lo staccabatterie che nel mio caso è uno stacca utenze, la batteria non andrebbe mai staccata completamente, salvo per manutenzione, il frigorifero rimane acceso ma è sotto l'uscita load del regolatore che ha un blocco per sottotensione, il regolatore ricarica e alcune funzioni che io ritengo vitali del mezzo, continuano ad essere alimentate salvo blocco per sottotensione che stabilisco io

 
l'analogico non è il vecchio e il digitale il nuovo, no, non è così! Il digitale è solo un modo per rappresentare l'analogico, la natura, è analogica
SostaGruppiCompagniItaliaEsteroMarchiMeccanicaCellulaAccessoriEventiLeggiComportamentiDisabiliIn camper perAltro CamperAltroExtra
167k Facebook
343k Instagram
42,6k TikTok
73,3k Youtube
CamperOnLine - Copyright © 1998-2026 - P.Iva 06953990014
Informativa privacy
Loading...

Accedi

Recupera Password
Nuovo utente

Vuoi eliminare il messaggio?

Sottoscrizione

Anteprima

PREFERENZA

Il messaggio è in fase di inserimento.

loading

CamperOnLine

Buongiorno gentile utente,

da oltre 20 anni Camperonline offre gratuitamente tutti i suoi servizi
grazie agli inserzionisti che ci hanno dato la loro fiducia, permettici di continuare il nostro lavoro disattivando il blocco delle pubblicità.

Grazie della collaborazione.

Azione eseguita con successo

Azione Fallita

Condividi

Condividi questa pagina con:

O copia il link