In risposta al messaggio di claudnaples del 29/06/2025 alle 19:17:32
Salve,sò che ci sono diverse discussioni in merito,ne ho seguite tante,non posso negarvi che mi ha creato un po' di confusione in merito al parallelatore interno alla centralina se disattivarlo o meno,prima di accingermiall'installazione sto cercando di avere le idee chiare in merito pertanto chiedo consigli a chi ha piu' esperienza ,il materiale in mio possesso è il seguente: centralina ebl 226 batteria litio 200ah litime con bms analogo (in fase di acquisto) dcdc victron xs 12/12-50ah (in fase di acquisto) inverter nds 2000i(gia installato) 2 pannelli solari da 200w cad (gia installati) regolatore epever 40a (gia installato) le mie esigenze principali clima cellula in viaggio,frigo compressore ed una maggiore autonomia energetica anche senza colonnina. Nel frattempo la prima cosa eseguita è stata quella di aumentare la sezione del cavo che va dall'alternatore (140ah) alla BM con sezione da 50mmq,stessa cosa fatta per i cavi che partono dalla BM al dc/dc(probabilmente sarà esagerata la sezione ma li avevo disponibili). Correggetemi se sbaglio :) dopo varie letture schemi ecc ecc ho inteso che dalla batteria motore il +(protetto con fusibile 60ah) va inserito in ingresso al dc/dc ed in uscita mi collego alla EBL nel connettore BM. Dal connettore in uscita della EBL BS il cavo va collegato alla batteria servizi(fusibile 60ah). Ditemi se sbaglio,qui mi blocco :) Primo dubbio leggendo alcune discussioni alcuni dicono di non collegare nulla al morsetto bm della ebl,alcuni hanno lasciato collegato come in origine interponendosi con il dc/dc?quali sono le differenze solo per il fatto che il pannello comandi non legge piu i dati batteria motore?poi la questione parallelatore interno che allego in foto per sapere se è quello giusto,ho sempre sentito che va disattivato,(se si come lo fareste nel modo corretto)in una discussione invece dicevano che non va ad influire.Vi ringrazio in anticipo se potete darmi delucidazioni
In risposta al messaggio di claudnaples del 29/06/2025 alle 19:17:32Inutile ripeterti tutto allora.
Salve,sò che ci sono diverse discussioni in merito,ne ho seguite tante,non posso negarvi che mi ha creato un po' di confusione in merito al parallelatore interno alla centralina se disattivarlo o meno,prima di accingermiall'installazione sto cercando di avere le idee chiare in merito pertanto chiedo consigli a chi ha piu' esperienza ,il materiale in mio possesso è il seguente: centralina ebl 226 batteria litio 200ah litime con bms analogo (in fase di acquisto) dcdc victron xs 12/12-50ah (in fase di acquisto) inverter nds 2000i(gia installato) 2 pannelli solari da 200w cad (gia installati) regolatore epever 40a (gia installato) le mie esigenze principali clima cellula in viaggio,frigo compressore ed una maggiore autonomia energetica anche senza colonnina. Nel frattempo la prima cosa eseguita è stata quella di aumentare la sezione del cavo che va dall'alternatore (140ah) alla BM con sezione da 50mmq,stessa cosa fatta per i cavi che partono dalla BM al dc/dc(probabilmente sarà esagerata la sezione ma li avevo disponibili). Correggetemi se sbaglio :) dopo varie letture schemi ecc ecc ho inteso che dalla batteria motore il +(protetto con fusibile 60ah) va inserito in ingresso al dc/dc ed in uscita mi collego alla EBL nel connettore BM. Dal connettore in uscita della EBL BS il cavo va collegato alla batteria servizi(fusibile 60ah). Ditemi se sbaglio,qui mi blocco :) Primo dubbio leggendo alcune discussioni alcuni dicono di non collegare nulla al morsetto bm della ebl,alcuni hanno lasciato collegato come in origine interponendosi con il dc/dc?quali sono le differenze solo per il fatto che il pannello comandi non legge piu i dati batteria motore?poi la questione parallelatore interno che allego in foto per sapere se è quello giusto,ho sempre sentito che va disattivato,(se si come lo fareste nel modo corretto)in una discussione invece dicevano che non va ad influire.Vi ringrazio in anticipo se potete darmi delucidazioni
In risposta al messaggio di Szopen del 30/06/2025 alle 14:16:10grazie per la risposta,quindi con questo tipo di centralina vado di +motore nel dc/dc ,in uscita dal dc/dc mi collego direttamente sulla batteria serivizi?in merito al parallelatore mostrato in foto non devo far nulla?perdonami ma realmente mi ha creato una gran confusione leggere diversi post
Inutile ripeterti tutto allora. Stacca semplicemente il cavo che dalla BM arriva al morsetto sul retro dela ebl 226, collega il dc-dc Orion direttamente alla batteria servizi litio. Tutto il resto continua a funzionare normalmente poiché viaggia su altra circuiteria. Ciro.
In risposta al messaggio di claudnaples del 29/06/2025 alle 19:17:32Ho la tua stessa centralina ed ho la litio da agosto 2021.
Salve,sò che ci sono diverse discussioni in merito,ne ho seguite tante,non posso negarvi che mi ha creato un po' di confusione in merito al parallelatore interno alla centralina se disattivarlo o meno,prima di accingermiall'installazione sto cercando di avere le idee chiare in merito pertanto chiedo consigli a chi ha piu' esperienza ,il materiale in mio possesso è il seguente: centralina ebl 226 batteria litio 200ah litime con bms analogo (in fase di acquisto) dcdc victron xs 12/12-50ah (in fase di acquisto) inverter nds 2000i(gia installato) 2 pannelli solari da 200w cad (gia installati) regolatore epever 40a (gia installato) le mie esigenze principali clima cellula in viaggio,frigo compressore ed una maggiore autonomia energetica anche senza colonnina. Nel frattempo la prima cosa eseguita è stata quella di aumentare la sezione del cavo che va dall'alternatore (140ah) alla BM con sezione da 50mmq,stessa cosa fatta per i cavi che partono dalla BM al dc/dc(probabilmente sarà esagerata la sezione ma li avevo disponibili). Correggetemi se sbaglio :) dopo varie letture schemi ecc ecc ho inteso che dalla batteria motore il +(protetto con fusibile 60ah) va inserito in ingresso al dc/dc ed in uscita mi collego alla EBL nel connettore BM. Dal connettore in uscita della EBL BS il cavo va collegato alla batteria servizi(fusibile 60ah). Ditemi se sbaglio,qui mi blocco :) Primo dubbio leggendo alcune discussioni alcuni dicono di non collegare nulla al morsetto bm della ebl,alcuni hanno lasciato collegato come in origine interponendosi con il dc/dc?quali sono le differenze solo per il fatto che il pannello comandi non legge piu i dati batteria motore?poi la questione parallelatore interno che allego in foto per sapere se è quello giusto,ho sempre sentito che va disattivato,(se si come lo fareste nel modo corretto)in una discussione invece dicevano che non va ad influire.Vi ringrazio in anticipo se potete darmi delucidazioni
In risposta al messaggio di Steu851 del 01/07/2025 alle 15:08:21Dimenticavo, non collegare il dc-dc usando il cavo che entra nella centralinae l'uscita di questo nella centralina, ci ho provato ma non funziona, il cavo in ingresso è troppo sottile e c'è una eccessiva caduta di tensione, inoltre la centralina non gestisce correnti superiori a 15A, quindi o il dc-dc non carica o rischi di bruciare la centralina, stessa cosa per l'ingresso pannelli solari.
Ho la tua stessa centralina ed ho la litio da agosto 2021. Non fare quanto suggerisce Ciro, la centralina smetterebbe di funzionare non comanderesti più la pompa, le luci e non vedresti i livelli dei serbatoi. Dentro lacentralina dietro ai morsetti della batteria c'è un relè, il parallelatore, ha 2 faston grandi e due piccoli, stacca ed isola quelli piccoli, così lo disabiliti. Questa è l'unica modifica facilmente reversibile da fare. Il dc-dc (ho il 30A)l'ho collegato direttamente alle 2 batterie (motore e litio) con cavi da 16 mmq interponendo vicino alle batterie fusibili da 60A, probabilmente li dovrai mettere più grandi, segui il manuale victron. I regolatori solari (ne ho 3, tutti victron) li ho collegati direttamente alla batteria dopo averli configurati. Il caricabatterie 230V interno alla centralina purtroppo non è adatto, non tanto per le tensioni che potrebbero anche andare, ma per la curva di carica, dato che la tensione operativa della lifepo4 è più alta di quella di una AGM dopo 1 ora riduce la corrente di carica a circa 1A, anche se la batteria non è carica. Fortunatamente si disabilita facilmente togliendo il relativo fusibile sulla centralina. Ho montato un cb victron da 15A, collegato diretto alla batteria. Così però perdi il mantenimento della BM, io ho risolto montando il diodo resistenza di M48. Cosa molto importante, a differenza delle Agm non si può determinare lo stato di carica di una Lifepo4 solamente misurando la tensione, che varia di un paio di decimi di V tra il 30 ed il 90% dello stato di carica, serve necessariamente un Battery monitor dotato di shunt. Ultima cosa occhio alle h nelle unità di misura, la corrente si misura in Ampere, simbolo A, l'energia in Amperora Ah cioè la capacità di una batteria o l'energia consumata da un utilizzatore nell'arco di un determinato tempo.
In risposta al messaggio di Steu851 del 01/07/2025 alle 15:08:21Forse tu hai fatto delle modifiche.
Ho la tua stessa centralina ed ho la litio da agosto 2021. Non fare quanto suggerisce Ciro, la centralina smetterebbe di funzionare non comanderesti più la pompa, le luci e non vedresti i livelli dei serbatoi. Dentro lacentralina dietro ai morsetti della batteria c'è un relè, il parallelatore, ha 2 faston grandi e due piccoli, stacca ed isola quelli piccoli, così lo disabiliti. Questa è l'unica modifica facilmente reversibile da fare. Il dc-dc (ho il 30A)l'ho collegato direttamente alle 2 batterie (motore e litio) con cavi da 16 mmq interponendo vicino alle batterie fusibili da 60A, probabilmente li dovrai mettere più grandi, segui il manuale victron. I regolatori solari (ne ho 3, tutti victron) li ho collegati direttamente alla batteria dopo averli configurati. Il caricabatterie 230V interno alla centralina purtroppo non è adatto, non tanto per le tensioni che potrebbero anche andare, ma per la curva di carica, dato che la tensione operativa della lifepo4 è più alta di quella di una AGM dopo 1 ora riduce la corrente di carica a circa 1A, anche se la batteria non è carica. Fortunatamente si disabilita facilmente togliendo il relativo fusibile sulla centralina. Ho montato un cb victron da 15A, collegato diretto alla batteria. Così però perdi il mantenimento della BM, io ho risolto montando il diodo resistenza di M48. Cosa molto importante, a differenza delle Agm non si può determinare lo stato di carica di una Lifepo4 solamente misurando la tensione, che varia di un paio di decimi di V tra il 30 ed il 90% dello stato di carica, serve necessariamente un Battery monitor dotato di shunt. Ultima cosa occhio alle h nelle unità di misura, la corrente si misura in Ampere, simbolo A, l'energia in Amperora Ah cioè la capacità di una batteria o l'energia consumata da un utilizzatore nell'arco di un determinato tempo.

In risposta al messaggio di Szopen del 01/07/2025 alle 16:11:42Ptemesso che io ho la EBL30 con un LAS 18 aggiuntivo che pare non funzionare, sul mio è stata fatta la modifica sopra descritta da Ciro nel mess. delle 14:16 e funziona benissimo tutto: ricarica BM da 230, pompa, luci, visualizzazioni livelli ecc.
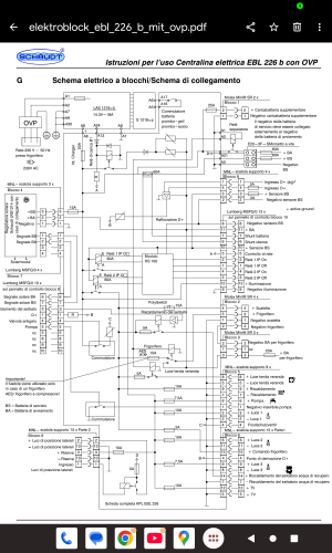
Forse tu hai fatto delle modifiche. La centralina funziona, DEVE funzionare anche con la sola BS collegata, io ho suggerito di staccare il cavo che proviene dalla BM, perché mai le altre cose non dovrebbero funzionare?Il relė di cui parli, si limita solo a mettere in parallelo BM e BS a motore acceso ed a mezzo del segnale che riceve dal D+, il frigo e tutto il resto sono collegati separatamente. A te quando sei in sosta col motore spento non funziona nulla? Ad ogni modo se ce la possibilità di disattivare la bobina del relė e' lo stesso, dalla BM non arriverebbe corrente lo stesso. Ii mio suggerimento evita di aprire la centralina ed intervenire all'interno, il risultato finale sarà lo stesso. Per quanto riguarda il caricabatterie interno LAS 1218 appunto da 18A puoi continuare ad essere utilizzato con batterie al litio impostandolo su piombo, e' possibile disattivarlo o aggiungere un caricabatterie supplementare da 20A massimi (il circuito e' protetto da un fusibile da 25A) collegandolo al block 1 presente sulla centralina, si puo anche disattivare il caricabatterie interno togliendo il relativo fusibile, per quanto riguarda invece il mantenimento della batteria motore a mezzo dei caricabatterie a 230V, questa avviene a mezzo del collegamento dello stesso cavo che alimenta il frigo a 12V in viaggio, detto collegamento si trova sul block 3 al PIN 3 ed e' protetto da un fusibile da 20A generalmente posto in prossimità della batteria motore, ripeto, il cavo che invece e' collegato sul retro della centralina proveniente dalla BM e' ininfluente in tutto questo. Ciro. P.s. questo e' lo schema della ebl226, mi auguro riusciate a vederlo bene, ingrandendolo naturalmente.
In risposta al messaggio di claudnaples del 29/06/2025 alle 19:17:32ho capito bene? Vorresti alimentare un clima in viaggio?
Salve,sò che ci sono diverse discussioni in merito,ne ho seguite tante,non posso negarvi che mi ha creato un po' di confusione in merito al parallelatore interno alla centralina se disattivarlo o meno,prima di accingermiall'installazione sto cercando di avere le idee chiare in merito pertanto chiedo consigli a chi ha piu' esperienza ,il materiale in mio possesso è il seguente: centralina ebl 226 batteria litio 200ah litime con bms analogo (in fase di acquisto) dcdc victron xs 12/12-50ah (in fase di acquisto) inverter nds 2000i(gia installato) 2 pannelli solari da 200w cad (gia installati) regolatore epever 40a (gia installato) le mie esigenze principali clima cellula in viaggio,frigo compressore ed una maggiore autonomia energetica anche senza colonnina. Nel frattempo la prima cosa eseguita è stata quella di aumentare la sezione del cavo che va dall'alternatore (140ah) alla BM con sezione da 50mmq,stessa cosa fatta per i cavi che partono dalla BM al dc/dc(probabilmente sarà esagerata la sezione ma li avevo disponibili). Correggetemi se sbaglio :) dopo varie letture schemi ecc ecc ho inteso che dalla batteria motore il +(protetto con fusibile 60ah) va inserito in ingresso al dc/dc ed in uscita mi collego alla EBL nel connettore BM. Dal connettore in uscita della EBL BS il cavo va collegato alla batteria servizi(fusibile 60ah). Ditemi se sbaglio,qui mi blocco :) Primo dubbio leggendo alcune discussioni alcuni dicono di non collegare nulla al morsetto bm della ebl,alcuni hanno lasciato collegato come in origine interponendosi con il dc/dc?quali sono le differenze solo per il fatto che il pannello comandi non legge piu i dati batteria motore?poi la questione parallelatore interno che allego in foto per sapere se è quello giusto,ho sempre sentito che va disattivato,(se si come lo fareste nel modo corretto)in una discussione invece dicevano che non va ad influire.Vi ringrazio in anticipo se potete darmi delucidazioni
In risposta al messaggio di Laikone del 01/07/2025 alle 17:47:18Per un viaggio di 8-10 ore possono esserci problemi ma, per 4-5 ore la cosa e' fattibile, il consumo dovrebbe essere intorno ai 60Ah in un'ora, 30A li mette il motore una quindicina il solare ed una quindicina la BS, la quale, se già carica verrebbe a ritrovarsi al 50% una volta in sosta, poi dipenderà dall'orario di arrivo, se ce ancora luce i pannelli qualcosina ancora la reintegrano.
ho capito bene? Vorresti alimentare un clima in viaggio? Di quale clima stai parlando? Perchè a mio avviso c'è un problema...
In risposta al messaggio di Laikone del 01/07/2025 alle 17:47:18si esatto,dometic 1700
ho capito bene? Vorresti alimentare un clima in viaggio? Di quale clima stai parlando? Perchè a mio avviso c'è un problema...
In risposta al messaggio di claudnaples del 01/07/2025 alle 22:08:10ok, un 1700 consuma circa 650W in raffreddamento i quali verranno erogati attraverso l'ausilio di un inverter che nella migliore delle ipotesi incrementerà di un buon 10% i consumi; ciò significa che il consumo totale del solo climatizzatore sarà di almeno 51A nella migliore delle ipotesi.
si esatto,dometic 1700
In risposta al messaggio di Laikone del 01/07/2025 alle 22:51:48Giusta riflessione ,per cosa opteresti?
ok, un 1700 consuma circa 650W in raffreddamento i quali verranno erogati attraverso l'ausilio di un inverter che nella migliore delle ipotesi incrementerà di un buon 10% i consumi; ciò significa che il consumo totale delsolo climatizzatore sarà di almeno 51A nella migliore delle ipotesi. A quei 51A vanno sommati tutti i restanti consumi di bordo, dal frigo alla ricarica degli smartphone alla ricarica della BS. Ora, vedo già che ti sei portato avanti con i lavori cambiando le sezioni dei cavi che alimenteranno il DC-DC cercando così di avere tutte le specifiche che Victron mette nero su bianco, ma a conti fatti, quei 50A erogati dal DC-Dc di fatto non saranno sufficienti a mantenere un bilancio favorevole tra energia consumata e energia in arrivo sulla BS, il che si traduce in un prelievo forzoso di corrente dalla BS. Il funzionamento di un climatizzatore tramite inverter non è cosa da sottovalutare anche come stress che grava sull'alternatore stesso; vero che è da 140A, i quali paiono abbondanti, ma se di quei 140 se ne vanno almeno 50 solo per il clima spero tu ti renda conto che quei 140 non sono poi così esuberanti. Morale, ciò che vorresti fare a mio avviso è possibile, ma bisogna stare MOLTO attenti perchè quei 140 sono nominali e soggetti a variazioni duvute alla temperatura di esercizio. Morale 2 cercherei una soluzione per avere con certezza il prelievo dei 51A del clima PRIMA del DC-DC in modo tale da stressare meno il DC-DC in se e non prelevare mai dalla BS.
In risposta al messaggio di claudnaples del 02/07/2025 alle 00:06:05ci sono alcune opzioni da poter considerare:
Giusta riflessione ,per cosa opteresti?
In risposta al messaggio di Szopen del 02/07/2025 alle 09:49:22Per la batteria sono orientato per una litime con bms 200 ah,ho sentito diverse recensioni positive oltre ad averla montata anche un conoscente,la mia idea da neofita in materia è cmq di poter utilizzare il clima in caso di necessità ,non sono il tipo che viaggia ore e ore con il clima acceso, però in caso di necessità considerate le temperature estreme degli ultimi tempi vorrei avere questa possibilità,avevo pensato come dici te di settarlo intorno al 40%della potenza dell'alternatore e se ho inteso bene la restante energia che serve (in questo caso al clima )viene assorbita dalla litio.il mio dubbio ripeto è solo capire se abolisco questo parallelatore interno alla ebl 226 vado a perdere altre funzioni?e .inresta il dubbio sul collegamento dell'orion alla stessa ,se siete così gentili da indicarmi qualche schema da seguire in rete ,so che può sembrare ripetitivo,purtroppo noto differenti correnti di pensiero in merito al collegamento del dcdc alla mia centralina ebl,magari il parere di qualcuno con la stessa elettronica potrebbe chiarirmi le idee...grazie ancora a tutti
Si può montare una litio con BMS che accetti anche oltre 100A in entrata per la carica, Il kit Waeco per il funzionamento del clima in viaggio e' sostituibile con un banale relè da 100-120A riducendo la spesa da 500a 15 euro, la logica di funzionamento e' la stessa, cosi come lo sono i collegamento tra le batterie e l'inverter. Lo spunto eventuale del compressore del clima, viene in ogni caso sostenuto dalle batterie e non dall'alternatore. Il climatizzatore va comunque considerato come un comunissimo accessorio il quale, come tutti gli altri presenti in un camper ha bisogno di energia per poter funzionare, nulla e gratis. Hai comunque un discreto impianto solare, capace di fornire almeno 20A alla batteria, l'eventuale consumo eccedente del climatizzatore in viaggio verrebbe comunque brevemente reintegrato, questo consumo però con un'alternatore da 140A ed un DC-DC da 50A facendo un pò i conti della corrente in entrata (50 +20=70A) non credo si verifichi. Io ho un'alternatore da 95A (sostituito quello che in origine era da 70A), per questo ho impostato il DC-DC in modo che non richieda allo stesso piu del 35-40% della sua capacità, a te sarà la stessa cosa anche impostando l'Orion a 50A. Sei libero di accettare i suggerimenti che ritieni più opportuni ma, come recita una nota pubblicità: fidati di chi c'è l'ha! Ciro.
In risposta al messaggio di claudnaples del 02/07/2025 alle 15:13:39Ho già spiegato che il collegamento dell'Orion e meglio farlo direttamente sulla BS, per quanto riguarda la centralina EBL 226, puoi disattivare la bobina del relė di parallelo BM -> BS oppure più semplicemente togliere sul retro della stessa il cavo che arriva dalla BM.
Per la batteria sono orientato per una litime con bms 200 ah,ho sentito diverse recensioni positive oltre ad averla montata anche un conoscente,la mia idea da neofita in materia è cmq di poter utilizzare il clima incaso di necessità ,non sono il tipo che viaggia ore e ore con il clima acceso, però in caso di necessità considerate le temperature estreme degli ultimi tempi vorrei avere questa possibilità,avevo pensato come dici te di settarlo intorno al 40%della potenza dell'alternatore e se ho inteso bene la restante energia che serve (in questo caso al clima )viene assorbita dalla litio.il mio dubbio ripeto è solo capire se abolisco questo parallelatore interno alla ebl 226 vado a perdere altre funzioni?e .inresta il dubbio sul collegamento dell'orion alla stessa ,se siete così gentili da indicarmi qualche schema da seguire in rete ,so che può sembrare ripetitivo,purtroppo noto differenti correnti di pensiero in merito al collegamento del dcdc alla mia centralina ebl,magari il parere di qualcuno con la stessa elettronica potrebbe chiarirmi le idee...grazie ancora a tutti
In risposta al messaggio di claudnaples del 02/07/2025 alle 15:13:39non ci sono scuole di pensiero diverse, il modo corretto di operare in tal senso è quello di far generare all'alternatore la corrente che serve per far funzionare il clima, il resto è fare il classico accrocco da cantinaro.
Per la batteria sono orientato per una litime con bms 200 ah,ho sentito diverse recensioni positive oltre ad averla montata anche un conoscente,la mia idea da neofita in materia è cmq di poter utilizzare il clima incaso di necessità ,non sono il tipo che viaggia ore e ore con il clima acceso, però in caso di necessità considerate le temperature estreme degli ultimi tempi vorrei avere questa possibilità,avevo pensato come dici te di settarlo intorno al 40%della potenza dell'alternatore e se ho inteso bene la restante energia che serve (in questo caso al clima )viene assorbita dalla litio.il mio dubbio ripeto è solo capire se abolisco questo parallelatore interno alla ebl 226 vado a perdere altre funzioni?e .inresta il dubbio sul collegamento dell'orion alla stessa ,se siete così gentili da indicarmi qualche schema da seguire in rete ,so che può sembrare ripetitivo,purtroppo noto differenti correnti di pensiero in merito al collegamento del dcdc alla mia centralina ebl,magari il parere di qualcuno con la stessa elettronica potrebbe chiarirmi le idee...grazie ancora a tutti
In risposta al messaggio di Szopen del 01/07/2025 alle 16:11:42Nella Ebl 226 sul mio camper il frigo è collegato alla centralina, non è indipendente poi perdi la lettura dello stato della batteria motore, e non so cosa altro, nel mio caso nel morsetto della batteria motore ci sono 2 cavi, uno che arriva effettivamente dalla batteria motore, l'altro è nel marasma dei cavi dell'impianto originale Adria, quello che ho verificato è che staccandolo il frigo non va più a 12V, lampeggia il led di errore.
Forse tu hai fatto delle modifiche. La centralina funziona, DEVE funzionare anche con la sola BS collegata, io ho suggerito di staccare il cavo che proviene dalla BM, perché mai le altre cose non dovrebbero funzionare?Il relė di cui parli, si limita solo a mettere in parallelo BM e BS a motore acceso ed a mezzo del segnale che riceve dal D+, il frigo e tutto il resto sono collegati separatamente. A te quando sei in sosta col motore spento non funziona nulla? Ad ogni modo se ce la possibilità di disattivare la bobina del relė e' lo stesso, dalla BM non arriverebbe corrente lo stesso. Ii mio suggerimento evita di aprire la centralina ed intervenire all'interno, il risultato finale sarà lo stesso. Per quanto riguarda il caricabatterie interno LAS 1218 appunto da 18A puoi continuare ad essere utilizzato con batterie al litio impostandolo su piombo, e' possibile disattivarlo o aggiungere un caricabatterie supplementare da 20A massimi (il circuito e' protetto da un fusibile da 25A) collegandolo al block 1 presente sulla centralina, si puo anche disattivare il caricabatterie interno togliendo il relativo fusibile, per quanto riguarda invece il mantenimento della batteria motore a mezzo dei caricabatterie a 230V, questa avviene a mezzo del collegamento dello stesso cavo che alimenta il frigo a 12V in viaggio, detto collegamento si trova sul block 3 al PIN 3 ed e' protetto da un fusibile da 20A generalmente posto in prossimità della batteria motore, ripeto, il cavo che invece e' collegato sul retro della centralina proveniente dalla BM e' ininfluente in tutto questo. Ciro. P.s. questo e' lo schema della ebl226, mi auguro riusciate a vederlo bene, ingrandendolo naturalmente.
In risposta al messaggio di Steu851 del 02/07/2025 alle 17:28:25Non trovo giusto te la prenda con me, le mie teorie si basano sulle direttive, indicazioni e schemi di collegamento dati dalla Schaudt, se nella tua pratica e' stato fatto diversamente, modificando cavi e connessioni non e' colpa mia.
Nella Ebl 226 sul mio camper il frigo è collegato alla centralina, non è indipendente poi perdi la lettura dello stato della batteria motore, e non so cosa altro, nel mio caso nel morsetto della batteria motore ci sono2 cavi, uno che arriva effettivamente dalla batteria motore, l'altro è nel marasma dei cavi dell'impianto originale Adria, quello che ho verificato è che staccandolo il frigo non va più a 12V, lampeggia il led di errore. Sempre nel mio caso per scollegare il cavo occorre staccare la centralina dal mobile, a quel punto ci sono solo 4 viti per togliere il coperchio ed accedere ai faston del relè. Per quanto riguarda il caricabatterie integrato, come sai tra la teoria (tua) e la pratica (mia) ci sono differenze, io ho riscontrato che dopo 1 ora che ci si è collegati alla 230V la corrente di carica scende da 10A a 1A, indipendentemente dallo stato di carica, perché se la tensione non scende sotto 12,8V la considera carica e non riparte il ciclo, quindi risulta in pratica inutilizzabile. Ho fatto 1000 prove perché il caricabatterie litio cinese che avevo acquistato inizialmente è morto quasi subito. Visto che non mi allaccio quasi mai avevo pensato di usare quello interno con quel risultato, ho fatto anche la prova di impostare piombo acido anziché gel, cambia il tempo ma il risultato è lo stesso, ho quindi presso un cb victron che ho collegato direttamente alla batteria, anche se non lo uso mai, srmpre meglio averlo. Da quando ho portato i pannelli a 360W non uso mai nemmeno il dc-dc, vedremo se dopo più giornate consecutive di maltempo sarà necessario. Il mio fabbisogno va da circa 1 kWh al giorno a 2 se ricarico le e-bike.