CamperOnLine
  • Camper
    • Camper usati
    • Camper nuovi
    • Produttori
    • Listino
    • Cataloghi
    • Concessionari e rete vendita
    • Noleggio
    • Van
    • Caravan
    • Fiere
    • Rimessaggi
    • Le prove di CamperOnLine
    • Provati da voi
    • Primo acquisto
    • Area professionisti
  • Accessori
    • Accessori e Prodotti
    • Camping Sport Magenta accessori
    • Produttori
    • Antenne TV
    • Ammortizzatori
    • GPS
    • Pneumatici
    • Rimorchi
    • Provati da Voi
    • Fai da te
  • Viaggi
    • Diari di viaggi in camper
    • Eventi
    • Foto
    • Check list
    • Traghetti
    • Trasporti
  • Sosta
    • Cerca Strutture
    • Sosta
    • Aree sosta camper
    • Campeggi
    • Agriturismi con sosta camper
    • App Camperonline App
    • 10 Consigli utili per la sosta
    • Area strutture
  • Forum
    • Tutti i Forum
    • Sosta
    • Gruppi
    • Compagni
    • Italia
    • Estero
    • Marchi
    • Meccanica
    • Cellula
    • Accessori
    • Eventi
    • Leggi
    • Comportamenti
    • Disabili
    • In camper per
    • Altro Camper
    • Altro
    • Extra
    • FAQ
    • Regolamento
    • Attivi
    • Preferiti
    • Cerca
  • Community
    • COL
    • CamperOnFest
    • Convenzioni Convenzioni
    • Amici
    • Furti
    • Informativa Privacy
    • Lavoro
  • COL
    • News
    • Newsletter
    • Pubblicità
    • Contatto
    • Ora
    • RSS RSS
    • Video
    • Facebook
    • Instagram
  • Magazine
  • Italiano
    • Bienvenue
    • Welcome
    • Willkommen
  • Accedi
CamperOnLine
Camping Sport Magenta
  1. Forum
  2. Tecnica
  3. Accessori
Galleria

Ho fatto una cavolata?

Rispondi
Cerca
Berger Camping
SostaGruppiCompagniItaliaEsteroMarchiMeccanicaCellulaAccessoriEventiLeggiComportamentiDisabiliIn camper perAltro CamperAltroExtra Attivi
1 20 12
17
epsoncolor
epsoncolor
14/12/2008 1417
Rispondi Abuso
Inserito il 27/04/2018 alle: 21:35:03
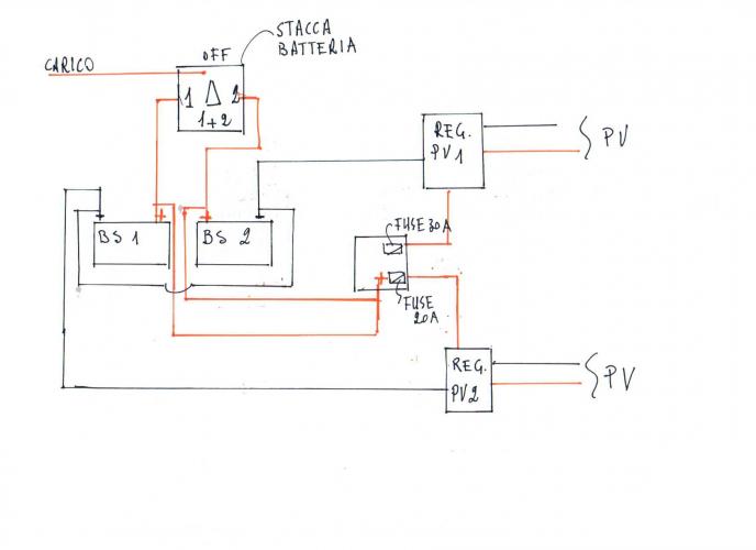
Allego un disegno di quello che ho fatto oggi siccome ho dei dubbi chiedo agli esperti.
Grazieimg115(1).jpg

Modificato da epsoncolor il 01/05/2018 alle 10:27:39
T i t a n
T i t a n
-
Rispondi Abuso
Inserito il 27/04/2018 alle: 22:04:04
In risposta al messaggio di epsoncolor del 27/04/2018 alle 21:35:03

Allego un disegno di quello che ho fatto oggi siccome ho dei dubbi chiedo agli esperti. Grazie
1 fusibili diversi.
2 un fusibile non connesso.
3 batterie parallelate subito dopo i fusibili per cui uso improprio dello staccabatterie col quale dovrebbe essere possibile utilizzare anche una o l'altra batteria.
4 manca il collegamento di massa generale.
altro non mi sembra.
17
epsoncolor
epsoncolor
14/12/2008 1417
Rispondi Abuso
Inserito il 27/04/2018 alle: 22:40:46
In risposta al messaggio di T i t a n del 27/04/2018 alle 22:04:04

1 fusibili diversi. 2 un fusibile non connesso. 3 batterie parallelate subito dopo i fusibili per cui uso improprio dello staccabatterie col quale dovrebbe essere possibile utilizzare anche una o l'altra batteria. 4 manca il collegamento di massa generale. altro non mi sembra.
Spiego meglio il disegno:
le batterie sono solo due BS1 E BS2 ,
dove ci sono i fusibili e' un portafusibili con 10 postazionii fusibili sono diversi perche' sono per i regolatori dei pannelli i quali uno da 30W e uno da 20W e se non ricordo male i fusibili  per i regolatori devo essere della stessa capacita'.
E' ovvio che la massa generale esiste diversamente non funzionerebbe nulla in camper .Non e' evidenziata perche' non centra con quello che ho fatto.

 
mario nicosia
mario nicosia
-
Rispondi Abuso
Inserito il 28/04/2018 alle: 04:45:06
elimina lo staccabatteria perché ne hai già eliminato il funzionamento
16
Hecktor2
Hecktor2
rating

18/10/2009 6302
Rispondi Abuso
Inserito il 28/04/2018 alle: 06:45:30
In risposta al messaggio di epsoncolor del 27/04/2018 alle 22:40:46

Spiego meglio il disegno: le batterie sono solo due BS1 E BS2 , dove ci sono i fusibili e' un portafusibili con 10 postazionii fusibili sono diversi perche' sono per i regolatori dei pannelli i quali uno da 30W e uno da 20W
e se non ricordo male i fusibili  per i regolatori devo essere della stessa capacita'. E' ovvio che la massa generale esiste diversamente non funzionerebbe nulla in camper .Non e' evidenziata perche' non centra con quello che ho fatto.  
...
perchè due regolatori?
se ho capito hai due pannelli fotovoltaici e un regolatore per pannello?
Normandia in camper: là dove la Natura
Normandia in camper: là dove la Natura
Pasqua in Costa Azzurra
Pasqua in Costa Azzurra
A spasso per la Germania del Nord in cam
A spasso per la Germania del Nord in cam
In camper nel centro Italia: tra sacro e
In camper nel centro Italia: tra sacro e
Le statue di legno di Kivijärvi
Le statue di legno di Kivijärvi
Previous Next
20
Grinza
Grinza
rating

16/02/2006 64236
Rispondi Abuso
Inserito il 28/04/2018 alle: 07:27:13
In risposta al messaggio di epsoncolor del 27/04/2018 alle 22:40:46

Spiego meglio il disegno: le batterie sono solo due BS1 E BS2 , dove ci sono i fusibili e' un portafusibili con 10 postazionii fusibili sono diversi perche' sono per i regolatori dei pannelli i quali uno da 30W e uno da 20W
e se non ricordo male i fusibili  per i regolatori devo essere della stessa capacita'. E' ovvio che la massa generale esiste diversamente non funzionerebbe nulla in camper .Non e' evidenziata perche' non centra con quello che ho fatto.  
...
Da uno dei due fusibili non esce nulla e hai collegato le batterie in parallelo secco, forse un errore nello schema ma così lo stacca batteria non funziona
Il problema non è la gente che non comprende ma la gente che giudica quello che nemmeno comprende
17
epsoncolor
epsoncolor
14/12/2008 1417
Rispondi Abuso
Inserito il 28/04/2018 alle: 10:00:15
In risposta al messaggio di mario nicosia del 28/04/2018 alle 04:45:06

elimina lo staccabatteria perché ne hai già eliminato il funzionamento
Non capisco perche'? mi spieghi p[er cotesia?
Grazie.
20
Grinza
Grinza
rating

16/02/2006 64236
Rispondi Abuso
Inserito il 28/04/2018 alle: 10:38:32
In risposta al messaggio di epsoncolor del 28/04/2018 alle 10:00:15

Non capisco perche'? mi spieghi p[er cotesia? Grazie.
Riguarda lo schema, hai messo due fusibili ma sei uscito solo da uno verso le due batterie facendo un parallelo secco, in questo modo lo staccabatterie non va.
Il problema non è la gente che non comprende ma la gente che giudica quello che nemmeno comprende
17
epsoncolor
epsoncolor
14/12/2008 1417
Rispondi Abuso
Inserito il 28/04/2018 alle: 10:47:04
In risposta al messaggio di Grinza del 28/04/2018 alle 10:38:32

Riguarda lo schema, hai messo due fusibili ma sei uscito solo da uno verso le due batterie facendo un parallelo secco, in questo modo lo staccabatterie non va.
Ciao Grinza, continuo a non capire ,saro' tosto, ti chiedo se non ti e' di troppo disturbo uno schema secondo quanto mi dici.

Grazie.
20
Grinza
Grinza
rating

16/02/2006 64236
Rispondi Abuso
Inserito il 28/04/2018 alle: 11:46:19
In risposta al messaggio di epsoncolor del 28/04/2018 alle 10:47:04

Ciao Grinza, continuo a non capire ,saro' tosto, ti chiedo se non ti e' di troppo disturbo uno schema secondo quanto mi dici. Grazie.
Non riesco a farti uno schema, sono bloccato a letto per un intervento al ginocchio, provo a descriverlo.
Guarda la scatola dei fusibili dove ne hai messi due, uno da 30 sopra ed una da 20 sotto.
Da quella da 30 non esce nessun filo che va alla batteria mentre da quello da 20 ne escono due e vanno alla BS1 e alla BS2, in questo modo hai fatto il parallelo secco.
Togli un filo dal fusibile da 20 e mettilo in quello da 30 in questo modo hai separato le due BS.
Il problema non è la gente che non comprende ma la gente che giudica quello che nemmeno comprende
17
epsoncolor
epsoncolor
14/12/2008 1417
Rispondi Abuso
Inserito il 28/04/2018 alle: 13:29:59
In risposta al messaggio di Grinza del 28/04/2018 alle 11:46:19

Non riesco a farti uno schema, sono bloccato a letto per un intervento al ginocchio, provo a descriverlo. Guarda la scatola dei fusibili dove ne hai messi due, uno da 30 sopra ed una da 20 sotto. Da quella da 30 non esce
nessun filo che va alla batteria mentre da quello da 20 ne escono due e vanno alla BS1 e alla BS2, in questo modo hai fatto il parallelo secco. Togli un filo dal fusibile da 20 e mettilo in quello da 30 in questo modo hai separato le due BS.
...
Grazie  Grinza,

Vado a verificare, e Auguri di pronta ripresa.
18
franco49tn
franco49tn
rating

24/01/2008 10434
Rispondi Abuso
Inserito il 28/04/2018 alle: 13:39:51
In risposta al messaggio di epsoncolor del 27/04/2018 alle 21:35:03

Allego un disegno di quello che ho fatto oggi siccome ho dei dubbi chiedo agli esperti. Grazie
Per me oltre cher quello indicato dagli altri amici
MANCANO due fisibili da 50 A in uscita dalla BS1 -2
prima del selettore manuale
e vicini vicini ai poli.
Franco
17
epsoncolor
epsoncolor
14/12/2008 1417
Rispondi Abuso
Inserito il 29/04/2018 alle: 09:31:10
Grazie a tutti per le risposte.
SostaGruppiCompagniItaliaEsteroMarchiMeccanicaCellulaAccessoriEventiLeggiComportamentiDisabiliIn camper perAltro CamperAltroExtra Attivi
Argomenti recenti dal forum
Cellula abitativa
Upgrade lifepo4
Buonasera a tutti, possiedo un Rapido C55i e al momento il camper è così configurato: -Dcd...
Zanna1979
Ieri alle: 22:51
Cellula abitativa
Nuovo acquisto giottilne z600 iveco
Buongiorno a tutti, bellissimo questo forum sui camper. A giorni concludo l'acquisto di un...
Pasca1787
Ieri alle: 18:36
Viaggi all'estero
Istria Ponte Primo Maggio
Ciao a tutti, stiamo pensando di fare 5 giorni in Istria nei primi giorni di maggio, abbia...
ovsp84
Ieri alle: 12:45
Meccanica
Rimappatura Iveco Daily 3gen e fischio turbina
Buongiorno, dopo aver rimappato il mio 35c15 ho notato che in fase di accelerazione ma sol...
323232
Ieri alle: 10:38
Aree di sosta e campeggi
Roma LGP - Zona Verde
Vorrei sapere da qualche camperista romano se e come è possibile accedere all'area camper ...
memmio
Ieri alle: 09:10
Accessori
Installatore antifurto camper
Buongiorno sto cercando un installatore di antifurto per camper zona Senago Paderno Dugna...
penguin46
Ieri alle: 08:12
Meccanica
Serraggio bulloni braccio oscillante
Buonasera. Avrei bisogno di conoscere i valori di serraggio dei 4 bulloni presenti nel bra...
celeserpi
24/04/26 - 23:38
Aree di sosta e campeggi
Area sosta/parcheggio ospedale Rizzoli Bologna
Salve a tutti. Cerco info su area sosta/parcheggio ospedale Rizzoli a Bologna. Ho notato s...
Dingo84
24/04/26 - 22:24
Viaggi in Italia
Pompei e Caserta
Ciao a tutti, Abbiamo le ferie dal 1 al 7 maggio e volevamo andare a Pompei e reggia di Ca...
beneamma
24/04/26 - 22:22
Viaggi all'estero
Il Tirolo vieta di saltare la coda in autostrada
.. Regione Trentino AA/S Naviga Il Tirolo vieta di saltare la coda in autostrada lungo str...
salito
24/04/26 - 20:14
Normative
Revisione 42,5 q bloccata
Salve a tutti, incredibile, tutte le prove superate,nonostante gli anni ed una precisa m...
paologu
24/04/26 - 17:54
Cellula abitativa
Aiuto gradino elettrico Laika ecovip 3l
Buonasera a tutti, sono da poco un possessore di un Laika ecovip 3l e ho un problema con i...
Alex86rm
23/04/26 - 22:19
168k Facebook
343k Instagram
42,6k TikTok
73,6K Youtube
CamperOnLine - Copyright © 1998-2026 - P.Iva 06953990014
Informativa privacy
Loading...

Accedi

Recupera Password
Nuovo utente

Vuoi eliminare il messaggio?

Sottoscrizione

Anteprima

PREFERENZA

Il messaggio è in fase di inserimento.

loading

CamperOnLine

Buongiorno gentile utente,

da oltre 20 anni Camperonline offre gratuitamente tutti i suoi servizi
grazie agli inserzionisti che ci hanno dato la loro fiducia, permettici di continuare il nostro lavoro disattivando il blocco delle pubblicità.

Grazie della collaborazione.

Azione eseguita con successo

Azione Fallita

Condividi

Condividi questa pagina con:

O copia il link