In risposta al messaggio di il tornitore del 23/04/2020 alle 12:19:19Qua a pag. 12 del Manuale è spiegato abbastanza bene:
In estrema sintesi, modifica fattibilissima a patto che quella poca corrente di mantenimento, fatta defluire dal Votronic dalla batteria servizi a quella del motore, non rovini quest'ultima. Credo proprio di no, salvo interventidi chi mi può smentire. Hai misurato la tensione che fornisce il Votronic alla BM? Altro punto... Quando la BM è carica, va in mantenimento? Se si, con quale tensione?
www.iz4dji.it
In risposta al messaggio di IZ4DJI del 24/04/2020 alle 02:35:30Quello lo avevo capito che è max 1A la corrente di carica.. Ma come ho detto non è questo il problema; il problema è la tensione. Possono dire che la tensione viene ridotta.. ma significa tutto e niente senza scrivere un valore.
Qua a pag. 12 del Manuale è spiegato abbastanza bene: dice che la corrente di carica verso la BM è di massimo 1A. ma dice anche piu o meno letteralmente: la tensione e la corrente di carica sono ridotte per prevenire una sovraccarica della BM Quindi nel progetto hanno calcolato anche questo.
In risposta al messaggio di il tornitore del 24/04/2020 alle 03:07:35A rileggerlo con attenzione, da questo manuale Votronic spunta sempre qualche parolina magica che sfugge ad una prima occhiata. Se davvero c'è scritto che riduce corrente e tensione per la ricarica della batteria motore, allora direi che abbiamo risolto. Verificherò questo we con il tester. Per quanto riguarda lo schema di collegamento, nel caso dei possessori di centralina Nordelettronica ci vuole lo schema 3, quello che viene chiamato per centraline EVS, con il ponticello del filo +IN a quello della batteria motore.
Quello lo avevo capito che è max 1A la corrente di carica.. Ma come ho detto non è questo il problema; il problema è la tensione. Possono dire che la tensione viene ridotta.. ma significa tutto e niente senza scrivere un valore.
In risposta al messaggio di gduca del 24/04/2020 alle 08:26:11Salve
A rileggerlo con attenzione, da questo manuale Votronic spunta sempre qualche parolina magica che sfugge ad una prima occhiata. Se davvero c'è scritto che riduce corrente e tensione per la ricarica della batteria motore,allora direi che abbiamo risolto. Verificherò questo we con il tester. Per quanto riguarda lo schema di collegamento, nel caso dei possessori di centralina Nordelettronica ci vuole lo schema 3, quello che viene chiamato per centraline EVS, con il ponticello del filo +IN a quello della batteria motore. Per quanto riguarda la curva di ricarica, mi pare di aver capito che bisogna fare un mix tra iuno dei grafici delle diverse tipologie di batterie con il grafico in fondo al manuale. Per quanto riguarda te Fran50 (immagino il tuo nome sia Franco), se mi giri via mail le informazioni in tuo possesso mi faresti cosa graditissima. Grazie.
https://imgur.com/Blewtb8
https://imgur.com/1PjVIgb
In risposta al messaggio di il tornitore del 24/04/2020 alle 03:07:35Si, certo, non c'è un valore numerico, ma si spererebbe che un ingegnere che ha progettato che l apparecchio cali la tensione sappia anche quale è quella giusta.
Quello lo avevo capito che è max 1A la corrente di carica.. Ma come ho detto non è questo il problema; il problema è la tensione. Possono dire che la tensione viene ridotta.. ma significa tutto e niente senza scrivere un valore.
.png)
www.iz4dji.it
www.iz4dji.it
In risposta al messaggio di IZ4DJI del 25/04/2020 alle 17:45:0735 giorni solo per sapere se gli devi spedire o meno il prodotto non funzionante, mi sembrano un'eternità e sono sintomo di poco rispetto verso il cliente. A me sarebbe salita l'inczzina. Non so come hai fatto ad aspettare senza sbraitare. Per fortuna tutto si è risolto al meglio per te.
incomincio dalla assistenza. Io ho inviato una email in inglese, e mi hanno risposto(in inglese) dopo 35 giorni, di inviargli l apparecchio e così ho fatto. Poi ho ricevuto una email in Tedesco (da una altra impiegata)che mi spiegava che l apparecchio era stato preso in carico, controllato e riparato e mi sarebbe ritornato senza addebito (e ho tradotto con Google) e io allora gli ho risposto e ringraziato in Tedesco (con google) e Inglese, semmai la traduzione di Google lasciasse dei dubbi . Quando mi a errivato il pacco, dentro c'era una lettera di accompagnamento con la scheda del lavoro fatto, dove si diceva che era stato fatto un completo controllo dell apparecchio e ricaricato il software e senza alcun addebito. Direi molto efficenti. Non mi lamento anche perchè avevo tolto il sigillo di garanzia per controllare i due fusibili da 40A che sono dentro l apparecchio (e si vedono dalla griglie di aerazione), ma nella mia email avevo loro anticipato che avevo rimosso il sigillo di garanzia per quel motivo. A regola, avrebbero potuto farmi una pernacchia o addebitarmi la riparazione. Mi sono dimenticato di dirgli che il problema era stato causato dalla presenza del CBE CSB2...ma nessuno me lo aveva chiesto Veniamo alle misurazioni. A motore avviato il Votronic incide solo sul voltaggio della BS , la BM mantiene lo stesso voltaggio dato dall alternatore sia con Votronic che senza. Anzi, visto che il Votronic preleva tanta corrente dalla BM, a motore acceso la tensione BM potrebbe essere un po piu bassa in presenza del votronic che senza (mia supposizione). La corrente di carica che leggi con motore in moto, è quella perchè probabilmente la BS era gia abbastaza carica e piu di quella non accetta. I 30A di targa penso che si leggano solo con BS parecchio scarica. Le letture con 220 collegata non hanno una grande importanza perchè il caricabatterie 220 carica sia la BS che la BM (con una tensione e corrente piu bassa) e in tal caso il votronic non influisce per nulla. La lettura interessante potrebbe essere la tensione BM a motore spento e con la sola carica del pannello solare, sempre che questo carichi solo la BS. In questo caso, la tensione della BM dovrebbe essere la tensione di carica a ritroso che passa dal Votronic da BS a BM. Le cose potrebbero variare anche in questo caso a seconda dello stato di carica preesistente nella BS e BM (per esempio se il camper era stato collegato a lungo a 220 o era stato parecchio al sole, la BS e BM sranno gia a un elevato stato di carica e quindi le letture potrebbero essere differenti rispetto a un camper con BS e BM lasciate a se stesse da giorni. Questo è il mio pensiero, se sia giusto o no, la parola agli esperti . La differenza di lettura tra vari strumenti c'è sempre. Certo che le centraline dei camper danno solo valori molto indicativi. Penso che all interno del Votronic ci sia uno shunt (o qualcosa del genere) su cui viene letta la corrente e poi inviata la lettura al display sul sottile cavo RJ.
In risposta al messaggio di gduca del 25/04/2020 alle 19:19:46Anch'io non ci contavo piu, ma poi scrivendomi si sono anche scusati dell a lunga attesa imputandola a perecchi emeil da smaltire...vabè facciamo finta di crederci. Però per me, se uno si scusa, sono a posto.
35 giorni solo per sapere se gli devi spedire o meno il prodotto non funzionante, mi sembrano un'eternità e sono sintomo di poco rispetto verso il cliente. A me sarebbe salita l'inczzina. Non so come hai fatto ad aspettaresenza sbraitare. Per fortuna tutto si è risolto al meglio per te. Le letture vogliono semplicemente testimoniare che effettivamente se carico una Litio a 14,7V il Votronic carica la batteria motore con una corrente di max 13,2 V, senza quindi rovinare la batteria motore, dubbio questo che aveva giustamente sollevato Tornitore (mannaggia non mi viene nome di battesimo in questo momento). Era una verifica che andava fatta perché nel manuale teutonico non brillano per semplicità e chiarezza e di questo importante aspetto non si parlava nel dettaglio. Alla fine sono soddisfatto, sono praticamente pronto per il passaggio al Litio (quando deciderò ed investendo solo una 50 di euro per sostituire il caricabatterie 220) e comunque, ad oggi, posso ottimizzare la ricarica delle mie attuali AGM verdone.
www.iz4dji.it
In risposta al messaggio di IZ4DJI del 26/04/2020 alle 15:19:56""Se non sbaglio hai messo in carica con la 220 e quindi hai misurato tensione BS e BM ?""
Anch'io non ci contavo piu, ma poi scrivendomi si sono anche scusati dell a lunga attesa imputandola a perecchi emeil da smaltire...vabè facciamo finta di crederci. Però per me, se uno si scusa, sono a posto. Quello chevolevo dire sui voltaggi, forse lo ho espresso male o forse non ho capito bene come hai agito. Se non sbaglio hai messo in carica con la 220 e quindi hai misurato tensione BS e BM ? Ma la 220 carica gia lei anche la BM (almeno da me carica sia BS che BM) e quindi la tensione letta sulla BM poteva essere quella data dal CB 220 anzichè la tensione inviata a ritroso dal Votronic. Non so se ora sono riuscito a spiegare il mio dubbio. Invece, da me il pannello solare carica solo la BS e quindi mettendo il camper al sole, la tensione che leggo sulla BM non puo essere altro che quella che gli viene inviata dal Votronic tramite la carica di mantenimento. Poi casomai tu hai un impianto fatto in maniera differente e quindi cio che penso io non vale piu nulla.
In risposta al messaggio di gduca del 26/04/2020 alle 15:53:28Ora ho capito, quindi il tuo CB 220 carica solo la BS e anche collegato a 220 l unica carica che va verso la BM è quella mandata attraverso il Votronic ?
Se non sbaglio hai messo in carica con la 220 e quindi hai misurato tensione BS e BM ? Si, volevo verificare il dubbio venuto a Tornitore. Il Votronic si interpone tra batteria motore e batteria servizi…... le separatra loro!!. Con il d+ attivato dall'alternatore (motore in moto), la corrente transita in un solo senso dalla batteria motore verso quella servizi (opportunamente modificata). A motore spento (assenza del D+) le due batterie risultano separate tra loro e la funzione del relè parallelatore della centralina camper, si limita a delegare al Votronic la scelta del se e come far ritornare indietro una piccola quantità di corrente per la ricarica della batteria motore. Qualsiasi sia la fonte di ricarica della batteria dei servizi (220 o pannello solare), il Votronic (al raggiungimento di determinati parametri) decide cosa far trafilare verso la batteria motore. Se a valle dell'impianto c'è una batteria molto diversa per caratteristiche di quella motore, con i suoi accessori che la ricaricano a tensioni più alte, ci si chiedeva cosa arrivava alla batteria motore. Le mie misurazioni mi inducono a ritenere che il Votronic abbia una funzione (non dettagliatamente descritta nel manuale) che gestisce anche il parametro della tensione della BM. Come si vede, sia dal suo display che dal tester, le tensioni della batteria motore sono inferiori a quella dei servizi e quindi il rischio che la prima vada in ebollizione (come giustamente ammonito da Tornitore) parrebbe scongiurata. Parimenti (ma questo lo sapevamo già) è dimostrato che con il motore in moto la tensione che arriva alla batteria dei servizi è ben più alta di quella che l'alternatore fornisce alla batteria del motore. La tensione dell'alternatore che ricarica la batteria motore, inoltre, pare essere più alta di quella che il Votronic filtra durante una situazione di allacciamento alla 220, quindi mi pare scongiurato qualsiasi pericolo di ebollizione della batteria motore. Meglio così, sarebbe stato un problema collaterale nell'ottica di un futuro passaggio alla tecnologia Litio. Piuttosto ho realizzato che se avessi lasciato l'impianto, come era in origine dalla casa costruttrice, la curva di ricarica per le AGM, che arriva a 14,7V, avrebbe creato problemi alla BM atteso che la centralina del mezzo si limita ad attivare un relè parallelatore (in presenza della 220) che non essendo intelligente, ha fatto passare fino ad oggi, in maniera bovina, la stessa corrente destinata alla batteria dei servizi anche a quella motore. Salvo essere smentito, questo problema potrebbe essere comune a tutti i mezzi che hanno installato batterie di servizio AGM. Sarà forse per questo che il mio caricabatterie era settato sulle batterie al piombo pur avendo una curva di ricarica dedicato alle AGM?
www.iz4dji.it
In risposta al messaggio di gduca del 25/04/2020 alle 12:41:37Ho appena installato il display Votronic 1248 uguale al tuo.
Come promesso oggi sono andato a fare tutte le misurazioni del caso. Per chi fosse interessato al papocchio che sto per scrivere vi racconto nel dettaglio. La primissima considerazione è che i tre strumenti che ho nel campermi danno tutti letture diverse di qualche decimo di V. La lettura più farlocca è quella del Display Mobilvetta. Tra dispaly Votronic e tester qualche piccola differenza. Tensione batteria motore al mio arrivo 12,3 Volt, perfettamente in linea Ho attaccato la 220 e queste sono le letture Batteria servizi misurata dal Votronic Batteria motore misurata dal Votronic Batteria motore misurata dal tester con 220 attaccata Adesso ho scollegato la 220 ed ho messo in moto il motore. Vediamo le letture Votronic - batteria servizi Volt ed Ampere Ora vediamo la batteria motore. Lettura Votronic Lettura tester con motore in moto In conclusione ho dedotto che, a parte i decimali farlocchi, la centralina Votronic parrebbe gestire in maniera differente la batteria dei servizi da quella motore e, in presenza di un caricabatterie 220, gestisce due diverse curve di ricarica per batterie servizi e motore. Domanda per Tommaso se viene a leggere. Dici che hai mandato indietro il prodotto…..., che hanno rifatto un reset del software ecc.… Come fai a sapere questo particolare? te lo chiedo perché ho inoltrato una richiesta di informazioni alla Votronic e, a distanza di giorni, non si sono ancora degnati di rispondermi (non avevo dubbi). Spero davvero di non avere problemi perché mi sembrano un po' assenti verso il cliente. Altra questione per chi mi può testare e rispondere è che la lettura della batteria servizi del Votronic in situazione neutra, ossia nessuna fonte di ricarica, mi fa vedere una tensione di 12,3V, e questo è impossibile, perché tutti gli altri strumenti mi dicono che la batteria dei sevizi è a 13,8 V almeno. Come metto in moto o collego la 220 tutte le letture ritornano congrue. Finito! Grazie per l'attenzione
www.iz4dji.it
.jpg)
In risposta al messaggio di Marco Garbetta del 22/11/2021 alle 08:52:54Lo schema non va bene.
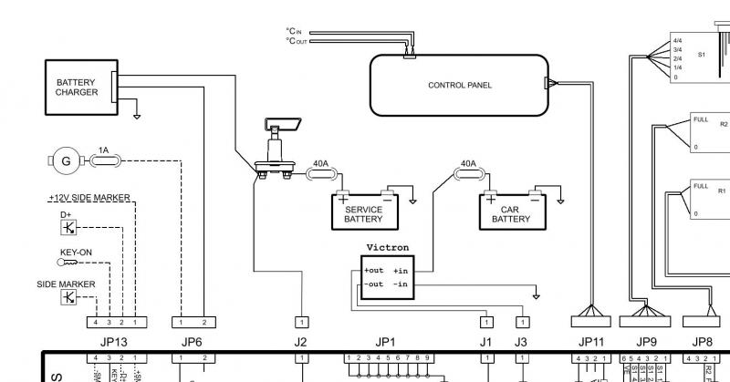
E' passato un annetto ma secondo me l'argomento è ancora molto interessante, soprattutto per chi fa molta libera d'inverno e vuole ottimizzare il caricamneto delle batterie con l'alternatore visto che con i pannelli ci faidavvero poco. Ho una centralina Nordelettronica NE274 con portafusibili NE185-4. Ho 2 batterie AGM da 90Ah. Al momento l'alternatore (di tipo normale) carica BM e BS funzionando da alimentatore e non da caricabatterie, quindi senza fasi e a tensione costante di 14V circa. Le BS si fermano all'80% di carica e a stento vanno oltre. Per ovviare a questo problema sto per installare il Victron Orion Tr-Smart 12-12/30 frapponendolo in sostanza tra la BM e la centralina secondo il disegno prima/dopo allegato. Non ho bisogno di portare il segnale D+ perche il VIctron ha un algoritmo per capire in base alla tensione della BM quando metterla in parallelo con la BS. Qualcuno di voi ha fatto qualcosa di simile, anche con altro booster?
In risposta al messaggio di Marco Garbetta del 22/11/2021 alle 14:31:50Marco, dai retta a ciò che ti ha scritto Subalpino ed a ciò che hanno scritto tutti coloro che hanno completato la modifica.
Cosa non va nel collegamento? Ho visto altri che lo hanno fatto. Cmq non ci sono J14 e J15 ma JP14 e JP15. A cosa servirebbe il ponticello?
In risposta al messaggio di Marco Garbetta del 22/11/2021 alle 18:40:00Fabrizio... questo è il mio nome. Non aprire l'ufficio complicazioni. Leggi bene le istruzioni della centralina Nordelettronica se parlano della possibilità di escludere il relè parallelatore. Io credo che la tua non abbia questa funzione. Detto questo, sempre che tu abbia un saldatore e la giusta manualità (diversamente fatti dare una mano da chi ne sa) con un cutter interrompi la pista nel punto in cui ti faccio vedere in foto. Si tratta di un'interruzione di un solo millimetro che puoi ripristinare in qualsiasi momento, anche facendo un ponte di stagno. Ad ogni modo, ti consiglio di saldare alle due estremità della pista che hai tagliato, due spezzoni di filo da collegare ad un interruttore, così puoi ripristinare a piacimento il funzionamento originale della scheda. P.S. nella foto che ti allego, per comodità, ho saldato uno dei due spezzoni sulla piazzola della bobina relè perchè più grande e più comoda della saldatura fatta a bordo scheda, dove ho interrotto la pista.
Scusa gDuca se non ho letto tutti i post sull'argomento, sono nuovo del forum. Per ciò che attiene alla modifica che mi ha indicato Subalpino...a quanto pare i due pin per impedire la chiusura del rele parallelatore nonci sono sulla mia centralina. Quindi l'unica via sarebbe quella di dissaldare il rele sulla scheda ma mi sembra una strada pericolosa perchè se qualcosa va storto rimango con la scheda bruciata in mano. E se invece scollegassi la BM dalla centralina e collegassi al suo posto la BS? La centralina vedrebbe due batterie ma corrisponderebbero sempre alla BS. Nessun problema se non quello che la BM non viene più ricaricata dalla 220V. Il booster provvederebbe ad accoppiare le due batterie a motore acceso.
.jpg)