CamperOnLine
  • Camper
    • Camper usati
    • Camper nuovi
    • Produttori
    • Listino
    • Cataloghi
    • Concessionari e rete vendita
    • Noleggio
    • Van
    • Caravan
    • Fiere
    • Rimessaggi
    • Le prove di CamperOnLine
    • Provati da voi
    • Primo acquisto
    • Area professionisti
  • Accessori
    • Accessori e Prodotti
    • Camping Sport Magenta accessori
    • Produttori
    • Antenne TV
    • Ammortizzatori
    • GPS
    • Pneumatici
    • Rimorchi
    • Provati da Voi
    • Fai da te
  • Viaggi
    • Diari di viaggi in camper
    • Eventi
    • Foto
    • Check list
    • Traghetti
    • Trasporti
  • Sosta
    • Cerca Strutture
    • Sosta
    • Aree sosta camper
    • Campeggi
    • Agriturismi con sosta camper
    • App Camperonline App
    • 10 Consigli utili per la sosta
    • Area strutture
  • Forum
    • Tutti i Forum
    • Sosta
    • Gruppi
    • Compagni
    • Italia
    • Estero
    • Marchi
    • Meccanica
    • Cellula
    • Accessori
    • Eventi
    • Leggi
    • Comportamenti
    • Disabili
    • In camper per
    • Altro Camper
    • Altro
    • Extra
    • FAQ
    • Regolamento
    • Attivi
    • Preferiti
    • Cerca
  • Community
    • COL
    • CamperOnFest
    • Convenzioni Convenzioni
    • Amici
    • Furti
    • Informativa Privacy
    • Lavoro
  • COL
    • News
    • Newsletter
    • Pubblicità
    • Contatto
    • Ora
    • RSS RSS
    • Video
    • Facebook
    • Instagram
  • Magazine
  • Italiano
    • Bienvenue
    • Welcome
    • Willkommen
  • Accedi
CamperOnLine
Camping Sport Magenta
  1. Forum
  2. Tecnica
  3. Accessori
Galleria

Rele 12V/200A x Emme47, Alva,Renzo ecc

Nuovo
Cerca
Berger Camping
SostaGruppiCompagniItaliaEsteroMarchiMeccanicaCellulaAccessoriEventiLeggiComportamentiDisabiliIn camper perAltro CamperAltroExtra Attivi
1 20 20
19
Topolone
Topolone
rating

19/12/2006 12096
Inserito il 19/09/2016 alle: 09:30:29
Chi mi sa dire quanti ampere di spunto può reggere questo relè.

http://www.f-ricambi.com/acquis...



Vorrei capire se posso accendere, in emergenza, il Ducato da una linea su cui è presente un relè simile.
T i t a n
T i t a n
-
Inserito il 19/09/2016 alle: 09:43:19
C'è poco da dire , il relè lo danno per 200 A , non mi sembra molto indicato.
Probabilmente in estate a motore caldo riesci anche ad accenderlo alcune volte ma stai tranquillo che se ci provi d'inverno basta una volta sola per distruggerlo e far danni.
Cerca qualcosa di più gaiardo.

Ho riletto il tuo messaggio (emergenza)

Non è un raddoppio tecnico ma mi fiderei di più di due relè in parallelo solo per emergenza.

Modificato da T i t a n il 19/09/2016 alle 09:57:01
12
Chilometri
Chilometri
13/01/2014 1063
Inserito il 19/09/2016 alle: 10:09:30

Ciao,
dai dati che forniscono... i 200A sono di spunto, si scende a 120A per uso continuo (classico da parallelatore).
Sicuramente non fonde oltepassando, in questo caso di "poco", e limitatamente alla fase di avviamento del motore, i valori indicati.
Detto questo, ne cercherei uno più grosso per non farlo sudare. wink

 
Buoni chilometri a tutti!

Modificato da Chilometri il 19/09/2016 alle 10:19:15
sergiozh
sergiozh
-
Inserito il 19/09/2016 alle: 10:56:21
Quanti A ci vogliono per fare partire un motore da camper ?
19
Topolone
Topolone
rating

19/12/2006 12096
Inserito il 19/09/2016 alle: 11:20:03
In risposta al messaggio di T I T A N del 19/09/2016 alle 09:43:19

C'è poco da dire , il relè lo danno per 200 A , non mi sembra molto indicato. Probabilmente in estate a motore caldo riesci anche ad accenderlo alcune volte ma stai tranquillo che se ci provi d'inverno basta una volta sola
per distruggerlo e far danni. Cerca qualcosa di più gaiardo. Ho riletto il tuo messaggio (emergenza) Non è un raddoppio tecnico ma mi fiderei di più di due relè in parallelo solo per emergenza.
...

Sulla BS ho un relè di potenza Philippi TSA 265.
Nelle specifiche tecniche viene dato per ;
260 A continui
400 A per 5 secondi
1500 A per 0,2 secondi

Se la proporzione fosse la stessa ( dipende però dalla qualità del prodotto ) quel relè da 200 A che si trova a valle dovrebbe reggere circa 700 A per 0,2 secondi, amperaggio "normalmente" sufficiente per accendere il motore .
I cavi su quella linea sono da 35 mm2 dunque idonei per un avviamento d' emergenza.
Come hai giustamente detto avviare un motore in estate è un conto mentre avviare un motore reticente in inverno è un altro.
 
Pirenei Verdon in camper - settembre 202
Pirenei Verdon in camper - settembre 202
Normandia in camper: là dove la Natura
Normandia in camper: là dove la Natura
Pasqua in Costa Azzurra
Pasqua in Costa Azzurra
A spasso per la Germania del Nord in cam
A spasso per la Germania del Nord in cam
In camper nel centro Italia: tra sacro e
In camper nel centro Italia: tra sacro e
Previous Next
20
Emme48
Emme48
rating

13/01/2006 24668
Inserito il 19/09/2016 alle: 12:03:35
Magari i relè si rompessero.
Il carico pesante potrebbe "saldare" i contatti elettrici con le conseguenze che si possono immaginare.

Io accendo il camper in emergenza con questo schema qui ma usando il grosso relè presente sul motorino d'avviamento, il resto si fa con commutatori manuali (due) che sopportano 500 ampere.

Ecco lo schema "generale":

http://www.m48.it/backupcamper.htm



Ma la mia Power Box è questa e qui si vedono i due commutatori ( S1 e S2 ) che collegano una o entrambe le BS alla BM
La BM se è in corto posso staccarla da S4 e alimentare l'impianto con le due BS.

(il resto dello schema ignoralo...)





Marco.

Modificato da Emme48 il 19/09/2016 alle 12:06:56
19
Topolone
Topolone
rating

19/12/2006 12096
Inserito il 19/09/2016 alle: 15:33:30
In risposta al messaggio di Emme48 del 19/09/2016 alle 12:03:35

Magari i relè si rompessero. Il carico pesante potrebbe saldare i contatti elettrici con le conseguenze che si possono immaginare. Io accendo il camper in emergenza con questo schema qui ma usando il grosso relè presente
sul motorino d'avviamento, il resto si fa con commutatori manuali (due) che sopportano 500 ampere. Ecco lo schema generale: Ma la mia Power Box è questa e qui si vedono i due commutatori ( S1 e S2 ) che collegano una o entrambe le BS alla BM La BM se è in corto posso staccarla da S4 e alimentare l'impianto con le due BS. (il resto dello schema ignoralo...) Marco.
...

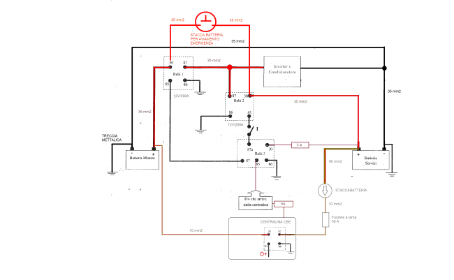
Ciao Marco,

Ti allego una parte dello schema elettrico del mio camper per avere una tua opinione.
La parte sopra è stata messa dal concessionario ed è suggerita da una nota ditta di accessori elettronici ( hai un loro componente nella tua Power Box )
L'intento di questo circuito è quello di potere accendere il condizionatore alimentandolo dalla BM quando si è in moto.



Cosa ne pensi ?


 
19
Topolone
Topolone
rating

19/12/2006 12096
Inserito il 19/09/2016 alle: 15:43:19
In Bitmap forse si legge ...


Modificato da Topolone il 19/09/2016 alle 15:45:51
20
Emme48
Emme48
rating

13/01/2006 24668
Inserito il 19/09/2016 alle: 16:34:27
Fai un NORMALE impianto col relè parallelatore che ricarica la BS dalla BM/Alternatore.

L'inverter lo colleghi fisso alla BM/Alternatore e l'interruttore dell'inverter lo attivi con u piccolo relè alimentato dal D+
In serie tra il D+ e il relè ci metti un interruttore manuale per decidere se accendere il clima in viaggio.

Le correnti "grosse" sezionale manualmente o non sezionarle affatto.


O.T.
A proposito di potenze elevate..
Stasera ho comprato questo oggetto da Paoletti...si tratta di un usato a prezzo interessante (avevo sul Wingamm il suo gemello ad onda quadra modificata, strepitoso! )

Lo userò a potenza limitata sul camper sostituendo quello che ho ora ad onda quadra modificata.
Una protezione in uscita impedirà di prelevare potenze elevate lasciando margine di sicurezza.

Quello del camper (che è pure riparato dopo un guasto) finirà nell'oliveta per le varie cose a 220 che a volte devo usare (trapano, flessibile, martello demolitore, elettrosega a 220...) 
Per la saldatrice invece userò il gruppo elettrogeno SERIO da 3,6 kW

Marco.
19
Topolone
Topolone
rating

19/12/2006 12096
Inserito il 19/09/2016 alle: 17:02:56
In risposta al messaggio di Emme48 del 19/09/2016 alle 16:34:27

Fai un NORMALE impianto col relè parallelatore che ricarica la BS dalla BM/Alternatore. L'inverter lo colleghi fisso alla BM/Alternatore e l'interruttore dell'inverter lo attivi con u piccolo relè alimentato dal D+ In
serie tra il D+ e il relè ci metti un interruttore manuale per decidere se accendere il clima in viaggio. Le correnti grosse sezionale manualmente o non sezionarle affatto. O.T. A proposito di potenze elevate.. Stasera ho comprato questo oggetto da Paoletti...si tratta di un usato a prezzo interessante (avevo sul Wingamm il suo gemello ad onda quadra modificata, strepitoso! ) Lo userò a potenza limitata sul camper sostituendo quello che ho ora ad onda quadra modificata. Una protezione in uscita impedirà di prelevare potenze elevate lasciando margine di sicurezza. Quello del camper (che è pure riparato dopo un guasto) finirà nell'oliveta per le varie cose a 220 che a volte devo usare (trapano, flessibile, martello demolitore, elettrosega a 220...)  Per la saldatrice invece userò il gruppo elettrogeno SERIO da 3,6 kW Marco.
...

Ma no.....
La mia BS non ha nessuna difficoltà nell'erogare la corrente necessaria all'inverter. Anche a motore spento. Collegando l'inverter sulla BM non sarà più utilizzabile da fermo.

La cosa buffa è che il concessionario è convinto che con il motore in moto la BS con quella soluzione sia staccata dall'inverter.
Non si tiene in conto che è un impianto messo in parallelo a quello originale e se la BS prevale sull'alternatore una buona parte della corrente necessaria all'inverter sarà data dalla BS malgrado l'assenza di collegamento diretto. La corrente farà il giro lungo passando dal relè parallelatore che , come hai scritto, è grosso come uno zuccherino.
16
calasci
calasci
29/08/2009 10409
Inserito il 19/09/2016 alle: 17:40:27
Ma non potresti recuperare l`lettrocalamita di un vecchio motorino di avviamento ? 
20
Emme48
Emme48
rating

13/01/2006 24668
Inserito il 19/09/2016 alle: 20:25:12
In risposta al messaggio di Topolone del 19/09/2016 alle 17:02:56

Ma no..... La mia BS non ha nessuna difficoltà nell'erogare la corrente necessaria all'inverter. Anche a motore spento. Collegando l'inverter sulla BM non sarà più utilizzabile da fermo. La cosa buffa è che il concessionario
è convinto che con il motore in moto la BS con quella soluzione sia staccata dall'inverter. Non si tiene in conto che è un impianto messo in parallelo a quello originale e se la BS prevale sull'alternatore una buona parte della corrente necessaria all'inverter sarà data dalla BS malgrado l'assenza di collegamento diretto. La corrente farà il giro lungo passando dal relè parallelatore che , come hai scritto, è grosso come uno zuccherino.
...

Ascolta... pensa di installare questo "coso" per alimentare l'inverter.



Off - Inverter scollegato (rimessaggio)
1 - Inverter su BM per il clima in viaggio
2 - Inverter su BS per quando sei in sosta.
1+2 Per parallelare BS e BM per mettere in moto in emergenza con BM scarica oppure KO (in caso di corto della BM stacca la massa originale della BM)

MArco.
19
Topolone
Topolone
rating

19/12/2006 12096
Inserito il 19/09/2016 alle: 20:42:38

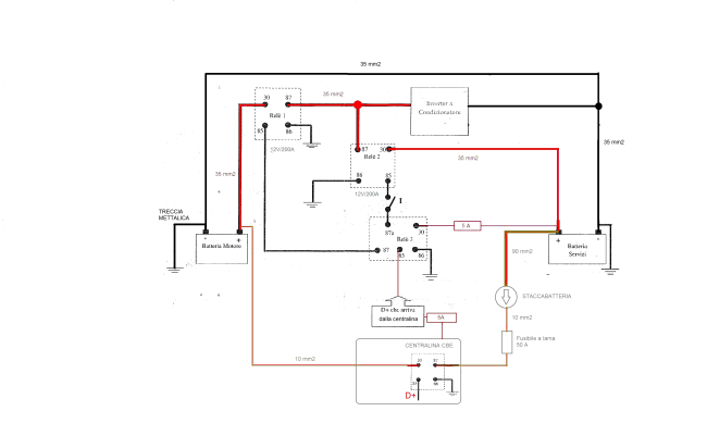
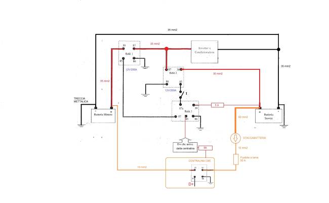
Ecco, questo mi piace di più...smiley mo studio bene ....

PS: diciamo che adesso fa tutto in automatico..... Se i relè da 200 ampere ( che poi sono da 120 in continuo ) potessero accettare picchi da 600.... 700 A mettendo un piccolo interruttore che porta un 12V al relè 1 ( con l'interruttore I chiuso ) avrei un parallelo tra BM e BS per un eventuale avviamento di emergenza.

Modificato da Topolone il 19/09/2016 alle 21:02:37
16
enzo44
enzo44
rating

13/12/2009 4438
Inserito il 19/09/2016 alle: 22:12:25
Ciao, molti anni fa montai sul vecchio camper un teleruttore proveniente da un transpallett a batterie, non ricordo le caratteristiche elettriche ma ricordo che era simile al rel'è di avviamento dei motorini del camper, l'ho usato per molti anni in montagna per facilitare l'avviamento del mezzo menttendo in parallelo BM, anche mezza scarica e BS, penso che il "releuccio" postato dall'amico Topolone non sia in grado di reggere a lungo le forti correnti in fase di avviamento, forse non tutti si ricordano o sannoo che il motorino dei nostri mezzi ha ben 2 Kwatt di potenza, o 2,5 non ricordo bene, che nell'istante dell'accensione è un corto circuito. Un saluto Enzo
12
Chilometri
Chilometri
13/01/2014 1063
Inserito il 20/09/2016 alle: 10:41:15
In risposta al messaggio di enzo44 del 19/09/2016 alle 22:12:25

Ciao, molti anni fa montai sul vecchio camper un teleruttore proveniente da un transpallett a batterie, non ricordo le caratteristiche elettriche ma ricordo che era simile al rel'è di avviamento dei motorini del camper,
l'ho usato per molti anni in montagna per facilitare l'avviamento del mezzo menttendo in parallelo BM, anche mezza scarica e BS, penso che il releuccio postato dall'amico Topolone non sia in grado di reggere a lungo le forti correnti in fase di avviamento, forse non tutti si ricordano o sannoo che il motorino dei nostri mezzi ha ben 2 Kwatt di potenza, o 2,5 non ricordo bene, che nell'istante dell'accensione è un corto circuito. Un saluto Enzo
...

Ciao Enzo,
2,5 Kw a 12V... 208A : quel relè sarebbe quasi perfetto. wink

A freddo, in un motore disel... anche di più.
Buoni chilometri a tutti!
16
enzo44
enzo44
rating

13/12/2009 4438
Inserito il 20/09/2016 alle: 11:46:44
Ciao, condivido il tuo primo intervento, "meglio non farlo sudare", meno il secondo "quasi perfetto", se i contatti del relè di incollano viene fuori una bella frittata, a meno di montare fusibili da 3/400 A, che verosimilmente è la corrente che circola nel primo secondo di avvio. Un saluto Enzo
19
Topolone
Topolone
rating

19/12/2006 12096
Inserito il 20/09/2016 alle: 12:21:41
Una soluzione semplice potrebbe essere quella di bypassare i due relè ( sono fisicamente vicini ) cablando uno spezzone di cavo da 35 mm2 sui morsetti 30 con interposto uno stacca batteria che si commuta solo se è necessario usare la BS per avviare in emergenza.


19
ciano46
ciano46
24/10/2006 726
Inserito il 20/09/2016 alle: 18:43:32
Un relè un po' più robusto potrebbe essere questo e... senza consumo elettrico continuo:

http://www.osculati.com/it/cat/...

Luciano
19
Topolone
Topolone
rating

19/12/2006 12096
Inserito il 20/09/2016 alle: 20:29:25
In risposta al messaggio di ciano46 del 20/09/2016 alle 18:43:32

Un relè un po' più robusto potrebbe essere questo e... senza consumo elettrico continuo:Luciano

Lo conosco...
Devi prima fare una rapina a mano armata in banca wink
sergiozh
sergiozh
-
Inserito il 20/09/2016 alle: 21:27:44
In risposta al messaggio di Topolone del 20/09/2016 alle 20:29:25

Lo conosco... Devi prima fare una rapina a mano armata in banca

Quanto costa ? Non vedo il prezzo nel sito.
19
ciano46
ciano46
24/10/2006 726
Inserito il 20/09/2016 alle: 21:53:29
In risposta al messaggio di sergiozh del 20/09/2016 alle 21:27:44

Quanto costa ? Non vedo il prezzo nel sito.

https://www.magellanostore.it//...

SostaGruppiCompagniItaliaEsteroMarchiMeccanicaCellulaAccessoriEventiLeggiComportamentiDisabiliIn camper perAltro CamperAltroExtra Attivi
Argomenti recenti dal forum
Accessori
polo batteria
ho cambiato la batteria motore ed il polo + è un po' più piccolo del morsetto:ho risolto i...
pino1957
30/04/26 - 17:59
Marchi
Sondaggio Detfless Globetrail
Buongiorno, fatta la ricerca vedo che non c'è una sezione dedicata ai furgonati Dethfless ...
costantino64
30/04/26 - 17:40
Cellula abitativa
Che materiale è?
Salute a tutti. Sono neofita. Sto sistemando un Rimor brig del 1992. Per verificare condiz...
Gimmo_rm
30/04/26 - 17:07
Cellula abitativa
Fulcro?
Buona sera, secondo voi il Fulcron della Arexon è utilizzabile per togliere le macchie sul...
P1950
30/04/26 - 15:26
Viaggi all'estero
Sosta Spielberg Austria gran premio moto
Buongiorno a tutto il forum,stiamo cercando informazioni per una sosta di 3gg in occasione...
manife666
30/04/26 - 10:32
Aree di sosta e campeggi
Posti auto coperti a Roma in zona Fidene
I curatori del Fallimento della società ILOCSA Srl in liquidazione (Tribunale di Ascoli Pi...
robaro
30/04/26 - 09:33
Meccanica
50% gasolio + 50% HVO
Potrebbe essere interessante usare 50% gasolio + 50% HVO v... ......
franco49tn
30/04/26 - 09:19
Disabilità
Consigli per scelta modello
Buongiorno, dovrei comprare un camper MA necessita abbia alcune caratteristiche anche perc...
Alalal
29/04/26 - 20:18
Meccanica
Installazione sospensioni VB -semiair su Mlt 570
Buongiorno, chiedo a chi già possiede queste sospensioni sul Hymer MLT 570 , si sia trova...
laurarem
29/04/26 - 14:26
Cellula abitativa
Frigorifero a compressore Dometic RCS 10.5T 12 V
Buongiorno a tutti, ho un van con Frigorifero a compressore Dometic RCS 10.5T 12 V con dop...
EVM480
29/04/26 - 13:56
Accessori
Sezione Cavi - Capicorda e Dimensionamento.
Ciao, vi ringrazio in anticipo per il forum dove ho trovato davvero tanti spunti e vorrei ...
Jamalcas
29/04/26 - 11:57
Altro sui camper
Quando si dice onestà...
Ciao,leggete la descrizione...piu sincero di cosi nn si puo'...da stimare! ......
merlino64
29/04/26 - 08:28
168k Facebook
343k Instagram
42,6k TikTok
73,6K Youtube
CamperOnLine - Copyright © 1998-2026 - P.Iva 06953990014
Informativa privacy
Loading...

Accedi

Recupera Password
Nuovo utente

Vuoi eliminare il messaggio?

Sottoscrizione

Anteprima

PREFERENZA

Il messaggio è in fase di inserimento.

loading

CamperOnLine

Buongiorno gentile utente,

da oltre 20 anni Camperonline offre gratuitamente tutti i suoi servizi
grazie agli inserzionisti che ci hanno dato la loro fiducia, permettici di continuare il nostro lavoro disattivando il blocco delle pubblicità.

Grazie della collaborazione.

Azione eseguita con successo

Azione Fallita

Condividi

Condividi questa pagina con:

O copia il link