http://www.avtoitalia.ru/katalo...

In risposta al messaggio di derock del 25/10/2016 alle 15:37:10
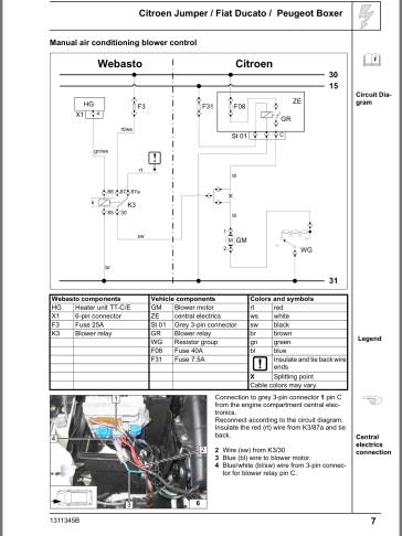
buongiorno a tutti oggi finalmente funziona tutto: per le ventole cruscotto ho alimentato grazie al rele a doppio scambio il cavo azzurro alimentazione motore ventole direttamente da sotto la centralina rele nel vano motore(comeda foto postata da adri63) e a quadro spento e webasto acceso le ventole sono normalmente azionabili mediante apposito comando. confermo l'elevato assorbimento, ma ripeto che ad oggi io d'inverno no faccio sosta libera, e nel caso ho sempre la truma. invece per quanto riguarda il radiatore supplementare confermo, come si evince dagli schemi elettrici che ho postato, che l elettrovalvola funxiona in parallelo con il motore del ventilatore. i fili sono sottilissimi e il rele che la governa si trova sul montante dx sotto l arrotolatore, ho semplicemente inserito un cavetto con un rubacorrente , alimentato con un rele normale azionato anchesso dal consenso 42C del webasto. ora con quadro spento e webasto acceso si accendono entrambe le ventole e l'acqua circola anche nel radiatore supplementare. bene, missione compiuta, non resta che taggare tutti i nuovi cavi che ho passato nel camper, perche penso che tra un mese non mi ricorderò più nulla, e andare a provarlo al freddo. per il momento ringrazio tutti della collaborazione, e vi terrò aggiornati sull ampliamento dell'impianto( oggi mi è arrivato il radiatore di una punto consigliato su un'altro post di questo forum...)
Ciao, ho sempre avuto il dubbio di una imprecisione da parte dei manuali Fiat rispetto al riscaldatore supplementare, lo schema elettrico del motore ventola ed elettrovalvola rappresenta un collegamento in parallelo dei due componenti, con l'interruttore attivato il motore gira e l'elettrovalvola dovrebbe cambiare il suo stato da NA e NC, configurazione che non permetterebbe la circolazione del liquido, quindi si dovrebbe dedurre che l'elettrovalvola è NC e si apre quando alimentata, sul mezzo di mio figlio, Ducato 230 ma anche sul 244, il liquido circola anche a quadro spento situazione che conferma l'EV NA, e che resta aperta anche inserendo l'interruttore ventola con motore in moto, quindi c'è qualcosa che non mi torna, puoi chiarire questo dubbio, grazie, un saluto Enzo