In risposta al messaggio di Semi del 24/01/2021 alle 18:12:35Capisco,comunque quando farai il tuo impianto facci sapere
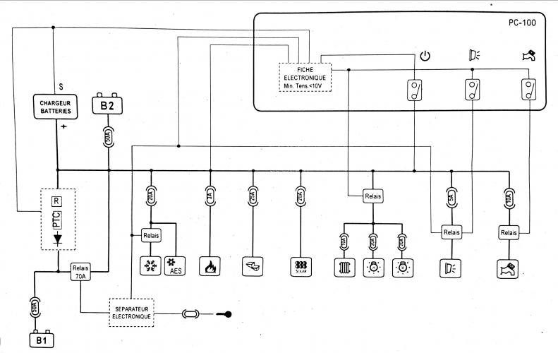
Non puoi saperlo senza avere uno schema in mano. Nel mio caso frigo non ha una linea diretta, prende corrente dalla centralina, se ha il parallelatore in azione viene alimentato dall'alternatore, con il parallelatore aperto ma in presenza di D+ sarebbe alimentato dalla BM.
In risposta al messaggio di salvopri del 24/01/2021 alle 18:19:09Le prove le ho fatte, mi manca solo che arrivi il relé a solenoide per capire se ci vuole un temporizzatore oppure no. Fatto questo tirerò il cavo e prenderò il DC/DC che userò con le AgM per ora. Quando sarà il momento giusto prenderò una litio da 200ah.
Capisco,comunque quando farai il tuo impianto facci sapere
In risposta al messaggio di CamperIdea del 18/11/2021 alle 15:38:52io ho preso il non isolato da 30A e va bene, o meglio benino poiche' scalda tantissimo ed e' molto difficile tenerlo ad una temperatura che gli consenta di operare al 100%. ho fatto cambiare i cavi dalla BM e ho installato una ventolina che estrae subito sopra e la situazione e' migliorata parecchio ma con molto caldo riduce l'output lo stesso. Con il frigo acceso se mi va bene carico 14 ampere, se fa molto caldo anche 0.
Riprendo questa discussione perché anche io ho un CBE DS300 e l'argomento mi interessa per il passaggio alle Litio. Mi sono letto tutto il 3D ed ho alcune domande da fare: per il DC-DC della Victron è meglio usare l'Isolatedo il Non Isolated? Altra questione: ho visto correttamente la considerazione sui carichi come il frigo che andrebbero a decrementare la quota di ricarica delle battirei. Aldilà del costo, perché non mettere due DC-DC della Victron in Parallelo? Grazie a chi vorrà rispondere...
In risposta al messaggio di travaler del 18/11/2021 alle 16:18:16Grazie mille per la risposta, posso chiederti perché isolato e non isolato visto che le masse sono condivise praticamente in tutto lo schema elettrico?
io ho preso il non isolato da 30A e va bene, o meglio benino poiche' scalda tantissimo ed e' molto difficile tenerlo ad una temperatura che gli consenta di operare al 100%. ho fatto cambiare i cavi dalla BM e ho installatouna ventolina che estrae subito sopra e la situazione e' migliorata parecchio ma con molto caldo riduce l'output lo stesso. Con il frigo acceso se mi va bene carico 14 ampere, se fa molto caldo anche 0. Stavo pensando di metterne un secondo in parallelo ma nel vano tecnico (sottopanca) non entra, quindi dovrei fare un lavoro un po' piu' impegnativo e spostarli sotto il sedile passeggero, dove potrei anche sfruttare la base metallica del sedile come dissipatore passivo. Non escludo di farlo in futuro.
In risposta al messaggio di CamperIdea del 18/11/2021 alle 16:19:53Esatto
Grazie mille per la risposta, posso chiederti perché isolato e non isolato visto che le masse sono condivise praticamente in tutto lo schema elettrico?
In risposta al messaggio di travaler del 18/11/2021 alle 17:17:22Perdonami, ho letto male... lascia stare. Hai preso il NON ISOLATO, torna tutto.
Esatto

In risposta al messaggio di Semi del 09/03/2021 alle 17:39:25Posso chiederti che tipo di relè hai usato? Avresti un link? Grazie in anticipo
Booster arrivato e montato con il relè che stacca la BS dalla centralina in presenza di D+, sembra funzionare tutto bene.
In risposta al messaggio di salvopri del 24/01/2021 alle 17:47:38La mia centralina è uguale alla tua, la 470. Ti confermo che il frigo preleva la corrente dalla batteria servizi. Io ho appena montato il dc dc da 30 A e per mandare tutta la corrente alla batteria servizi ho collegato l'alimentazione direttamente alla batteria motore. In questo modo i 30 A vanno tutti o quasi a caricare la batteria servizi. Naturalmente ho tolto anche il parallelatore.
La mia centralina è la CBE DS 470-CE , e comunque penso che il frigo rimanga sempre alimentato dalla BM, naturalmente con motore in moto e così facendo il victron alimenta la BS.
In risposta al messaggio di kreos 3003 del 09/04/2022 alle 15:34:22Ciao, ho anche io il 470. Hai tagliato l'R37? Se sì, dove l'hai trovato?
La mia centralina è uguale alla tua, la 470. Ti confermo che il frigo preleva la corrente dalla batteria servizi. Io ho appena montato il dc dc da 30 A e per mandare tutta la corrente alla batteria servizi ho collegato l'alimentazionedirettamente alla batteria motore. In questo modo i 30 A vanno tutti o quasi a caricare la batteria servizi. Naturalmente ho tolto anche il parallelatore.
In risposta al messaggio di drtrimble del 29/05/2023 alle 17:42:30La NDS mi ha detto che usando il PSB DC-DC converter e usando la sua uscita aux collegata al vecchio cavo che arrivava alla batteria servizi non serve staccare il relé parallellatore
Ciao, ho anche io il 470. Hai tagliato l'R37? Se sì, dove l'hai trovato?
In risposta al messaggio di gsf400 del 30/07/2023 alle 08:58:38Corretto. Devi mettere tutti i cavi becchi su AUX.
La NDS mi ha detto che usando il PSB DC-DC converter e usando la sua uscita aux collegata al vecchio cavo che arrivava alla batteria servizi non serve staccare il relé parallellatore