
.png)
.jpeg)
.jpg)
In risposta al messaggio di Adele62 del 28/12/2025 alle 13:28:57Ciao, puoi tranquillamente lasciar ricaricare la batteria dal caricabatterie LAS da 18A interno alla EBL, devi solo spostare in basso il selettore su Lead-Acid.
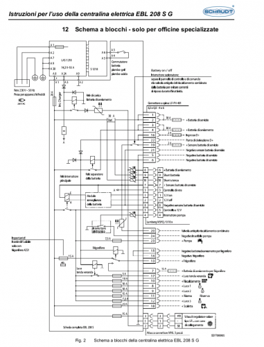
Ho un problema: la centralina EBL208 Shaudt non può ricaricare le batterie al Litio in maniera ottimale. Per quanto riguarda la carica solare non c'è problema, nel senso che collego il regolatore di carica direttamentealla batteria. Il problema rimane con la carica dall'alternatore, vorrei far gestire la carica dal booster WA121525 che potrei collegare direttamente alla BS, ma non capisco come collegare poi la BM alla centralina in maniera che, con il motore acceso, l'alternatore possa alimentare il frigo e le altre utenze. Infine, vorrei un aiuto su come eventualmente ricaricare la BS senza utilizzare la centralina Shaudt EBL208. Allego le foto dei componenti, lo schema della EBL e le caratteristiche della BS. Ringrazio chiunque ha da dire qualcosa. Boh
In risposta al messaggio di Szopen del 29/12/2025 alle 17:58:25Grazie molte per la tua risposta mi avevano detto che
Ciao, puoi tranquillamente lasciar ricaricare la batteria dal caricabatterie LAS da 18A interno alla EBL, devi solo spostare in basso il selettore su Lead-Acid. Per quanto riguarda il booster WA121525 segui lo schema sottoper collegarlo correttamente alla EBL e sarai a posto. Per l'attivazione del booster, il D+ puoi prelevarlo direttamente sulla EBL al PIN 22 come vedi nella foto in basso cui ho cerchiato in giallo. Buon anno, Ciro.
In risposta al messaggio di Adele62 del 30/12/2025 alle 01:07:23Ti hanno detto, magari qualcuno che vende caricabatterie.
Grazie molte per la tua risposta mi avevano detto che il carica batteria dell'EBL danneggia la batteria al litio. Da qui derivano le mie preoccupazioni.
In risposta al messaggio di Szopen del 30/12/2025 alle 12:45:00Grazie e buon 2026
Ti hanno detto, magari qualcuno che vende caricabatterie. Difficile che con una tensione massima di 14,3V la batteria al litio possa danneggiarsi, certo, potrebbe non raggiungere una carica completa ma poco importa, a quellodi penseranno il sole ed il motore, l'inverno dura al massimo 3 mesi, in questo periodo se la batteria riesce ad accumulare anche solo l'80% della sua capacità non ha motivo di danneggiarsi. Ciro.