CamperOnLine
  • Camper
    • Camper usati
    • Camper nuovi
    • Produttori
    • Listino
    • Cataloghi
    • Concessionari e rete vendita
    • Noleggio
    • Van
    • Caravan
    • Fiere
    • Rimessaggi
    • Le prove di CamperOnLine
    • Provati da voi
    • Primo acquisto
    • Area professionisti
  • Accessori
    • Accessori e Prodotti
    • Camping Sport Magenta accessori
    • Produttori
    • Antenne TV
    • Ammortizzatori
    • GPS
    • Pneumatici
    • Rimorchi
    • Provati da Voi
    • Fai da te
  • Viaggi
    • Diari di viaggi in camper
    • Eventi
    • Foto
    • Check list
    • Traghetti
    • Trasporti
  • Sosta
    • Cerca Strutture
    • Sosta
    • Aree sosta camper
    • Campeggi
    • Agriturismi con sosta camper
    • App Camperonline App
    • 10 Consigli utili per la sosta
    • Area strutture
  • Forum
    • Tutti i Forum
    • Sosta
    • Gruppi
    • Compagni
    • Italia
    • Estero
    • Marchi
    • Meccanica
    • Cellula
    • Accessori
    • Eventi
    • Leggi
    • Comportamenti
    • Disabili
    • In camper per
    • Altro Camper
    • Altro
    • Extra
    • FAQ
    • Regolamento
    • Attivi
    • Preferiti
    • Cerca
  • Community
    • COL
    • CamperOnFest
    • Convenzioni Convenzioni
    • Amici
    • Furti
    • Informativa Privacy
    • Lavoro
  • COL
    • News
    • Newsletter
    • Pubblicità
    • Contatto
    • Ora
    • RSS RSS
    • Video
    • Facebook
    • Instagram
  • Magazine
  • Italiano
    • Bienvenue
    • Welcome
    • Willkommen
  • Accedi
CamperOnLine
Camping Sport Magenta
  1. Forum
  2. Tecnica
  3. Cellula abitativa
Galleria

Far convivere DC-DC con centralina mezzo

Rispondi
Cerca
SostaGruppiCompagniItaliaEsteroMarchiMeccanicaCellulaAccessoriEventiLeggiComportamentiDisabiliIn camper perAltro CamperAltroExtra Attivi
14 20 364
Frank Blue
Frank Blue
15/04/2023 1731
Rispondi Abuso
Inserito il 11/11/2023 alle: 16:34:45
In risposta al messaggio di Andrea Mac del 08/11/2023 alle 22:29:12

Si,purtroppo ho l'alternatore Smart.  In realtà basterebbe tagliare un cavetto verde nel cofano per renderlo non-smart (modifica super diffusa all'estero), ma sto valutando l'installazione di un DC-DC per fare le cose per bene.  Solo che ho ancora tanti dubbi su come fare :(
Ciao, se hai un alt smart col dcdc ti infili in un ginepraio, a seconda del dcdc. Il mio (renogy) per riuscire ad attivarsi con smart resta attivo fino a 11.5V, quindi ti scarica la batteria se l'alternatore non regge. Il mio ad esempio coi 50A che il dcdc si prende, fari AC e autoradio scende a 12.3 V, ovvero sta scaricando la bm. Un viaggio di 1h fa si che mi trovo con la bm in difficoltà. Nei viaggi piu lunghi si riprende perchè la litio è carica e il dcdc non si beve 50A, quindi l'alternatore ricarica la bm. NB non ho un alternatore smart ho solo testato il comportamento del dcdc in questione. E' intrinseco nel lavorare con un alternatore smart andare sotto certe tensioni, se il dcdc assorbe piu di quanto l'alternatore possa dare senza scendere sotto i 12.7V (tensione sicura per la bm).
Sostanzialmente bisogna fare il test e prendere un dcdc piccolino.
Se invece tagli e dici al dcdc che non è smart il dcdc autoproteggge la bm (il mio non la fa mai scendere sotto a 13.1V parzializzando l'assorbimento..quindi si adatta a quanti carichi ha l'alternatore (fari etc). Il dcdc diventa piu smart se l'alternatore non è smart.
10
rubylove
rubylove
rating

09/06/2015 5677
Rispondi Abuso
Inserito il 12/11/2023 alle: 08:10:58
In risposta al messaggio di Frank Blue del 11/11/2023 alle 16:34:45

Ciao, se hai un alt smart col dcdc ti infili in un ginepraio, a seconda del dcdc. Il mio (renogy) per riuscire ad attivarsi con smart resta attivo fino a 11.5V, quindi ti scarica la batteria se l'alternatore non regge. Il
mio ad esempio coi 50A che il dcdc si prende, fari AC e autoradio scende a 12.3 V, ovvero sta scaricando la bm. Un viaggio di 1h fa si che mi trovo con la bm in difficoltà. Nei viaggi piu lunghi si riprende perchè la litio è carica e il dcdc non si beve 50A, quindi l'alternatore ricarica la bm. NB non ho un alternatore smart ho solo testato il comportamento del dcdc in questione. E' intrinseco nel lavorare con un alternatore smart andare sotto certe tensioni, se il dcdc assorbe piu di quanto l'alternatore possa dare senza scendere sotto i 12.7V (tensione sicura per la bm). Sostanzialmente bisogna fare il test e prendere un dcdc piccolino. Se invece tagli e dici al dcdc che non è smart il dcdc autoproteggge la bm (il mio non la fa mai scendere sotto a 13.1V parzializzando l'assorbimento..quindi si adatta a quanti carichi ha l'alternatore (fari etc). Il dcdc diventa piu smart se l'alternatore non è smart.
...
I convertitori in un impianto serio si attivano attraverso il segnale D+ dell'alternatore e non con i sistemi di rilevamento automatico
il D+ si attiva quando il motore è in moto e non ha incertezze,  la maggior parte dei convertitori hanno l'ingresso di abilitazione (remote) oltre alla possibilità di leggere in automatico ma se questo fallisce si usa il D+
Ad esempio tutti gli Orion di Victron hanno 2 ingressi "remote" uno con trigger + che attiva con segnale alto (+12) uno con trigger - che si attiva con segnale basso (massa) e c'è anche la possibilità di collegare un interruttore tra trigger + e trigger - per un'attivazione indipendente
Inoltre, "ANCHE" l'attivazione automatica in base alla tensione, questa però in certi casi funziona in altri no

Scegliere un dispositivo con controllo remoto è sempre la scelta migliore

Il tuo Renogy o è difettoso o è sbagliato 
Lo avevo gia scritto, se un dc/dc rimane attivo a motore spento e dall'altra parte c'è una batteria dei servizi scarica, uccide quella motore in pochi minuti
 
l'analogico non è il vecchio e il digitale il nuovo, no, non è così! Il digitale è solo un modo per rappresentare l'analogico, la natura, è analogica

Modificato da rubylove il 12/11/2023 alle 08:34:41
10
rubylove
rubylove
rating

09/06/2015 5677
Rispondi Abuso
Inserito il 12/11/2023 alle: 12:56:35
Se in un viaggio di un'ora la batteria motore va in difficolta significa che l'alternatore non ce la fa e se non ce la fa vuol dire che è sottodimensionato o è guasto o ci sono carichi eccessivi,  se è sottodimensionato vuol dire che non è stato considerato che forse il caricabatterie DC/DC ha una corrente troppo alta per quell'alternatore 
Nei DC/DC spesso è possibile impostare la corrente massima di uscita ad un valore desiderato per non sovraccaricare l'alternatore e in certi casi anche la batteria da caricare

 
l'analogico non è il vecchio e il digitale il nuovo, no, non è così! Il digitale è solo un modo per rappresentare l'analogico, la natura, è analogica
9
bimox
bimox
12/12/2016 325
Rispondi Abuso
Inserito il 15/11/2023 alle: 13:55:29
Qualcuno dei piu' esperti ha capito esattamente come le centraline di Nordelettronica (io ho la NE133, ma immagino che bene o male la cosa possa essere uguale anche sulle altre) mantengono in carica la BM quando e' collegata al caricabatterie da rete?
Rele'-diodo-resistenza?
Qualcuno ha uno schema elettrico di questa porzione di circuito?
Sto pensando ad una modifica...
Natale 2025 in centro Italia
Natale 2025 in centro Italia
Asturia, Cantabria e Paesi Baschi in cam
Asturia, Cantabria e Paesi Baschi in cam
Sala Silvergruva, la miniera d'argento
Sala Silvergruva, la miniera d'argento
Folgaria d’inverno in camper
Folgaria d’inverno in camper
Francia 2025
Francia 2025
Previous Next
9
bimox
bimox
12/12/2016 325
Rispondi Abuso
Inserito il 16/11/2023 alle: 23:57:39
In risposta al messaggio di bimox del 15/11/2023 alle 13:55:29

Qualcuno dei piu' esperti ha capito esattamente come le centraline di Nordelettronica (io ho la NE133, ma immagino che bene o male la cosa possa essere uguale anche sulle altre) mantengono in carica la BM quando e' collegata
al caricabatterie da rete? Rele'-diodo-resistenza? Qualcuno ha uno schema elettrico di questa porzione di circuito? Sto pensando ad una modifica...
...
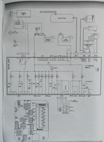
Ho smontato la centralina ed ho visto che il circuito di mantenimento della NE133 e' fatto da rele' + diodo P600K + PTC C945. Il rele' viene pilotato con la presenza del segnale "presenza rete".
15
180570
180570
31/05/2010 6
Rispondi Abuso
Inserito il 30/11/2023 alle: 21:26:00
Buongiorno a tutti ragazzi chiedo un aiuto, dovrei montare un Dc-Dc (probabilmente Victron) sul mio T-Loft 581, voi sapete dirmi che modifica bisogna fare alla centralina Cbe Rb-450SE? Bisogna eliminare il parallelo? Se si sapete quello che c'è da fare?
Grazie di cuore a tutti.
Mauro
14
ellemare49
ellemare49
19/06/2011 367
Rispondi Abuso
Inserito il 14/12/2023 alle: 14:23:10
Ciao a tutti
Porto la mia esperienza, ho acquistato un camper McLouis nuovo un mese fa ed è presenta la centralina CBE, il DC-DC da 25A sempre CBE ed il carica batteria per le litio, anche lui CBE, ho montato una batteria da 200ah al litio e non è stato modificato nulla nell'impianto, funziona tutto perfettamente, forse anche per il fatto che 25A di carica non sono molti, ma a me va bene cosi, spostandomi di frequente la batteria si ricarica bene, in un giorno intero con la Truma diesel funzionante consumo il 10% della carica della batteria.
Per ora dopo tre uscite sono molto contento.
14
gduca
gduca
29/11/2011 2093
Rispondi Abuso
Inserito il 14/12/2023 alle: 14:29:07
In risposta al messaggio di ellemare49 del 14/12/2023 alle 14:23:10

Ciao a tutti Porto la mia esperienza, ho acquistato un camper McLouis nuovo un mese fa ed è presenta la centralina CBE, il DC-DC da 25A sempre CBE ed il carica batteria per le litio, anche lui CBE, ho montato una batteria
da 200ah al litio e non è stato modificato nulla nell'impianto, funziona tutto perfettamente, forse anche per il fatto che 25A di carica non sono molti, ma a me va bene cosi, spostandomi di frequente la batteria si ricarica bene, in un giorno intero con la Truma diesel funzionante consumo il 10% della carica della batteria. Per ora dopo tre uscite sono molto contento.
...
La risposta è semplice. Avendo una camper di nuova immatricolazione, con alternatore Smart, ti hanno dovuto mettere all'origine il DC-DC e quindi la logica del relè parallelatore è già stata aggirata dal costruttore.  Sicuramente il DC-DC sarà di piccolo taglio, così come i cavi dimensionati alla corrente che vi passa, il tutto rapportato per l'utilizzo di batterie al piombo o AGM.   Finchè ti accontenti i 25A sono più che decorosi.
Fabrizio
14
ellemare49
ellemare49
19/06/2011 367
Rispondi Abuso
Inserito il 14/12/2023 alle: 17:20:10
Se aumento solo i cavi (non ho voglia di spendere alri soldi per cambiar il DC-DC da 25A), ho un rendimento leggermente maggiore?
14
gduca
gduca
29/11/2011 2093
Rispondi Abuso
Inserito il 15/12/2023 alle: 18:46:24
In risposta al messaggio di ellemare49 del 14/12/2023 alle 17:20:10

Se aumento solo i cavi (non ho voglia di spendere alri soldi per cambiar il DC-DC da 25A), ho un rendimento leggermente maggiore?
Quando ti ho risposto intendevo dire che i cavi sono dimensionati alla corrente che può erogare il DC-DC ed alla batteria che è a valle.  Normalmente una batteria al piombo (in ragione della propria resistenza interna) carica sui 20A ed è per questo che anche i caricabatterie 220 hanno più o meno questa capacità.  Gli allestitori di camper cercano di risparmiare e poichè sono costretti ad aggiungere un DC-DC per via degli alternatori Smart, lo scelgono, ovviamente, del taglio più piccolo (anch'esso sui 20A circa).    

Detto questo, una batteria al Litio ti permette (tra gli altri vantaggi) di essere ricaricata molto velocemente, ma per questo necessita di cavi adeguatamente maggiorati e di un DC-DC più potente  (senza esagerare per salvaguardare batteria a alternatore). 

Venendo al tuo caso, se ti accontenti, la ricarica con un taglio di 20A è più che sufficiente se caricherai la Litio nei lunghi viaggi.  Quando però ti troverai in pieno inverno, con batteria quasi scarica, non potrai ricaricarla di quei 30/40A necessari per passare la notte tenendo il motore acceso solo per 15/20 minuti.  Se cambi il DC-DC devi cambiare anche i cavi, se non lo cambi, non serve a nulla mettere cavi di sezione maggiore (tranne per il fatto gli allestitori risparmiano anche su quello ed alle volte sono anche sottodimensionati in origine). Tutto qui! 
Fabrizio

Modificato da gduca il 15/12/2023 alle 18:49:49
14
ellemare49
ellemare49
19/06/2011 367
Rispondi Abuso
Inserito il 16/12/2023 alle: 09:21:24
Grazie della risposta.
Sicuramente cambiando i cavi non è che aumenti la carica della batteria, pensavo quel qualcosina in più, visto che solitamente i cavi sono al limite.

Per ora mi accontento
 
Baloo2021
Baloo2021
07/11/2021 1
Rispondi Abuso
Inserito il 26/02/2024 alle: 15:25:43
In risposta al messaggio di latrofa124 del 17/07/2020 alle 13:04:40

Il mio non caricava più la batteria dei servizi, apparentemente sembrava tutto a posto, in garanzia è stato mandato in assistenza Schaudt, con il Covid-19 di mezzo, è rientrato dopo 6 mesi.  Hai il manuale in italiano? Nel caso te lo giro, me lo inviò Tommaso.  Roberto 
ciao a tutti, sto cercando il manuale in italiano del booster WA 121545 della SCHAUDT installato sul mio camper HYMER exsis T580. Il booster mi è stato sostituito l’anno scorso per problemi con la ricarica delle batterie dei servizi ma quello “nuovo” mi sta dando il medesimo problema. Volevo vedere se sul manuale danno qualche indicazione sul da fare in caso di mancata ricarica delle batterie dei servizi. Renzo
Renzo
6
Szopen
Szopen
rating

06/09/2019 6019
Rispondi Abuso
Inserito il 27/02/2024 alle: 14:53:44
In risposta al messaggio di Baloo2021 del 26/02/2024 alle 15:25:43

ciao a tutti, sto cercando il manuale in italiano del booster WA 121545 della SCHAUDT installato sul mio camper HYMER exsis T580. Il booster mi è stato sostituito l’anno scorso per problemi con la ricarica delle batterie
dei servizi ma quello “nuovo” mi sta dando il medesimo problema. Volevo vedere se sul manuale danno qualche indicazione sul da fare in caso di mancata ricarica delle batterie dei servizi. Renzo
...
Sarebbe utile che spiegassi il problema riscontrato, magari i 2 booster erano/sono entrambi buoni.

Ciro. 
nomade analogico e fanciulla all'imbrunire. Non ho nulla da vendere nè consigli da dare, solo qualche piccolo suggerimento da prendere con le pinze, possibilmente, amperometriche. Buoni Km a tutti e......... rammentate sempre che....... TESTAR NON NUOCE!
19
Kata1
Kata1
14/05/2006 179
Rispondi Abuso
Inserito il 28/02/2024 alle: 10:24:12
Buongiorno,
mi sono letto tutte i post. Siete veramente una fonte di informazione preziosa.
Ho cambiato camper da poco e stavo pensando alla batteria al litio
L'elettronica di bordo è della Nordelettronica con centralina/derivatore NE196_16RA senza ponticello ad esclusione parallelatore interno.
Volevo chiedere se questo circuito (scusate lo schemino orribile)
draft%20dc-dc%20scheme%20NE196_16RA.jpg
è stato valutato e se potrebbe funzionare senza altri interventi.
Oltre al deviatore "di Fabrizio" soluzione A, ho aggiunto un diodo.

Grazie

Gianni
6
Szopen
Szopen
rating

06/09/2019 6019
Rispondi Abuso
Inserito il 28/02/2024 alle: 11:35:51
In risposta al messaggio di Kata1 del 28/02/2024 alle 10:24:12

Buongiorno, mi sono letto tutte i post. Siete veramente una fonte di informazione preziosa. Ho cambiato camper da poco e stavo pensando alla batteria al litio L'elettronica di bordo è della Nordelettronica con centralina/derivatore
NE196_16RA senza ponticello ad esclusione parallelatore interno. Volevo chiedere se questo circuito (scusate lo schemino orribile) è stato valutato e se potrebbe funzionare senza altri interventi. Oltre al deviatore di Fabrizio soluzione A, ho aggiunto un diodo. Grazie Gianni
...
Intanto il cavo che va dal polo IN del dc-dc va collegato al polo IN della centralina e non su quello Out.

Questo collegamento dev'essere diretto con la Batteria Motore/Alternatore, ovviamente, protetto da adeguato fusibile.

In luogo del diodo potresti optare per un Victron Smart Battery Protect da 65A, difficilmente sarà richiesta una corrente maggiore dalla centralina alla BS. 

Ciro. 
nomade analogico e fanciulla all'imbrunire. Non ho nulla da vendere nè consigli da dare, solo qualche piccolo suggerimento da prendere con le pinze, possibilmente, amperometriche. Buoni Km a tutti e......... rammentate sempre che....... TESTAR NON NUOCE!

Modificato da Szopen il 28/02/2024 alle 11:42:07
9
bimox
bimox
12/12/2016 325
Rispondi Abuso
Inserito il 28/02/2024 alle: 11:45:04
In risposta al messaggio di Kata1 del 28/02/2024 alle 10:24:12

Buongiorno, mi sono letto tutte i post. Siete veramente una fonte di informazione preziosa. Ho cambiato camper da poco e stavo pensando alla batteria al litio L'elettronica di bordo è della Nordelettronica con centralina/derivatore
NE196_16RA senza ponticello ad esclusione parallelatore interno. Volevo chiedere se questo circuito (scusate lo schemino orribile) è stato valutato e se potrebbe funzionare senza altri interventi. Oltre al deviatore di Fabrizio soluzione A, ho aggiunto un diodo. Grazie Gianni
...
Hai escluso definitivamente un intervento di modifica della centralina per inibire l'intervento del rele' parallelatore?
A mio avviso sarebbe la soluzione piu' semplice e anche ripristinabile un domani volessi tornare indietro.

Fortunatamente la mia NE133 aveva il rele' esterno...
19
Kata1
Kata1
14/05/2006 179
Rispondi Abuso
Inserito il 29/02/2024 alle: 07:42:15
In risposta al messaggio di Szopen del 28/02/2024 alle 11:35:51

Intanto il cavo che va dal polo IN del dc-dc va collegato al polo IN della centralina e non su quello Out. Questo collegamento dev'essere diretto con la Batteria Motore/Alternatore, ovviamente, protetto da adeguato fusibile.
In luogo del diodo potresti optare per un Victron Smart Battery Protect da 65A, difficilmente sarà richiesta una corrente maggiore dalla centralina alla BS.  Ciro. 
...
Ciao Ciro,
grazie del consiglio.
Non ho inserto i fusibili in schema ma ci vanno di sicuro.
Pensavo di pilotare il DC-DC dal morsetto BS della centralina per risparmiare un relè. Di sicuro pensavo un dispositivo che eroghi max 20A per non mettere in difficoltà la centralina stessa.
Mi resta comunque il dubbio sulla sequenza temporale degli azionamenti di relè parallelatore interno e deviatore aggiunto pilotato da D+.
Da quanto aveva scritto Fabrizio Gduca, il D+ creato dalla centralina era in leggero ritardo rispetto al parallelatore e questo permetterebbe al circuito che ho postato di funzionare.

Grazie ancora

Gianni
6
Szopen
Szopen
rating

06/09/2019 6019
Rispondi Abuso
Inserito il 29/02/2024 alle: 12:23:21
In risposta al messaggio di Kata1 del 29/02/2024 alle 07:42:15

Ciao Ciro, grazie del consiglio. Non ho inserto i fusibili in schema ma ci vanno di sicuro. Pensavo di pilotare il DC-DC dal morsetto BS della centralina per risparmiare un relè. Di sicuro pensavo un dispositivo che eroghi
max 20A per non mettere in difficoltà la centralina stessa. Mi resta comunque il dubbio sulla sequenza temporale degli azionamenti di relè parallelatore interno e deviatore aggiunto pilotato da D+. Da quanto aveva scritto Fabrizio Gduca, il D+ creato dalla centralina era in leggero ritardo rispetto al parallelatore e questo permetterebbe al circuito che ho postato di funzionare. Grazie ancora Gianni
...
Non va bene, in quel modo non piloti nulla, sul morsetto BS arriverà sempre tensione dalla BS appunto ed il dc-dc rimarrebbe sempre attivo con conseguente "parallelamento eterno tra BM e BS".

Sulla centralina arriverà di sicuro un D+, intercettalo ed utilizzarlo per pilotare/attivare il dc-dc.

Sullo schema della centralina, è sicuramente indicato dove arriva il D+, peraltro serve anche ad attivare il relè per il funzionamento di un frigo trivalente a 12v in viaggio. 

Ciro. 
nomade analogico e fanciulla all'imbrunire. Non ho nulla da vendere nè consigli da dare, solo qualche piccolo suggerimento da prendere con le pinze, possibilmente, amperometriche. Buoni Km a tutti e......... rammentate sempre che....... TESTAR NON NUOCE!
19
Kata1
Kata1
14/05/2006 179
Rispondi Abuso
Inserito il 29/02/2024 alle: 14:07:56
In risposta al messaggio di Szopen del 29/02/2024 alle 12:23:21

Non va bene, in quel modo non piloti nulla, sul morsetto BS arriverà sempre tensione dalla BS appunto ed il dc-dc rimarrebbe sempre attivo con conseguente parallelamento eterno tra BM e BS. Sulla centralina arriverà di
sicuro un D+, intercettalo ed utilizzarlo per pilotare/attivare il dc-dc. Sullo schema della centralina, è sicuramente indicato dove arriva il D+, peraltro serve anche ad attivare il relè per il funzionamento di un frigo trivalente a 12v in viaggio.  Ciro. 
...
Ciao Ciro e grazie della pazienza.
Sei davvero sicuro?
Se rivedi lo schema che ho postato precedentemente, nella centralina NE196_16RA c'è un parallelatore che funziona con tutte le sue logiche e io ho posto ipoteticamente un deviatore all'uscita del morsetto BS.
A questo punto quando la centralina decide che BM e BS possono essere collegate abbiamo due scenari:
1. l'alternatore non è attivo e il deviatore (contatto normalmente chiuso) tiene collegata la BS (tenendo scollegato il morsetto IN del DC-DC) alla centralina come nel caso di impianto originale
2. l'alternatore è attivo (D+ su +12V) e il deviatore attiva il DC-DC e carica BS tenendola comunque scollegata dalla centralina dove il parallelatore dovrebbe essere chiuso e quindi la BM (e l'alternatore) alimenta tutti i carichi della centralina.
Allego circuito della NE196
5(44).jpg
Il diodo evita il flusso di corrente tra BM/Alternatore e BS in caso il parallelatore della centralina si chiudesse prima dell'apertura del contatto normalmente chiuso del deviatore (che per me dovrebbe essere una condizione sempre vera per il buon funzionamento del circuito).
A proposito di tempi e condizioni, il rischio che vedo è una eventuale commutazione del deviatore prima dell'azionamento del parallelatore interno della centrali quando l'alternatore parte a generare. In questo caso la centralina potrebbe non funzionare adeguatamente perché una parte della stessa non sarebbe alimentata dalla BS (la parte che si vede nello schema qui sopra a sinistra del parallelatore e per un limitato periodo di tempo).
So che Fabrizio (Gduca) si è scontrato con queste logiche...magari potrebbe dire la sua.

Grazie ancora

Ciao

Gianni
 
19
GialloRosso1961
GialloRosso1961
12/09/2006 521
Rispondi Abuso
Inserito il 29/02/2024 alle: 14:22:40
In risposta al messaggio di Kata1 del 29/02/2024 alle 14:07:56

Ciao Ciro e grazie della pazienza. Sei davvero sicuro? Se rivedi lo schema che ho postato precedentemente, nella centralina NE196_16RA c'è un parallelatore che funziona con tutte le sue logiche e io ho posto ipoteticamente
un deviatore all'uscita del morsetto BS. A questo punto quando la centralina decide che BM e BS possono essere collegate abbiamo due scenari: 1. l'alternatore non è attivo e il deviatore (contatto normalmente chiuso) tiene collegata la BS (tenendo scollegato il morsetto IN del DC-DC) alla centralina come nel caso di impianto originale 2. l'alternatore è attivo (D+ su +12V) e il deviatore attiva il DC-DC e carica BS tenendola comunque scollegata dalla centralina dove il parallelatore dovrebbe essere chiuso e quindi la BM (e l'alternatore) alimenta tutti i carichi della centralina. Allego circuito della NE196 Il diodo evita il flusso di corrente tra BM/Alternatore e BS in caso il parallelatore della centralina si chiudesse prima dell'apertura del contatto normalmente chiuso del deviatore (che per me dovrebbe essere una condizione sempre vera per il buon funzionamento del circuito). A proposito di tempi e condizioni, il rischio che vedo è una eventuale commutazione del deviatore prima dell'azionamento del parallelatore interno della centrali quando l'alternatore parte a generare. In questo caso la centralina potrebbe non funzionare adeguatamente perché una parte della stessa non sarebbe alimentata dalla BS (la parte che si vede nello schema qui sopra a sinistra del parallelatore e per un limitato periodo di tempo). So che Fabrizio (Gduca) si è scontrato con queste logiche...magari potrebbe dire la sua. Grazie ancora Ciao Gianni  
...
Io ho fatto qualcosa di simile ma più semplice. Relè NC sull BS comandato da D+. Quando il parallelatore chiude la BS si stacca dalla centralina e la BM alimenta i servizi. Ovviamente DCDC diretto da BS A BM (ed ovviamente con le protezioni). Vantaggi: I 40 A del renogy vanno tutti in ricarica  invece frigo e servizi quando in moto così vengono alimentati dalla BM. Controindicazioni: nel passaggio mi si resetta autoradio (alimentata da BS) ed allo spegnimento (BS collegata di nuovo) mi si accendono le luci cellula  comandate da relè. Cambio tutto mettendo il relè NC tra Bm e centralina che stacca quando comandato da D+. Più semplice

Modificato da GialloRosso1961 il 29/02/2024 alle 14:24:17
SostaGruppiCompagniItaliaEsteroMarchiMeccanicaCellulaAccessoriEventiLeggiComportamentiDisabiliIn camper perAltro CamperAltroExtra Attivi
Argomenti recenti dal forum
Altro sui camper
Tessera Viacard
Salve ragazzi, volevo chiedere a chi fa poco uso di autostrade, che sistema usa per il pag...
michele16
Ieri alle: 22:45
Cellula abitativa
Sportello gas infiltrato compromette altro?
Buongiorno. Ho lo sportello gas infiltrato nella parte bassa Lo farò ricostruire. Ma chie...
Omar1983
Ieri alle: 22:35
Accessori
Dubbio su collegamento Pannelli su impianto camper
Buonasera a tutti. Ho un Camper Sharky N12 del 2007, al momento non ho il pannello solare ...
pbarca80
Ieri alle: 22:06
Accessori
Dopo due anni di lifepo4
Dopo due anni ho deciso di controllare lo stato delle celle della batteria lifepo4 da 200 ...
rubylove
Ieri alle: 21:54
Cellula abitativa
Linea luci/12V che parte in ritardo e salta
Ciao a tutti, ho da poco acquistato il mio primo camper, un Mobilvetta Kea del 2013. Sono ...
Eggman
Ieri alle: 21:20
Aree di sosta e campeggi
Sillano Pradarena
Buonasera camperisti qualcuno mi sa indicare una sosta libera vicino all oasi lamastrone- ...
Viaggconalberto
Ieri alle: 17:30
Aree di sosta e campeggi
Camping o area sosta in Emilia Romagna
Ciao mi consigliate un camping o area di sosta sul mare in Emilia Romagna? Siamo due adult...
Depij
Ieri alle: 17:17
Accessori
Garmin BaseCamp: meglio traccia o percorso?
Buongiorno ai Colleghi Camperisti. Sto iniziando a usare Garmin BaseCamp per pianificare i...
robysun1
Ieri alle: 11:24
Compagni di viaggio
Francia, Spagna e Portogallo. Compagnia cercasi.
Salve a tutti, sono Enzo, dopo le festività Pasquali vorrei organizzare un viaggio tra Fra...
Estro4
24/03/26 - 23:18
Accessori
Sostituire miscelatore lavandino bagno.
Buonasera a tutti, devo sostituire il miscelatore monocomando del lavandino del mio Burstn...
leo466
24/03/26 - 21:46
Cellula abitativa
Alimentatore Rimor NG 4 dove sei ?
Buongiorno a tutti, scrivo per conto di un amico camperista. Pochi giorni fa ho controllat...
Franco666
24/03/26 - 19:34
Viaggi in Italia
Consigli Cantina Friuli + Trieste?
Ciao, vorrei affrontare coi miei amici un weekend dove fare un giro cantine in Veneto/friu...
Mandrake90
24/03/26 - 18:32
167k Facebook
343k Instagram
42,6k TikTok
73,3k Youtube
CamperOnLine - Copyright © 1998-2026 - P.Iva 06953990014
Informativa privacy
Loading...

Accedi

Recupera Password
Nuovo utente

Vuoi eliminare il messaggio?

Sottoscrizione

Anteprima

PREFERENZA

Il messaggio è in fase di inserimento.

loading

CamperOnLine

Buongiorno gentile utente,

da oltre 20 anni Camperonline offre gratuitamente tutti i suoi servizi
grazie agli inserzionisti che ci hanno dato la loro fiducia, permettici di continuare il nostro lavoro disattivando il blocco delle pubblicità.

Grazie della collaborazione.

Azione eseguita con successo

Azione Fallita

Condividi

Condividi questa pagina con:

O copia il link