CamperOnLine
  • Camper
    • Camper usati
    • Camper nuovi
    • Produttori
    • Listino
    • Cataloghi
    • Concessionari e rete vendita
    • Noleggio
    • Van
    • Caravan
    • Fiere
    • Rimessaggi
    • Le prove di CamperOnLine
    • Provati da voi
    • Primo acquisto
    • Area professionisti
  • Accessori
    • Accessori e Prodotti
    • Camping Sport Magenta accessori
    • Produttori
    • Antenne TV
    • Ammortizzatori
    • GPS
    • Pneumatici
    • Rimorchi
    • Provati da Voi
    • Fai da te
  • Viaggi
    • Diari di viaggi in camper
    • Eventi
    • Foto
    • Check list
    • Traghetti
    • Trasporti
  • Sosta
    • Cerca Strutture
    • Sosta
    • Aree sosta camper
    • Campeggi
    • Agriturismi con sosta camper
    • App Camperonline App
    • 10 Consigli utili per la sosta
    • Area strutture
  • Forum
    • Tutti i Forum
    • Sosta
    • Gruppi
    • Compagni
    • Italia
    • Estero
    • Marchi
    • Meccanica
    • Cellula
    • Accessori
    • Eventi
    • Leggi
    • Comportamenti
    • Disabili
    • In camper per
    • Altro Camper
    • Altro
    • Extra
    • FAQ
    • Regolamento
    • Attivi
    • Preferiti
    • Cerca
  • Community
    • COL
    • CamperOnFest
    • Convenzioni Convenzioni
    • Amici
    • Furti
    • Informativa Privacy
    • Lavoro
  • COL
    • News
    • Newsletter
    • Pubblicità
    • Contatto
    • Ora
    • RSS RSS
    • Video
    • Facebook
    • Instagram
  • Magazine
  • Italiano
    • Bienvenue
    • Welcome
    • Willkommen
  • Accedi
CamperOnLine
Camping Sport Magenta
  1. Forum
  2. Tecnica
  3. Cellula abitativa
Galleria

Far convivere DC-DC con centralina mezzo

Rispondi
Cerca
SostaGruppiCompagniItaliaEsteroMarchiMeccanicaCellulaAccessoriEventiLeggiComportamentiDisabiliIn camper perAltro CamperAltroExtra Attivi
8 20 364
17
epsoncolor
epsoncolor
14/12/2008 1417
Rispondi Abuso
Inserito il 20/12/2020 alle: 14:50:24
In risposta al messaggio di gduca del 19/12/2020 alle 21:46:20

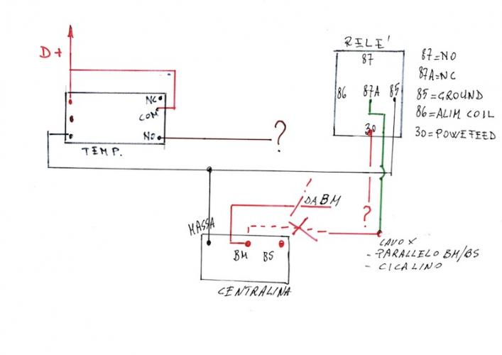
Non sono per niente bravo a fare ste cose col computer, però ci ho provato.  Molto più semplice da vedere a video che spiegare per iscritto.. Ti mando uno schema di collegamento
img20200409_03441235.jpgGrazie per lo schema ,ma non riesco a seguire. Ti allego un disegno di come peno sia il collegamento.
Ti posso chiedere ,nel caso non mi fosse di nuovo chiaro come procedere, ti mandarti in privato il mio telefono per sentirci?

Giuseppe
14
gduca
gduca
29/11/2011 2093
Rispondi Abuso
Inserito il 20/12/2020 alle: 16:25:53
Si, non ci sono problemi a scambiarci numeri se hai bisogno.  Comunque il disegno l'hai fatto giusto.  Hai capito!  Il punto interrogativo nero lo colleghi all' 86 del relè.  Il filo della batteria motore che stacchi dalla centralina, entra nel relè   (morsetto 30) e riesce dall' 87A .  Quindi colleghi 87A  alla centralina, dove hai staccato il filo ed hai chiuso il cerchio.
Dai che ci sei !
Fabrizio
17
epsoncolor
epsoncolor
14/12/2008 1417
Rispondi Abuso
Inserito il 20/12/2020 alle: 19:22:24
In risposta al messaggio di gduca del 20/12/2020 alle 16:25:53

Si, non ci sono problemi a scambiarci numeri se hai bisogno.  Comunque il disegno l'hai fatto giusto.  Hai capito!  Il punto interrogativo nero lo colleghi all' 86 del relè.  Il filo della batteria motore che stacchi
dalla centralina, entra nel relè   (morsetto 30) e riesce dall' 87A .  Quindi colleghi 87A  alla centralina, dove hai staccato il filo ed hai chiuso il cerchio. Dai che ci sei !
...
OK, dopo il tuo messaggio ho provato al banco e funziona,  il rele' si attiva e si disattiva, ho verificato anche con il tester .
Ho impostato 5 secondi  sul temporizzatore  con la funzione P1 che fa' il conto alla rovescia e come dicevo prima funziona.!!

Domani lo provo sul camper e vi aggiorno.

GRAZIEEEEEEEEEEEEEEEEEEEEEEEEE!! Fabrizio"granduca".


Giuseppe

    
7
Steu851
Steu851
27/08/2018 3103
Rispondi Abuso
Inserito il 21/12/2020 alle: 17:30:54
Qualcuno conosce la centralina Schaudt EBL226?
E' possibile disabilitare/rimuovere il relè parallelatore che è all'interno senza fare modifiche distruttive ma solo sfilando un relè da uno zoccolo o togliendo/mettendo un fusibile?
Adria Coral Compact, il camper coupè
Pirenei Verdon in camper - settembre 202
Pirenei Verdon in camper - settembre 202
Normandia in camper: là dove la Natura
Normandia in camper: là dove la Natura
Pasqua in Costa Azzurra
Pasqua in Costa Azzurra
A spasso per la Germania del Nord in cam
A spasso per la Germania del Nord in cam
In camper nel centro Italia: tra sacro e
In camper nel centro Italia: tra sacro e
Previous Next
7
Steu851
Steu851
27/08/2018 3103
Rispondi Abuso
Inserito il 22/12/2020 alle: 10:32:24
In risposta al messaggio di Steu851 del 21/12/2020 alle 17:30:54

Qualcuno conosce la centralina Schaudt EBL226? E' possibile disabilitare/rimuovere il relè parallelatore che è all'interno senza fare modifiche distruttive ma solo sfilando un relè da uno zoccolo o togliendo/mettendo un fusibile?
Sempre nell'ottica di non voler fare modifiche alla centralina Schaudt EBL226,  in modo da poter ripristinare lo status quo velocemente capitasse di voler cambiar camper, ho perfezionato l'idea iniziale del diodo ed aggiungendo un relè: dovrebbe funzionare.

Un diodo schottky di potenza (caduta di tensione 0,3V) tra batteria servizi e centralina per impedire che il caricabatteria di serie per piombo (che è integrato nella centralina) vada a ricaricare la litio quando si collega la 220V, lasciando tutto ciò che va a 220V funzionate come previsto.
Un relè comandato dal D+ che quando il motore è acceso sposta l'ingresso BM della centralina sulla BS, quindi a valle del DC-DC. Si verrebbe così ad escludere (cortocircuitare) il diodo tra batteria servizi e centralina, ma non dovrebbe essere un problema a meno di accendere il motore mentre si è collegati alla 220V, cosa comunque da non fare e che in caso di distrazione per pochi istanti non dovrebbe creare problemi si può mettere un cicalino di allarme nel caso.
Il relè parallelatore integrato nella centralina non farebbe quindi danni, mettendo la BS in parallelo con se stessa.
Per il mantenimento della BM tramite pannello solare il diodo+resistenza con l'aggiunta di un relè sempre comandato dal D+ in modo che quando il motore è acceso la connessione venga interrotta
Anche il DC-DC deve essere comandato dal D+ per evitare che sentendo la tensione in arrivo dal diodo+resistenza si attivi

Per completare ci saranno il regolatore solare ed il caricabatterie 220V per litio collegati direttamente alla batteria servizi senza passare dalla schaudt come fanno ora.
Quindi ci sarebbero in più 2 relè che lavorano solo a motore acceso
Che dite , può funzionare?
Adria Coral Compact, il camper coupè
19
IZ4DJI
IZ4DJI
rating

12/11/2006 58425
Rispondi Abuso
Inserito il 23/12/2020 alle: 21:41:56
però, non dovrebbe servire eliminare o escludere il rele parallelatore, perchè quando si mette in moto, e quindi arriva il D+ il rele parallelatore si chiude e quindi come se non ci fosse, e ininfluente per il funzionamento del DC-DC



Io non ho fatto nessuna modifica alla SCHAUDT EBL-29 , seguito questo schema, come da manuale, e funziona tutto perfettamente.

http://www.iz4dji.it/Lavori/Booster_Votronic.pdf



 
____________________________________

Tommaso IZ4DJI

www.iz4dji.it





Modificato da IZ4DJI il 23/12/2020 alle 21:52:37
7
Steu851
Steu851
27/08/2018 3103
Rispondi Abuso
Inserito il 25/12/2020 alle: 18:32:32
Scusa ma sullo schermino del telefono non riesco a seguire lo schema lo guarderò quando accenderò il PC. 
Il relè parallelatore a cui mi riferisco è quello che in presenza del D+ collega la batteria motore a quella servizi per consentire la ricarica della batteria servizi da alternatore. Le istruzioni per montare lo Sterling Power dicono di collegare l'ingresso direttamente alla batteria motore, l'uscita direttamente alla batteria servizi, il relè a cui mi riferisco interno nella ebl, collegherebbe ingresso e uscita del dc-dc. Mi studierò quindi lo schema che hai allegato se permette il collegamento di un dc-dc in modo più semplice 
Adria Coral Compact, il camper coupè
5
tuzzato
tuzzato
27/06/2020 321
Rispondi Abuso
Inserito il 25/12/2020 alle: 19:14:35
Se non ho letto male, nello schema postato da Tommaso il dc-dc viene inserito nel collegamento + in ingresso all'EBL.

Il manuale dice per le EBL di scollegare il + alla BM (per inserirci il dc-dc).

Grazie dello schema potrebbe servire anche a me - ilho notato che in genere gli schemi che vengono pubblicati non tengono conto della centralina.
7
Steu851
Steu851
27/08/2018 3103
Rispondi Abuso
Inserito il 26/12/2020 alle: 00:08:31
Ok, opzione valida per usare il dc-dc con batteria Agm, nel mio caso avendo un alternatore classico il dc-dc sarebbe superfluo, volendo mettere una litio invece non andrebbe bene perché collegando la 220V collegherebbe il caricabatterie della centralina, che nel mio caso è solo per piombo, alla batteria al litio 
Adria Coral Compact, il camper coupè
12
Semi
Semi
23/03/2014 1126
Rispondi Abuso
Inserito il 16/01/2021 alle: 22:43:06
Ciao a tutti, nella mio elnagh del 2014 ho la centralina CBE PC-200.
Guardando bene lo schema vedo che si potrebbe creare una linea parallela con il DC-DC che si potrebbe lasciare sempre attaccata visto che il booster lavora solo a motore acceso e mettere un relé NC che si apre quando sente il D+ tra la centralina e la BS. 
Ho visto che così il parallelatore dovrebbe comunque attivarsi e far funzionare il frigo con il cablaggio originale prendendo corrente dalla BM e la BS si carica tramite booster. 

Altra cosa, il caricabatterie 220 ha il segnale di presenza che è un +12 e non un 5 come sulle NE. Questo segnale a parte far accendere il simbolo sul display fa attivare il diodo+resistenza presente in centralina per mandare 2ah verso la BM. Mi capita spesso quando sono collegato alla 220 di tenere spento il caricabatterie e quindi non far arrivare il segnale di presenza in centralina e il frigo va tranquillamente in automatico a 220.
Detto questo, sempre in ottica futura di batterie  lifepo4, cambiando il caricabatterie con uno specifico eliminando così il segnale presenza, non si attiva più il diodo+resistenza e quindi non si pone più il problema e volendo si può utilizzare il cb originale solo per la BM. 
Semi
12
Semi
Semi
23/03/2014 1126
Rispondi Abuso
Inserito il 09/03/2021 alle: 17:39:40
Booster arrivato e montato con il relè che stacca la BS dalla centralina in presenza di D+, sembra funzionare tutto bene.
Semi
19
IZ4DJI
IZ4DJI
rating

12/11/2006 58425
Rispondi Abuso
Inserito il 09/03/2021 alle: 23:01:14
In risposta al messaggio di tuzzato del 25/12/2020 alle 19:14:35

Se non ho letto male, nello schema postato da Tommaso il dc-dc viene inserito nel collegamento + in ingresso all'EBL. Il manuale dice per le EBL di scollegare il + alla BM (per inserirci il dc-dc). Grazie dello schema potrebbe servire anche a me - ilho notato che in genere gli schemi che vengono pubblicati non tengono conto della centralina.
Ti allego il link per il manuale completo, dove oltre allo schema per centralina EBL, ci sono anche altri schemi per differenti centraline e senza centralina.

https://www.votronic.de/images/...



 
____________________________________

Tommaso IZ4DJI

www.iz4dji.it




19
IZ4DJI
IZ4DJI
rating

12/11/2006 58425
Rispondi Abuso
Inserito il 09/03/2021 alle: 23:05:58
In risposta al messaggio di Steu851 del 25/12/2020 alle 18:32:32

Scusa ma sullo schermino del telefono non riesco a seguire lo schema lo guarderò quando accenderò il PC.  Il relè parallelatore a cui mi riferisco è quello che in presenza del D+ collega la batteria motore a quella servizi
per consentire la ricarica della batteria servizi da alternatore. Le istruzioni per montare lo Sterling Power dicono di collegare l'ingresso direttamente alla batteria motore, l'uscita direttamente alla batteria servizi, il relè a cui mi riferisco interno nella ebl, collegherebbe ingresso e uscita del dc-dc. Mi studierò quindi lo schema che hai allegato se permette il collegamento di un dc-dc in modo più semplice 
...
Forse dal manuale PDF lo puoi vedere meglio:

https://www.votronic.de/images/...



In pratica la BM entra nel DC-DC , poi entra nella centralina e poi esce verso la BS. Quindi il DC-DC è in serie alla centralina. Quando il booster è in funzione, cioè a motore acceso, il rele parallelatore è chiuso, e quindi crea una continuità come se non ci fosse , come se fosse un unico spezzone di cavo continuo.

Questo tipo di collegamento viene fatto per non dovere massacrare la centralina per eliminare il rele interno.
____________________________________

Tommaso IZ4DJI

www.iz4dji.it




19
IZ4DJI
IZ4DJI
rating

12/11/2006 58425
Rispondi Abuso
Inserito il 09/03/2021 alle: 23:11:57
In risposta al messaggio di Steu851 del 26/12/2020 alle 00:08:31

Ok, opzione valida per usare il dc-dc con batteria Agm, nel mio caso avendo un alternatore classico il dc-dc sarebbe superfluo, volendo mettere una litio invece non andrebbe bene perché collegando la 220V collegherebbe il caricabatterie della centralina, che nel mio caso è solo per piombo, alla batteria al litio 
Non puoi caricare la Litio direttamente dall alternatore, non sarebbe una carica compatibile.
Il DC-DC serve anche con alternatore normale perchè se viene settato su Litio, carica la BS Litio con la giusta curva di carica, necessaria per non danneggiarla.

Disabilitare il caricabatterie 220 non penso sia complicato, basta non fargli arrivare la 220 (nella Schaudt basta togliere un fusibile), e poi collegare un caricabatterie 220 per Litio direttamente alla LItio (o sulla apposito connettore della EBL).

 
____________________________________

Tommaso IZ4DJI

www.iz4dji.it





Modificato da IZ4DJI il 09/03/2021 alle 23:14:36
7
Steu851
Steu851
27/08/2018 3103
Rispondi Abuso
Inserito il 10/03/2021 alle: 14:37:19
In risposta al messaggio di IZ4DJI del 09/03/2021 alle 23:11:57

Non puoi caricare la Litio direttamente dall alternatore, non sarebbe una carica compatibile. Il DC-DC serve anche con alternatore normale perchè se viene settato su Litio, carica la BS Litio con la giusta curva di carica,
necessaria per non danneggiarla. Disabilitare il caricabatterie 220 non penso sia complicato, basta non fargli arrivare la 220 (nella Schaudt basta togliere un fusibile), e poi collegare un caricabatterie 220 per Litio direttamente alla LItio (o sulla apposito connettore della EBL).  
...
Grazie, hai risposto ad un mio messaggio di dicembre smiley, ora ho capito il come funziona e perchè è indispensabile il DC-DC.
Per quanto riguarda il collegamento del DC-DC alla centralina è chiaramente il sistema più semplice, però la corrente massima gestibile dalla centralina permetterebbe l'uso solo di un DC-DC piccolo, massimo 20A o poco più.
Il collegamento di Semi col rel+ che scollega la BS dalla centralina in presenza del segnale D+ è una delle opzioni a cui avevo pensato, temo però che possa far accendere la spia avaria batteria sul pannello, da provare.
 
Adria Coral Compact, il camper coupè
12
Semi
Semi
23/03/2014 1126
Rispondi Abuso
Inserito il 10/03/2021 alle: 20:08:55
In risposta al messaggio di Steu851 del 10/03/2021 alle 14:37:19

Grazie, hai risposto ad un mio messaggio di dicembre , ora ho capito il come funziona e perchè è indispensabile il DC-DC. Per quanto riguarda il collegamento del DC-DC alla centralina è chiaramente il sistema più semplice,
però la corrente massima gestibile dalla centralina permetterebbe l'uso solo di un DC-DC piccolo, massimo 20A o poco più. Il collegamento di Semi col rel+ che scollega la BS dalla centralina in presenza del segnale D+ è una delle opzioni a cui avevo pensato, temo però che possa far accendere la spia avaria batteria sul pannello, da provare.  
...
Nel mio caso nessuna avaria perché anche se togli la BM, essendo il parallelatore chiuso, per la centralina c'è tensione, lei non sa da dove arriva ma c'è e la legge
Semi
19
IZ4DJI
IZ4DJI
rating

12/11/2006 58425
Rispondi Abuso
Inserito il 10/03/2021 alle: 23:52:22
In risposta al messaggio di Steu851 del 10/03/2021 alle 14:37:19

Grazie, hai risposto ad un mio messaggio di dicembre , ora ho capito il come funziona e perchè è indispensabile il DC-DC. Per quanto riguarda il collegamento del DC-DC alla centralina è chiaramente il sistema più semplice,
però la corrente massima gestibile dalla centralina permetterebbe l'uso solo di un DC-DC piccolo, massimo 20A o poco più. Il collegamento di Semi col rel+ che scollega la BS dalla centralina in presenza del segnale D+ è una delle opzioni a cui avevo pensato, temo però che possa far accendere la spia avaria batteria sul pannello, da provare.  
...
Azz....mi sono perso nei messsaggi surprise.
Non ho idea di quanto tenga il rele parallelatore della centralina SCHAUDT, ma guardando i due fusibili su BM e BS che sono da 50A, secondo me il rele parallelatore dovrebbe essere un rele da 70A.
Mettere DC-DC da 30A è una cosa, vanno bene i cavi da 16mm2 di serie, ma per DC-DC piu grossi, secondo me bisogna rifare tutto l impianto a partire dai cavi, mettendoli molto piu grossi. Ma ne vale la pena fare un lavorone del genere?
____________________________________

Tommaso IZ4DJI

www.iz4dji.it




12
Semi
Semi
23/03/2014 1126
Rispondi Abuso
Inserito il 11/03/2021 alle: 11:03:08
Per il mio renogy da 40a ho tirato cavi da 16, però sono corti, 50cm da BM a booster e forse 80cm da booster a BS.
In foto le raccomandazioni del produttore 
Screenshot_20210311_110048_com_adobe_reader.jpg
Semi
7
Steu851
Steu851
27/08/2018 3103
Rispondi Abuso
Inserito il 11/03/2021 alle: 11:31:46
In risposta al messaggio di IZ4DJI del 10/03/2021 alle 23:52:22

Azz....mi sono perso nei messsaggi . Non ho idea di quanto tenga il rele parallelatore della centralina SCHAUDT, ma guardando i due fusibili su BM e BS che sono da 50A, secondo me il rele parallelatore dovrebbe essere un
rele da 70A. Mettere DC-DC da 30A è una cosa, vanno bene i cavi da 16mm2 di serie, ma per DC-DC piu grossi, secondo me bisogna rifare tutto l impianto a partire dai cavi, mettendoli molto piu grossi. Ma ne vale la pena fare un lavorone del genere?
...
Nel mio caso il cablaggio andrebbe  comunque modificato non riuscirei a fas star tutto nella piccola cassapanca quindi dovrei mettere qualcosa sotto al sedile passeggero, per ora penso il DC-DC in modo che non sia in una vano chiuso e possa ventilarsi meglio.
Ho avuto risposta dal rappresentante europeo della Redarc, che è un Italiano, hanno un magazzino in Polonia e mi ha dato il contatto di un rivenditore se interessa posterò qui ulteriori notizie.
Per quanto riguarda la Schaudt leggo che sia per l'ingressso pannello solare che per il caricabatterie esterno prescrivono di non superare i 25A da qui il mio timore per la carica da alternatore.
Mettendo il DC-DC collegato diretto alla batteria e il relè che stacca il collegamento verso la centralina in presenza del D+ si ottiene un impianto molto semplice da riportare al piombo in caso di emergenza, sostituita la batteria litio guasta con una piombo basterebbe spostare il fusibile del caricabatteria sulla centralina, staccare il D+ dal relè e il DC-DC per tornare alla situazione iniziale, nel mio caso col redarc perderei anche il pannello solare a meno di operazioni più complesse ma comunque fattibili
Adria Coral Compact, il camper coupè
14
gduca
gduca
29/11/2011 2093
Rispondi Abuso
Inserito il 11/03/2021 alle: 14:14:26
Per Tommaso: Vale la pena fare un lavorone del genre?  SI !   Se hai una batteria Litio Si, ma anche se hai due AGM in parallelo..   Tu ben sai che io avevo realizzato il tuo stesso impianto ed a parte il marchio Votronic di cui non voglio più sentir parlare (soprattutto per la loro assurda politica di assistenza messa nero su bianco sul loro sito) ho riscontrato che se può andar più o meno bene per la tua Schaudt, non va bene per centraline di altre marche. Con il loro schema, alla batteria servizi non finiscono i 30A. Quasi 13 finiscono nel frigorifero.   Poi ci sono anche altre questioni che non vanno bene su centraline non Schaudt.

Per quanto riguarda te, Steu, perchè dici che perderesti il pannello solare?  Hai nominato il REDARC, proprio quel marchio ha una predisposizione per il pannello solare così da poter eliminare eventuali altri regolatori MPPT già presenti sul tuo mezzo.
Se monterai questo DC-DC ti anticipo subito una raccomandazione non scritta nelle loro istruzioni: devi interporre un robusto relè sul filo in entrata del REDARC (quello dalla batteria motore), pilotato dal D+.  Il perchè è semplice: stranamente la REDARC funziona SOLO con il principio di sentire il variare della tensione della batteria motore dovuta alla ricarica dell'alternatore.  Es. la batteria motore in condizioni di riposo è a 12,5V e con l'alternatore supera i 13,5.   Come metti in moto, l'alternatore la ricarica e ne eleva la tensione. Questo viene registrato dal REDARC che si innesca e ricarica la batteria dei servizi. Non è quindi pilotato da un D+.  Fin qui tutto OK.
Mi sono però accorto che quando ero allacciato alla 220 (e quindi veniva ricaricata ANCHE la batteria del motore), quest'ultima veniva logicamente elevata di tensione e, di conseguenza, si innescava il REDARC che lavorava inutilmente scaldandosi.  Inoltre, poichè il relè parallelatore interno alla centralina aveva di fatto messo in comunicazione BM e BS, si creava un inutile e pericoloso loop  BM verso REDARC verso BS verso BM ecc...    Le soluzioni sono quindi due: 1) mettere il relè (di potenza) che ti ho detto collegato al D+, oppure eliminare il relè parallelatore SEMPRE, non solo a motore avviato, rinunciando quindi alla possibilità di ricaricare la batteria dei servizi in presenza della colonnina 220V.   Se poi ti serve qualche dritta per la centralina NORDELETTRONICA fammi sapere che sono preparato (mio malgrado).
Fabrizio

Modificato da gduca il 11/03/2021 alle 15:37:55
SostaGruppiCompagniItaliaEsteroMarchiMeccanicaCellulaAccessoriEventiLeggiComportamentiDisabiliIn camper perAltro CamperAltroExtra Attivi
Argomenti recenti dal forum
Accessori
polo batteria
ho cambiato la batteria motore ed il polo + è un po' più piccolo del morsetto:ho risolto i...
pino1957
30/04/26 - 17:59
Marchi
Sondaggio Detfless Globetrail
Buongiorno, fatta la ricerca vedo che non c'è una sezione dedicata ai furgonati Dethfless ...
costantino64
30/04/26 - 17:40
Cellula abitativa
Che materiale è?
Salute a tutti. Sono neofita. Sto sistemando un Rimor brig del 1992. Per verificare condiz...
Gimmo_rm
30/04/26 - 17:07
Cellula abitativa
Fulcro?
Buona sera, secondo voi il Fulcron della Arexon è utilizzabile per togliere le macchie sul...
P1950
30/04/26 - 15:26
Viaggi all'estero
Sosta Spielberg Austria gran premio moto
Buongiorno a tutto il forum,stiamo cercando informazioni per una sosta di 3gg in occasione...
manife666
30/04/26 - 10:32
Aree di sosta e campeggi
Posti auto coperti a Roma in zona Fidene
I curatori del Fallimento della società ILOCSA Srl in liquidazione (Tribunale di Ascoli Pi...
robaro
30/04/26 - 09:33
Meccanica
50% gasolio + 50% HVO
Potrebbe essere interessante usare 50% gasolio + 50% HVO v... ......
franco49tn
30/04/26 - 09:19
Disabilità
Consigli per scelta modello
Buongiorno, dovrei comprare un camper MA necessita abbia alcune caratteristiche anche perc...
Alalal
29/04/26 - 20:18
Meccanica
Installazione sospensioni VB -semiair su Mlt 570
Buongiorno, chiedo a chi già possiede queste sospensioni sul Hymer MLT 570 , si sia trova...
laurarem
29/04/26 - 14:26
Cellula abitativa
Frigorifero a compressore Dometic RCS 10.5T 12 V
Buongiorno a tutti, ho un van con Frigorifero a compressore Dometic RCS 10.5T 12 V con dop...
EVM480
29/04/26 - 13:56
Accessori
Sezione Cavi - Capicorda e Dimensionamento.
Ciao, vi ringrazio in anticipo per il forum dove ho trovato davvero tanti spunti e vorrei ...
Jamalcas
29/04/26 - 11:57
Altro sui camper
Quando si dice onestà...
Ciao,leggete la descrizione...piu sincero di cosi nn si puo'...da stimare! ......
merlino64
29/04/26 - 08:28
168k Facebook
343k Instagram
42,6k TikTok
73,6K Youtube
CamperOnLine - Copyright © 1998-2026 - P.Iva 06953990014
Informativa privacy
Loading...

Accedi

Recupera Password
Nuovo utente

Vuoi eliminare il messaggio?

Sottoscrizione

Anteprima

PREFERENZA

Il messaggio è in fase di inserimento.

loading

CamperOnLine

Buongiorno gentile utente,

da oltre 20 anni Camperonline offre gratuitamente tutti i suoi servizi
grazie agli inserzionisti che ci hanno dato la loro fiducia, permettici di continuare il nostro lavoro disattivando il blocco delle pubblicità.

Grazie della collaborazione.

Azione eseguita con successo

Azione Fallita

Condividi

Condividi questa pagina con:

O copia il link