Ciao a tutti, scrivo per mettere al corrente della mia esperienza e di come, fortunatamente, è stato risolto.
Si legge, spesso e volentieri, che il frigo a 12V funziona più da “mantenimento” della temperatura piuttosto che da raffreddamento vero e proprio (anche se il wattaggio delle resistenza a 12V è molto simile a quella da 220V). In ogni caso ho sempre avuto il dubbio che il mio frigo non funzionasse a 12V, dato che, posizionando il selettore sulla posizione “batteria” non vi sia nessuna spia che ne indichi il reale funzionamento.
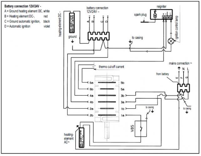
Prima cosa da fare? ..cercare su questo forum tutte le possibili informazioni riguardo a problemi simili, nonché trovare gli schemi del proprio elettrodomestico!
La difficoltà nel verificarne il funzionamento risiede nel fatto che bisogna smontare almeno il piano cottura
sopra il frigo per poter accedere a tutta la parte impiantistica; non è sicuramente difficile ma ci vuole sempre del tempo libero per farlo.
.jpg)
- Assicurarsi che non ci sia qualche collegamento rotto oppure strani aloni nerastri (bruciature) tra i collegamenti. Nel mio caso era tutto ok.
2. Assicurarsi del funzionamento della resistenza mediante un tester impostandolo sulla misura di resistenza in ohm, ci DEVE essere resistenza. Nel mio caso era perfettamente funzionante.
3. Assicurarsi che il selettore delle varie modalità di funzionamento del frigo funzioni correttamente. Nel mio caso era OK, ma ad un utente di questo forum è capitato che fosse proprio questo il colpevole!
4. Verificare che arrivi corrente dalla batteria motore alla resistenza una volta acceso il camper (nel mio caso i fili bianco e rosso) … ECCO QUA IL PROBLEMA: nessuna tensione!
Ora abbiamo individuato che sicuramente ci sarà problema tra la batteria motore ed il frigo.
5. Verificare il fusibile del frigo posto nella fusibiliera della cellula. Nel mio caso era perfettamente integro.
6. Verificare che alla fusibiliera ARRIVI tensione e che dal fusibile frigo ESCA della tensione. Nel mio caso IL PROBLEMA RISIEDEVA QUA. Vi era tensione che arrivava alla centralina/fusibiliera della cellula ma non usciva tensione dalla parte del frigo… quindi: staccare le batterie e smontare fusibiliera!
Il problema risiedeva nel relè (il alto a sx) che fa passare la corrente una volta acceso il motore. Primo perché sulla scheda vi era un alone più scuro in corrispondenza di esso e secondo perché eccitandone la bobina il suo funzionamento risultava del tutto intermittente.
Provando a smontarlo ho notato che la parte che forniva il contatto era molto molto rovinata (credo si dica che il relè risulti “impastato”).
Dato che non avevo a portata di mano un relè di ricambio ho provveduto a pulire il contattino con spray per contatti e carta abrasiva molto fine.
Una volta rimontato tutto ho verificato che arrivasse correttamente tensione al frigo tensione al frigo: perfetto! ..ovviamente ho in previsione di sostituire definitivamente il relè in questione.
Spero di aver fatto cosa gradita fornendo indicazioni su questo problema. Comunque ringrazio tutti i partecipanti a questo forum perché le indicazioni che continuo a trovare su tantissimi argomenti mi aiutano sempre! Grazie a tutti!
Ddg