CamperOnLine
  • Camper
    • Camper usati
    • Camper nuovi
    • Produttori
    • Listino
    • Cataloghi
    • Concessionari e rete vendita
    • Noleggio
    • Van
    • Caravan
    • Fiere
    • Rimessaggi
    • Le prove di CamperOnLine
    • Provati da voi
    • Primo acquisto
    • Area professionisti
  • Accessori
    • Accessori e Prodotti
    • Camping Sport Magenta accessori
    • Produttori
    • Antenne TV
    • Ammortizzatori
    • GPS
    • Pneumatici
    • Rimorchi
    • Provati da Voi
    • Fai da te
  • Viaggi
    • Diari di viaggi in camper
    • Eventi
    • Foto
    • Check list
    • Traghetti
    • Trasporti
  • Sosta
    • Cerca Strutture
    • Sosta
    • Aree sosta camper
    • Campeggi
    • Agriturismi con sosta camper
    • App Camperonline App
    • 10 Consigli utili per la sosta
    • Area strutture
  • Forum
    • Tutti i Forum
    • Sosta
    • Gruppi
    • Compagni
    • Italia
    • Estero
    • Marchi
    • Meccanica
    • Cellula
    • Accessori
    • Eventi
    • Leggi
    • Comportamenti
    • Disabili
    • In camper per
    • Altro Camper
    • Altro
    • Extra
    • FAQ
    • Regolamento
    • Attivi
    • Preferiti
    • Cerca
  • Community
    • COL
    • CamperOnFest
    • Convenzioni Convenzioni
    • Amici
    • Furti
    • Informativa Privacy
    • Lavoro
  • COL
    • News
    • Newsletter
    • Pubblicità
    • Contatto
    • Ora
    • RSS RSS
    • Video
    • Facebook
    • Instagram
  • Magazine
  • Italiano
    • Bienvenue
    • Welcome
    • Willkommen
  • Accedi
CamperOnLine
Camping Sport Magenta
  1. Forum
  2. Tecnica
  3. Cellula abitativa
Galleria

Nuovi furgonati energivori?

Rispondi
Cerca
SostaGruppiCompagniItaliaEsteroMarchiMeccanicaCellulaAccessoriEventiLeggiComportamentiDisabiliIn camper perAltro CamperAltroExtra
3 20 74
Al Ula
Al Ula
-
Rispondi Abuso
Inserito il 14/02/2019 alle: 11:33:08
In risposta al messaggio di Blessyou del 14/02/2019 alle 10:09:52

Stefano,   penso che la Diesel non rimanga accesa con una fiammella, ma ci sia un meccanismo tale da (diciamo) facilitare l’accensione quando scende la temperatura in cellula … sono solo supposizioni da inforNatico
  È vero, i prezzi delle LiFePO4 sono ancora altini ... ma quando saranno discesi ci saranno le BS a condensatore che …  cosa voglio dire ?? che se vuoi/hai delle necessità il prezzo si è importante ma si devono “quotare” anche i benefici (immediati)   Ciao, Cesare
...
ooopps, non avevo collegato che la tua stufa e' a gas..
Stefano
10
Blessyou
Blessyou
28/10/2015 5016
Rispondi Abuso
Inserito il 14/02/2019 alle: 11:41:23
In risposta al messaggio di RobertoBcn del 14/02/2019 alle 10:10:10

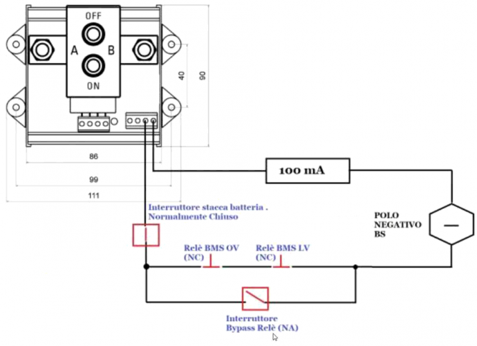
Blessyou, hai per caso qualche guida sul montaggio di quella batteria?  Il prezzo é moooolto interessante. E potrei farci un pensiero per il nuovo camper.

Qui

c’è il video
ed il

manuale

del BMS wink

Poi c’è il collegamento del

Philippi

:
immagine(1029).png 
con l'interruttore bypass relè:
immagine(1030).png

Il mio impianto l'ha realizzato il tecnico dell'officina dove vado (su mie indicazioni di base) ... le informazioni di cui sopra sono a livello di studio enlightened

Buona analisi wink
Ciao a tücc

___________________________________

vâr pussée la tòlla de l'òr


Modificato da Blessyou il 14/02/2019 alle 13:17:13
10
Blessyou
Blessyou
28/10/2015 5016
Rispondi Abuso
Inserito il 14/02/2019 alle: 11:51:48
In risposta al messaggio di Al Ula del 14/02/2019 alle 11:33:08

ooopps, non avevo collegato che la tua stufa e' a gas.. Stefano
no, no ... la mia è Diesel wink
Ciao a tücc

___________________________________

vâr pussée la tòlla de l'òr

20
emmespanish
emmespanish
16/02/2006 5977
Rispondi Abuso
Inserito il 14/02/2019 alle: 12:24:57
In risposta al messaggio di IZ4DJI del 13/02/2019 alle 23:48:01

Secondo me il furgonato va bene per due, proprio per lo scarso stivaggio, e per gli spazi di disimpegno. Avere i posti da dormire è il meno, una volta tutti a letto, ma il problema è quando ci sia alza, ci si deve vestire, andare in bagno etc...bisogna prendere il numero e studiare una coreografia per muoversi tutti corretamente e non rimanere incastrati.  
Assolutamente per due, a meno che li si usa d'estate in campeggio che ci vai solo a dormire ma poi perderebbe la sua peculiarità che è quella del poco ingombro nel viaggiare... infatti lo valutavo per un prossimo futuro, in alternativa ad un semintegrale che comunque, se vuoi spazi sono abbastanza lunghi, allora potrebbe essere una opzione il furgonato... solo che mi perplime la scelta delle utenze, per la Combi D non sarebbe un grosso problema anzi, anche se consuma un po' più di corrente in avvio, poi però ha il vantaggio indiscutibile che va a gasolio, ma associare il frigo a compressore a che serve? 
Marco
Asturia, Cantabria e Paesi Baschi in cam
Asturia, Cantabria e Paesi Baschi in cam
Sala Silvergruva, la miniera d'argento
Sala Silvergruva, la miniera d'argento
Folgaria d’inverno in camper
Folgaria d’inverno in camper
Francia 2025
Francia 2025
Eksjo, la città di legno
Eksjo, la città di legno
Previous Next
10
Blessyou
Blessyou
28/10/2015 5016
Rispondi Abuso
Inserito il 14/02/2019 alle: 13:08:01
In risposta al messaggio di emmespanish del 14/02/2019 alle 12:24:57

Assolutamente per due, a meno che li si usa d'estate in campeggio che ci vai solo a dormire ma poi perderebbe la sua peculiarità che è quella del poco ingombro nel viaggiare... infatti lo valutavo per un prossimo futuro,
in alternativa ad un semintegrale che comunque, se vuoi spazi sono abbastanza lunghi, allora potrebbe essere una opzione il furgonato... solo che mi perplime la scelta delle utenze, per la Combi D non sarebbe un grosso problema anzi, anche se consuma un po' più di corrente in avvio, poi però ha il vantaggio indiscutibile che va a gasolio, ma associare il frigo a compressore a che serve? 
...
Nel mio caso, serve perché alla mia dolce metà piace molto cucinare (anche) in camper e quando il trivalente nei periodi caldi sale sopra i 10°, è sempre una TRAGEDIA angry
 
Allora, per evitare che alcuni ingredienti si “inficiano” ho deciso di installare un frigorifero a compressore enlightened
 
Se avessi avuto una moglie “normale” … il trivalente andava benissimo: risparmiavo piccioli ed energia wink

Tornando ai furgonati: la Combi Diesel (4/6) ed il compressore sono opzionabili ...
Ciao a tücc

___________________________________

vâr pussée la tòlla de l'òr


Modificato da Blessyou il 14/02/2019 alle 13:12:34
7
Hunter85
Hunter85
15/06/2018 11024
Rispondi Abuso
Inserito il 14/02/2019 alle: 13:51:35
In risposta al messaggio di Blessyou del 14/02/2019 alle 13:08:01

Nel mio caso, serve perché alla mia dolce metà piace molto cucinare (anche) in camper e quando il trivalente nei periodi caldi sale sopra i 10°, è sempre una TRAGEDIA   Allora, per evitare che alcuni ingredienti si
“inficiano” ho deciso di installare un frigorifero a compressore   Se avessi avuto una moglie “normale” … il trivalente andava benissimo: risparmiavo piccioli ed energia Tornando ai furgonati: la Combi Diesel (4/6) ed il compressore sono opzionabili ...
...
Volevo far notare che in realtà la maggior parte degli alimenti si possono conservare anche a 8 gradi... Anche a 10 non c è problema per la maggior parte delle carni, sempre che le consumiamo entro. 3 gg. 
Pollo pesce a 8/10 gradi vanno consumati entro 48 ore. 

Certamente un compressore che garantisce 4 gradi sempre, permette di conservare anche il pollo per vari giorni ... 
Tuttavia presumo che in camper difficilmente ci si tiene una carne o un pesce per più di 2/3 gg... 

Scrivo questo perché nella nostra coppia sono io quello che fa sempre cucine abbastanza elaborate in camperlaugh(lei lava i piattidevil​​​​​​) 
Quindi sono diventato un funambolo col trivalente... Ma devo dire che non ho mai buttato assolutamente niente neanche con 40 gradi... Ovviamente bisogna modulare la conservazione rispetto a casa... 

Un piccolo compressore a pozzetto però lo vorrei proprio x il caldo torrido per maggior tranquillità ... 
In un mondo dove il male è di casa e ha vinto sempre, Dove regna il capitale, oggi più spietatamente, Riusciranno questo brocco e questo inutile scudiero Al Potere dare scacco e salvare il mondo intero?
19
IZ4DJI
IZ4DJI
rating

12/11/2006 58356
Rispondi Abuso
Inserito il 14/02/2019 alle: 14:16:36
Visto che in camper si gira e ci si muove, io in frigo tengo solo una base di scorta, ma pochissime cose, e poi preferisco fermarmi davanti a un supermercato anche ogni giorno cse serve. Il mio frigo fredda anche troppo, ma proprio non mi piace avere roba fresca in frigo a diventare vecchia.
 
____________________________________

Tommaso IZ4DJI

www.iz4dji.it




9
Sergione66
Sergione66
13/01/2017 4197
Rispondi Abuso
Inserito il 14/02/2019 alle: 14:25:41
"...per la Combi D non sarebbe un grosso problema anzi, anche se consuma un po' più di corrente in avvio, poi però ha il vantaggio indiscutibile che va a gasolio, ma associare il frigo a compressore a che serve?"

Serve ad avere una bombola piccola per il gas che usi solo per i fornelli. Noi abbiamo la campingaz da 3 kg e dura tantissimo. Tutto il resto a gasolio. 

Oviamente con serbatoio maggiorato da 120 litri. Che quando trovi il gasolio a buon prezzo ha sempre il suo perchè ... wink

 
Sergio - Genova - Carthago Liner 65LE (Jeegolino)
10
Blessyou
Blessyou
28/10/2015 5016
Rispondi Abuso
Inserito il 14/02/2019 alle: 14:50:55
In risposta al messaggio di Hunter85 del 14/02/2019 alle 13:51:35

Volevo far notare che in realtà la maggior parte degli alimenti si possono conservare anche a 8 gradi... Anche a 10 non c è problema per la maggior parte delle carni, sempre che le consumiamo entro. 3 gg.  Pollo pesce
a 8/10 gradi vanno consumati entro 48 ore.  Certamente un compressore che garantisce 4 gradi sempre, permette di conservare anche il pollo per vari giorni ...  Tuttavia presumo che in camper difficilmente ci si tiene una carne o un pesce per più di 2/3 gg...  Scrivo questo perché nella nostra coppia sono io quello che fa sempre cucine abbastanza elaborate in camper(lei lava i piatti​​​​​​)  Quindi sono diventato un funambolo col trivalente... Ma devo dire che non ho mai buttato assolutamente niente neanche con 40 gradi... Ovviamente bisogna modulare la conservazione rispetto a casa...  Un piccolo compressore a pozzetto però lo vorrei proprio x il caldo torrido per maggior tranquillità ... 
...
Lo so, lo so … ma quando si mette in testa cool
 
Avevo pensato di acchiappare un compressore portatile da mettere in garage, ma poi ho preferito cambiare l’attuale trivalente – vabbè, proviamo questa nuova avventura wink
Ciao a tücc

___________________________________

vâr pussée la tòlla de l'òr

10
Blessyou
Blessyou
28/10/2015 5016
Rispondi Abuso
Inserito il 14/02/2019 alle: 14:53:29
In risposta al messaggio di IZ4DJI del 14/02/2019 alle 14:16:36

Visto che in camper si gira e ci si muove, io in frigo tengo solo una base di scorta, ma pochissime cose, e poi preferisco fermarmi davanti a un supermercato anche ogni giorno cse serve. Il mio frigo fredda anche troppo, ma proprio non mi piace avere roba fresca in frigo a diventare vecchia.  
Tommaso, se fosse per me ... wink
Ciao a tücc

___________________________________

vâr pussée la tòlla de l'òr

7
Hunter85
Hunter85
15/06/2018 11024
Rispondi Abuso
Inserito il 14/02/2019 alle: 15:14:40
In risposta al messaggio di Blessyou del 14/02/2019 alle 14:50:55

Lo so, lo so … ma quando si mette in testa   Avevo pensato di acchiappare un compressore portatile da mettere in garage, ma poi ho preferito cambiare l’attuale trivalente – vabbè, proviamo questa nuova avventura
Ah beh chiaro! Se la compagna si mette in testa un assurdità non gliela si leva mica! 
​​​​​​L altro giorno eravamo su una scogliera a picco sul mare col camper (tutto sterrato senza strada) .. Ha cominciato a tirare un vento a 60/70 kmh e la mia ragazza si è fissata che il camper sarebbe potuto volare in mare durante la notte laughlaugh(con piedini e cunei!!)  
Ho dovuto allontanarmi dal precipizio di una trentina di metri (prima eravamo a 10)!

Le ho detto"ma quando andiamo a 90kmh in viaggio il camper per caso vola via??!! "

Ma non c'è stato versosad
In un mondo dove il male è di casa e ha vinto sempre, Dove regna il capitale, oggi più spietatamente, Riusciranno questo brocco e questo inutile scudiero Al Potere dare scacco e salvare il mondo intero?
Argomenti recenti dal forum
Cellula abitativa
Camper nuovi con serbatoio nere nautico
Un saluto a tutti, sul mio attuale arca è installato un sistema spee...
riccardo23
Ieri alle: 17:42
Accessori
Trasferire molti ah da BS a BM
Una volta sono rimasto senza alternatore a circa due ore da casa era...
gianninotopo
Ieri alle: 13:22
Cellula abitativa
pulizia oblo bagno impossibile
Buongiorno a tutti, ho un Hymer Camp GT544 mansardato del 2005. Il b...
Ceschi1984
Ieri alle: 11:53
Cellula abitativa
Comando Cp plus su Combi 6002
Buongiorno a tutti,volevo sapere se si può montare il comando cp plu...
Rickyge
19/03/26 - 16:00
Viaggi all'estero
Vignette/telepass oltre 35q in Cechia e Polonia
Buongiorno a tutti, stavo programmando un viaggio per vedere la Polo...
biomax
19/03/26 - 14:09
Cellula abitativa
Sportello presa cee
Lo sportello della presa del mio veicolo è mal ridotta, un paio di c...
gianninotopo
19/03/26 - 11:10
Altro sui camper
camper puro, furgonato x usarlo anche per lavori
buongiorno, mi frulla in testa la voglia anche se non per quest'anno...
vespucci
19/03/26 - 09:04
Altro sui camper
Cerco rimessaggio Arenzano,Genova,Savona,masone ec
Aiutoooo cerco rimessaggio nel raggio di 50km da Arenzano… grazie an...
Lelle007
19/03/26 - 01:19
Accessori
domanda secca su lifepo4
buonaser a tutti, prossimamente vorrei acquistare un box batteria d...
AlbertoPD
18/03/26 - 23:08
Cellula abitativa
Caricabatterie e colonnina 220v
Buonasera, non mi era mai capitato oppure non ci avevo fatto caso. S...
323232
18/03/26 - 20:17
Compagni di viaggio
Compagni viaggio Lombardia
Ciao, siamo una coppia di Milano, Matteo (34) e Angelica (40), con u...
Mario Dalgalla
18/03/26 - 17:16
Accessori
Striscia a led "d'atmosfera"
Salve vorrei mettere questa striscia (5mt. COB 45w) alla base dei ...
gianninotopo
18/03/26 - 16:43
Meccanica
Problema elettrico Fiat ducato X250 2.3 mjt 2012
Salve a tutti. Ho un grosso problema sul mio mezzo per quanto riguar...
Pizza77
18/03/26 - 10:30
Accessori
Impianto con lifepo4
Buongiorno a tutti, sono un novellino di questo fantastico mondo, ho...
The Box
18/03/26 - 09:16
Meccanica
Quantità olio circuito freni
Secondo voi, su un mezzo di 7 metri su telaio ALKO con interasse di ...
norbidic
18/03/26 - 06:57
19
IZ4DJI
IZ4DJI
rating

12/11/2006 58356
Rispondi Abuso
Inserito il 14/02/2019 alle: 15:17:59
In risposta al messaggio di Blessyou del 14/02/2019 alle 14:53:29

Tommaso, se fosse per me ...
Per una cosa o per l altra siamo tutti nella stessa barca crying
____________________________________

Tommaso IZ4DJI

www.iz4dji.it




10
Blessyou
Blessyou
28/10/2015 5016
Rispondi Abuso
Inserito il 14/02/2019 alle: 15:34:31
In risposta al messaggio di Hunter85 del 14/02/2019 alle 15:14:40

Ah beh chiaro! Se la compagna si mette in testa un assurdità non gliela si leva mica!  ​​​​​​L altro giorno eravamo su una scogliera a picco sul mare col camper (tutto sterrato senza strada) .. Ha cominciato
a tirare un vento a 60/70 kmh e la mia ragazza si è fissata che il camper sarebbe potuto volare in mare durante la notte (con piedini e cunei!!)   Ho dovuto allontanarmi dal precipizio di una trentina di metri (prima eravamo a 10)! Le ho dettoma quando andiamo a 90kmh in viaggio il camper per caso vola via??!! Ma non c'è stato verso
...
Son tutte uguali, hahahahhahahhahahhahahah laughlaughlaugh
Ciao a tücc

___________________________________

vâr pussée la tòlla de l'òr

10
Blessyou
Blessyou
28/10/2015 5016
Rispondi Abuso
Inserito il 14/02/2019 alle: 15:35:01
In risposta al messaggio di IZ4DJI del 14/02/2019 alle 15:17:59

Per una cosa o per l altra siamo tutti nella stessa barca
Eh già yeswink
Ciao a tücc

___________________________________

vâr pussée la tòlla de l'òr

9
Sergione66
Sergione66
13/01/2017 4197
Rispondi Abuso
Inserito il 14/02/2019 alle: 16:10:07
In risposta al messaggio di IZ4DJI del 14/02/2019 alle 14:16:36

Visto che in camper si gira e ci si muove, io in frigo tengo solo una base di scorta, ma pochissime cose, e poi preferisco fermarmi davanti a un supermercato anche ogni giorno cse serve. Il mio frigo fredda anche troppo, ma proprio non mi piace avere roba fresca in frigo a diventare vecchia.  
E' uno dei motivi per i quali 90 litri di frigorifero a noi bastano e non abbiamo mai avuto il desiderio di un frigorifero come a casa... 
Sergio - Genova - Carthago Liner 65LE (Jeegolino)
20
emmespanish
emmespanish
16/02/2006 5977
Rispondi Abuso
Inserito il 14/02/2019 alle: 16:51:30
In risposta al messaggio di Sergione66 del 14/02/2019 alle 14:25:41

...per la Combi D non sarebbe un grosso problema anzi, anche se consuma un po' più di corrente in avvio, poi però ha il vantaggio indiscutibile che va a gasolio, ma associare il frigo a compressore a che serve? Serve ad
avere una bombola piccola per il gas che usi solo per i fornelli. Noi abbiamo la campingaz da 3 kg e dura tantissimo. Tutto il resto a gasolio.  Oviamente con serbatoio maggiorato da 120 litri. Che quando trovi il gasolio a buon prezzo ha sempre il suo perchè ...   
...
Certamente è un bel vantaggio anche per recuperare spazio ma pensavo si rischia di andare in deficit energetico...surprise
Marco
20
emmespanish
emmespanish
16/02/2006 5977
Rispondi Abuso
Inserito il 14/02/2019 alle: 17:06:56
In risposta al messaggio di Blessyou del 14/02/2019 alle 13:08:01

Nel mio caso, serve perché alla mia dolce metà piace molto cucinare (anche) in camper e quando il trivalente nei periodi caldi sale sopra i 10°, è sempre una TRAGEDIA   Allora, per evitare che alcuni ingredienti si
“inficiano” ho deciso di installare un frigorifero a compressore   Se avessi avuto una moglie “normale” … il trivalente andava benissimo: risparmiavo piccioli ed energia Tornando ai furgonati: la Combi Diesel (4/6) ed il compressore sono opzionabili ...
...
Beh, se parliamo dei trivalenti di 30 anni,  ma gli attuali trivalenti freddano anche troppo... quando metto dentro insalata in busta devo stare attento che me la gela... quest'estate ero in Turchia e Grecia, non proprio il clima della Normandia laugh eppure avevo 6 gradi in frigo e -18 in freezer... se voglio una birra ghiacciata la trasferisco 10 minuti prima in freezer, poi però mi devo ricordare a toglierla...laugh 
Marco
20
emmespanish
emmespanish
16/02/2006 5977
Rispondi Abuso
Inserito il 14/02/2019 alle: 17:11:48
In risposta al messaggio di Sergione66 del 14/02/2019 alle 16:10:07

E' uno dei motivi per i quali 90 litri di frigorifero a noi bastano e non abbiamo mai avuto il desiderio di un frigorifero come a casa... 
Ho avuto per anni un frigo da 105l e anche in quattro ce la siamo cavata egregiamente... ora ho un 160l e sinceramente non mi trovo poi così male, poi tutto è opinabile e varia a secondo delle proprie esigenze wink
Marco
10
Blessyou
Blessyou
28/10/2015 5016
Rispondi Abuso
Inserito il 14/02/2019 alle: 19:01:07
In risposta al messaggio di emmespanish del 14/02/2019 alle 17:06:56

Beh, se parliamo dei trivalenti di 30 anni,  ma gli attuali trivalenti freddano anche troppo... quando metto dentro insalata in busta devo stare attento che me la gela... quest'estate ero in Turchia e Grecia, non proprio
il clima della Normandia  eppure avevo 6 gradi in frigo e -18 in freezer... se voglio una birra ghiacciata la trasferisco 10 minuti prima in freezer, poi però mi devo ricordare a toglierla... 
...
Non lo so … sarà questo modello da 190 litri che fa i capricci (siamo arrivati anche a 15-16°) ...
 
Vedremo come sarà con il compressore wink
Ciao a tücc

___________________________________

vâr pussée la tòlla de l'òr

20
emmespanish
emmespanish
16/02/2006 5977
Rispondi Abuso
Inserito il 14/02/2019 alle: 20:00:46
In risposta al messaggio di Blessyou del 14/02/2019 alle 19:01:07

Non lo so … sarà questo modello da 190 litri che fa i capricci (siamo arrivati anche a 15-16°) ...   Vedremo come sarà con il compressore
No, c'è sicuramente qualcosa che non va, 15,16 gradi significa che non fredda, è quasi una temperatura ambiente, non scherziamo... purtroppo i motivi di una scarsa resa possono essere diversi, dal bruciatore, al camino, alla pasta dissipante, o alla guarnizione della porta... o anche un errore di installazione che non permette un buon ricircolo d'aria... però qualcosa che non va c'è senz'altro surprise
Marco
SostaGruppiCompagniItaliaEsteroMarchiMeccanicaCellulaAccessoriEventiLeggiComportamentiDisabiliIn camper perAltro CamperAltroExtra
167k Facebook
343k Instagram
42,6k TikTok
73,3k Youtube
CamperOnLine - Copyright © 1998-2026 - P.Iva 06953990014
Informativa privacy
Loading...

Accedi

Recupera Password
Nuovo utente

Vuoi eliminare il messaggio?

Sottoscrizione

Anteprima

PREFERENZA

Il messaggio è in fase di inserimento.

loading

CamperOnLine

Buongiorno gentile utente,

da oltre 20 anni Camperonline offre gratuitamente tutti i suoi servizi
grazie agli inserzionisti che ci hanno dato la loro fiducia, permettici di continuare il nostro lavoro disattivando il blocco delle pubblicità.

Grazie della collaborazione.

Azione eseguita con successo

Azione Fallita

Condividi

Condividi questa pagina con:

O copia il link