CamperOnLine
  • Camper
    • Camper usati
    • Camper nuovi
    • Produttori
    • Listino
    • Cataloghi
    • Concessionari e rete vendita
    • Noleggio
    • Van
    • Caravan
    • Fiere
    • Rimessaggi
    • Le prove di CamperOnLine
    • Provati da voi
    • Primo acquisto
    • Area professionisti
  • Accessori
    • Accessori e Prodotti
    • Camping Sport Magenta accessori
    • Produttori
    • Antenne TV
    • Ammortizzatori
    • GPS
    • Pneumatici
    • Rimorchi
    • Provati da Voi
    • Fai da te
  • Viaggi
    • Diari di viaggi in camper
    • Eventi
    • Foto
    • Check list
    • Traghetti
    • Trasporti
  • Sosta
    • Cerca Strutture
    • Sosta
    • Aree sosta camper
    • Campeggi
    • Agriturismi con sosta camper
    • App Camperonline App
    • 10 Consigli utili per la sosta
    • Area strutture
  • Forum
    • Tutti i Forum
    • Sosta
    • Gruppi
    • Compagni
    • Italia
    • Estero
    • Marchi
    • Meccanica
    • Cellula
    • Accessori
    • Eventi
    • Leggi
    • Comportamenti
    • Disabili
    • In camper per
    • Altro Camper
    • Altro
    • Extra
    • FAQ
    • Regolamento
    • Attivi
    • Preferiti
    • Cerca
  • Community
    • COL
    • CamperOnFest
    • Convenzioni Convenzioni
    • Amici
    • Furti
    • Informativa Privacy
    • Lavoro
  • COL
    • News
    • Newsletter
    • Pubblicità
    • Contatto
    • Ora
    • RSS RSS
    • Video
    • Facebook
    • Instagram
  • Magazine
  • Italiano
    • Bienvenue
    • Welcome
    • Willkommen
  • Accedi
CamperOnLine
Camping Sport Magenta
  1. Forum
  2. Tecnica
  3. Cellula abitativa
Galleria

Problema Trumavent

Rispondi
Cerca
SostaGruppiCompagniItaliaEsteroMarchiMeccanicaCellulaAccessoriEventiLeggiComportamentiDisabiliIn camper perAltro CamperAltroExtra
1 20 12
Mr Haze
Mr Haze
-
Rispondi Abuso
Inserito il 07/11/2019 alle: 16:48:42
Ciao ragazzi :) ho uno strano problema sul mio ducato arca del 91.Il problema in questione è sul ventilatore installato sulla stufa truma SL3002  l'altro giorno ha smesso di funzionare, ma smontandolo dalla stufa ho notato che leggermente inclinato, o con una piccola pressione sul mozzo della ventola, per magia  in ventilatore va che e una bellezza... Ora io ho provato a pulirlo ma non è cambiato nulla. Chiedo a voi esperti se potete darmi dei consigli ... Grazie in anticipo e buona giornata a tutti :)
La dolce quiete...
16
impiegatodelvolante
impiegatodel...
rating

14/01/2010 30080
Rispondi Abuso
Inserito il 07/11/2019 alle: 17:31:48
In risposta al messaggio di Mr Haze del 07/11/2019 alle 16:48:42

Ciao ragazzi :) ho uno strano problema sul mio ducato arca del 91.Il problema in questione è sul ventilatore installato sulla stufa truma SL3002  l'altro giorno ha smesso di funzionare, ma smontandolo dalla stufa ho notato
che leggermente inclinato, o con una piccola pressione sul mozzo della ventola, per magia  in ventilatore va che e una bellezza... Ora io ho provato a pulirlo ma non è cambiato nulla. Chiedo a voi esperti se potete darmi dei consigli ... Grazie in anticipo e buona giornata a tutti :) La dolce quiete...
...
probabilmente si è sballato il mozzo o cuscinetto della girante a causa del consumo, oppure il rotore non riceve l'energia per farlo muovere sempre a causa del consumo.
non so se è possibile intervenire per sistemarlo o è tutta una fusione
Silvio

Modificato da impiegatodelvolante il 07/11/2019 alle 17:32:46
19
IZ4DJI
IZ4DJI
rating

12/11/2006 58356
Rispondi Abuso
Inserito il 07/11/2019 alle: 18:51:57
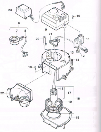
Non so se puo essere utile:

immagine(2053).png

 mi sembra che sia tutto facilmente apribile e ho visto che in rete si trova anche il motorino di ricambio.
Però controllerei anche i fili che non ci sia qualche connettore lento visto che mi sembra che all interno ci sia una scheda con alcuni connettori.

Mi sembra però che nei vari anni il trumavent sia stato cambiato e quindi questo schema potrebbe non essere della versione in questione.

Qua comunque ci sono le varie versioni dei vari anni.
 
____________________________________

Tommaso IZ4DJI

www.iz4dji.it





Modificato da IZ4DJI il 07/11/2019 alle 18:57:11
Mr Haze
Mr Haze
-
Rispondi Abuso
Inserito il 08/11/2019 alle: 20:10:04
In risposta al messaggio di impiegatodelvolante del 07/11/2019 alle 17:31:48

probabilmente si è sballato il mozzo o cuscinetto della girante a causa del consumo, oppure il rotore non riceve l'energia per farlo muovere sempre a causa del consumo. non so se è possibile intervenire per sistemarlo o è tutta una fusione
Grazie della risposta :))
La dolce quiete...
Mr Haze
Mr Haze
-
Rispondi Abuso
Inserito il 08/11/2019 alle: 20:13:19
In risposta al messaggio di IZ4DJI del 07/11/2019 alle 18:51:57

Non so se puo essere utile:  mi sembra che sia tutto facilmente apribile e ho visto che in rete si trova anche il motorino di ricambio. Però controllerei anche i fili che non ci sia qualche connettore lento visto che
mi sembra che all interno ci sia una scheda con alcuni connettori. Mi sembra però che nei vari anni il trumavent sia stato cambiato e quindi questo schema potrebbe non essere della versione in questione. Qua comunque ci sono le varie versioni dei vari anni.  
...
grazie IZ per l'esploso... ho trovato anche io il motorino... ma prima di comprarlo volevo capirne di più... qualcuno sa dove a torino posso portarlo a fargli dare un occhiata ?
La dolce quiete...
Asturia, Cantabria e Paesi Baschi in cam
Asturia, Cantabria e Paesi Baschi in cam
Sala Silvergruva, la miniera d'argento
Sala Silvergruva, la miniera d'argento
Folgaria d’inverno in camper
Folgaria d’inverno in camper
Francia 2025
Francia 2025
Eksjo, la città di legno
Eksjo, la città di legno
Previous Next
19
IZ4DJI
IZ4DJI
rating

12/11/2006 58356
Rispondi Abuso
Inserito il 08/11/2019 alle: 21:39:36
In risposta al messaggio di Mr Haze del 08/11/2019 alle 20:13:19

grazie IZ per l'esploso... ho trovato anche io il motorino... ma prima di comprarlo volevo capirne di più... qualcuno sa dove a torino posso portarlo a fargli dare un occhiata ?
Potresti anche smontare il Trumavent, dovrebbe essere attaccato dietro la stufa con poche viti, e un connettore.
Così intanto vedi il problema, e nel caso lasci solo il trumavent al centro TRUMA.
 
A Milano c'è Ferrario Camper che è un centro TRUMA molto apprezzato e lavorano bene e con molta esperienza.
Oppure  Giove 94 che è un ottimo riparatore, bravo e onestissimo, non so se sia autorizzato Truma, ma certo non si spaventa con un Trumavent wink.
A Torino non so dirti, sono fuori zona.
____________________________________

Tommaso IZ4DJI

www.iz4dji.it




19
ecostar
ecostar
rating

11/01/2007 37201
Rispondi Abuso
Inserito il 09/11/2019 alle: 14:20:15

Collegno (TO) 

http://www.autocaravanmassaua.it/

 con loro sarai in buone mani 

mario
Mario
Mr Haze
Mr Haze
-
Rispondi Abuso
Inserito il 15/11/2019 alle: 13:24:41
In risposta al messaggio di IZ4DJI del 08/11/2019 alle 21:39:36

Potresti anche smontare il Trumavent, dovrebbe essere attaccato dietro la stufa con poche viti, e un connettore. Così intanto vedi il problema, e nel caso lasci solo il trumavent al centro TRUMA.   A Milano c'è Ferrario
Camper che è un centro TRUMA molto apprezzato e lavorano bene e con molta esperienza. Oppure  Giove 94 che è un ottimo riparatore, bravo e onestissimo, non so se sia autorizzato Truma, ma certo non si spaventa con un Trumavent . A Torino non so dirti, sono fuori zona.
...
Ciao izi4 scusa il ritardo ma non mi andava internet... grazie mille per la disponibilita e per le risposte... oggi provero ad andare a camper massua consigliato dall amico ecostar :) grazie ancora e buona giornata :)
La dolce quiete...
Mr Haze
Mr Haze
-
Rispondi Abuso
Inserito il 15/11/2019 alle: 13:26:21
In risposta al messaggio di Mr Haze del 15/11/2019 alle 13:24:41

Ciao izi4 scusa il ritardo ma non mi andava internet... grazie mille per la disponibilita e per le risposte... oggi provero ad andare a camper massua consigliato dall amico ecostar :) grazie ancora e buona giornata :)
Grazie ecostar per la dritta... oggi provero ad andare vi terro aggiornati grazie :)
La dolce quiete...
Mr Haze
Mr Haze
-
Rispondi Abuso
Inserito il 16/12/2019 alle: 17:33:45
Ciao ragazzi :) continuo qui per non aprire ulteriori post... ho provato a cercare di risolvere il problema ,riparando il trumavent ma con scarsi risultati... molti rivenditori mi hanno offerto l'opzione di comprare il modello nuovo, ma 250 euro per una ventola non rietra nel mio portafoglio... ora essendo che io vivo in camper, a Torino ovviamente tengo la stufa accesa e devo dire che non sento questa grossa mancanza il camper è caldo ugualmente. Ora io lo sto cercando di secondamano perchè lo voglio rimontare in previsione del vero freddo, Quello che mi chiedo senza il trumavent in qualche modo la stufa ne patisce ? posso compromettere il suo funzionamento?  mi fate sapere qualcosa? ed eventualmente c'e' una sezione dell usato su questo forum ? grazie in anticipo a tutti per le risposte buona giornata :)
La dolce quiete...

Modificato da Mr Haze il 16/12/2019 alle 17:41:43
19
IZ4DJI
IZ4DJI
rating

12/11/2006 58356
Rispondi Abuso
Inserito il 16/12/2019 alle: 17:44:15
In risposta al messaggio di Mr Haze del 16/12/2019 alle 17:33:45

Ciao ragazzi :) continuo qui per non aprire ulteriori post... ho provato a cercare di risolvere il problema ,riparando il trumavent ma con scarsi risultati... molti rivenditori mi hanno offerto l'opzione di comprare il modello
nuovo, ma 250 euro per una ventola non rietra nel mio portafoglio... ora essendo che io vivo in camper, a Torino ovviamente tengo la stufa accesa e devo dire che non sento questa grossa mancanza il camper è caldo ugualmente. Ora io lo sto cercando di secondamano perchè lo voglio rimontare in previsione del vero freddo, Quello che mi chiedo senza il trumavent in qualche modo la stufa ne patisce ? posso compromettere il suo funzionamento?  mi fate sapere qualcosa? ed eventualmente c'e' una sezione dell usato su questo forum ? grazie in anticipo a tutti per le risposte buona giornata :)
...
Se non va la ventilazione il camper si scalda ugualmente, ma molto vicino alla stufa e poco nelle parti piu lontane. Se va sottozero, anche con camper bello caldo, potrebbero peròò gelarsi i tubi nelle cassapanche, cosa che si evita facendo circolare l aria.

Dicono di non tenere la stufa troppo alta senza ventilazione, per non rischiare che si surriscaldi e che possa deformarsi o creparsi, ma se la tieni sotto la metà, penso che non avrai problemi.

Secondo me, se va e non va, potrebbe anche esere possibile ripararlo, probabilmente sarà un cattivo contatto delle spazzole del motorino o qualcosa del genere. Ma se ci hai gia guardato bene e non ci sei riuscito, forse non è così semplice.

Quel tipo di stufa era usata su tutti i camper datati, secondo me se vai in qualche autodemolizione che abbia dei camper, potresti trovare cio che cerchi in quanto presente su tutti i camper.
Tanto sai bene come si smonta da dietro alla stufa, poche viti, e una volta che lo hai in mano si prova al volo su una batteria.
 
____________________________________

Tommaso IZ4DJI

www.iz4dji.it




Mr Haze
Mr Haze
-
Rispondi Abuso
Inserito il 17/12/2019 alle: 18:08:16
Ciao Izi4  grazie mille per le preziose informazioni  mi muoverò di conseguenza... ti tengo aggiornato :) 
La dolce quiete...
Argomenti recenti dal forum
Cellula abitativa
Comando Cp plus su Combi 6002
Buongiorno a tutti,volevo sapere se si può montare il comando cp plu...
Rickyge
Ieri alle: 16:00
Viaggi all'estero
Vignette/telepass oltre 35q in Cechia e Polonia
Buongiorno a tutti, stavo programmando un viaggio per vedere la Polo...
biomax
Ieri alle: 14:09
Cellula abitativa
Sportello presa cee
Lo sportello della presa del mio veicolo è mal ridotta, un paio di c...
gianninotopo
Ieri alle: 11:10
Altro sui camper
camper puro, furgonato x usarlo anche per lavori
buongiorno, mi frulla in testa la voglia anche se non per quest'anno...
vespucci
Ieri alle: 09:04
Altro sui camper
Cerco rimessaggio Arenzano,Genova,Savona,masone ec
Aiutoooo cerco rimessaggio nel raggio di 50km da Arenzano… grazie an...
Lelle007
Ieri alle: 01:19
Accessori
domanda secca su lifepo4
buonaser a tutti, prossimamente vorrei acquistare un box batteria d...
AlbertoPD
18/03/26 - 23:08
Cellula abitativa
Caricabatterie e colonnina 220v
Buonasera, non mi era mai capitato oppure non ci avevo fatto caso. S...
323232
18/03/26 - 20:17
Compagni di viaggio
Compagni viaggio Lombardia
Ciao, siamo una coppia di Milano, Matteo (34) e Angelica (40), con u...
Mario Dalgalla
18/03/26 - 17:16
Accessori
Striscia a led "d'atmosfera"
Salve vorrei mettere questa striscia (5mt. COB 45w) alla base dei ...
gianninotopo
18/03/26 - 16:43
Meccanica
Problema elettrico Fiat ducato X250 2.3 mjt 2012
Salve a tutti. Ho un grosso problema sul mio mezzo per quanto riguar...
Pizza77
18/03/26 - 10:30
Accessori
Impianto con lifepo4
Buongiorno a tutti, sono un novellino di questo fantastico mondo, ho...
The Box
18/03/26 - 09:16
Meccanica
Quantità olio circuito freni
Secondo voi, su un mezzo di 7 metri su telaio ALKO con interasse di ...
norbidic
18/03/26 - 06:57
Meccanica
luce fari ducato
Buonasera ragazzi, cruccio di Marzo. Volevo capire secondo le vostre...
fjordland
17/03/26 - 23:00
Aree di sosta e campeggi
Consigli soste
Buonasera, ad agosto partiremo da Napoli direzione Francia, vorremmo...
Mcar
17/03/26 - 22:42
Accessori
Scheda ne 185 .3
Buonasera sul pannello ne 268 non ho comunicazione con l' ne 185 , h...
mmazza
17/03/26 - 20:53
19
IZ4DJI
IZ4DJI
rating

12/11/2006 58356
Rispondi Abuso
Inserito il 17/12/2019 alle: 22:40:43
In risposta al messaggio di Mr Haze del 17/12/2019 alle 18:08:16

Ciao Izi4  grazie mille per le preziose informazioni  mi muoverò di conseguenza... ti tengo aggiornato :) 
Ci conto, e buon lavoro wink
____________________________________

Tommaso IZ4DJI

www.iz4dji.it




SostaGruppiCompagniItaliaEsteroMarchiMeccanicaCellulaAccessoriEventiLeggiComportamentiDisabiliIn camper perAltro CamperAltroExtra
167k Facebook
343k Instagram
42,6k TikTok
73,3k Youtube
CamperOnLine - Copyright © 1998-2026 - P.Iva 06953990014
Informativa privacy
Loading...

Accedi

Recupera Password
Nuovo utente

Vuoi eliminare il messaggio?

Sottoscrizione

Anteprima

PREFERENZA

Il messaggio è in fase di inserimento.

loading

CamperOnLine

Buongiorno gentile utente,

da oltre 20 anni Camperonline offre gratuitamente tutti i suoi servizi
grazie agli inserzionisti che ci hanno dato la loro fiducia, permettici di continuare il nostro lavoro disattivando il blocco delle pubblicità.

Grazie della collaborazione.

Azione eseguita con successo

Azione Fallita

Condividi

Condividi questa pagina con:

O copia il link