CamperOnLine
  • Camper
    • Camper usati
    • Camper nuovi
    • Produttori
    • Listino
    • Cataloghi
    • Concessionari e rete vendita
    • Noleggio
    • Van
    • Caravan
    • Fiere
    • Rimessaggi
    • Le prove di CamperOnLine
    • Provati da voi
    • Primo acquisto
    • Area professionisti
  • Accessori
    • Accessori e Prodotti
    • Camping Sport Magenta accessori
    • Produttori
    • Antenne TV
    • Ammortizzatori
    • GPS
    • Pneumatici
    • Rimorchi
    • Provati da Voi
    • Fai da te
  • Viaggi
    • Diari di viaggi in camper
    • Eventi
    • Foto
    • Check list
    • Traghetti
    • Trasporti
  • Sosta
    • Cerca Strutture
    • Sosta
    • Aree sosta camper
    • Campeggi
    • Agriturismi con sosta camper
    • App Camperonline App
    • 10 Consigli utili per la sosta
    • Area strutture
  • Forum
    • Tutti i Forum
    • Sosta
    • Gruppi
    • Compagni
    • Italia
    • Estero
    • Marchi
    • Meccanica
    • Cellula
    • Accessori
    • Eventi
    • Leggi
    • Comportamenti
    • Disabili
    • In camper per
    • Altro Camper
    • Altro
    • Extra
    • FAQ
    • Regolamento
    • Attivi
    • Preferiti
    • Cerca
  • Community
    • COL
    • CamperOnFest
    • Convenzioni Convenzioni
    • Amici
    • Furti
    • Informativa Privacy
    • Lavoro
  • COL
    • News
    • Newsletter
    • Pubblicità
    • Contatto
    • Ora
    • RSS RSS
    • Video
    • Facebook
    • Instagram
  • Magazine
  • Italiano
    • Bienvenue
    • Welcome
    • Willkommen
  • Accedi
CamperOnLine
Camping Sport Magenta
  1. Forum
  2. Tecnica
  3. Cellula abitativa
Galleria

Rinnovo Impianto elettrico

Rispondi
Cerca
SostaGruppiCompagniItaliaEsteroMarchiMeccanicaCellulaAccessoriEventiLeggiComportamentiDisabiliIn camper perAltro CamperAltroExtra
1 20 158
8
musami
musami
13/08/2017 120
Rispondi Abuso
Inserito il 04/03/2023 alle: 18:21:34
Ciao a tutti,
nelle settimane scorse mi avete aiutato a progettare il nuovo impianto per il camper Rimor X-GO Dynamic P28 di mio padre.
Penso di essere arrivato quasi alla fine.
Vorrei chiedervi un ultima mano per confermare che il disegno sia corretto e accurato.
Grazie a tutti in anticipo per il vostro tempo e i vostri consigli!
ciao
Michele
impianto_v1_13(1).png
Michele
10
rubylove
rubylove
rating

09/06/2015 5656
Rispondi Abuso
Inserito il 04/03/2023 alle: 19:59:06
Come schema di principio può andare ma va sviluppato con uno schema vero

Non vedo la ricarica da alternatore, te la sei dimenticata o che?
l'analogico non è il vecchio e il digitale il nuovo, no, non è così! Il digitale è solo un modo per rappresentare l'analogico, la natura, è analogica
8
musami
musami
13/08/2017 120
Rispondi Abuso
Inserito il 04/03/2023 alle: 20:09:47
Ciao, grazie mille! iniziavo a pensare che la mia richiesta fosse così noiosa da non ricevere nemmeno una risposta.
Se mi puoi dare qualche indicazione su come "sviluppare uno schema vero" te ne sarei grato.

Per la ricarica da alternatore, così come l'inserimento di un inverter, aspettavo di confermare la bontà dell'impianto che ho disegnato e poi aggiungere quei componenti.

Chiudo con una domanda che mi sta girando per la testa da un po': a quanto ne so quando le batterie ricevono la corrente dai pannelli, se accendo il motore il regolatore di carica solare si stacca per dare priorità all'alternatore. Ma chi fa questo mestiere?
Nel mio disegno regolatore di carica solare, carica batterie e eventuale dc-dc converter che non ho ancora inserito non si parlano. Non capisco quindi come possa funzionare questa gestione delle priorità!

Grazie ancora
ciao
Michele
 
Michele
10
rubylove
rubylove
rating

09/06/2015 5656
Rispondi Abuso
Inserito il 04/03/2023 alle: 23:24:59
In risposta al messaggio di musami del 04/03/2023 alle 20:09:47

Ciao, grazie mille! iniziavo a pensare che la mia richiesta fosse così noiosa da non ricevere nemmeno una risposta. Se mi puoi dare qualche indicazione su come sviluppare uno schema vero te ne sarei grato. Per la ricarica
da alternatore, così come l'inserimento di un inverter, aspettavo di confermare la bontà dell'impianto che ho disegnato e poi aggiungere quei componenti. Chiudo con una domanda che mi sta girando per la testa da un po': a quanto ne so quando le batterie ricevono la corrente dai pannelli, se accendo il motore il regolatore di carica solare si stacca per dare priorità all'alternatore. Ma chi fa questo mestiere? Nel mio disegno regolatore di carica solare, carica batterie e eventuale dc-dc converter che non ho ancora inserito non si parlano. Non capisco quindi come possa funzionare questa gestione delle priorità! Grazie ancora ciao Michele  
...
Normalmente le uscite dei dispositivi di ricarica sono tutte in parallelo e collegate ai morsetti della batteria, sono un tutt'uno, quindi la corrente (A) si somma, questo può essere gradito o meno, nel caso di una batteria normale può essere anche troppa in certi casi, nel caso di una batteria al litio è molto difficile mettere in crisi la batteria con una carica eccessiva, quindi più ce n'è e meglio è
Nel caso di Victron i dispositivi possono stare in rete e comunicare tra loro oppure semplicemente attivati / diasattivati attarverso un conduttore connesso al D+ o altri consensi
l'analogico non è il vecchio e il digitale il nuovo, no, non è così! Il digitale è solo un modo per rappresentare l'analogico, la natura, è analogica
8
musami
musami
13/08/2017 120
Rispondi Abuso
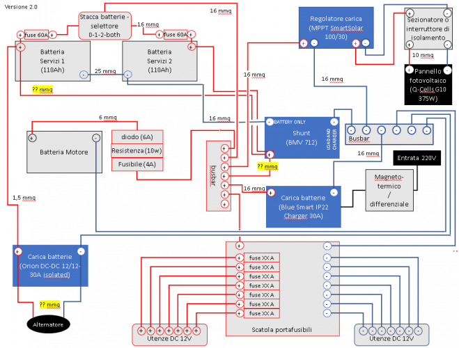
Inserito il 05/03/2023 alle: 00:49:43
Ciao,
grazie ancora. Ho collegato tutte le uscite + al busbar positivo, e tutte le uscite - al busbar negativo.
Le due busbar andranno ad una scatola portafusibili.
Anche l'eventuale inverter andrà attestato alle due busbar, ma non l'ho disegnato. 
Ti prego accetta questo schema anche se non è professionale, vedi se trovi qualche cosa che non è ben fatto.
Ho due dubbi sul carica batteria da inverter:
  1. negli schemi della victron lo attaccano alla batteria motore, e poi alla batteria servizi, ma se ho già collegato la batteria servizi alla batteria motore tramite il circuito fusibile+resistenza+diodo, non basta così per tenere sempre in carica la batteria motore?
  2. anche il carica batteria da inverter dovrebbe essere collegato al busbar?
grazie ancora
ciao
Michele

impianto_v2_0(1).png
Michele
Sala Silvergruva, la miniera d'argento
Sala Silvergruva, la miniera d'argento
Folgaria d’inverno in camper
Folgaria d’inverno in camper
Francia 2025
Francia 2025
Eksjo, la città di legno
Eksjo, la città di legno
Viaggio in Umbria e dintorni
Viaggio in Umbria e dintorni
Previous Next
6
speedy13
speedy13
28/10/2019 786
Rispondi Abuso
Inserito il 05/03/2023 alle: 09:50:43
Chiaritemi una cosa? 

Batteria motore senza carica ma solo con resistenza-diodo con 6mmq di cavo? Emme 48, padre di questa, dice cavo piccolo e attacco diretto BM/Bs
Resistenza -diodo, sotto  busbar sotto stacca batterie BS?
Stacca batterie solo su BS?
Alternatore che carica BS? Con un cavo da 1,5mmq?
Io ne so poco, ma mi sembra che qualche cosa non vada, poi parola ai più esperti.

 
Massimo
10
rubylove
rubylove
rating

09/06/2015 5656
Rispondi Abuso
Inserito il 05/03/2023 alle: 10:10:03
Togli la virgola dal cavo che va da orion a bs
di solito ci sono almeno 3 metri da bm a bs quindi 16 mmq
l'analogico non è il vecchio e il digitale il nuovo, no, non è così! Il digitale è solo un modo per rappresentare l'analogico, la natura, è analogica
8
musami
musami
13/08/2017 120
Rispondi Abuso
Inserito il 05/03/2023 alle: 21:09:59
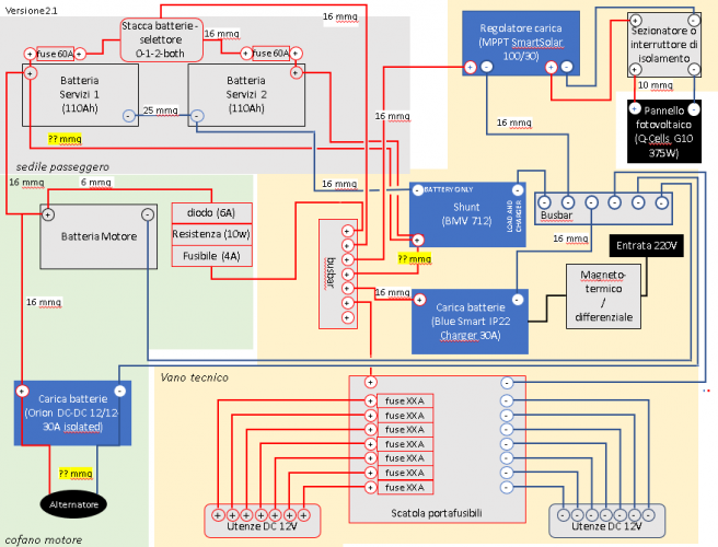
Ciao,
aggiornato l'impianto secondo indicazioni di Rubylove.
Per quanto riguarda le indicazioni di Speedy13 mi stai dicendo che il cavo da 6mmq del circuito diodo+resistenza non dovrebbe andare al barbus ma direttamente al polo positivo di una delle BS?

Avevo capito che il busbur fosse il centro stella di tutto il cablaggio.. 

impianto_v2_1.png
Michele
21
camper66
camper66
rating

20/11/2004 532
Rispondi Abuso
Inserito il 05/03/2023 alle: 21:25:04
Credo che Massimo (speedy) volesse suggerire che il cavo da 6mmq per il circuito diodo resistenza è inutilmente sovradimensionato; e io la penso come lui, per una corrente max di 4A basta molto meno (tipo 1,5... dipende poi dalla lunghezza). Per me va bene anche collegato al busbar, che comunque possibilmente prevederei molto vicino alle BS
Luca
8
musami
musami
13/08/2017 120
Rispondi Abuso
Inserito il 05/03/2023 alle: 22:05:59
Ciao Luca, grazie per la delucidazione.
Purtroppo per motivi di spazio le due batterie servizi saranno sotto il sedile passeggero, mentre i due busbar saranno nel vano dell'ex batteria servizi all'esterno del camper, dietro lo sportello dell'autista. Circa due metri di distanza.

Ok per Ia sezione ridotta del cavo.
Ma una domanda: al busbar non passerà un intensità pari alla somma di tutti gli apparecchi connessi? Se si, quel fusibile da 4A dovrebbe sciogliersi a tempo zero no?

Grazie
Ciao
Michele
 
Michele

Modificato da musami il 05/03/2023 alle 22:08:15
10
rubylove
rubylove
rating

09/06/2015 5656
Rispondi Abuso
Inserito il 05/03/2023 alle: 22:46:14
In risposta al messaggio di musami del 05/03/2023 alle 22:05:59

Ciao Luca, grazie per la delucidazione. Purtroppo per motivi di spazio le due batterie servizi saranno sotto il sedile passeggero, mentre i due busbar saranno nel vano dell'ex batteria servizi all'esterno del camper, dietro
lo sportello dell'autista. Circa due metri di distanza. Ok per Ia sezione ridotta del cavo. Ma una domanda: al busbar non passerà un intensità pari alla somma di tutti gli apparecchi connessi? Se si, quel fusibile da 4A dovrebbe sciogliersi a tempo zero no? Grazie Ciao Michele  
...
Ciao dovresti montare i tre moschettieri vicini e insieme al bus bar
dove?

 
l'analogico non è il vecchio e il digitale il nuovo, no, non è così! Il digitale è solo un modo per rappresentare l'analogico, la natura, è analogica
8
musami
musami
13/08/2017 120
Rispondi Abuso
Inserito il 05/03/2023 alle: 22:49:00
Nel vano dell'ex batteria servizi.
Quella all'esterno del camper dietro lo sportello autista.
Perché, vedi problemi?
Michele
Argomenti recenti dal forum
Viaggi in Italia
Giugno all'isola del Giglio
Buongiorno a tutti, sto valutando di trascorrere a fine giugno 4 gio...
Nanasso
28 minuti fa
Accessori
problema ds300 conversione al litio
Ciao a tutti ho montato due batterie al litio su elnagh big marlin ...
Mandracchio
Oggi alle 19:19
Meccanica
Rimozione cerniera porta cellula
Buongiorno, Ho la porta della cellula del mio mcluis steel 531g del...
Telix636
Oggi alle 16:39
Viaggi all'estero
Ruta Jubierre in Spagna
Come da titolo, c’è qualcuno che si è già avventurato a fare questa ...
Sparty91
Oggi alle 14:00
Viaggi all'estero
POLONIA viaggio Estivo
Ciao a tutti, che ne dite di un viaggio in Polonia per questa estate...
RMCamper2020
Oggi alle 12:11
Viaggi in Italia
Raggiungere le 5 terre
Ciao a tutti, ho un dubbio riguardo la strada da fare per raggiunger...
Maiamaia4
Oggi alle 07:58
Cellula abitativa
Indicatori di livello frigo Dometic
Ruotando la manopola di destra in senso orario del frigo DOMETIC si...
norbidic
Oggi alle 03:44
Meccanica
Tappo di carico olio trasmissione cercasi
Su Ducato x244 anno 2004, prima di svuotare l’olio del cambio volevo...
norbidic
Oggi alle 02:18
Meccanica
Acquisto ricambi usati (specchietto sinistro)
Ciao, mentre tornavamo da Valsesia camper per riparare la porta del ...
LaLory
Ieri alle: 22:15
Accessori
Istallazione dashcam anteriore su Ducato nuovo
Ciao a tutti ho un amico inglese che sta acquistando un campervan El...
solidsnork
Ieri alle: 16:50
Viaggi all'estero
Assicurazione viaggio x estero
Buongiorno a tutti, come da titolo volevo sapere se quando andate al...
cpuffo
Ieri alle: 16:20
Cellula abitativa
Luce cortesia Doral 161 - modello maxxima 063
Buongiorno a tutti, qualcuno di voi ha sostituito la lampada di cort...
daleo
Ieri alle: 13:22
Aree di sosta e campeggi
Campeggi zona Pisa a fine marzo
Ciao a tutti, a fine mese (weekend del 21 marzo) vorremmo fare qual...
Andre78
Ieri alle: 10:33
Accessori
Pannelli solari senza incollaggio
Ciao a tutti, cosa ne pensate di questa soluzione? un pò costosa ma ...
Karbon17
Ieri alle: 10:24
Accessori
Pannello solare incollato sul tetto
Buongiorno a tutti, ho notato che sul mio arca america 745 glg del 2...
Adocaro
Ieri alle: 08:38
10
rubylove
rubylove
rating

09/06/2015 5656
Rispondi Abuso
Inserito il 06/03/2023 alle: 00:02:11
In risposta al messaggio di musami del 05/03/2023 alle 22:49:00

Nel vano dell'ex batteria servizi. Quella all'esterno del camper dietro lo sportello autista. Perché, vedi problemi?
Volevo solo capire le distanze anche per le sezioni
se i  3 caricabbateria sono vicini alle batterie è meglio ma mi sembra di aver capito che non è possibile
occorre minimizzare la caduta di tensione tra caricabatterie e batterie, per questo ti ho detto di mettere un 16 mm
quindi dal motore devi andare dietro e poi sotto al sedile passeggero? 
l'analogico non è il vecchio e il digitale il nuovo, no, non è così! Il digitale è solo un modo per rappresentare l'analogico, la natura, è analogica
8
musami
musami
13/08/2017 120
Rispondi Abuso
Inserito il 06/03/2023 alle: 06:32:37
Per quanto riguarda la carica dall'alternatore si.
Forse ora capisci meglio perché ho fatto questo disegno strano, cercavo già di raffigurare tutto anche rispetto alle reali posizioni sul camper
Michele
10
rubylove
rubylove
rating

09/06/2015 5656
Rispondi Abuso
Inserito il 06/03/2023 alle: 06:59:35
In risposta al messaggio di musami del 06/03/2023 alle 06:32:37

Per quanto riguarda la carica dall'alternatore si. Forse ora capisci meglio perché ho fatto questo disegno strano, cercavo già di raffigurare tutto anche rispetto alle reali posizioni sul camper
Il collegamento dell'Orion alle batterie è errato
Hai praticamente collegato insieme tutti i positivi delle batterie
il collegamento alternatore batteria motore deve rimanere invariato cioè come è originale

Vicino alla bm ci va un portafusibile midival (max 100A) collegato al positivo della stessa e da quel portafusibile parte il cavo da 16 che entra in cellula e va all'ingresso dell'orion, il fusibile sarà da 40A midival e proteggerà il cavo tra bm e Orion, questo è un cavo che va inguainato con corrugato nel passaggio esterno interno e nel corrugato ce ne saranno altri, dove hai il D+?
 
l'analogico non è il vecchio e il digitale il nuovo, no, non è così! Il digitale è solo un modo per rappresentare l'analogico, la natura, è analogica

Modificato da rubylove il 06/03/2023 alle 07:06:28
10
rubylove
rubylove
rating

09/06/2015 5656
Rispondi Abuso
Inserito il 06/03/2023 alle: 07:03:46
In risposta al messaggio di musami del 06/03/2023 alle 06:32:37

Per quanto riguarda la carica dall'alternatore si. Forse ora capisci meglio perché ho fatto questo disegno strano, cercavo già di raffigurare tutto anche rispetto alle reali posizioni sul camper

Capisco che il tuo è solo un abbozzo ma l'Orion ha entrata e un'uscita oltre il controllo remote..
intanto scambia la posizione orion bm
La bm rimane attaccata all'alternatore 

Scusa ma questo impianto lo realizzi tu o.lo fai fare da qualcuno? 

 
l'analogico non è il vecchio e il digitale il nuovo, no, non è così! Il digitale è solo un modo per rappresentare l'analogico, la natura, è analogica

Modificato da rubylove il 06/03/2023 alle 07:12:11
10
rubylove
rubylove
rating

09/06/2015 5656
Rispondi Abuso
Inserito il 06/03/2023 alle: 07:59:05
I due collegamenti dalle due bs allo shunt sono errati 
lo shunt BMV12 ha un conduttore di alimentazione che va collegato al busbar + con un fusibile in vetro 5x20 gia in dotazione 
ma il BMV 712 ha anche due ingressi per misurare le tensioni di bs e bm, quindi non vanno collegati entrambi alle due bs ma uno alla bs e uno alla bm
oltretutto così se segui il collegamento, hai unito i due positivi delle due bs prima dello staccabatterie
suggerisco lo smartshunt che è uguale ma leggi i dati solo sul telefono invece che sul display e il telefono ma costa meno 

 
l'analogico non è il vecchio e il digitale il nuovo, no, non è così! Il digitale è solo un modo per rappresentare l'analogico, la natura, è analogica

Modificato da rubylove il 06/03/2023 alle 08:03:08
21
camper66
camper66
rating

20/11/2004 532
Rispondi Abuso
Inserito il 06/03/2023 alle: 08:54:41
In risposta al messaggio di musami del 05/03/2023 alle 22:05:59

Ciao Luca, grazie per la delucidazione. Purtroppo per motivi di spazio le due batterie servizi saranno sotto il sedile passeggero, mentre i due busbar saranno nel vano dell'ex batteria servizi all'esterno del camper, dietro
lo sportello dell'autista. Circa due metri di distanza. Ok per Ia sezione ridotta del cavo. Ma una domanda: al busbar non passerà un intensità pari alla somma di tutti gli apparecchi connessi? Se si, quel fusibile da 4A dovrebbe sciogliersi a tempo zero no? Grazie Ciao Michele  
...
La corrente tra BS e BM è limitata dalla caduta di tensione del diodo e dal valore della resistenza, tra le batterie si crea un equilibrio che comporta correnti bassissime, giusto per il mantenimento della BM. E' la legge di Ohm... Io ho un fusibile da 5A anziché 4 ma non credo faccia questa gran differenza
Luca

Modificato da camper66 il 06/03/2023 alle 08:56:02
6
Szopen
Szopen
rating

06/09/2019 5986
Rispondi Abuso
Inserito il 06/03/2023 alle: 12:32:45
In risposta al messaggio di musami del 05/03/2023 alle 21:09:59

Ciao, aggiornato l'impianto secondo indicazioni di Rubylove. Per quanto riguarda le indicazioni di Speedy13 mi stai dicendo che il cavo da 6mmq del circuito diodo+resistenza non dovrebbe andare al barbus ma direttamente al polo positivo di una delle BS? Avevo capito che il busbur fosse il centro stella di tutto il cablaggio.. 
Ciao, rubylove ti ha gia` dato suggerimenti importanti per i collegamenti dell`Orion e dello SmartShunt tuttavia, rimangongono degli errori, riprendendo questo schema:
 
  •  Sul cavo del circuito Diodo+Resistenza manca un fusibile da 4/5A subito in partenza dalla BM mentre l`altro capo del cavo puoi collegarlo al BusBar positivo se ti e` piu vicino/comodo.
 
  • Per quanto riguarda l`Orion invece,  la versione ISOLATED e` inutile nonche` piu` costosa in un camper poiche i NEGATIVI verranno comunque in contatto tra loro, a questo punto conviene e non solo per il costo, mettere un Orion 12-12 / 30 NON ISOLATED, collega con cavi e fusibili come suggerito da rubylove, dal positivo BM ad ingresso ORION, da questo esci con cavo sempre protetto da fusibile e ti colleghi o al BusBar positivo oppure al contatto COM dello staccabatterie presente tra le 2 BS.
  • Dall`unico contatto (centrale) negativo dell`Orion colleghi un cavo (della stessa sezione dei positivi) nel punto a te piu` vicino/comodo, cioe`, Negativo BM, Telaio o BusBar Negativo.

Ciro.
 
 
nomade analogico e fanciulla all'imbrunire. Non ho nulla da vendere nè consigli da dare, solo qualche piccolo suggerimento da prendere con le pinze, possibilmente, amperometriche. Buoni Km a tutti e......... rammentate sempre che....... TESTAR NON NUOCE!

Modificato da Szopen il 06/03/2023 alle 12:40:31
8
musami
musami
13/08/2017 120
Rispondi Abuso
Inserito il 06/03/2023 alle: 13:46:31
In risposta al messaggio di rubylove del 06/03/2023 alle 06:59:35

Il collegamento dell'Orion alle batterie è errato Hai praticamente collegato insieme tutti i positivi delle batterie il collegamento alternatore batteria motore deve rimanere invariato cioè come è originale Vicino alla
bm ci va un portafusibile midival (max 100A) collegato al positivo della stessa e da quel portafusibile parte il cavo da 16 che entra in cellula e va all'ingresso dell'orion, il fusibile sarà da 40A midival e proteggerà il cavo tra bm e Orion, questo è un cavo che va inguainato con corrugato nel passaggio esterno interno e nel corrugato ce ne saranno altri, dove hai il D+?  
...
Ciao,
ok grazie, corretto il disegno.
Purtroppo non ho idea di dove sia il D+. 
Ora leggo gli altri tuoi interventi e aggiorno tutto.
Grazie ancora
Michele
 
Michele
8
musami
musami
13/08/2017 120
Rispondi Abuso
Inserito il 06/03/2023 alle: 13:48:20
In risposta al messaggio di rubylove del 06/03/2023 alle 07:03:46

Capisco che il tuo è solo un abbozzo ma l'Orion ha entrata e un'uscita oltre il controllo remote.. intanto scambia la posizione orion bm La bm rimane attaccata all'alternatore  Scusa ma questo impianto lo realizzi tu o.lo fai fare da qualcuno?   
Faccio fare, ma voglio imparare e capire tutto prima di darlo in mano e incrociare le dita :-)
abbi pazienda, penso che stiamo per arrivarci (vero!?!?!)
Michele
SostaGruppiCompagniItaliaEsteroMarchiMeccanicaCellulaAccessoriEventiLeggiComportamentiDisabiliIn camper perAltro CamperAltroExtra
167k Facebook
343k Instagram
42,6k TikTok
73,3k Youtube
CamperOnLine - Copyright © 1998-2026 - P.Iva 06953990014
Informativa privacy
Loading...

Accedi

Recupera Password
Nuovo utente

Vuoi eliminare il messaggio?

Sottoscrizione

Anteprima

PREFERENZA

Il messaggio è in fase di inserimento.

loading

CamperOnLine

Buongiorno gentile utente,

da oltre 20 anni Camperonline offre gratuitamente tutti i suoi servizi
grazie agli inserzionisti che ci hanno dato la loro fiducia, permettici di continuare il nostro lavoro disattivando il blocco delle pubblicità.

Grazie della collaborazione.

Azione eseguita con successo

Azione Fallita

Condividi

Condividi questa pagina con:

O copia il link