CamperOnLine
  • Camper
    • Camper usati
    • Camper nuovi
    • Produttori
    • Listino
    • Cataloghi
    • Concessionari e rete vendita
    • Noleggio
    • Van
    • Caravan
    • Fiere
    • Rimessaggi
    • Le prove di CamperOnLine
    • Provati da voi
    • Primo acquisto
    • Area professionisti
  • Accessori
    • Accessori e Prodotti
    • Camping Sport Magenta accessori
    • Produttori
    • Antenne TV
    • Ammortizzatori
    • GPS
    • Pneumatici
    • Rimorchi
    • Provati da Voi
    • Fai da te
  • Viaggi
    • Diari di viaggi in camper
    • Eventi
    • Foto
    • Check list
    • Traghetti
    • Trasporti
  • Sosta
    • Cerca Strutture
    • Sosta
    • Aree sosta camper
    • Campeggi
    • Agriturismi con sosta camper
    • App Camperonline App
    • 10 Consigli utili per la sosta
    • Area strutture
  • Forum
    • Tutti i Forum
    • Sosta
    • Gruppi
    • Compagni
    • Italia
    • Estero
    • Marchi
    • Meccanica
    • Cellula
    • Accessori
    • Eventi
    • Leggi
    • Comportamenti
    • Disabili
    • In camper per
    • Altro Camper
    • Altro
    • Extra
    • FAQ
    • Regolamento
    • Attivi
    • Preferiti
    • Cerca
  • Community
    • COL
    • CamperOnFest
    • Convenzioni Convenzioni
    • Amici
    • Furti
    • Informativa Privacy
    • Lavoro
  • COL
    • News
    • Newsletter
    • Pubblicità
    • Contatto
    • Ora
    • RSS RSS
    • Video
    • Facebook
    • Instagram
  • Magazine
  • Italiano
    • Bienvenue
    • Welcome
    • Willkommen
  • Accedi
CamperOnLine
Camping Sport Magenta
  1. Forum
  2. Tecnica
  3. Cellula abitativa
Galleria

Rinnovo Impianto elettrico

Rispondi
Cerca
SostaGruppiCompagniItaliaEsteroMarchiMeccanicaCellulaAccessoriEventiLeggiComportamentiDisabiliIn camper perAltro CamperAltroExtra
3 20 158
6
Szopen
Szopen
rating

06/09/2019 5990
Rispondi Abuso
Inserito il 06/03/2023 alle: 23:01:54
In risposta al messaggio di rubylove del 06/03/2023 alle 22:47:29

Ciro non serve il parallelatore manuale perchè è proprio il cyrix che fa da paralleleatore manuale, il cyrix automatico sarebbe attivo solo a motore spento per il mantenimento della BM, il diodo+ resistenza non servirebbero in questo caso  
Come parallellatore manuale intendevo la funzione dello Smart Assist nel Cyrix.

Il diodo+resistenza lo lascerei poiché funziona sempre mentre il Cyrix lavora a determinate tensioni ma sarà utile ed efficace in caso di avviamento da BS.

Nel mio caso questo contatto avviene manualmente a mezzo di uno staccabatterie che supporta fino a 300A altrimenti dovrei mettere un Cyrix da 230A o da 400A.

Ciro. 
nomade analogico e fanciulla all'imbrunire. Non ho nulla da vendere nè consigli da dare, solo qualche piccolo suggerimento da prendere con le pinze, possibilmente, amperometriche. Buoni Km a tutti e......... rammentate sempre che....... TESTAR NON NUOCE!
8
musami
musami
13/08/2017 120
Rispondi Abuso
Inserito il 06/03/2023 alle: 23:17:35
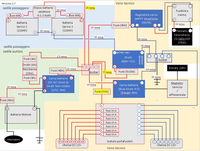
Fatto tuttto!
Per il Cyrix me lo studio domani o dopo domani, non ho ben capito perchè non ho visto nulla a riguardo e ho timore delle reazioni oltremare se aggiungessi un ulteriore componente: siamo partiti con "cambiamo il pannello fotovoltaico" per avere un po' più di autonomia e poi mi è scappata la frizione :-) . Anche se mi interessa perchè ho capito l'utilizzo e penso sia importante.
versione 2.7:
impianto_v2_7(2).png
Michele

Modificato da musami il 06/03/2023 alle 23:29:53
8
musami
musami
13/08/2017 120
Rispondi Abuso
Inserito il 07/03/2023 alle: 00:17:02
In risposta al messaggio di Szopen del 06/03/2023 alle 19:07:09

Leggere la tensione della BM a riposo è molto comodo ma, così com'è nel tuo schema questo non avverrà mai a meno che tu non voglia alzarti alle 3 di notte e controllare. Ti spiego, la BM se ne sta buona buona a riposo
nel cofano motore con i suoi 12,8V misurati col tester nel mentre le BS, grazie ad esempio alla ricarica dei pannelli ed alla bella giornata di sole, raggiungono la fase di assorbimento diciamo 14,4V ora, il collegamento del circuito diodo+resistenza porterà alla BM una tensione superiore a 13,5V (questa tensione varia in base al diodo utilizzato), anche quando le BS raggiungeranno la fase di mantenimento si avrà generalmente una tensione di 13,8V e sulla BM leggerai poco più di 13V. In pratica, la reale tensione della BM non la leggi mai se non appunto di notte e con tutti i sistemi di ricarica disattivati o spenti. Ciro.
...
Ciro, stavo ripensando alla tua spiegazione.. ma quando il camper è fermo?
In inverno teniamo il camper in campagna, coperto da una tettoia. In quel caso è come se fossero le 3 di notte: nessun pannello, e un colpetto di 220 ogni tanto. Ora, è vero che mettendo il BlueSmart IP22 posso sempre lasciare la 220 senza il timore di rovinare le BS, ma nello scenario in cui è tutto staccato, troveresti corretto poter monitorare la tensione della BM?
È giusto per capire e non precludermi una possibilità visto che il BMV-712 me lo permette.
Che ne pensi?

Grazie
ciao
Michele
 
Michele

Modificato da musami il 07/03/2023 alle 00:33:03
7
Hunter85
Hunter85
15/06/2018 11024
Rispondi Abuso
Inserito il 07/03/2023 alle: 00:32:41
In risposta al messaggio di musami del 07/03/2023 alle 00:17:02

Ciro, stavo ripensando alla tua spiegazione.. ma quando il camper è fermo? In inverno teniamo il camper in campagna, coperto da una tettoia. In quel caso è come se fossero le 3 di notte: nessun pannello, e un colpetto di
220 ogni tanto. Ora, è vero che mettendo il BlueSmart IP22 posso sempre lasciare la 220 senza il timore di rovinare le BS, ma nello scenario in cui è tutto staccato, troveresti corretto poter monitorare la tensione della BM? È giusto per capire e non precludermi una possibilità visto che il BMV-712 me lo permette. Che ne pensi? Grazie ciao Michele  
...
Certo che la tensione della bm del BMV o smartshunt è da usare e comoda (se non hai bisogno della funzione relè ti sconsiglio il BMv e ti consiglio lo smartshunt.. sono IDENTICI salvo che lo smartshunt non ha quel brutto display da cablare e fissare, ma tutto su smartphone).
tanto userai lo smartphone con victron Connect per tutto il resto.. è un peccato avere il BMv su un display scomodissimo.
Con lo smartshunt hai tutto a colpo d'occhio su victron Connect insieme a tutti i dispositivi.
Screenshot_2023-02-11-10-22-09-724_com_victronenergy_victronconnect.jpg

Al massimo puoi scegliere se usare lnuscita AUX per il sensore di temperatura e avere così anche la compensazione della capacità della batteria per temperatura...ma secondo me è molto più utile la tensione BM sul camper dove le bs non hanno enormi sbalzi di temperatura tali da alterare molto la capacità e da dover aver bisogno che il BMv o smartshunt considerino questo coefficiente. Dopo una notte a -8 e cabina isolata io ho le bs in cabina a 9 gradi..la capacità semmai in questi casi se sei fissato la puoi ridurre tu nelle impostazioni secondo la scheda tecnica della batteria che da questo dato per grado .

Poi, sapere Che a 30 gradi la capacità è al 105 % non è una cosa fondamentale .
Solo se hai continui sbalzi tra 30 gradi e -10 allora è indispensabile il sensore di temperatura per una stima corretta da parte del BMV. Ma non è il.caso dinunnuso normale.

La 3a possibile funzione del punto medio di tensione invece non ti serve perché è riservata solo al monitoraggio di batterie innserie per valutarne il bilanciamento durante la carica.
In un mondo dove il male è di casa e ha vinto sempre, Dove regna il capitale, oggi più spietatamente, Riusciranno questo brocco e questo inutile scudiero Al Potere dare scacco e salvare il mondo intero?
Sala Silvergruva, la miniera d'argento
Sala Silvergruva, la miniera d'argento
Folgaria d’inverno in camper
Folgaria d’inverno in camper
Francia 2025
Francia 2025
Eksjo, la città di legno
Eksjo, la città di legno
Viaggio in Umbria e dintorni
Viaggio in Umbria e dintorni
Previous Next
7
Hunter85
Hunter85
15/06/2018 11024
Rispondi Abuso
Inserito il 07/03/2023 alle: 00:36:06
In risposta al messaggio di Szopen del 06/03/2023 alle 23:01:54

Come parallellatore manuale intendevo la funzione dello Smart Assist nel Cyrix. Il diodo+resistenza lo lascerei poiché funziona sempre mentre il Cyrix lavora a determinate tensioni ma sarà utile ed efficace in caso di
avviamento da BS. Nel mio caso questo contatto avviene manualmente a mezzo di uno staccabatterie che supporta fino a 300A altrimenti dovrei mettere un Cyrix da 230A o da 400A. Ciro. 
...
Il.diodo più resistenza tecnicamente è più sicuro del cyrix per la bm. Il cyrix fa ripetere Ogni giorno un tempo di assorbimento completo all bm già carica..se è una AGM non è ideale.
In un mondo dove il male è di casa e ha vinto sempre, Dove regna il capitale, oggi più spietatamente, Riusciranno questo brocco e questo inutile scudiero Al Potere dare scacco e salvare il mondo intero?
8
musami
musami
13/08/2017 120
Rispondi Abuso
Inserito il 07/03/2023 alle: 00:50:02
Grazie per i consigli.
Ho studiato la differenza fra BVM e SmartShunt, e ero proprio incuriosito dal controllo relè: nel caso di bassa tensione avrei potuto staccare il secondo frigo o fare scattare un allarme.. rivedrò la differenza di prezzo e ci penso di nuovo su (dici che una volta abituatio all'applicazione non userò mai il mini display vero?)
Per il controllo temperature avevo già messo nel carrello amazn lo Smart Battery Sense, che anche se non necessario per il clima mite mi piaceva l'idea che comunicasse con lo Smart Solar per compensare cadute di tensione.
Non volevo mettere ora troppa carne al fuoco a per non distogliere l'attenzione dall'impianto che è la cosa importante, e lasciare le pippologie alla fine.
Per "fortuna" questi aggeggi costano, altrimenti questo camper lo farei diventare un albero di Natale.

Grazie ancora
Michele
Michele
8
musami
musami
13/08/2017 120
Rispondi Abuso
Inserito il 07/03/2023 alle: 00:58:37
In risposta al messaggio di Hunter85 del 07/03/2023 alle 00:36:06

Il.diodo più resistenza tecnicamente è più sicuro del cyrix per la bm. Il cyrix fa ripetere Ogni giorno un tempo di assorbimento completo all bm già carica..se è una AGM non è ideale.
Nuooooo questo intervento mi rimette in discussione il Ciryx.. dai per ora punto sul circuito di Emme48 (sempre se sarò/saranno in grado di farmelo, ma per ora consolidiamo la teoria)
Notte 
Michele
Michele
6
Szopen
Szopen
rating

06/09/2019 5990
Rispondi Abuso
Inserito il 07/03/2023 alle: 12:55:49
In risposta al messaggio di musami del 07/03/2023 alle 00:58:37

Nuooooo questo intervento mi rimette in discussione il Ciryx.. dai per ora punto sul circuito di Emme48 (sempre se sarò/saranno in grado di farmelo, ma per ora consolidiamo la teoria) Notte  Michele
Il problema non sta nel Cyrix ma nel diodo+resistenza il quale mette in parallelo BS e BM, il cavo per la lettura della tensione della BM restituirà allo Smartshunt o al BVM un valore leggermente abbassato ma sempre simile a quello delle BS.

Si potrebbe risolvere montando un'interruttore con spia sul circuito diodo+resistenza in questo modo potrai temporaneamente leggere la tensione della BM naturalmente, l'alimentazione alla spia dell'interruttore andrebbe sul lato BS ma, mettendola sul lato BM indicherà anche la continua bontà del circuito. 

Col Cyrix invece nel momento in cui raggiungerai le soglie impostate sullo Smartshunt o BVM comincerai a leggere correttamente la tensione della BM. 

Ciro.
nomade analogico e fanciulla all'imbrunire. Non ho nulla da vendere nè consigli da dare, solo qualche piccolo suggerimento da prendere con le pinze, possibilmente, amperometriche. Buoni Km a tutti e......... rammentate sempre che....... TESTAR NON NUOCE!
8
musami
musami
13/08/2017 120
Rispondi Abuso
Inserito il 07/03/2023 alle: 13:35:16
Ok grazie per le delucidazioni.
E' anche vero che con il circuito diodo restistenza se sulla BM leggo una tensione simile alla BS significa pure che la BM è carica, quindi il problema di restare a piedi è risolto... o quanto meno arginato.

Ma quindi con queste ultime dritte considerate l'impianto consluso e corretto?

Grazie
ciao
Michele

 
Michele
6
Szopen
Szopen
rating

06/09/2019 5990
Rispondi Abuso
Inserito il 07/03/2023 alle: 13:46:17
In risposta al messaggio di musami del 07/03/2023 alle 13:35:16

Ok grazie per le delucidazioni. E' anche vero che con il circuito diodo restistenza se sulla BM leggo una tensione simile alla BS significa pure che la BM è carica, quindi il problema di restare a piedi è risolto... o quanto meno arginato. Ma quindi con queste ultime dritte considerate l'impianto consluso e corretto? Grazie ciao Michele  
Assolutamente NO!

La lettura restituisce un valore maggiore che è quello della BS, se stacchi completamente il circuito o togli il fusibile e dopo qualche minuto misuri ai morsetti la BM quest'ultima potrebbe essere anche a meno di 11V e il problema di restare a piedi è più che mai certo. 

Ciro. 
nomade analogico e fanciulla all'imbrunire. Non ho nulla da vendere nè consigli da dare, solo qualche piccolo suggerimento da prendere con le pinze, possibilmente, amperometriche. Buoni Km a tutti e......... rammentate sempre che....... TESTAR NON NUOCE!
10
rubylove
rubylove
rating

09/06/2015 5664
Rispondi Abuso
Inserito il 07/03/2023 alle: 14:30:24
In risposta al messaggio di Szopen del 06/03/2023 alle 23:01:54

Come parallellatore manuale intendevo la funzione dello Smart Assist nel Cyrix. Il diodo+resistenza lo lascerei poiché funziona sempre mentre il Cyrix lavora a determinate tensioni ma sarà utile ed efficace in caso di
avviamento da BS. Nel mio caso questo contatto avviene manualmente a mezzo di uno staccabatterie che supporta fino a 300A altrimenti dovrei mettere un Cyrix da 230A o da 400A. Ciro. 
...
Se il cyrix serve solo come parallelatore di emergenza e non per la ricarica è meglio mettere solo il parallelatore manuale

inoltre il cyrix insieme all'orion va gestito con componenti aggiuntivi altrimenti se lo lasci cosi com'è, quando metti in moto chiude e cortocircuita l'Orion che a quel punto è come se non ci fosse
a motore in moto il cyrix va disabilitato
Non credo che l'Orion gradisca il cortocircuito ingresso uscita!laugh



 
l'analogico non è il vecchio e il digitale il nuovo, no, non è così! Il digitale è solo un modo per rappresentare l'analogico, la natura, è analogica

Modificato da rubylove il 07/03/2023 alle 14:33:30
Argomenti recenti dal forum
Accessori
Inverter - sicurezza
Buongiorno, ho visto che ci sono discussioni simili a quella che pro...
gianninotopo
Oggi alle 11:48
Accessori
Dimensionamento nuovo DC-DC
Ciao a tutti, Premesso che l'impianto Litio terminato da qualche tem...
maaaxxx
Oggi alle 10:04
Accessori
Mantenere la Batteria Motore carica con una PS
Siamo in tema di mantenimento della carica della BM. Si sta palesand...
Paolo62
Oggi alle 09:02
Altro non sui camper
Tiro al piccione
No, niente armi da fuoco, i simpatici pennuti sono salvi. È un nuov...
Emme48
Oggi alle 07:48
Viaggi in Italia
Giugno all'isola del Giglio
Buongiorno a tutti, sto valutando di trascorrere a fine giugno 4 gio...
Nanasso
Ieri alle: 21:16
Accessori
problema ds300 conversione al litio
Ciao a tutti ho montato due batterie al litio su elnagh big marlin ...
Mandracchio
Ieri alle: 19:19
Cellula abitativa
Rimozione cerniera porta cellula
Buongiorno, Ho la porta della cellula del mio mcluis steel 531g del...
Telix636
Ieri alle: 16:39
Viaggi all'estero
Ruta Jubierre in Spagna
Come da titolo, c’è qualcuno che si è già avventurato a fare questa ...
Sparty91
Ieri alle: 14:00
Viaggi all'estero
Polonia viaggio Estivo
Ciao a tutti, che ne dite di un viaggio in Polonia per questa estate...
RMCamper2020
Ieri alle: 12:11
Viaggi in Italia
Raggiungere le 5 terre
Ciao a tutti, ho un dubbio riguardo la strada da fare per raggiunger...
Maiamaia4
Ieri alle: 07:58
Cellula abitativa
Indicatori di livello frigo Dometic
Ruotando la manopola di destra in senso orario del frigo DOMETIC si...
norbidic
Ieri alle: 03:44
Meccanica
Tappo di carico olio trasmissione cercasi
Su Ducato x244 anno 2004, prima di svuotare l’olio del cambio volevo...
norbidic
Ieri alle: 02:18
Meccanica
Acquisto ricambi usati (specchietto sinistro)
Ciao, mentre tornavamo da Valsesia camper per riparare la porta del ...
LaLory
11/03/26 - 22:15
Accessori
Istallazione dashcam anteriore su Ducato nuovo
Ciao a tutti ho un amico inglese che sta acquistando un campervan El...
solidsnork
11/03/26 - 16:50
Viaggi all'estero
Assicurazione viaggio x estero
Buongiorno a tutti, come da titolo volevo sapere se quando andate al...
cpuffo
11/03/26 - 16:20
10
rubylove
rubylove
rating

09/06/2015 5664
Rispondi Abuso
Inserito il 07/03/2023 alle: 14:49:23
In risposta al messaggio di Hunter85 del 07/03/2023 alle 00:36:06

Il.diodo più resistenza tecnicamente è più sicuro del cyrix per la bm. Il cyrix fa ripetere Ogni giorno un tempo di assorbimento completo all bm già carica..se è una AGM non è ideale.
Perchè è piu sicuro?
il Cyrix viene usato per la ricarica bidirezionale da tutti o quasi, non è il sistema ideale di ricarica soprattutto se lo usi anche come parallelatore di emergenza ma in questo caso la ricarica la fa l'Orion il cyrix farebbe normalmente solo il mantenitore per quella motore e il fatto che faccia un ciclo di assorbimento equivale a mettere in moto il motore con la differenza che l'alternatore eroga senza limiti,  mentre il cyrix chiude solo il contatto e se dall'altra parte c'e un caricabattetia da 30A al massimo gli arriva quella corrente ma trovandola carica non circola nulla e la tensione si abbasserà al mantenimento
Il cyrix in questo caso farebbe da 1) emergenza per messa in moto 2) mantenitore della bm 3) parallelatore per corrente extra ( io lo uso per il compressore) 4) ricarica di riserva in caso di guasto all'Orion
 
l'analogico non è il vecchio e il digitale il nuovo, no, non è così! Il digitale è solo un modo per rappresentare l'analogico, la natura, è analogica

Modificato da rubylove il 07/03/2023 alle 14:55:56
8
musami
musami
13/08/2017 120
Rispondi Abuso
Inserito il 07/03/2023 alle: 15:02:28
Ciao,
a parte la parentesi di quanto possa essere utile o meno il Cirix, non vorrei si stesse mettendo in discussione il circuito diodo+resistenza per il mentenimento della carica sulla BM.

Ciro dice (cito): 
  • "..Il problema non sta nel Cyrix ma nel diodo+resistenza il quale mette in parallelo BS e BM, il cavo per la lettura della tensione della BM restituirà allo Smartshunt o al BVM un valore leggermente abbassato ma sempre simile a quello delle BS.."
Il che significa che il circuito sta facendo il suo dovere, cioè fa passare corrente dalle BS alla BM, corretto?

Poi io aggiungo:
  • "..il problema di restare a piedi è risolto... o quanto meno arginato.."
e infine Ciro conclude:
  • "..se stacchi completamente il circuito o togli il fusibile e dopo qualche minuto misuri ai morsetti la BM quest'ultima potrebbe essere anche a meno di 11V e il problema di restare a piedi è più che mai certo.."

Questa conclusione mette in discussione l'efficacia del circuito diodo+resistenza? o mi sto perdendo qualcosa?

grazie ancora
buon pomeriggio a tutti
Michele
 
Michele

Modificato da musami il 07/03/2023 alle 15:03:42
10
rubylove
rubylove
rating

09/06/2015 5664
Rispondi Abuso
Inserito il 07/03/2023 alle: 15:32:03
In risposta al messaggio di musami del 07/03/2023 alle 15:02:28

Ciao, a parte la parentesi di quanto possa essere utile o meno il Cirix, non vorrei si stesse mettendo in discussione il circuito diodo+resistenza per il mentenimento della carica sulla BM. Ciro dice (cito): ..Il problema
non sta nel Cyrix ma nel diodo+resistenza il quale mette in parallelo BS e BM, il cavo per la lettura della tensione della BM restituirà allo Smartshunt o al BVM un valore leggermente abbassato ma sempre simile a quello delle BS..Il che significa che il circuito sta facendo il suo dovere, cioè fa passare corrente dalle BS alla BM, corretto? Poi io aggiungo:..il problema di restare a piedi è risolto... o quanto meno arginato..e infine Ciro conclude:..se stacchi completamente il circuito o togli il fusibile e dopo qualche minuto misuri ai morsetti la BM quest'ultima potrebbe essere anche a meno di 11V e il problema di restare a piedi è più che mai certo.. Questa conclusione mette in discussione l'efficacia del circuito diodo+resistenza? o mi sto perdendo qualcosa? grazie ancora buon pomeriggio a tutti Michele  
...
non te lo saprei dire con certezza 
però io ho il cyrix che fa tutto quello che serve non solo il mantenimento
non conoscendolo non ti so dire molto, dal punto vista elettrico la resistenza limita la corrente e il diodo oltre ad introdurre una caduta di tensione di 0,6V evita che la corrente circoli dalla batteria motore verso la battteria servizi, i due componenti insieme fanno si che al massimo circolino 4A (mi sembra)  e la tensione non sia troppo alta (solo mantenimento)
Il tutto di sicuro funziona ed è collaudato da parecchi utilizzatori

L'unico dubbio che ho è cosa succede se non c'è ricarica, la bs continua a riversarsi sulla bm ma quando le tensioni sono uguali si ferma il livellamento, dato però che la bm ha sempre qualcosa collegato se il mezzo è recente, la bm piano piano calerà ancora e mano a mano che cala la tensione la bs butta dentro e cala anche lei..
alla fine saranno scariche entrambe ma non sò dopo quanto tempo e non sono neanche sicuro, si dovrebbe provare.
per me o uno o l'altro, entrambi non serve
tra i due il cyrix fa molto di più ma ha un costo

 
l'analogico non è il vecchio e il digitale il nuovo, no, non è così! Il digitale è solo un modo per rappresentare l'analogico, la natura, è analogica

Modificato da rubylove il 07/03/2023 alle 17:23:57
8
musami
musami
13/08/2017 120
Rispondi Abuso
Inserito il 07/03/2023 alle: 17:19:14
Ciao,
chiaro, e mi ritrovo col tuo ragionamento.
E' vero anche che trovo cosa buona e giusta che le BS cedano un po' di energia alla BM, a maggior ragione come come evienzi tu, sulla BM c'è sempre qualcosa di attaccato.

Se mi date conferma che l'impianto è completo e corretto mi prendo qualche giorno per studiare sto benedetto Cyrix, e poi sciogliere qualche ultimo dubbio (es uno o due Smart Battery Sense? l'Energy Blue Smart IP22 con una o tre uscite?)

Grazie ancora per il vostro tempo!
Ciao
Michele
 
Michele
7
Hunter85
Hunter85
15/06/2018 11024
Rispondi Abuso
Inserito il 07/03/2023 alle: 18:55:42
In risposta al messaggio di musami del 07/03/2023 alle 13:35:16

Ok grazie per le delucidazioni. E' anche vero che con il circuito diodo restistenza se sulla BM leggo una tensione simile alla BS significa pure che la BM è carica, quindi il problema di restare a piedi è risolto... o quanto meno arginato. Ma quindi con queste ultime dritte considerate l'impianto consluso e corretto? Grazie ciao Michele  
Con smartshunt/bmv e cavo sense sulla bm vedi sempre la tensione corretta della bm..sia sotto diodo, sia sotto cyrix staccato o attaccato.
il cyrix ripeto che ti copia il caricatore sulla bs ogni giorno.. quindi fa un assorbimento completo di 1 o 2 ore tutti i giorni a una bm già carica. Non è tragico se la bm è ad acido..se è AGM e avviene tutti i giorni dell' anno ..non lo so... In realtà anche in una una bs sotto solare tutti i giorni in rimessa andrebbe alleggerito o eliminato il tempo di assorbimento sul regolatore solare(10/20 minuti al giorno bastano)..

Perché vuoi 2 battery sense? 
Se usi il cavetto sense del BMV smartshunt non ti serve il secondo battery sense.

Se sul BMv/SMARTSHUNT usi il sensore temperatura al posto del cavetto di sense bm(purtroppo BMv e smartshunt non ricevono la temperatura da battery sense ma solo col loro sensore da acquistare a parte angry), allora hai bisogno sempre di un solo battery sense..ma sulla bm..per avere la sua tensióne.
Perché in questo caso il BMv/smartshunt sarà in grado di comunicare la tensione bs e temperatura bs a tutti i dispositivi al posto di un battery sense.

Riassumendo puoi scegliere se 
-Un battery sense sulla bs e cavo tensione bm sullo smartshunt/bmv
-un battery sense sulla bm solo per avere la sua tensióne, e un sensore di temperatura su smartshunt/BMv sulla bs, che invierà tensione e temperatura bs a tutti i dispositivi, e in aggiunta farà fare Allo smartshunt la compensazione di capacità e soc per temperatura.

Con la seconda configurazione hai le stesse informazioni ma una funzione in più sul BMv SMARTSHUNT.
In un mondo dove il male è di casa e ha vinto sempre, Dove regna il capitale, oggi più spietatamente, Riusciranno questo brocco e questo inutile scudiero Al Potere dare scacco e salvare il mondo intero?
8
musami
musami
13/08/2017 120
Rispondi Abuso
Inserito il 07/03/2023 alle: 19:58:30
Ciao,
io pensavo, dimentico la BM, mi affido al cavo diodo+resistenza. 
Due Smart Battery Sense per le rispettive BS per poter leggere direttamente sia temperature di entrambe ma soprattutto la tensione a valle dei cavi.
Il sensore temperatura, con il cavetto extra da comprare... (rullo di tamburi) lo vorrei mettere dentro il famoso vano tecnico dove ci andranno tutti i componenti per capire che temperature raggiunge. Chissà perchè parcheggio sempre con quel lato al sole, e magari mi accorco di dover aiutare la dissipazione con una ventolina aggiuntiva.

può tornare?

ciao
Michele
 
Michele
8
musami
musami
13/08/2017 120
Rispondi Abuso
Inserito il 07/03/2023 alle: 23:24:32
impianto_v2_8.png
- aggiunti i due Smart Battery Sense, uno per ogni BS
- aggiunto sensore temperatura per monitorare i gradi all'interno del vano tecnico
 
Michele
10
rubylove
rubylove
rating

09/06/2015 5664
Rispondi Abuso
Inserito il 08/03/2023 alle: 09:19:28
Mancano i collegamenti di segnale dei singoli caricatori, se non si vogliono eventualmente disabilitare si possono non usare ma l'Orion va collegato al D+ o D- per l'abilitazione a motore in moto
a me risulta che lo smartshunt abbia gia l'ingresso.per misurare la tensione della batteria motore (oltre quella servizi) visto che si sta ricablando ex novo, non vedo perchè non aggiungere un conduttore da 1,5 mm che va a leggere la tensione della batteria motore
per la temperatura ci sono i sensori singoli da cablare anche per lo smartshunt
In un impianto che si sta cablando ora preferisco i fili al blue tooth quando evitabile
 
l'analogico non è il vecchio e il digitale il nuovo, no, non è così! Il digitale è solo un modo per rappresentare l'analogico, la natura, è analogica

Modificato da rubylove il 08/03/2023 alle 09:20:39
10
rubylove
rubylove
rating

09/06/2015 5664
Rispondi Abuso
Inserito il 08/03/2023 alle: 10:11:59
Per quanto riguarda la scelta tra BMV 712 e Smartshunt, quando l'ho acqistato lo smartshunt non esisteva ancora
il display del BMV712 praticamente non l'ho mai usato perchè quello dell'app è molto meglio (il display è piccolo e poco comprensibile)

Però il BMV 712 ha incorporato un micro rele con connessioni esterne NC/C/NO che consente di attivare un rele di potenza per disattivare le utenze in caso di sottotensione/sovratensione, le soglie sono programmabili e anche a quali eventi attiva/disattiva, in pratica sostituisce il battery protector attraverso un rele esterno, oppure puo far suonare un allarme sonoro o accendere un generatore (spero di no)

Da tenere in considerazione per lo scollegamento per sottotensione in caso di rimessaggi a lungo termine con possibilità di assenza rete
mi sembra che costi 60 euro in piu dello smartshunt che NON mi sembra che abbia questa funzione


 
l'analogico non è il vecchio e il digitale il nuovo, no, non è così! Il digitale è solo un modo per rappresentare l'analogico, la natura, è analogica

Modificato da rubylove il 08/03/2023 alle 10:13:45
SostaGruppiCompagniItaliaEsteroMarchiMeccanicaCellulaAccessoriEventiLeggiComportamentiDisabiliIn camper perAltro CamperAltroExtra
167k Facebook
343k Instagram
42,6k TikTok
73,3k Youtube
CamperOnLine - Copyright © 1998-2026 - P.Iva 06953990014
Informativa privacy
Loading...

Accedi

Recupera Password
Nuovo utente

Vuoi eliminare il messaggio?

Sottoscrizione

Anteprima

PREFERENZA

Il messaggio è in fase di inserimento.

loading

CamperOnLine

Buongiorno gentile utente,

da oltre 20 anni Camperonline offre gratuitamente tutti i suoi servizi
grazie agli inserzionisti che ci hanno dato la loro fiducia, permettici di continuare il nostro lavoro disattivando il blocco delle pubblicità.

Grazie della collaborazione.

Azione eseguita con successo

Azione Fallita

Condividi

Condividi questa pagina con:

O copia il link