CamperOnLine
  • Camper
    • Camper usati
    • Camper nuovi
    • Produttori
    • Listino
    • Cataloghi
    • Concessionari e rete vendita
    • Noleggio
    • Van
    • Caravan
    • Fiere
    • Rimessaggi
    • Le prove di CamperOnLine
    • Provati da voi
    • Primo acquisto
    • Area professionisti
  • Accessori
    • Accessori e Prodotti
    • Camping Sport Magenta accessori
    • Produttori
    • Antenne TV
    • Ammortizzatori
    • GPS
    • Pneumatici
    • Rimorchi
    • Provati da Voi
    • Fai da te
  • Viaggi
    • Diari di viaggi in camper
    • Eventi
    • Foto
    • Check list
    • Traghetti
    • Trasporti
  • Sosta
    • Cerca Strutture
    • Sosta
    • Aree sosta camper
    • Campeggi
    • Agriturismi con sosta camper
    • App Camperonline App
    • 10 Consigli utili per la sosta
    • Area strutture
  • Forum
    • Tutti i Forum
    • Sosta
    • Gruppi
    • Compagni
    • Italia
    • Estero
    • Marchi
    • Meccanica
    • Cellula
    • Accessori
    • Eventi
    • Leggi
    • Comportamenti
    • Disabili
    • In camper per
    • Altro Camper
    • Altro
    • Extra
    • FAQ
    • Regolamento
    • Attivi
    • Preferiti
    • Cerca
  • Community
    • COL
    • CamperOnFest
    • Convenzioni Convenzioni
    • Amici
    • Furti
    • Informativa Privacy
    • Lavoro
  • COL
    • News
    • Newsletter
    • Pubblicità
    • Contatto
    • Ora
    • RSS RSS
    • Video
    • Facebook
    • Instagram
  • Magazine
  • Italiano
    • Bienvenue
    • Welcome
    • Willkommen
  • Accedi
CamperOnLine
Camping Sport Magenta
  1. Forum
  2. Tecnica
  3. Meccanica
Galleria

Schema collegamento 2 batterie servizi + motore

Rispondi
Cerca
SostaGruppiCompagniItaliaEsteroMarchiMeccanicaCellulaAccessoriEventiLeggiComportamentiDisabiliIn camper perAltro CamperAltroExtra Attivi
1 20 2
belanfantastico
belanfantastico
19/07/2021 3
Rispondi Abuso
Inserito il 14/10/2021 alle: 12:05:40
Ciao a tutti mi presento, sono nuovo del forum e anche come camperista in quanto ho acquistato 6 mesi fa un Wingamm oasi 540 del 1995. L'ho comprato corredato da un pannello solare ed una sola batteria servizi. Il pannello solare è collegato ad un regolatore di carica 

https://www.acscremona.com/rego...


Attualmente funziona così: quando sono in moto la batteria motore e quella servizi vengono ricaricate (credo) in parallelo (il Wingamm di serie è fatto così, infatti quando accendo il motore si accende la spia sulla centralina nella cellula che mi indica che la carica delle batterie è in parallelo).
Quando sono fermo, il pannello solare carica la batteria servizi e poi quella motore (anche in questo caso, mi sembra avvenga così...).
Ora vorrei montare una seconda batteria servizi AGM ed ho acquistato anche un BDS-180 che dovrebbe gestire le due batterie servizi (anche tramite app). Però ho delle grosse lacune circa i collegamenti che dovrei fare. Qualcuno può gentimente aiutarmi, magari con uno schemino? Perchè sul web trovo schemi di tutti i tipi tranne la mia configurazione... Grazie a tutti!
belanfantastico
9
Sergione66
Sergione66
13/01/2017 4197
Rispondi Abuso
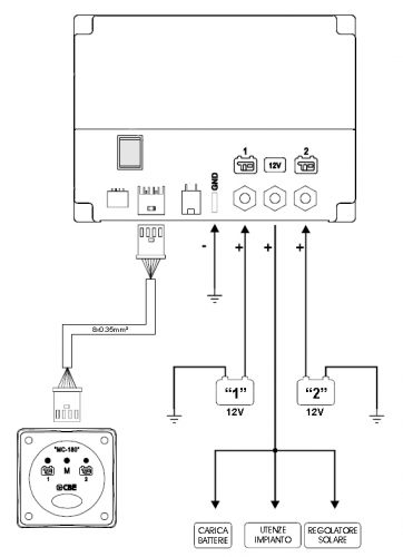
Inserito il 14/10/2021 alle: 13:02:52
image(3037).png
Sergio - Genova - Carthago Liner 65LE (Jeegolino)
belanfantastico
belanfantastico
19/07/2021 3
Rispondi Abuso
Inserito il 14/10/2021 alle: 14:52:32
In risposta al messaggio di Sergione66 del 14/10/2021 alle 13:02:52

grazie Sergione. Questo schema in realtà l'ho già nel libretto istruzioni, ma non mi è chiaro se la batteria servizi, collegata a quella motore, nel momento in cui ne aggiungo una seconda come mi va a funzionare il sistema...
 
belanfantastico
SostaGruppiCompagniItaliaEsteroMarchiMeccanicaCellulaAccessoriEventiLeggiComportamentiDisabiliIn camper perAltro CamperAltroExtra Attivi
Argomenti recenti dal forum
Accessori
Il frigo mi ha abbandonato...lo cambio?
Dopo poco più di 8 anni di onorato servizio, il mio Vitrifrigo a compressore mi ha abbando...
sport15
Ieri alle: 23:00
Cellula abitativa
Frigo 12v non FRIGA!!
Ciao a tutti, il mio frigo Dometic rm 7405l 90 litri su laika 595xr del 2009, quando vado ...
camperdavide
Ieri alle: 21:58
Meccanica
Ammortizzatori per Fiat Ducato x244
ciao a tutti… ho cercato e spulciato ma non trovo nulla di preciso… voglio cambiare ammort...
camperinosol...
Ieri alle: 18:08
Accessori
Dove trovo ricambi Remifront?
Buonasera, durante il tragitto di ritorno da Amsterdam a gennaio mi si è rotto un pezzo d...
camperistadoc
Ieri alle: 17:27
Accessori
Problemi Eberspacher Airtonic D2 - Mini Controller
Ciao a tutti, Sono nuovo sul forum, volevo chiedere se a qualcuno fosse già successo il mi...
LuCaffa
Ieri alle: 15:21
Cellula abitativa
Problema con 220V, salta interruttore diferenziale
Salve a tutti Sto riscontrando un problema random, si manifesta senza nessuna causa appare...
Motociclista77
Ieri alle: 12:20
Accessori
Frigorifero portatile, consumi
Ho acquistato un frigorifero portatile a compressore da usare come celletta e volevo capir...
matrixx
Ieri alle: 09:07
Accessori
Litio celle cilindriche o prismatiche?
Tanto per cambiare parliamo di Litio. Sono ancora nella indecisione se montare una batter...
masivo
Ieri alle: 08:20
Cellula abitativa
Dove sono i fusibili
Buongiorno, ho una cellula Rimor su Ford Transit 1996, recentemente ho cambiato la batteri...
Gaetano61
07/04/26 - 17:05
Cellula abitativa
Pannello di controllo Laika Ecovip 1 Classic
Buongiorno a tutti e GRAZIE a chi vorrà aiutarmi. Una infiltrazione ha danneggiato il mio ...
archimistica
07/04/26 - 16:24
Compagni di viaggio
Amici di viaggio Varese
Coppia di 37 e 39 anni con due figli di 5 e 6 anni cerca compagni di weekend e di viaggio ...
Vale89
07/04/26 - 16:05
Accessori
Parallelatore Helios
Vorrei chiedere ai più esperti un parere su questo parallelatore, era già installato quand...
andreapodda
07/04/26 - 15:37
167k Facebook
343k Instagram
42,6k TikTok
73,3k Youtube
CamperOnLine - Copyright © 1998-2026 - P.Iva 06953990014
Informativa privacy
Loading...

Accedi

Recupera Password
Nuovo utente

Vuoi eliminare il messaggio?

Sottoscrizione

Anteprima

PREFERENZA

Il messaggio è in fase di inserimento.

loading

CamperOnLine

Buongiorno gentile utente,

da oltre 20 anni Camperonline offre gratuitamente tutti i suoi servizi
grazie agli inserzionisti che ci hanno dato la loro fiducia, permettici di continuare il nostro lavoro disattivando il blocco delle pubblicità.

Grazie della collaborazione.

Azione eseguita con successo

Azione Fallita

Condividi

Condividi questa pagina con:

O copia il link