CamperOnLine
  • Camper
    • Camper usati
    • Camper nuovi
    • Produttori
    • Listino
    • Cataloghi
    • Concessionari e rete vendita
    • Noleggio
    • Van
    • Caravan
    • Fiere
    • Rimessaggi
    • Le prove di CamperOnLine
    • Provati da voi
    • Primo acquisto
    • Area professionisti
  • Accessori
    • Accessori e Prodotti
    • Camping Sport Magenta accessori
    • Produttori
    • Antenne TV
    • Ammortizzatori
    • GPS
    • Pneumatici
    • Rimorchi
    • Provati da Voi
    • Fai da te
  • Viaggi
    • Diari di viaggi in camper
    • Eventi
    • Foto
    • Check list
    • Traghetti
    • Trasporti
  • Sosta
    • Cerca Strutture
    • Sosta
    • Aree sosta camper
    • Campeggi
    • Agriturismi con sosta camper
    • App Camperonline App
    • 10 Consigli utili per la sosta
    • Area strutture
  • Forum
    • Tutti i Forum
    • Sosta
    • Gruppi
    • Compagni
    • Italia
    • Estero
    • Marchi
    • Meccanica
    • Cellula
    • Accessori
    • Eventi
    • Leggi
    • Comportamenti
    • Disabili
    • In camper per
    • Altro Camper
    • Altro
    • Extra
    • FAQ
    • Regolamento
    • Attivi
    • Preferiti
    • Cerca
  • Community
    • COL
    • CamperOnFest
    • Convenzioni Convenzioni
    • Amici
    • Furti
    • Informativa Privacy
    • Lavoro
  • COL
    • News
    • Newsletter
    • Pubblicità
    • Contatto
    • Ora
    • RSS RSS
    • Video
    • Facebook
    • Instagram
  • Magazine
  • Italiano
    • Bienvenue
    • Welcome
    • Willkommen
  • Accedi
CamperOnLine
Camping Sport Magenta
  1. Forum
  2. Tecnica
  3. Meccanica
Galleria

Tensione bassa batteria motore Ducato 290 160 CV

Rispondi
Cerca
SostaGruppiCompagniItaliaEsteroMarchiMeccanicaCellulaAccessoriEventiLeggiComportamentiDisabiliIn camper perAltro CamperAltroExtra
2 20 44
12
Magnum30g
Magnum30g
31/12/2013 1082
Rispondi Abuso
Inserito il 22/01/2021 alle: 21:22:46
Anche nel mio ho notato questo calo,che pero’si verifica nei primi minuti dopo la partenza,soprattutto d’estate con aria condizionata e ventole accese,purtroppo,almeno nel mio caso,la tensione bassa e’reale e misurata e per questi alternatori come chiamano loro”intelligenti”il calo c’è’ eccome,Se posso spezzare una lancia in favore però devo dire che la BM non ha mai dato segni di cedimento,anche a -27 gradisurprise.Ho notato anch’io un calo da parte del frigo in modalita’12 volt,che con i”vecchi”alternatori maggiorati non si verificavayes
Jeack 1971
16
cinquantuno
cinquantuno
rating

06/02/2010 4107
Rispondi Abuso
Inserito il 23/01/2021 alle: 09:55:57
In risposta al messaggio di IZ4DJI del 22/01/2021 alle 20:11:02

Buona idea anche quella. Vorrei fare le cose piu semplici possibile e manomettere il meno possibile gli impianti originali. Hai usato un inverter dedicato solo al frigo o usi l inverter di bordo? Io ho a bordo un inverter
Waeco 1000W a onda modificata, ma forse basterebbe un inverter piu piccolo e dedicarlo solo al frigo, tanto per non lasciare sempre acceso quello grosso che penso abbia un maggiore autoconsumo. Come risolvi la commutazione tra quando sei collegato a rete 220 e quando viaggi con l inverter?
...
Quando ho acquistato il camper mi sono fatto installare l'inverter da 2000W onda pura e mi sono fatto fare l'impianto che all'accensione dell'inverter mi dà corrente a tutte le prese del camper ed al frigo, ( 

http://www.m48.it/camperbricola...

)  per cui come lo accendo il frigo viene alimentato a 230 ( a meno che non scelga io una fonte alternativa )
Dei consumi dell'inverter non me ne curo molto, tanto il frigo lo faccio funzionare sempre a motore in moto, poi se ho energia in avanzo ( sole estivo con esuberanza di corrente ) lo faccio funzionare anche da fermo 4 - 5 ore al giorno.

Come risolvi la commutazione tra quando sei collegato a rete 220 e quando viaggi con l inverter?
Praticamente il frigo è sempre in automatico ed io accendendo l'inverter lo obbligo a funzionare con la 230.
Quando parto, stacco l'allaccio alla 230 e basta che io accenda l'inverter, ed in automatico, sentendo la 230 il frigo da solo usa come fonte la 230, se non accendo l'inverter il frigo va con 12 volt.


Io ho a bordo un inverter Waeco 1000W a onda modificata, ma forse basterebbe un inverter piu piccolo
Anche nel camper precedente avevo il medesimo impianto però solo con un inverter da 600W che funzionava benissimo per il frigo ma gli si accendevano le ventole perchè era chiaramente più sfruttato. Io terrei il Waeco da 1000W facendo attenzione però al fatto che sia un onda modificata, non vorrei che il frigo preferisse un'onda pura.

N.B. Da quando uso il frigo a 230 in viaggio, non ho più cali di rendimento ed all'arrivo è sempre bello freddo ed in estate consumo anche meno gas perchè con corrente in esubero uso molto meno il gpl. Molti vantaggi quindi con l'uso dell'inverter.
Ciao

Modificato da cinquantuno il 23/01/2021 alle 10:03:21
8
Moby  Dick
Moby Dick
15/11/2017 623
Rispondi Abuso
Inserito il 23/01/2021 alle: 10:57:47
In risposta al messaggio di IZ4DJI del 22/01/2021 alle 13:28:42

Ovviamente il frigo a 12v funziona solo con motore acceso, e da me alimentato da BM. Però, essendo un frigo AES ha una centralina che deve essere alimentata a 12v anche quando va a gas o a 220, e in tal caso viene alimentata
da BS, e a questo serve il rele che commuta la alimentazione del frigo tra BM e BS. Ovviamente perchè il frigo funzioni a 12v deve anche ricevere il D+ che si ha solo a motore in moto. Appena ho un attimo mi guardo con calma la modifica proposta dalla Shaudt, e me la studio bene. Grazie
...
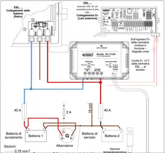
No forse non mi sono spiegato bene e magari non ci riesco, il relè da eliminare è quello in alto a Dx "relè separatore/parallelatore" come Schaudt ha eliminato nelle centraline successive dopo l'introduzione dei Booster.
Il tuo ragionamento del collegamento frigo BS/BM fila liscio, ma se la logica della tua EBL 29 è come la mia EBL 262-3 con relè separatore di carica, e siccome hai fatto la modifica del Booster esattamente come ho fatto io... ora il frigo non è più alimentato da BM ma bensì dal Booster che è collegato in serie in quanto l'uscita del Booster entra in EBL al morsetto BM. e tutto ciò che dovrebbe funzionare con BM ora funziona solo con il Booster che è interposto tra BM ed EBLe di conseguenza la potenza è limitata in base alle caratteristiche dello stesso, in più quando metto in moto il relè separatore si chiude e il Booster deve anche caricare le BS ed eventuali carichi inseriti. Ecco perchè ora Schaudt consiglia di collegarlo in parallelo e non più in serie, ma per fare ciò occorre togliere o scollegare il relè separatore.
Ho evidenziato il collegamento per chiarire:
Catturaerter.JPG
Questo il collegamento iniziale sbagliato/ poco funzionale
bongybongy

Modificato da Moby Dick il 23/01/2021 alle 11:02:19
8
Moby  Dick
Moby Dick
15/11/2017 623
Rispondi Abuso
Inserito il 23/01/2021 alle: 11:52:10
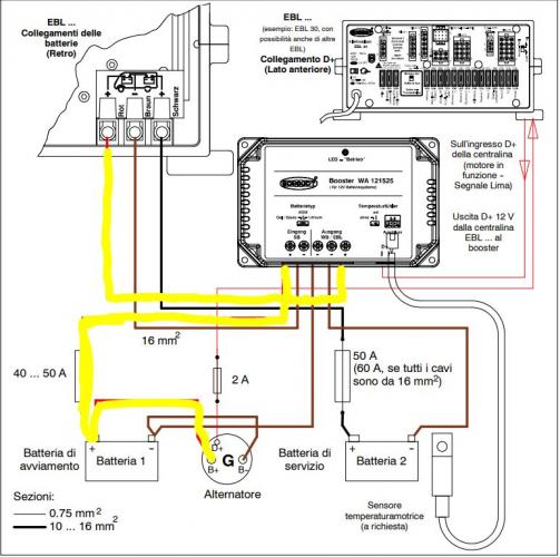
Catturadrwsr.JPG
Questo quello modificato in parallelo senza relè separatore in EBL
bongybongy
Sala Silvergruva, la miniera d'argento
Sala Silvergruva, la miniera d'argento
Folgaria d’inverno in camper
Folgaria d’inverno in camper
Francia 2025
Francia 2025
Eksjo, la città di legno
Eksjo, la città di legno
Viaggio in Umbria e dintorni
Viaggio in Umbria e dintorni
Previous Next
8
Moby  Dick
Moby Dick
15/11/2017 623
Rispondi Abuso
Inserito il 23/01/2021 alle: 12:30:18
In risposta al messaggio di cinquantuno del 23/01/2021 alle 09:55:57

Quando ho acquistato il camper mi sono fatto installare l'inverter da 2000W onda pura e mi sono fatto fare l'impianto che all'accensione dell'inverter mi dà corrente a tutte le prese del camper ed al frigo, (  )  per cui
come lo accendo il frigo viene alimentato a 230 ( a meno che non scelga io una fonte alternativa ) Dei consumi dell'inverter non me ne curo molto, tanto il frigo lo faccio funzionare sempre a motore in moto, poi se ho energia in avanzo ( sole estivo con esuberanza di corrente ) lo faccio funzionare anche da fermo 4 - 5 ore al giorno. Come risolvi la commutazione tra quando sei collegato a rete 220 e quando viaggi con l inverter? Praticamente il frigo è sempre in automatico ed io accendendo l'inverter lo obbligo a funzionare con la 230. Quando parto, stacco l'allaccio alla 230 e basta che io accenda l'inverter, ed in automatico, sentendo la 230 il frigo da solo usa come fonte la 230, se non accendo l'inverter il frigo va con 12 volt. Io ho a bordo un inverter Waeco 1000W a onda modificata, ma forse basterebbe un inverter piu piccolo Anche nel camper precedente avevo il medesimo impianto però solo con un inverter da 600W che funzionava benissimo per il frigo ma gli si accendevano le ventole perchè era chiaramente più sfruttato. Io terrei il Waeco da 1000W facendo attenzione però al fatto che sia un onda modificata, non vorrei che il frigo preferisse un'onda pura. N.B. Da quando uso il frigo a 230 in viaggio, non ho più cali di rendimento ed all'arrivo è sempre bello freddo ed in estate consumo anche meno gas perchè con corrente in esubero uso molto meno il gpl. Molti vantaggi quindi con l'uso dell'inverter.
...
Anch'io ho lo stesso impianto sul 230V., ma avevo seguito alla lettera ( 

 

http://www.m48.it/camperbricola...

 ) ed il frigo non è collegato sotto inverter come anche il caricabatteria, ma posso sempre spostare la spina del frigo sotto inverter e fare alcune prove quest'estate, però poi dovrei spostare il funzionamento del frigo manualmente in posizione gas ogni volta che accendo l'inverter per la Nespresso od il phon privandomi della comodità dell'automatismo del frigo AES, comunque proverò a sperimentare.
bongybongy
17
masivo
masivo
rating

24/08/2008 15357
Rispondi Abuso
Inserito il 23/01/2021 alle: 16:31:50
Ho notato sul'auto nuova, start e stop, un sacco di funzioni, luci, ecc. dove si fa grande uso della batteria da 60 Ampere, spesso che la batteria scende a 12,2 - 12,4, essendo della vecchia scuola, preoccupato ho chiesto in concessionaria, e mi dicono che è normale, alternatori intelligenti, centraline studiate per questo, fanno ciò che si deve.
Certo, ho pensato, tanto poi vendono batterie nuove...

Per il camper, mi è venuto un dubbio, questi sistemi intelligenti, sono progettati per le meccaniche moderne, mi chiedo, sono adatte al surplus di utilizzo preteso da un camper?  
Non è che un alternatore stupido farebbe meglio il suo lavoro, su un camper? laugh
Ivo
16
cinquantuno
cinquantuno
rating

06/02/2010 4107
Rispondi Abuso
Inserito il 23/01/2021 alle: 17:40:35
In risposta al messaggio di masivo del 23/01/2021 alle 16:31:50

Ho notato sul'auto nuova, start e stop, un sacco di funzioni, luci, ecc. dove si fa grande uso della batteria da 60 Ampere, spesso che la batteria scende a 12,2 - 12,4, essendo della vecchia scuola, preoccupato ho chiesto
in concessionaria, e mi dicono che è normale, alternatori intelligenti, centraline studiate per questo, fanno ciò che si deve. Certo, ho pensato, tanto poi vendono batterie nuove... Per il camper, mi è venuto un dubbio, questi sistemi intelligenti, sono progettati per le meccaniche moderne, mi chiedo, sono adatte al surplus di utilizzo preteso da un camper?   Non è che un alternatore stupido farebbe meglio il suo lavoro, su un camper? 
...
Non è che un alternatore stupido farebbe meglio il suo lavoro, su un camper? 
Non solo sono d'accordo ma ( pensando male ) sono convinto che qualcuno abbia trovato il sistema per " puppare " dei soldi e complicarci la vita.
 
Ciao
16
cinquantuno
cinquantuno
rating

06/02/2010 4107
Rispondi Abuso
Inserito il 23/01/2021 alle: 17:45:37
In risposta al messaggio di Moby Dick del 23/01/2021 alle 12:30:18

Anch'io ho lo stesso impianto sul 230V., ma avevo seguito alla lettera (  ) ed il frigo non è collegato sotto inverter come anche il caricabatteria, ma posso sempre spostare la spina del frigo sotto inverter e fare alcune
prove quest'estate, però poi dovrei spostare il funzionamento del frigo manualmente in posizione gas ogni volta che accendo l'inverter per la Nespresso od il phon privandomi della comodità dell'automatismo del frigo AES, comunque proverò a sperimentare.
...
però poi dovrei spostare il funzionamento del frigo manualmente in posizione gas ogni volta che accendo l'inverter per la Nespresso od il phon privandomi della comodità dell'automatismo del frigo AES ....

Solo se hai un inverter che è ai limiti della potenza che deve fornire, io ho un 2000W ed in teoria dovrebbe farcela ad alimentare la Nespresso + il frigo.
Ciao
19
IZ4DJI
IZ4DJI
rating

12/11/2006 58356
Rispondi Abuso
Inserito il 23/01/2021 alle: 20:14:23
In risposta al messaggio di Moby Dick del 23/01/2021 alle 10:57:47

No forse non mi sono spiegato bene e magari non ci riesco, il relè da eliminare è quello in alto a Dx relè separatore/parallelatore come Schaudt ha eliminato nelle centraline successive dopo l'introduzione dei Booster.
Il tuo ragionamento del collegamento frigo BS/BM fila liscio, ma se la logica della tua EBL 29 è come la mia EBL 262-3 con relè separatore di carica, e siccome hai fatto la modifica del Booster esattamente come ho fatto io... ora il frigo non è più alimentato da BM ma bensì dal Booster che è collegato in serie in quanto l'uscita del Booster entra in EBL al morsetto BM. e tutto ciò che dovrebbe funzionare con BM ora funziona solo con il Booster che è interposto tra BM ed EBLe di conseguenza la potenza è limitata in base alle caratteristiche dello stesso, in più quando metto in moto il relè separatore si chiude e il Booster deve anche caricare le BS ed eventuali carichi inseriti. Ecco perchè ora Schaudt consiglia di collegarlo in parallelo e non più in serie, ma per fare ciò occorre togliere o scollegare il relè separatore. Ho evidenziato il collegamento per chiarire: Questo il collegamento iniziale sbagliato/ poco funzionale
...
Grazie, ora ho capito perfettamente, tu ti eri gia spiegato bene, ero io che mi ero perso in un bicchiere di acqua.
Giustissimo, che cio che entra nella EBL non è piu la BM ma l uscita del booster...mi vergogno quasi a non averci pensato wink.
____________________________________

Tommaso IZ4DJI

www.iz4dji.it




18
Camperlaia
Camperlaia
05/05/2007 25
Rispondi Abuso
Inserito il 18/07/2021 alle: 12:02:41
Ciao a tutti, vorrei tornare sull'argomento "Alternatore intelligente" portando la mia esperienza in materia essendo da un anno possessore di un camper su meccanica Ford 2000cc 170cv. Dichiaro di essere assolutamente ignorante in materia di mecatronica e che tutto ciò che scrivo è frutto di rilevazioni fatte dopo alcuni mesi di utilizzo sul campo. In fase di allestimento, data la notevole richiesta di energia necessaria al funzionamento delle utenze interne compresi tutti i letti a movimentazione elettrica, il concessionario ha installato due pannelli da 120W, due batterie da 100Ah, un parallelatore BDS180 e lo switch BS-BM. Il camper pur montando un alternatore smart non è stato fornito all'origine del DC-charger e come succede in questi casi dopo qualche ora di marcia trovavo le batterie al limite di carica. A nulla è servita la richiesta alla casa francese, che non ha mai neppure risposto al concessionario. Convinto "obtorto collo" ad installare il booster a mie spese il concessionario ha optato per il Victron-energy da 30Ah, ma purtroppo anche questa soluzione si è subito rivelata inefficace, tanto che loro stessi in maniera oltremodo scorretta hanno gettato la spugna lasciandomi con un camper nuovo per di più in garanzia ma pressoché inutilizzabile. Parimenti ad oggi  sono rimaste senza risposta le richieste di informazioni fatte a tutte le concessionarie d'Italia della marca del mio camper. Un bel giorno, il tecnico della Ford mi ha insegnato a monitorare in tempo reale il funzionamento dell'alternatore smart direttamente dal display a cruscotto: smanettando in un sottomenù dai comandi sul volante appare un voltmetro. Ebbene si nota chiaramente che in avviamento l'alternatore spara una gran quantità di ampere per ripristinare la carica della BM ma dopo pochi secondi si ferma lasciandola su livelli attorno a 12,4V / 12,5V, però è prontissimo a riprendere a caricare, ma solo in due casi: 1) A luci anabbaglianti accese dove la tensione della BM viene tenuta assolutamente costante a 13,7V; 2) in discesa quando si solleva il piede dall'acceleratore. In questo caso l'alternatore andando a recupero di energia praticamente gratis non ha limiti di carica. Purtroppo non si può viaggiare sempre in discesa per avere il frigo freddo e le batterie belle cariche, né mi sembra una cosa tanto normale dover viaggiare con le luci accese come un albero di Natale anche di giorno a ferragosto, ma tant'é, solo in questi casi le BS, monitorate anch'esse attraverso l'App del parallelatore BDS180 non subiscono le scariche violente in marcia come quella mostrata dalla foto ( -6Ah ma che possono arrivare anche a -18Ah). Spero di essere stato sufficientemente chiaro, ma aspetto altri vostri commenti sull'argomento, perché vorrei risolvere la faccenda prima che diventi un'ossessione e mi costringa a liberarmi del camper. Un saluto
181648381_10224887759252219_6869461848782525900_n(2).jpg
Flavio

Modificato da Camperlaia il 18/07/2021 alle 12:12:58
8
motociclista12
motociclista12
31/08/2017 1049
Rispondi Abuso
Inserito il 18/07/2021 alle: 16:21:46
In risposta al messaggio di Camperlaia del 18/07/2021 alle 12:02:41

Ciao a tutti, vorrei tornare sull'argomento Alternatore intelligente portando la mia esperienza in materia essendo da un anno possessore di un camper su meccanica Ford 2000cc 170cv. Dichiaro di essere assolutamente ignorante
in materia di mecatronica e che tutto ciò che scrivo è frutto di rilevazioni fatte dopo alcuni mesi di utilizzo sul campo. In fase di allestimento, data la notevole richiesta di energia necessaria al funzionamento delle utenze interne compresi tutti i letti a movimentazione elettrica, il concessionario ha installato due pannelli da 120W, due batterie da 100Ah, un parallelatore BDS180 e lo switch BS-BM. Il camper pur montando un alternatore smart non è stato fornito all'origine del DC-charger e come succede in questi casi dopo qualche ora di marcia trovavo le batterie al limite di carica. A nulla è servita la richiesta alla casa francese, che non ha mai neppure risposto al concessionario. Convinto obtorto collo ad installare il booster a mie spese il concessionario ha optato per il Victron-energy da 30Ah, ma purtroppo anche questa soluzione si è subito rivelata inefficace, tanto che loro stessi in maniera oltremodo scorretta hanno gettato la spugna lasciandomi con un camper nuovo per di più in garanzia ma pressoché inutilizzabile. Parimenti ad oggi  sono rimaste senza risposta le richieste di informazioni fatte a tutte le concessionarie d'Italia della marca del mio camper. Un bel giorno, il tecnico della Ford mi ha insegnato a monitorare in tempo reale il funzionamento dell'alternatore smart direttamente dal display a cruscotto: smanettando in un sottomenù dai comandi sul volante appare un voltmetro. Ebbene si nota chiaramente che in avviamento l'alternatore spara una gran quantità di ampere per ripristinare la carica della BM ma dopo pochi secondi si ferma lasciandola su livelli attorno a 12,4V / 12,5V, però è prontissimo a riprendere a caricare, ma solo in due casi: 1) A luci anabbaglianti accese dove la tensione della BM viene tenuta assolutamente costante a 13,7V; 2) in discesa quando si solleva il piede dall'acceleratore. In questo caso l'alternatore andando a recupero di energia praticamente gratis non ha limiti di carica. Purtroppo non si può viaggiare sempre in discesa per avere il frigo freddo e le batterie belle cariche, né mi sembra una cosa tanto normale dover viaggiare con le luci accese come un albero di Natale anche di giorno a ferragosto, ma tant'é, solo in questi casi le BS, monitorate anch'esse attraverso l'App del parallelatore BDS180 non subiscono le scariche violente in marcia come quella mostrata dalla foto (-6Ah ma che possono arrivare anche a -18Ah). Spero di essere stato sufficientemente chiaro, ma aspetto altri vostri commenti sull'argomento, perché vorrei risolvere la faccenda prima che diventi un'ossessione e mi costringa a liberarmi del camper. Un saluto
...
Perché dici che il booster non è efficace? Non sono stati capaci di istallarlo?
Paolo
Argomenti recenti dal forum
Meccanica
Tappo di carico olio trasmissione cercasi
Su Ducato x244 anno 2004, prima di svuotare l’olio del cambio volevo...
norbidic
39 minuti fa
Meccanica
Acquisto ricambi usati (specchietto sinistro)
Ciao, mentre tornavamo da Valsesia camper per riparare la porta del ...
LaLory
Ieri alle: 22:15
Accessori
Istallazione dashcam anteriore su Ducato nuovo
Ciao a tutti ho un amico inglese che sta acquistando un campervan El...
solidsnork
Ieri alle: 16:50
Viaggi all'estero
Assicurazione viaggio x estero
Buongiorno a tutti, come da titolo volevo sapere se quando andate al...
cpuffo
Ieri alle: 16:20
Cellula abitativa
Luce cortesia Doral 161 - modello maxxima 063
Buongiorno a tutti, qualcuno di voi ha sostituito la lampada di cort...
daleo
Ieri alle: 13:22
Aree di sosta e campeggi
Campeggi zona Pisa a fine marzo
Ciao a tutti, a fine mese (weekend del 21 marzo) vorremmo fare qual...
Andre78
Ieri alle: 10:33
Accessori
Pannelli solari senza incollaggio
Ciao a tutti, cosa ne pensate di questa soluzione? un pò costosa ma ...
Karbon17
Ieri alle: 10:24
Accessori
Pannello solare incollato sul tetto
Buongiorno a tutti, ho notato che sul mio arca america 745 glg del 2...
Adocaro
Ieri alle: 08:38
Accessori
Sostituzione batteria al piombo
Salve a tutti. La batteria del mio camper è morta. Era una batteria ...
CamperistaPN
Ieri alle: 01:08
Aree di sosta e campeggi
Area sosta Portovenere ancora aperta?
Ciao a tutti, chiedevo se qualcuno sa se è ancora aperto ai camper i...
simons
10/03/26 - 21:23
Accessori
Problemi a batterie al litio
Buon giorno a tutti. Ho da circa 8 mesi un camper nuovo con 2 batter...
cla3010
10/03/26 - 18:29
Normative
Curiosità normativa
Ciao a tutti, volevo chiarirmi le idee su un punto : fermo restando ...
Karbon17
10/03/26 - 17:01
Viaggi all'estero
USA coast to coast in camper
Buongiorno a tutti eccomi qua a chiedervi consigli su un prossimo po...
Viaggincamper
10/03/26 - 14:59
Accessori
Problema con Pioneer sph evo 950
Buonasera a tutti, ho da poco un camper arca america con doppia tele...
Adocaro
10/03/26 - 14:56
Normative
Vicenza: il TAR respinge la sospensione cautelare
Trovate la questione su Giustizia Amminstrativa, TAR Venezia N. 0028...
Anto1957
10/03/26 - 12:16
22
salvatore
salvatore
10/08/2003 9105
Rispondi Abuso
Inserito il 18/07/2021 alle: 17:48:24
In risposta al messaggio di Camperlaia del 18/07/2021 alle 12:02:41

Ciao a tutti, vorrei tornare sull'argomento Alternatore intelligente portando la mia esperienza in materia essendo da un anno possessore di un camper su meccanica Ford 2000cc 170cv. Dichiaro di essere assolutamente ignorante
in materia di mecatronica e che tutto ciò che scrivo è frutto di rilevazioni fatte dopo alcuni mesi di utilizzo sul campo. In fase di allestimento, data la notevole richiesta di energia necessaria al funzionamento delle utenze interne compresi tutti i letti a movimentazione elettrica, il concessionario ha installato due pannelli da 120W, due batterie da 100Ah, un parallelatore BDS180 e lo switch BS-BM. Il camper pur montando un alternatore smart non è stato fornito all'origine del DC-charger e come succede in questi casi dopo qualche ora di marcia trovavo le batterie al limite di carica. A nulla è servita la richiesta alla casa francese, che non ha mai neppure risposto al concessionario. Convinto obtorto collo ad installare il booster a mie spese il concessionario ha optato per il Victron-energy da 30Ah, ma purtroppo anche questa soluzione si è subito rivelata inefficace, tanto che loro stessi in maniera oltremodo scorretta hanno gettato la spugna lasciandomi con un camper nuovo per di più in garanzia ma pressoché inutilizzabile. Parimenti ad oggi  sono rimaste senza risposta le richieste di informazioni fatte a tutte le concessionarie d'Italia della marca del mio camper. Un bel giorno, il tecnico della Ford mi ha insegnato a monitorare in tempo reale il funzionamento dell'alternatore smart direttamente dal display a cruscotto: smanettando in un sottomenù dai comandi sul volante appare un voltmetro. Ebbene si nota chiaramente che in avviamento l'alternatore spara una gran quantità di ampere per ripristinare la carica della BM ma dopo pochi secondi si ferma lasciandola su livelli attorno a 12,4V / 12,5V, però è prontissimo a riprendere a caricare, ma solo in due casi: 1) A luci anabbaglianti accese dove la tensione della BM viene tenuta assolutamente costante a 13,7V; 2) in discesa quando si solleva il piede dall'acceleratore. In questo caso l'alternatore andando a recupero di energia praticamente gratis non ha limiti di carica. Purtroppo non si può viaggiare sempre in discesa per avere il frigo freddo e le batterie belle cariche, né mi sembra una cosa tanto normale dover viaggiare con le luci accese come un albero di Natale anche di giorno a ferragosto, ma tant'é, solo in questi casi le BS, monitorate anch'esse attraverso l'App del parallelatore BDS180 non subiscono le scariche violente in marcia come quella mostrata dalla foto (-6Ah ma che possono arrivare anche a -18Ah). Spero di essere stato sufficientemente chiaro, ma aspetto altri vostri commenti sull'argomento, perché vorrei risolvere la faccenda prima che diventi un'ossessione e mi costringa a liberarmi del camper. Un saluto
...
Ciao Flavio.
Sinceramente non mi e' molto chiaro quello che scrivi.
O meglio, ho capito che hai un camper praticamente nuovo il cui alternatore non riesce a ricaricare adeguatamente ne' la batteria motore, ne' la batteria di servizio.
Ho anche capito che hai fatto apportare dal concessionario importanti modifiche all' impianto elettrico (pannelli solari, doppia batteria etc.)
Avendo modificato l'impianto elettrico, mi sembra ovvio che il produttore non si ritenga responsabile dei problemi.
A logica ne dovrebbe rispondere il concessionario.
Solo se i problemi che lamenti si fossero verificati con l'impianto elettrico originale del camper avresti potuto rivolgerti al costruttore.
Suggerimento, non so quanto praticabile: ripristinare l' impianto originale del camper e verificare se i problemi restano.
In questo caso il costruttore sarebbe obbligato ad intervenire.
latrofa124
latrofa124
-
Rispondi Abuso
Inserito il 18/07/2021 alle: 17:49:10
In risposta al messaggio di Camperlaia del 18/07/2021 alle 12:02:41

Ciao a tutti, vorrei tornare sull'argomento Alternatore intelligente portando la mia esperienza in materia essendo da un anno possessore di un camper su meccanica Ford 2000cc 170cv. Dichiaro di essere assolutamente ignorante
in materia di mecatronica e che tutto ciò che scrivo è frutto di rilevazioni fatte dopo alcuni mesi di utilizzo sul campo. In fase di allestimento, data la notevole richiesta di energia necessaria al funzionamento delle utenze interne compresi tutti i letti a movimentazione elettrica, il concessionario ha installato due pannelli da 120W, due batterie da 100Ah, un parallelatore BDS180 e lo switch BS-BM. Il camper pur montando un alternatore smart non è stato fornito all'origine del DC-charger e come succede in questi casi dopo qualche ora di marcia trovavo le batterie al limite di carica. A nulla è servita la richiesta alla casa francese, che non ha mai neppure risposto al concessionario. Convinto obtorto collo ad installare il booster a mie spese il concessionario ha optato per il Victron-energy da 30Ah, ma purtroppo anche questa soluzione si è subito rivelata inefficace, tanto che loro stessi in maniera oltremodo scorretta hanno gettato la spugna lasciandomi con un camper nuovo per di più in garanzia ma pressoché inutilizzabile. Parimenti ad oggi  sono rimaste senza risposta le richieste di informazioni fatte a tutte le concessionarie d'Italia della marca del mio camper. Un bel giorno, il tecnico della Ford mi ha insegnato a monitorare in tempo reale il funzionamento dell'alternatore smart direttamente dal display a cruscotto: smanettando in un sottomenù dai comandi sul volante appare un voltmetro. Ebbene si nota chiaramente che in avviamento l'alternatore spara una gran quantità di ampere per ripristinare la carica della BM ma dopo pochi secondi si ferma lasciandola su livelli attorno a 12,4V / 12,5V, però è prontissimo a riprendere a caricare, ma solo in due casi: 1) A luci anabbaglianti accese dove la tensione della BM viene tenuta assolutamente costante a 13,7V; 2) in discesa quando si solleva il piede dall'acceleratore. In questo caso l'alternatore andando a recupero di energia praticamente gratis non ha limiti di carica. Purtroppo non si può viaggiare sempre in discesa per avere il frigo freddo e le batterie belle cariche, né mi sembra una cosa tanto normale dover viaggiare con le luci accese come un albero di Natale anche di giorno a ferragosto, ma tant'é, solo in questi casi le BS, monitorate anch'esse attraverso l'App del parallelatore BDS180 non subiscono le scariche violente in marcia come quella mostrata dalla foto (-6Ah ma che possono arrivare anche a -18Ah). Spero di essere stato sufficientemente chiaro, ma aspetto altri vostri commenti sull'argomento, perché vorrei risolvere la faccenda prima che diventi un'ossessione e mi costringa a liberarmi del camper. Un saluto
...
È un problema di istallazione del booster, o un problema dello stesso booster.
Analizzerei come è dove hanno preso il D+. Perché è lui che da l'informazione al booster che la batteria servizi richiede la carica, perché in caso contrario è normale che l'alternatore intelligente dopo aver ricaricato la batteria motore si sgancia. 
C'è una variante per cui non interviene il booster, se c'è un impianto fotovoltaico importante con il regolatore collegato direttamente sulla batteria servizi ed è anche istallato un parallelatore CBE con la batteria motore, IL D+ resta inattivo per via della carica che viene dal pannello.
Prova a staccare l'impianto fotovoltaico. 
Roberto 
 

Modificato da latrofa124 il 18/07/2021 alle 17:55:55
22
salvatore
salvatore
10/08/2003 9105
Rispondi Abuso
Inserito il 18/07/2021 alle: 18:13:18
In risposta al messaggio di latrofa124 del 18/07/2021 alle 17:49:10

È un problema di istallazione del booster, o un problema dello stesso booster. Analizzerei come è dove hanno preso il D+. Perché è lui che da l'informazione al booster che la batteria servizi richiede la carica, perché
in caso contrario è normale che l'alternatore intelligente dopo aver ricaricato la batteria motore si sgancia.  C'è una variante per cui non interviene il booster, se c'è un impianto fotovoltaico importante con il regolatore collegato direttamente sulla batteria servizi ed è anche istallato un parallelatore CBE con la batteria motore, IL D+ resta inattivo per via della carica che viene dal pannello. Prova a staccare l'impianto fotovoltaico.  Roberto   
...
L' amico Flavio ha detto chiaramente "di essere assolutamente ignorante in materia di mecatronica"
Ha quindi fatto fare al concessionario una serie di interventi sull' impianto elettrico, spendendo probabilmento non poco.
E' il concessionario che deve dargli un impianto perfettamente funzionante.surprise
latrofa124
latrofa124
-
Rispondi Abuso
Inserito il 18/07/2021 alle: 23:05:01
In risposta al messaggio di salvatore del 18/07/2021 alle 18:13:18

L' amico Flavio ha detto chiaramente di essere assolutamente ignorante in materia di mecatronica Ha quindi fatto fare al concessionario una serie di interventi sull' impianto elettrico, spendendo probabilmento non poco. E' il concessionario che deve dargli un impianto perfettamente funzionante.
Allora temo che non resti altro che portarlo al Divino Amore,
Il Divino Amore è un santuario sulla Ardeatina, eseguono la benedizione dei veicoli. 
Roberto 
8
motociclista12
motociclista12
31/08/2017 1049
Rispondi Abuso
Inserito il 19/07/2021 alle: 12:12:02
In risposta al messaggio di latrofa124 del 18/07/2021 alle 23:05:01

Allora temo che non resti altro che portarlo al Divino Amore, Il Divino Amore è un santuario sulla Ardeatina, eseguono la benedizione dei veicoli.  Roberto 
laughNo dai, deve risolvere. Col booster deve funzionare. Magari cambiando concessionaria.
Paolo
18
Camperlaia
Camperlaia
05/05/2007 25
Rispondi Abuso
Inserito il 19/07/2021 alle: 12:16:38
In risposta al messaggio di latrofa124 del 18/07/2021 alle 17:49:10

È un problema di istallazione del booster, o un problema dello stesso booster. Analizzerei come è dove hanno preso il D+. Perché è lui che da l'informazione al booster che la batteria servizi richiede la carica, perché
in caso contrario è normale che l'alternatore intelligente dopo aver ricaricato la batteria motore si sgancia.  C'è una variante per cui non interviene il booster, se c'è un impianto fotovoltaico importante con il regolatore collegato direttamente sulla batteria servizi ed è anche istallato un parallelatore CBE con la batteria motore, IL D+ resta inattivo per via della carica che viene dal pannello. Prova a staccare l'impianto fotovoltaico.  Roberto   
...
Roberto, la tua osservazione mi sembra più che giusta. In sostanza DC charger e sistema fotovoltaico non dovrebbero convivere ed è per questo che il booster non funziona. Giro subito la tua osservazione al concessionario, che nel frattempo lo aveva disinstallato, che provasse a rimetterlo cercando di far sì che in marcia non arrivi corrente dai pannelli. Servirà forse un interruttore apposito. Grazie vi terrò aggiornati. Un saluto
Flavio
latrofa124
latrofa124
-
Rispondi Abuso
Inserito il 19/07/2021 alle: 12:30:48
In risposta al messaggio di Camperlaia del 19/07/2021 alle 12:16:38

Roberto, la tua osservazione mi sembra più che giusta. In sostanza DC charger e sistema fotovoltaico non dovrebbero convivere ed è per questo che il booster non funziona. Giro subito la tua osservazione al concessionario,
che nel frattempo lo aveva disinstallato, che provasse a rimetterlo cercando di far sì che in marcia non arrivi corrente dai pannelli. Servirà forse un interruttore apposito. Grazie vi terrò aggiornati. Un saluto
...
Se non sai metterci le mani sull'impianto elettrico, basta che vai sul tetto e copri i pannelli con un telo ben nastrato.
È il sistema della serva, nasconde la polvere mettendola sotto il tappeto. 
PROVA! 
Roberto 
9
Bb79
Bb79
27/11/2016 1
Rispondi Abuso
Inserito il 25/10/2021 alle: 20:44:44
Salve a tutti , anche io possessore di questi bestioni targati 2020 con alternatore smart;
vivo lo stesso disagio : parte il motore la bm da un 13.6v scende ad un misero 12.8 12.6 ; l alternatore o il dc-dc nordelettronica non so chi regala il 14.3v 14.4 alla due bs  da120a. voi addossate la colpa hai dc-dc io invece l accollo all alternatore perche questo scherzo lo ha incominciato a fare solo quest anno; prima mettevo in moto e sbam tutto acceso tutto in funzione 14.4 bm 14.4bs... adesso il problema è farglielo capire al conc visto che dite che neanche le officine ne sono venute a capo
accetto suggerimenti buoni km a tutti 
 
Bb
4Kc3Vcx0Oyf9
4Kc3Vcx0Oyf9
-
Rispondi Abuso
Inserito il 28/10/2021 alle: 10:24:57
In risposta al messaggio di Moby Dick del 22/01/2021 alle 00:33:20

Allego la modifica che ho in mente di fare (quella azzurra dentro il tratteggio arancio) in modo da poter usufruire del Booster oppure del relè separatore interno come in origine senza eliminarlo, ma interrompendo solo il
segnale della bobina con un semplice deviatore, così se il booster dovesse mai abbandonarmi ho la possibilità di tornare in origine senza smontare per l'ennesima volta il sedile guida.  
...
Salve MobyDick, anche se credo sia meglio dire Aldo, se non erro dalla lettura di vecchi post.
Intanto vorrei che tu accettassi un mio personalissimo “Grazie” per come hai voluto condividere con tutti noi la tua ricerca della problematica del frigo post installazione booster….veramente interessante e spiegata in modo magistrale, tanto che anche io ho capito!. Spero un giorno di poter fare altrettanto su qualche altro argomento, ma dubito.
Arrivo al dunque, sono felice possessore di un van Malibu che monta la stessa centralina che menzioni ossia la SHAUDT EBL262-3 e visto che le attuali mie 2 Batterie BS EXIDE Equipment GEL ES900 da 80Ah (che ahimè…quando montai il PV ebbi la malaugurata idea di parallelare con la BM tramite il Victron Cyrix CT) , mi sembra stiano tirando le cuoia, stavo guardandomi attorno per poterle sostituire con la tecnologia Litio.
Nello studio della scelta di ciò che potevano essere i componenti migliori, partendo dalle batterie, poi DC-DC BTB Charger, 220 Power Charger, Inverter a corredo (per il phonettino della mogliettina), alla fine sono venuto a comprendere che il progetto oltre ad essere piuttosto dispendioso economicamente potrebbe anche rivelarsi un vero fallimento.
Cerco di elencare di seguito i punti critici che fino ad oggi sono riuscito ad identificare, in quanto il passaggio a nuovi “serbatoi di energia” a Litio da effettuare su camper/van, che non sono nati predisposti per questo, non è mai Plug ‘N Play, checche se ne dica a giro!:
1)
Le Litio hanno necessità di specifiche curve di carica che quasi mai sono comprese nei charger/centraline già presenti sui camper. Da qui l’obbligo di associare all’acquisto delle batteria anche:
  • a) un DC-DC BTB (Battery to Battery) Charger con specifiche curve di ricarica per Litio
  • b) un Charger 220V con specifiche curve di ricarica per Litio
  • c) Per poter effettuare quanto al punto “b” sconnettere ogni eventuale parallelo presente fra BM e BS eventualmente presente, compreso (e qui arriviamo a quanto da te minuziosamente descritto) l’eventuale parallelo fra BM e BS indotto dalle centraline di alcuni produttori (ad es. Shaudt mod EBL262-3). In merito a questo punto sarei davvero molto interessato a conoscere i dettagli, se qualcuno ha già effettuato l’esclusione del relè, visto che sarei intenzionato a farlo anche io….., forse!wink
  • d) Nel caso sia presente anche l’impianto PV, assicurarsi di essere in presenza di un Regolatore che possa offrire le suddette specifiche curve di ricarica per Litio. In questo caso poi io ho il primo mio dubbio, come dovrebbe comportarsi il regolatore di carica in una giornata di sole estiva di trasferimento, quindi con il DC-DC in funzione assieme al Regolatore?...è accettabile il caricamento in simultanea?..?...oppure anche questa cosa è da pensare di risolverla installando relè o altro?cool
 2)
Le Litio soffrono molto il permanere per svariato tempo nello stato di carica completa al 100%, per cui sarebbero da prevedere delle accortezze installative (interruttori, sistemi a relè, etc,) con le quali poter mitigare questo stato di carica completa al 100%, ad esempio scollegando pannelli o altro…
 
Mi sono accorto di aver scritto un poema, ma l’argomento è piuttosto complesso e, viste le cifre in ballo, richiede di essere trattato nel dettaglio, quindi se non altro, spero di aver fatto cosa gradita nel ribadire i punti di cui sopra a chi come me è allettato dall’idea di risparmiare svariati KG e avere quasi infiniti Ah adottando tale nuova tecnologia. Ovvio poi che la speranza è che tale investimento sia moolto duraturo nel tempo…, in quanto se fra 4 anni (o meno) sono costretto a dover nuovamente cambiare serbatoi la scelta che sto facendo si rivelerà totalmente errata.
Scusate il pippone, e soprattutto ancora grazie a MobyDick per la sua opera di condivisione.
Ciao
Dodo (Leo)
 
SostaGruppiCompagniItaliaEsteroMarchiMeccanicaCellulaAccessoriEventiLeggiComportamentiDisabiliIn camper perAltro CamperAltroExtra
167k Facebook
343k Instagram
42,6k TikTok
73,3k Youtube
CamperOnLine - Copyright © 1998-2026 - P.Iva 06953990014
Informativa privacy
Loading...

Accedi

Recupera Password
Nuovo utente

Vuoi eliminare il messaggio?

Sottoscrizione

Anteprima

PREFERENZA

Il messaggio è in fase di inserimento.

loading

CamperOnLine

Buongiorno gentile utente,

da oltre 20 anni Camperonline offre gratuitamente tutti i suoi servizi
grazie agli inserzionisti che ci hanno dato la loro fiducia, permettici di continuare il nostro lavoro disattivando il blocco delle pubblicità.

Grazie della collaborazione.

Azione eseguita con successo

Azione Fallita

Condividi

Condividi questa pagina con:

O copia il link