CamperOnLine
  • Camper
    • Camper usati
    • Camper nuovi
    • Produttori
    • Listino
    • Cataloghi
    • Concessionari e rete vendita
    • Noleggio
    • Van
    • Caravan
    • Fiere
    • Rimessaggi
    • Le prove di CamperOnLine
    • Provati da voi
    • Primo acquisto
    • Area professionisti
  • Accessori
    • Accessori e Prodotti
    • Camping Sport Magenta accessori
    • Produttori
    • Antenne TV
    • Ammortizzatori
    • GPS
    • Pneumatici
    • Rimorchi
    • Provati da Voi
    • Fai da te
  • Viaggi
    • Diari di viaggi in camper
    • Eventi
    • Foto
    • Check list
    • Traghetti
    • Trasporti
  • Sosta
    • Cerca Strutture
    • Sosta
    • Aree sosta camper
    • Campeggi
    • Agriturismi con sosta camper
    • App Camperonline App
    • 10 Consigli utili per la sosta
    • Area strutture
  • Forum
    • Tutti i Forum
    • Sosta
    • Gruppi
    • Compagni
    • Italia
    • Estero
    • Marchi
    • Meccanica
    • Cellula
    • Accessori
    • Eventi
    • Leggi
    • Comportamenti
    • Disabili
    • In camper per
    • Altro Camper
    • Altro
    • Extra
    • FAQ
    • Regolamento
    • Attivi
    • Preferiti
    • Cerca
  • Community
    • COL
    • CamperOnFest
    • Convenzioni Convenzioni
    • Amici
    • Furti
    • Informativa Privacy
    • Lavoro
  • COL
    • News
    • Newsletter
    • Pubblicità
    • Contatto
    • Ora
    • RSS RSS
    • Video
    • Facebook
    • Instagram
  • Magazine
  • Italiano
    • Bienvenue
    • Welcome
    • Willkommen
  • Accedi
CamperOnLine
Camping Sport Magenta
  1. Forum
  2. Tecnica
  3. Accessori
Galleria

Aggiornamento litio con centrale Schaudt EBL 119

Rispondi
Cerca
Berger Camping
SostaGruppiCompagniItaliaEsteroMarchiMeccanicaCellulaAccessoriEventiLeggiComportamentiDisabiliIn camper perAltro CamperAltroExtra
5 20 123
22
Armando
Armando
rating

11/08/2003 7445
Rispondi Abuso
Inserito il 07/04/2025 alle: 09:28:51
In risposta al messaggio di Karbon17 del 06/04/2025 alle 21:06:40

Grazie Armando, vediamo se ho capito bene prima di fare disastri: stacco il cavo 3 collegamento batteria di avviamento dalla BM + sotto fusibile da 50A con cavo da 16mmq vado a IN dell'Orion XS sul quale collego la massa
e OUT alla BS giusto?  anche io limiterò la ricarica dall'orion a 25A ed inserirò un interruttore per spegnerlo durante il tragitto di ritorno a casa in modo tale di non avere la BM al 100%  
...
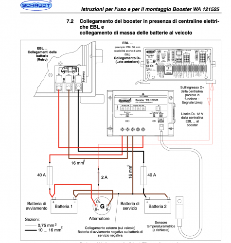
Si, anziché alla Schaudt (ingr. 3 in foto),  la BM è stata deviata in input al DCDC e l'uscita di questo direttamente alla BS. Per i fusibili, abbiamo mantenuto quelli da 50 A dell'impianto Hymer, in uscita dalla BM e dalla BS. 

Tieni presente che altri hanno invece interposto il DCDC tra uscita BM e ingresso (3) della centralina. Trovi gli schemi nei messaggi di Tommaso e altri.

Vedi tu quale logica seguire.

 
_____________ Armando

Modificato da Armando il 07/04/2025 alle 11:16:41
7
Karbon17
Karbon17
rating

10/01/2019 2109
Rispondi Abuso
Inserito il 07/04/2025 alle: 17:37:44
In risposta al messaggio di Armando del 07/04/2025 alle 09:28:51

Si, anziché alla Schaudt (ingr. 3 in foto),  la BM è stata deviata in input al DCDC e l'uscita di questo direttamente alla BS. Per i fusibili, abbiamo mantenuto quelli da 50 A dell'impianto Hymer, in uscita dalla BM e
dalla BS.  Tieni presente che altri hanno invece interposto il DCDC tra uscita BM e ingresso (3) della centralina. Trovi gli schemi nei messaggi di Tommaso e altri. Vedi tu quale logica seguire.  
...
grazie ancora Armando, finalmente ho le idee chiare e mi accingo ha metterle in opera, ultima cosa, ma il fusibile da 20A sulla EBL và tolto?
6
Szopen
Szopen
rating

06/09/2019 5992
Rispondi Abuso
Inserito il 08/04/2025 alle: 02:42:16
In risposta al messaggio di Karbon17 del 06/04/2025 alle 19:01:57

Buongiorno a tutti, mi aggrego alla discussione per chiarirmi alcuni dubbi in merito; avevo due AGM da 95Ah in parallelo secco che sono giunte alla fine ed ho colto l'occasione per passare alla litio, ed ho acquistato una
LiTime da 140Ah nelle classiche dimensioni di una AGM da 100Ah risparmiando 50kg di peso e lo spazio prima dedicato alla seconda AGM dove andrò a montare l'MPPT e Orion XS. Adesso veniamo ai dubbi : la centralina è una EBL31 e nei post precedenti ho letto che sarebbe compatibile con la ricarica della litio spostando il selettore su GEL/Piombo, me lo confermate? avrei anche un CB Victron idoneo alla ricarica della litio ma non riesco ad alimentarlo a 230V essendo sotto il sedile guidatore e la rete è sotto la dinette e non c'è modo di far passare i cavi, le alternative sarebbero di alimentarlo con un cavo volante dalla presa sotto il tavolo oppure prelevare il 230V dall'ingresso della EBL31 ma dovrei tagliare il cavo e mettere una derivazione ed entrambe le soluzioni non mi convincono. L'orion XS lo installo sotto il sedile passeggero vicinissimo alla batteria con un cavo IN proveniente dalla BM sotto fusibile da 50A e la massa direttamente su un bullone del sedile passeggero sempre da 16mmq, in quanto sono riuscito a far passare solo un cavo da 16mmq tra sedile passeggero e sedile guidatore a causa dell'isolamento presente nel pavimento, e chiedevo se è strettamente necessario portare anche il D+ al Orion XS mentre inserirei un interruttore remoto per poterlo spegnere. Se usassi il CB della Victron consigliate di entrare con il 12V nel Block7 ed eliminare il fusibile da 20A sulla centralina per evitare il parallelo BM/BS? grazie della collaborazione
...
Ciao, il fusibile da 20A di cui parli, non inibisce il parallelo BM BS ma, disattiva il caricabatterie 230V LAS interno alla centralina. 

Detto fusibile va tolto in presenza di caricabatteria esterno collegato al BLOCK 7, tuttavia se il caricabatterie esterno non supera i 20A potresti anche lasciarlo oppure creare un fusibile con interruttore attivabile ad hoc nel caso qualche volta avessi bisogno di ricaricare un po’ più velocemente.

Se colleghi il caricabatterie esterno al BLOCK 7 assicurati che sia presente un fusibile da 20 A nello slot denominato: Zusatz Ladegerat. 

Attento se il nuovo caricabatterie è maggiore di 20A non collegarlo alla centralina ma, collegalo direttamente alla BS. 

Ciro. 
nomade analogico e fanciulla all'imbrunire. Non ho nulla da vendere nè consigli da dare, solo qualche piccolo suggerimento da prendere con le pinze, possibilmente, amperometriche. Buoni Km a tutti e......... rammentate sempre che....... TESTAR NON NUOCE!

Modificato da Szopen il 08/04/2025 alle 02:44:15
7
Karbon17
Karbon17
rating

10/01/2019 2109
Rispondi Abuso
Inserito il 08/04/2025 alle: 06:54:55
In risposta al messaggio di Szopen del 08/04/2025 alle 02:42:16

Ciao, il fusibile da 20A di cui parli, non inibisce il parallelo BM BS ma, disattiva il caricabatterie 230V LAS interno alla centralina.  Detto fusibile va tolto in presenza di caricabatteria esterno collegato al BLOCK
7, tuttavia se il caricabatterie esterno non supera i 20A potresti anche lasciarlo oppure creare un fusibile con interruttore attivabile ad hoc nel caso qualche volta avessi bisogno di ricaricare un po’ più velocemente. Se colleghi il caricabatterie esterno al BLOCK 7 assicurati che sia presente un fusibile da 20 A nello slot denominato: Zusatz Ladegerat.  Attento se il nuovo caricabatterie è maggiore di 20A non collegarlo alla centralina ma, collegalo direttamente alla BS.  Ciro. 
...
grazie Ciro, intendevo propio inserendo un CB esterno della Victron da 15A e vorrei collegarlo direttamente ai morsetti della BS
Sala Silvergruva, la miniera d'argento
Sala Silvergruva, la miniera d'argento
Folgaria d’inverno in camper
Folgaria d’inverno in camper
Francia 2025
Francia 2025
Eksjo, la città di legno
Eksjo, la città di legno
Viaggio in Umbria e dintorni
Viaggio in Umbria e dintorni
Previous Next
6
cioccolato
cioccolato
04/07/2019 36
Rispondi Abuso
Inserito il 13/05/2025 alle: 17:41:16
In risposta al messaggio di Giapo del 28/03/2025 alle 14:51:55

Buongiorno a tutti, inizio scusandomi perchè so che questo argomento è già stato trattato e me lo sono letto, però ho le idee confuse perchè ci sono delle contraddizioni che mi confondono, quindi chiedo ai più esperti
se cortesemente hanno la pazienza di aiutarmi, vengo al dunque, ho aggiornato il mio impianto sostituendo la BS con una al litio, il mio camper è equipaggiato con centralina Schaudt EBL 119, ho installato un DC/DC 20A partendo direttamente dalla BM. E qui nascono i dubbi: - ho letto che togliendo il fusibile da 20A denominato lademodul... si inibisce il carica batterie a 220v per la BS e dovrebbe permanere la carica di pochi ampere alla BM; - ho capito che in questa configurazione anche con il motore acceso la BM si carica, ma dalla centralina Schaudt EBL 119 arriva corrente solo per alimentare il frigo a 12V e non va alla BS che altrimenti riceverebbe un tipo di carica non adatto al litio. Spero di essermi spiegato, grazie a tutti. Giacomo
...
Buongiorno, ho lo stesso problema ma non ho capito bene cosa dovrei fare:
ho una centralina EBL119, un booster WA121525 che supporta la ricarica Litio, vorrei cambiare le mie 2 AGM per installare 2 Litio con BMS Smart anziché una carissima Tempra Plug&play. Cosa devo fare? comprare un nuovo caricabatterie? che fusibili devo togliere? Non riesco a caricare foto, non so perché. Uso Mac e Firefox
grazie mille

 

Modificato da cioccolato il 13/05/2025 alle 17:42:28
6
Szopen
Szopen
rating

06/09/2019 5992
Rispondi Abuso
Inserito il 13/05/2025 alle: 19:46:15
In risposta al messaggio di cioccolato del 13/05/2025 alle 17:41:16

Buongiorno, ho lo stesso problema ma non ho capito bene cosa dovrei fare: ho una centralina EBL119, un booster WA121525 che supporta la ricarica Litio, vorrei cambiare le mie 2 AGM per installare 2 Litio con BMS Smart anziché
una carissima Tempra Plug&play. Cosa devo fare? comprare un nuovo caricabatterie? che fusibili devo togliere? Non riesco a caricare foto, non so perché. Uso Mac e Firefox grazie mille  
...
Dipende un po' dalle necessità di dover ricaricare a 230V, intanto chiedo quale sarà la capacità complessiva prevista dalle 2 nuove batterie?

Hai anche dei pannelli solari? Se si, quale regolatore e' montato?

Il booster WA Schaudt dovrebbe gia essere correttamente collegato in ingresso alla EBL 119 devi solo modificare i settaggi per la litio, per quanto riguarda il caricabatterie LAS 12-18 da 18A contenuto nella stessa EBL 119 puoi impostare la carica per batterie Piombo-Acido/Gel, se non ricordo male spostando il selettore in alto.

Se poi vuoi aggiungere un caricabatterie dedicato alle litio, sarebbe opportuno innanzitutto conoscerne la capacità di ricarica in Ampere per poi scegliere se collegarlo direttamente alla EBL oppure direttamente alle batterie.

Ciro.
nomade analogico e fanciulla all'imbrunire. Non ho nulla da vendere nè consigli da dare, solo qualche piccolo suggerimento da prendere con le pinze, possibilmente, amperometriche. Buoni Km a tutti e......... rammentate sempre che....... TESTAR NON NUOCE!
6
cioccolato
cioccolato
04/07/2019 36
Rispondi Abuso
Inserito il 21/05/2025 alle: 22:24:50
In risposta al messaggio di Szopen del 13/05/2025 alle 19:46:15

Dipende un po' dalle necessità di dover ricaricare a 230V, intanto chiedo quale sarà la capacità complessiva prevista dalle 2 nuove batterie? Hai anche dei pannelli solari? Se si, quale regolatore e' montato? Il booster
WA Schaudt dovrebbe gia essere correttamente collegato in ingresso alla EBL 119 devi solo modificare i settaggi per la litio, per quanto riguarda il caricabatterie LAS 12-18 da 18A contenuto nella stessa EBL 119 puoi impostare la carica per batterie Piombo-Acido/Gel, se non ricordo male spostando il selettore in alto. Se poi vuoi aggiungere un caricabatterie dedicato alle litio, sarebbe opportuno innanzitutto conoscerne la capacità di ricarica in Ampere per poi scegliere se collegarlo direttamente alla EBL oppure direttamente alle batterie. Ciro.
...
AGGIORNAMENTI:

ho installato le batterie, settato su GEL la EBL119 (tutto ok il caricabatterie con 220v), settato Litio sul booster WA 12525.
tutto ok apparentemente dopo i primi minuti dall'app bluetooth della batteria. DOPO pochi minuti MUORE il booster. Zero.. nessun fusibile saltato. Led spento, morto totalmente.

Il booster WA supporta fino a 300Ah di batterie (ho installato 2 da 100ah). Carica 25ah con massimo di 30ah, le batterie consigliano una carica di 20ah con massimo di 50ah.
Fu installato 18 mesi fa.

Cosa devo fare? cambiarlo per un Victron Energy Orion-Tr Smart 12/12-Volt 30 amp?

grazie
6
Szopen
Szopen
rating

06/09/2019 5992
Rispondi Abuso
Inserito il 22/05/2025 alle: 09:30:05
In risposta al messaggio di cioccolato del 21/05/2025 alle 22:24:50

AGGIORNAMENTI: ho installato le batterie, settato su GEL la EBL119 (tutto ok il caricabatterie con 220v), settato Litio sul booster WA 12525. tutto ok apparentemente dopo i primi minuti dall'app bluetooth della batteria.
DOPO pochi minuti MUORE il booster. Zero.. nessun fusibile saltato. Led spento, morto totalmente. Il booster WA supporta fino a 300Ah di batterie (ho installato 2 da 100ah). Carica 25ah con massimo di 30ah, le batterie consigliano una carica di 20ah con massimo di 50ah. Fu installato 18 mesi fa. Cosa devo fare? cambiarlo per un Victron Energy Orion-Tr Smart 12/12-Volt 30 amp? grazie
...
Mi dispiace per l'inconveniente, se e' stato installato da 18 mesi significa che e' ancora in garanzia quindi potresti rivolgerti al rivenditore.

Ad ogni modo, hai un tester?

Con motore in moto e tester impostato in corrente continua a 20V, verifica la tensione sia sul cavo che arriva dalla batteria motore sia sul cavo del D+ che alimenta il booster.

In partenza del cavo di potenza cioè da quello che parte dalla BM, dev'esserci un fusibile volto vicino alla batteria, verificarne la bontà,  mi raccomando se lo trovi, TOGLI il fusibile e verificalo col tester.

Verifica anche sul booster frontalmente, hai un selettore per selezionare il funzionamento del booster con sensore della temperatura, se detto sensore non e' presente assicurati che il selettore sia impostato su  ohne (ovvero, posizionato a sinistra) altrimenti il booster non ricaricherò la batteria.

Che io sappia, il booster WA121525 non ha limitazioni in termini di capacità delle batteria ( tecnicamente questo limite non c'è l'ha nessuno caricabatterie) cio che cambia sarà solo un'allungamento dei tempi di ricarica, anche tu avessi 1000Ah di batterie funzionerebbe lo stesso.

Ciro.
nomade analogico e fanciulla all'imbrunire. Non ho nulla da vendere nè consigli da dare, solo qualche piccolo suggerimento da prendere con le pinze, possibilmente, amperometriche. Buoni Km a tutti e......... rammentate sempre che....... TESTAR NON NUOCE!

Modificato da Szopen il 22/05/2025 alle 09:44:00
6
cioccolato
cioccolato
04/07/2019 36
Rispondi Abuso
Inserito il 26/05/2025 alle: 21:35:56
In risposta al messaggio di Szopen del 22/05/2025 alle 09:30:05

Mi dispiace per l'inconveniente, se e' stato installato da 18 mesi significa che e' ancora in garanzia quindi potresti rivolgerti al rivenditore. Ad ogni modo, hai un tester? Con motore in moto e tester impostato in corrente
continua a 20V, verifica la tensione sia sul cavo che arriva dalla batteria motore sia sul cavo del D+ che alimenta il booster. In partenza del cavo di potenza cioè da quello che parte dalla BM, dev'esserci un fusibile volto vicino alla batteria, verificarne la bontà,  mi raccomando se lo trovi, TOGLI il fusibile e verificalo col tester. Verifica anche sul booster frontalmente, hai un selettore per selezionare il funzionamento del booster con sensore della temperatura, se detto sensore non e' presente assicurati che il selettore sia impostato su ohne (ovvero, posizionato a sinistra) altrimenti il booster non ricaricherò la batteria. Che io sappia, il booster WA121525 non ha limitazioni in termini di capacità delle batteria ( tecnicamente questo limite non c'è l'ha nessuno caricabatterie) cio che cambia sarà solo un'allungamento dei tempi di ricarica, anche tu avessi 1000Ah di batterie funzionerebbe lo stesso. Ciro.
...
grazie per la risposta. Purtroppo il rivenditore se ne lava le mani (ho comprato il camper con 10.000km a dicembre 2023. Fu sostituito lo stesso pezzo non funzionante (booster) a gennaio 2024 e ad oggi dice che non mi sostituisce in garanzia nulla.
Così che ho comprato un 12-12 / 30 orion victron.. Apro altro thread per chiarimenti
6
cioccolato
cioccolato
04/07/2019 36
Rispondi Abuso
Inserito il 10/06/2025 alle: 13:08:42
In risposta al messaggio di Szopen del 13/05/2025 alle 19:46:15

Dipende un po' dalle necessità di dover ricaricare a 230V, intanto chiedo quale sarà la capacità complessiva prevista dalle 2 nuove batterie? Hai anche dei pannelli solari? Se si, quale regolatore e' montato? Il booster
WA Schaudt dovrebbe gia essere correttamente collegato in ingresso alla EBL 119 devi solo modificare i settaggi per la litio, per quanto riguarda il caricabatterie LAS 12-18 da 18A contenuto nella stessa EBL 119 puoi impostare la carica per batterie Piombo-Acido/Gel, se non ricordo male spostando il selettore in alto. Se poi vuoi aggiungere un caricabatterie dedicato alle litio, sarebbe opportuno innanzitutto conoscerne la capacità di ricarica in Ampere per poi scegliere se collegarlo direttamente alla EBL oppure direttamente alle batterie. Ciro.
...
buongiorno Ciro e altri gentili esperti,
aggiornamento e riepilogo:
- ho cambiato le batterie AGM montando 2 litio di pari amperaggio (Ultimatron 100a x 2)
- ho settato la centralina EBL 119 per la ricarica 220v come gel-piombo (OK, funziona)
- ho sostituito il booster Schaudt 15215 che ha smesso di funzionare (dopo averlo settato su litio) dopo appena 5km.. dal BMS leggevo gli ampere in entrata. Poi il booster è morto.. Ho acquistato un Victron Orion non isolato da 30 ampere. Sostituito, leggo volt in entrata ed uscita ma zero corrente alla batteria servizi.

Evidentemente il Victron non funziona come il booser dc-dc schaudt o meglio non ha gli stessi collegamenti. Cosa devo fare? ho già sentito più officine nella mia zona ma a quanto pare nessuno sembra conoscere bene quella centralina.

posso passare a Magenta a farti vedere il camper?
grazie 1000

 
6
Szopen
Szopen
rating

06/09/2019 5992
Rispondi Abuso
Inserito il 10/06/2025 alle: 13:27:57
In risposta al messaggio di cioccolato del 10/06/2025 alle 13:08:42

buongiorno Ciro e altri gentili esperti, aggiornamento e riepilogo: - ho cambiato le batterie AGM montando 2 litio di pari amperaggio (Ultimatron 100a x 2) - ho settato la centralina EBL 119 per la ricarica 220v come gel-piombo
(OK, funziona) - ho sostituito il booster Schaudt 15215 che ha smesso di funzionare (dopo averlo settato su litio) dopo appena 5km.. dal BMS leggevo gli ampere in entrata. Poi il booster è morto.. Ho acquistato un Victron Orion non isolato da 30 ampere. Sostituito, leggo volt in entrata ed uscita ma zero corrente alla batteria servizi. Evidentemente il Victron non funziona come il booser dc-dc schaudt o meglio non ha gli stessi collegamenti. Cosa devo fare? ho già sentito più officine nella mia zona ma a quanto pare nessuno sembra conoscere bene quella centralina. posso passare a Magenta a farti vedere il camper? grazie 1000  
...
Ciao, bisogna dare una controllata a cavi e fusibili, credo da qualche parte ci sia qualcosa di interrotto.

Controlla la posta.

Ciro.
nomade analogico e fanciulla all'imbrunire. Non ho nulla da vendere nè consigli da dare, solo qualche piccolo suggerimento da prendere con le pinze, possibilmente, amperometriche. Buoni Km a tutti e......... rammentate sempre che....... TESTAR NON NUOCE!
Argomenti recenti dal forum
Accessori
Installazione retrocamera posteriore
Ciao a tutti, ho acquistato un Krunia Schermo Portatile 8'' per Appl...
Karbon17
Oggi alle 10:10
Cellula abitativa
Mercedes Viano Marco Polo allestito Westfalia
Buongiorno a tutti, per il mio Viano Marco Polo allestito Westfalia ...
Salo
Oggi alle 09:31
Meccanica
Fanale opacizzato
Ciao, ho un Ducato i cui fanali anteriori sono opacizzati. Quest'ann...
Maiamaia4
Oggi alle 08:35
Aree di sosta e campeggi
Villalago
Buona sera vorrei un informazione, a primavera vorrei andare a visit...
PetruDaniele
Ieri alle: 21:01
Aree di sosta e campeggi
Ginevra
Buonasera a tutti, prossimamente dovrei andare qualche giorno a Gine...
koccinella
Ieri alle: 16:53
Gruppi
Camperisti Scooteristi...senza confini
Buongiorno amici con Camper e Scooter ,il nostro gruppo ha festeggia...
pinobsc
Ieri alle: 16:29
Viaggi in Italia
Giretto in centro Italia
Ciao, Stiamo andando ad Amatrice, vorremmo stare lì fino all'ora di ...
gianninotopo
Ieri alle: 15:45
Accessori
Inverter - sicurezza
Buongiorno, ho visto che ci sono discussioni simili a quella che pro...
gianninotopo
Ieri alle: 11:48
Accessori
Dimensionamento nuovo DC-DC
Ciao a tutti, Premesso che l'impianto Litio terminato da qualche tem...
maaaxxx
Ieri alle: 10:04
Accessori
Mantenere la Batteria Motore carica con una PS
Siamo in tema di mantenimento della carica della BM. Si sta palesand...
Paolo62
Ieri alle: 09:02
Altro non sui camper
Tiro al piccione
No, niente armi da fuoco, i simpatici pennuti sono salvi. È un nuov...
Emme48
Ieri alle: 07:48
Viaggi in Italia
Giugno all'isola del Giglio
Buongiorno a tutti, sto valutando di trascorrere a fine giugno 4 gio...
Nanasso
12/03/26 - 21:16
Accessori
problema ds300 conversione al litio
Ciao a tutti ho montato due batterie al litio su elnagh big marlin ...
Mandracchio
12/03/26 - 19:19
Cellula abitativa
Rimozione cerniera porta cellula
Buongiorno, Ho la porta della cellula del mio mcluis steel 531g del...
Telix636
12/03/26 - 16:39
Viaggi all'estero
Ruta Jubierre in Spagna
Come da titolo, c’è qualcuno che si è già avventurato a fare questa ...
Sparty91
12/03/26 - 14:00
6
cioccolato
cioccolato
04/07/2019 36
Rispondi Abuso
Inserito il 10/06/2025 alle: 16:47:48
In risposta al messaggio di Karbon17 del 06/04/2025 alle 21:06:40

Grazie Armando, vediamo se ho capito bene prima di fare disastri: stacco il cavo 3 collegamento batteria di avviamento dalla BM + sotto fusibile da 50A con cavo da 16mmq vado a IN dell'Orion XS sul quale collego la massa
e OUT alla BS giusto?  anche io limiterò la ricarica dall'orion a 25A ed inserirò un interruttore per spegnerlo durante il tragitto di ritorno a casa in modo tale di non avere la BM al 100%  
...
Schermata%202025-06-10%20alle%2016_43_39.png
Buongiorno Karbon17, la mia configurazione dovrebbe essere questa. Dalla descrizione del tuo mezzo penso sia la stessa. Cambiando il booster Schaud 121525 per un "Victron Orion Non isolato" non mi è chiaro quello che dici. Stacchi "il cavo 3 collegamento batteria motore" ?
grazie
6
cioccolato
cioccolato
04/07/2019 36
Rispondi Abuso
Inserito il 12/06/2025 alle: 19:41:20
In risposta al messaggio di cioccolato del 10/06/2025 alle 16:47:48

Buongiorno Karbon17, la mia configurazione dovrebbe essere questa. Dalla descrizione del tuo mezzo penso sia la stessa. Cambiando il booster Schaud 121525 per un Victron Orion Non isolato non mi è chiaro quello che dici. Stacchi il cavo 3 collegamento batteria motore ? grazie
aggiornamenti incubo: installato il victron da positivo BM a Orion, bypassando la EBL Schaudt. Ora va.
Il problema sono le ventole del radiatore che si attivano appena metto in moto.. apro altro thread per elettrauto..
 
6
cioccolato
cioccolato
04/07/2019 36
Rispondi Abuso
Inserito il 13/06/2025 alle: 11:17:59
In risposta al messaggio di cioccolato del 12/06/2025 alle 19:41:20

aggiornamenti incubo: installato il victron da positivo BM a Orion, bypassando la EBL Schaudt. Ora va. Il problema sono le ventole del radiatore che si attivano appena metto in moto.. apro altro thread per elettrauto..  
Aggiornamenti: le ventole hanno smesso di accendersi e la centralina sembra a posto. 
Non va il frigo a compressore.. non arriva corrente.
il collegamento frigo da Ebl119 é compromesso con il cambio che ho fatto?
6
Szopen
Szopen
rating

06/09/2019 5992
Rispondi Abuso
Inserito il 13/06/2025 alle: 12:53:34
In risposta al messaggio di cioccolato del 13/06/2025 alle 11:17:59

Aggiornamenti: le ventole hanno smesso di accendersi e la centralina sembra a posto.  Non va il frigo a compressore.. non arriva corrente. il collegamento frigo da Ebl119 é compromesso con il cambio che ho fatto?
Guarda vicino alla batteria motore, devi avere 2 cavi che vanno alla centralina , uno sostanzioso con fusibile da almeno 50A ed un secondo piu piccolo con fusibile da 20A che si occupa proprio del funzionamento del frigo in viaggio, un relė interno alla centralina dirotta l'alimentazione del frigo da BS e BM, assicurati che arrivi anche il D+, sulla centralina lo trovi al PIN 2 del block 1, con motore acceso verifica che da detto PIN 2 rilevi tensione.

Ciro.
nomade analogico e fanciulla all'imbrunire. Non ho nulla da vendere nè consigli da dare, solo qualche piccolo suggerimento da prendere con le pinze, possibilmente, amperometriche. Buoni Km a tutti e......... rammentate sempre che....... TESTAR NON NUOCE!
19
nytros
nytros
18/09/2006 136
Rispondi Abuso
Inserito il 30/07/2025 alle: 10:57:04
Buongiorno a tutti, scusatemi se mi intrometto nella discussione così all' improvviso e senza averne mai partecipato. Premetto che ho letto più volte tutta la discussione ma non escludo che mi possa essere sfuggito qualcosa, scusatemi anche per questo. Vorrei installare una batteria litio in sostituzione della mia AGM che la settimana scorsa mi ha abbandonato, mi piacerebbe fare un installazione pulita al massimo senza alterare l' impianto originale del camper, a tal proposito ho letto e credo i aver capito che sia possibile farlo! Vado al dunque...ho un Burstner lyseo del 2023 (non so se è importante specificarlo) con centralina EBL119 e booster SHAUDT WA121545. Consapevole che  potrei sicuramente fare un installazione migliore installando un DC>DC ed un caricabatterie 220v Victron, che però al momento vorrei evitare, la mia domanda è questa: "per installare una batteria litio al posto dell' attuale AGM mi basta settare il selettore di ricarica della centralina EBL su GEL ed impostare il Booster SHAUDT su ricarica batterie al litio?". Andrei incontro ad inconvenienti particolari o credete che possa funzionare tutto bene? Vi ringrazio anticipatamente!
Raffaele
19
nytros
nytros
18/09/2006 136
Rispondi Abuso
Inserito il 31/07/2025 alle: 08:58:08
...nessuno può aiutarmi? Ho la batteria al litio nel carrello, sono senza batteria nel camper e tra poco mi serve. Mi piacerebbe montare una litio ma se non sono sicuro di farla funzionare senza modifiche invasive prendo un AGM e festa finita...però mi dispiacerebbe non avere una litio! Grazie e buona giornata a tutti
Raffaele
19
nytros
nytros
18/09/2006 136
Rispondi Abuso
Inserito il 31/07/2025 alle: 13:28:33
Non me ne volete male se insisto, ma se io sostituisco la batteria AGM con una litio per i servizi continuando ad ad usare il Booster SHUDT WA preesistente e settato correttamente per le litio, abbinassi un caricabatterie Victron IP22 collegato direttamente alla batteria servizi, e poi senza togliere nessun fusibile dalla centralina EBL119, elimino completamente l' uscita che va alla batteria  motore e sulla batteria motore collego l' uscita destinata alla batteria servizi, dite che faccio un casino? In questo modo ricaricherei dalla 220v la batteria litio tramite il Victron IP22, ricaricherei la litio tramite alternatore sfruttando il Booster SHUDT WA, e con la 220v caricherei anche la batteria motore sfruttando l' uscita destinata alla batteria servizi dell' EBL119...questo mantenendo la centralina collegata alla 220v ed avendo anche l' indicatore della 220v acceso sul monitor del camper! L' unica controindicazione sarebbe che per vedere il livello di ricarica della batteria motore devo guardare l' indicatore della batteria servizi, e per vedere il livello di ricarica della batteria servizi usare l' app victron. Ho detto una cavolata? Non potrebbe funzionare?
Raffaele
14
banoyo
banoyo
23/12/2011 2480
Rispondi Abuso
Inserito il 31/07/2025 alle: 15:35:25
In risposta al messaggio di nytros del 31/07/2025 alle 13:28:33

Non me ne volete male se insisto, ma se io sostituisco la batteria AGM con una litio per i servizi continuando ad ad usare il Booster SHUDT WA preesistente e settato correttamente per le litio, abbinassi un caricabatterie
Victron IP22 collegato direttamente alla batteria servizi, e poi senza togliere nessun fusibile dalla centralina EBL119, elimino completamente l' uscita che va alla batteria  motore e sulla batteria motore collego l' uscita destinata alla batteria servizi, dite che faccio un casino? In questo modo ricaricherei dalla 220v la batteria litio tramite il Victron IP22, ricaricherei la litio tramite alternatore sfruttando il Booster SHUDT WA, e con la 220v caricherei anche la batteria motore sfruttando l' uscita destinata alla batteria servizi dell' EBL119...questo mantenendo la centralina collegata alla 220v ed avendo anche l' indicatore della 220v acceso sul monitor del camper! L' unica controindicazione sarebbe che per vedere il livello di ricarica della batteria motore devo guardare l' indicatore della batteria servizi, e per vedere il livello di ricarica della batteria servizi usare l' app victron. Ho detto una cavolata? Non potrebbe funzionare?
...
Se hai un impianto pulito, cioè senza altri oggetti particolari, dovrebbe essere tutto a posto.
Il booster è predisposto per litio quindi non dovrebbe esserci problemi.

A differenza di un AGM in cui la corrente tende a calare in fase di carica, con una litio il booster eroga sempre la corrente massima, è bene avere un impianto ben dimensionato.
Quindi controllerei la lunghezza dei fili e il diametro in ingresso ed in uscita al booster...in modo da valutare se quelli montati sono sufficienti.

Non collegare la BM al posto della BS sul EBL....faresti solo casini.
Tiziano

Modificato da banoyo il 31/07/2025 alle 15:50:42
19
nytros
nytros
18/09/2006 136
Rispondi Abuso
Inserito il 01/08/2025 alle: 09:28:51
In risposta al messaggio di banoyo del 31/07/2025 alle 15:35:25

Se hai un impianto pulito, cioè senza altri oggetti particolari, dovrebbe essere tutto a posto. Il booster è predisposto per litio quindi non dovrebbe esserci problemi. A differenza di un AGM in cui la corrente tende a
calare in fase di carica, con una litio il booster eroga sempre la corrente massima, è bene avere un impianto ben dimensionato. Quindi controllerei la lunghezza dei fili e il diametro in ingresso ed in uscita al booster...in modo da valutare se quelli montati sono sufficienti. Non collegare la BM al posto della BS sul EBL....faresti solo casini.
...
Secondo te il Victron IP22 è meglio montarlo diretto sulla batteria servizi o farlo passare per la centralina EBL119? Poi qualcuno dice che togliendo il fusibile da 20a dall' EBL119 si inibisce la ricarica da 220v alla batteria servizi ma resta attiva sulla batteria motore...qualcuno dice che invece non resta attiva sulla batteria motore. Se il fusibile non lo tolgo ma scollego dalla EBL119 il cavo che ricarica la batteria servizi, secondo te/voi il tutto dovrebbe continuare a funzionare, tranne ovviamente la ricarica a 220v dalla EBL119?
Raffaele
SostaGruppiCompagniItaliaEsteroMarchiMeccanicaCellulaAccessoriEventiLeggiComportamentiDisabiliIn camper perAltro CamperAltroExtra
167k Facebook
343k Instagram
42,6k TikTok
73,3k Youtube
CamperOnLine - Copyright © 1998-2026 - P.Iva 06953990014
Informativa privacy
Loading...

Accedi

Recupera Password
Nuovo utente

Vuoi eliminare il messaggio?

Sottoscrizione

Anteprima

PREFERENZA

Il messaggio è in fase di inserimento.

loading

CamperOnLine

Buongiorno gentile utente,

da oltre 20 anni Camperonline offre gratuitamente tutti i suoi servizi
grazie agli inserzionisti che ci hanno dato la loro fiducia, permettici di continuare il nostro lavoro disattivando il blocco delle pubblicità.

Grazie della collaborazione.

Azione eseguita con successo

Azione Fallita

Condividi

Condividi questa pagina con:

O copia il link