CamperOnLine
  • Camper
    • Camper usati
    • Camper nuovi
    • Produttori
    • Listino
    • Cataloghi
    • Concessionari e rete vendita
    • Noleggio
    • Van
    • Caravan
    • Fiere
    • Rimessaggi
    • Le prove di CamperOnLine
    • Provati da voi
    • Primo acquisto
    • Area professionisti
  • Accessori
    • Accessori e Prodotti
    • Camping Sport Magenta accessori
    • Produttori
    • Antenne TV
    • Ammortizzatori
    • GPS
    • Pneumatici
    • Rimorchi
    • Provati da Voi
    • Fai da te
  • Viaggi
    • Diari di viaggi in camper
    • Eventi
    • Foto
    • Check list
    • Traghetti
    • Trasporti
  • Sosta
    • Cerca Strutture
    • Sosta
    • Aree sosta camper
    • Campeggi
    • Agriturismi con sosta camper
    • App Camperonline App
    • 10 Consigli utili per la sosta
    • Area strutture
  • Forum
    • Tutti i Forum
    • Sosta
    • Gruppi
    • Compagni
    • Italia
    • Estero
    • Marchi
    • Meccanica
    • Cellula
    • Accessori
    • Eventi
    • Leggi
    • Comportamenti
    • Disabili
    • In camper per
    • Altro Camper
    • Altro
    • Extra
    • FAQ
    • Regolamento
    • Attivi
    • Preferiti
    • Cerca
  • Community
    • COL
    • CamperOnFest
    • Convenzioni Convenzioni
    • Amici
    • Furti
    • Informativa Privacy
    • Lavoro
  • COL
    • News
    • Newsletter
    • Pubblicità
    • Contatto
    • Ora
    • RSS RSS
    • Video
    • Facebook
    • Instagram
  • Magazine
  • Italiano
    • Bienvenue
    • Welcome
    • Willkommen
  • Accedi
CamperOnLine
Camping Sport Magenta
  1. Forum
  2. Tecnica
  3. Accessori
Galleria

Alimentare condizionatore in viaggio

Rispondi
Cerca
Berger Camping
SostaGruppiCompagniItaliaEsteroMarchiMeccanicaCellulaAccessoriEventiLeggiComportamentiDisabiliIn camper perAltro CamperAltroExtra Attivi
1 20 28
6
CippoLippoFisco
CippoLippoFisco
12/01/2020 17
Rispondi Abuso
Inserito il 14/08/2020 alle: 19:26:09
Buongiorno a tutti.
Ho condotto una vasta ricerca sull'argomento ma non ho trovato soluzioni definitive.
Sono ubriaco di letture sull'argomento ma non mi sembra di aver raggiunto una sintesi. Mi aiutate?
Situazione. Acquistato a febbraio Camper Laika Ecovip 2i 1999 su Iveco Daily 35.12. Sul mezzo è installato un condizionatore Electrolux cal 61.401 perfettamente funzionante. In passato era installato anche un generatore Electrolux che hanno rubato al precedente proprietario (è rimasto solo il quadro interno e i cavi tagliati fuori) . Vorrei alimentare il condizionatore in viaggio.
Nei post esistono diverse discussioni e soluzioni (inverter/generatore).
Questa mattina ho condotto alcune prove con un misuratore di assorbimento (non professionale ma meglio di niente) attaccando alla corrente di casa (impianto 4.5Kw). 
Solo camper con tutto spento 30-50W giusto per ricaricare le batterie
Condizionatore acceso con compressore funzionante 820-950W
Ora la parte interessante. Max assorbimento in accensione se parte al primo colpo senza ritardi 1100W. Se invece attacca il termostato ma il compressore non parte immediato si legge nel misuratore max assorbimento 3800W.
Vorrei evitare di comprare un generatore apposito da camper dometic nuovo o usato la spesa è per me elevata.
Io opterei per generatore portatile installato dove prima c'era il suo electrolux.
Domande:
Consigli su come alimentare in viaggio?
Il generatore in viaggio si può accendere?
Se installo il generatore e lo accendo in viaggio, le due fonti di alimentazione (alternatore e generatore vanno in conflitto sulla centralina? Come occorre installare? Potrei inserire un interruttore che in viaggio consente al generatore di arrivare solo al condizionatore e da fermo invece alimentare la presa.

Grazie atutti per il vostro tempo e i vostri consigli.
 
15
damasi
damasi
16/05/2010 2388
Rispondi Abuso
Inserito il 14/08/2020 alle: 21:23:26
In risposta al messaggio di CippoLippoFisco del 14/08/2020 alle 19:26:09

Buongiorno a tutti. Ho condotto una vasta ricerca sull'argomento ma non ho trovato soluzioni definitive. Sono ubriaco di letture sull'argomento ma non mi sembra di aver raggiunto una sintesi. Mi aiutate? Situazione.
Acquistato a febbraio Camper Laika Ecovip 2i 1999 su Iveco Daily 35.12. Sul mezzo è installato un condizionatore Electrolux cal 61.401 perfettamente funzionante. In passato era installato anche un generatore Electrolux che hanno rubato al precedente proprietario (è rimasto solo il quadro interno e i cavi tagliati fuori) . Vorrei alimentare il condizionatore in viaggio. Nei post esistono diverse discussioni e soluzioni (inverter/generatore). Questa mattina ho condotto alcune prove con un misuratore di assorbimento (non professionale ma meglio di niente) attaccando alla corrente di casa (impianto 4.5Kw).  Solo camper con tutto spento 30-50W giusto per ricaricare le batterie Condizionatore acceso con compressore funzionante 820-950W Ora la parte interessante. Max assorbimento in accensione se parte al primo colpo senza ritardi 1100W. Se invece attacca il termostato ma il compressore non parte immediato si legge nel misuratore max assorbimento 3800W. Vorrei evitare di comprare un generatore apposito da camper dometic nuovo o usato la spesa è per me elevata. Io opterei per generatore portatile installato dove prima c'era il suo electrolux. Domande: Consigli su come alimentare in viaggio? Il generatore in viaggio si può accendere? Se installo il generatore e lo accendo in viaggio, le due fonti di alimentazione (alternatore e generatore vanno in conflitto sulla centralina? Come occorre installare? Potrei inserire un interruttore che in viaggio consente al generatore di arrivare solo al condizionatore e da fermo invece alimentare la presa. Grazie atutti per il vostro tempo e i vostri consigli.  
...
Qualche anno fa anch'io volevo alimentatore il condizionatore a tetto del mio camper con un inverter... avevo trovato anche un'alternatore da 170A, ma tra prove e contro prove e sommando le spese alla fine  ho desistito...ti faccio presente che sul mio camper era montato un generatore dometic tec 29... che non ho mai usato in viaggio per questione di sicurezza... immagina solo cosa può succedere se un auto o un altro mezzo  ti urta proprio nel punto dove é montato il generatore mentre é acceso... se solo l'hai immaginato, probabilmente non lo monterai wink... scusa la schiettezza, ma per lavoro ne vedo tante di cose che non andrebbero fatte!
il mio é solo un consiglio... poi vedi tu.
un saluto.
Cambiare idea è una parte essenziale dello sviluppo cognitivo e non di debolezza. Danilo.

Modificato da damasi il 15/08/2020 alle 10:37:00
7
Mec1
Mec1
16/10/2018 183
Rispondi Abuso
Inserito il 15/08/2020 alle: 10:11:44
Io lo alimento con un alternatore da 150 A e un inverter Victron da 1200Va.
l'inverter é leggermente sottodimensionato, servirebbe il 1600 Va.
Comunque conto di risolvere con un dispositivo soft start.
Debbo aprire ancora lo chassis per capire se e dove posso piazzarlo, ma conto di trovare un compressore con 3 cavi di cui 2 ponticellati con condensatore.
In questo caso il soft start lo posiziono lungo la linea di alimentazione del compressore stesso.
Se inserite dispositivo soft start su Amazon o eBay ne trovate a pacchi.
MEC and his Wife 2024 - - Laika Kreos 3002 - 2007 2018-2024 - Laika Ecovip 200i - 1999
17
masivo
masivo
rating

24/08/2008 15434
Rispondi Abuso
Inserito il 15/08/2020 alle: 17:00:31
Ti avevo già detto, che il generatore non andrà mai in conflitto con l' alternatore, sono correnti e linee separate, il generatore entrerà in conflitto con il 220 da rete e se hai un inverter acceso e collegato alla linea 220 del camper.
Per questo un buon impianto a 220 prevede dei rele', non vi è nessuna necessità di separare le prese dal clima, 
un impianto a 220 è come quello di casa, conta ciò che è acceso, non ciò che è collegato.
Ivo
6
CippoLippoFisco
CippoLippoFisco
12/01/2020 17
Rispondi Abuso
Inserito il 15/08/2020 alle: 18:17:42
In risposta al messaggio di masivo del 15/08/2020 alle 17:00:31

Ti avevo già detto, che il generatore non andrà mai in conflitto con l' alternatore, sono correnti e linee separate, il generatore entrerà in conflitto con il 220 da rete e se hai un inverter acceso e collegato alla linea
220 del camper. Per questo un buon impianto a 220 prevede dei rele', non vi è nessuna necessità di separare le prese dal clima,  un impianto a 220 è come quello di casa, conta ciò che è acceso, non ciò che è collegato.
...
Grazie. Probabilmente ho già il relè data la presenza del generatore precedente. In caso di accensione in marcia, il mio dubbio (mi scuso se banale ma nella vita faccio altro) riguarda il flusso che va dal trasformatore verso la batteria quando attacco la 220 o il generatore e il flusso di carica che proviene dall'alternatore.
Normandia in camper: là dove la Natura
Normandia in camper: là dove la Natura
Pasqua in Costa Azzurra
Pasqua in Costa Azzurra
A spasso per la Germania del Nord in cam
A spasso per la Germania del Nord in cam
In camper nel centro Italia: tra sacro e
In camper nel centro Italia: tra sacro e
Le statue di legno di Kivijärvi
Le statue di legno di Kivijärvi
Previous Next
20
Emme48
Emme48
rating

13/01/2006 24640
Rispondi Abuso
Inserito il 15/08/2020 alle: 18:32:19
In risposta al messaggio di CippoLippoFisco del 15/08/2020 alle 18:17:42

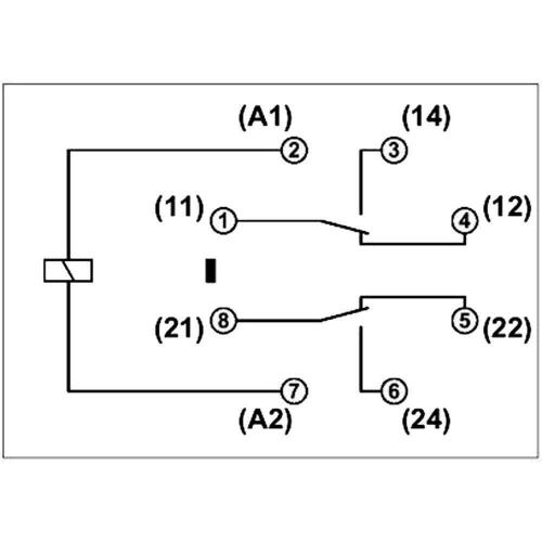
Grazie. Probabilmente ho già il relè data la presenza del generatore precedente. In caso di accensione in marcia, il mio dubbio (mi scuso se banale ma nella vita faccio altro) riguarda il flusso che va dal trasformatore verso la batteria quando attacco la 220 o il generatore e il flusso di carica che proviene dall'alternatore.
La scelta automatica tra energia proveniente dal generatore o dalla colonnina puoi farla così.

relegeneratore%5B1%5D.JPG
Schema dell zoccolo octal:
s-l1600%5B1%5D(20).jpg

Zoccolo octal
zoccolo-per-rele-2-scambi-octal%5B1%5D.jpg

relè octal 2 scambi (10 ampere) e bobina a 230 volt
rele-rele-finder-601282300040-octal-10a-250v-bobina-230vac-2-contatti-dpdt-finder%5B1%5D.jpg




Marco.
Marco

http://www.m48.it

17
masivo
masivo
rating

24/08/2008 15434
Rispondi Abuso
Inserito il 15/08/2020 alle: 19:48:57
In risposta al messaggio di CippoLippoFisco del 15/08/2020 alle 18:17:42

Grazie. Probabilmente ho già il relè data la presenza del generatore precedente. In caso di accensione in marcia, il mio dubbio (mi scuso se banale ma nella vita faccio altro) riguarda il flusso che va dal trasformatore verso la batteria quando attacco la 220 o il generatore e il flusso di carica che proviene dall'alternatore.
Ora ho capito, in effetti far andare il caricabatterie assieme al' alternatore è un inutile spreco, magari non fa danni, ma non si sa mai.
Se hai un impianto apposito del generatore è probabile abbiano previsto questo problema, dovresti controllare, quando vanno entrambi, generatore e alternatore,  se il carica da corrente, magari vi è un qualcosa che lo stacca.
Ivo
Ivano2020
Ivano2020
-
Rispondi Abuso
Inserito il 16/08/2020 alle: 21:39:41
In risposta al messaggio di damasi del 14/08/2020 alle 21:23:26

Qualche anno fa anch'io volevo alimentatore il condizionatore a tetto del mio camper con un inverter... avevo trovato anche un'alternatore da 170A, ma tra prove e contro prove e sommando le spese alla fine  ho desistito...ti
faccio presente che sul mio camper era montato un generatore dometic tec 29... che non ho mai usato in viaggio per questione di sicurezza... immagina solo cosa può succedere se un auto o un altro mezzo  ti urta proprio nel punto dove é montato il generatore mentre é acceso... se solo l'hai immaginato, probabilmente non lo monterai ... scusa la schiettezza, ma per lavoro ne vedo tante di cose che non andrebbero fatte! il mio é solo un consiglio... poi vedi tu. un saluto.
...
Io ho il condizionatore sul tetto e il generatore sul fondo. Ho sempre utilizzato il condizionatore in movimento (non avendolo in cabina) sono tornato dalla Sicilia ieri, ho consumato 20 litri di benzina.  Il generatore e' pericoloso sia da acceso che da spento. L'installatore del mio era da mettere in galera, tra il serbatoio e il generatore non aveva messo rubinetti o elettrovalvole. Io ho inserito un'elettrovalvola all'uscita del serbatoio, che apre solo con generatore in moto, inoltre ho installato una barra di robusto alluminio, fissata ai 2 longheroni che protegge in caso di tamponamenti. Il generatore e' protetto dal robusto contenitore in acciaio, il raffreddamento in movimento e' anche migliore. Basta tenere il livello dell'olio al massimo, altrimenti in curva potrebbe abbassarsi il livello e di conseguenza spegnersi.
15
damasi
damasi
16/05/2010 2388
Rispondi Abuso
Inserito il 16/08/2020 alle: 22:44:39
In risposta al messaggio di Ivano2020 del 16/08/2020 alle 21:39:41

Io ho il condizionatore sul tetto e il generatore sul fondo. Ho sempre utilizzato il condizionatore in movimento (non avendolo in cabina) sono tornato dalla Sicilia ieri, ho consumato 20 litri di benzina.  Il generatore
e' pericoloso sia da acceso che da spento. L'installatore del mio era da mettere in galera, tra il serbatoio e il generatore non aveva messo rubinetti o elettrovalvole. Io ho inserito un'elettrovalvola all'uscita del serbatoio, che apre solo con generatore in moto, inoltre ho installato una barra di robusto alluminio, fissata ai 2 longheroni che protegge in caso di tamponamenti. Il generatore e' protetto dal robusto contenitore in acciaio, il raffreddamento in movimento e' anche migliore. Basta tenere il livello dell'olio al massimo, altrimenti in curva potrebbe abbassarsi il livello e di conseguenza spegnersi.
...

.  "Il generatore e' pericoloso sia da acceso che da spento. "

...dunque  non c'è  nessuna differenza in caso di un incidente avere un motore con una marmitta rovente dove una goccia di carburante si incendia subito e un motore freddo! 
Quindi dopo molti anni di servizio e nonostante che tra qualche anno andrò in pensione... in base a questa teoria vuol dire che la chimica e fisica del fuoco che ho studiato e adottato in tutti questi anni non servono a nulla... e che una barra di alluminio possa fermare un auto che tampona! Mah! sad
Perciò in base a questa nuova teoria dovrei  anche mettermi in discussione... visto che  invece di usare il clima cellula con il tec29 ho preferito montare il clima in cabina, solo perché ho la sensazione e non la certezza di viaggiare seduto su di una bomba ad orologeria...surprise

Comunque ritornando seri... i miei sono solo semplici consigli, che mi sento di dare a causa di troppi incidenti che ho visto, causati dalla troppa leggerezza delle persone...
...e tenete sempre presente che in  sede penale o civile ognuno di noi é responsabile delle proprie azioni... 

 
Cambiare idea è una parte essenziale dello sviluppo cognitivo e non di debolezza. Danilo.

Modificato da damasi il 17/08/2020 alle 14:51:39
22
Laikone
Laikone
rating

31/03/2004 19808
Rispondi Abuso
Inserito il 17/08/2020 alle: 15:51:29
In risposta al messaggio di CippoLippoFisco del 14/08/2020 alle 19:26:09

Buongiorno a tutti. Ho condotto una vasta ricerca sull'argomento ma non ho trovato soluzioni definitive. Sono ubriaco di letture sull'argomento ma non mi sembra di aver raggiunto una sintesi. Mi aiutate? Situazione.
Acquistato a febbraio Camper Laika Ecovip 2i 1999 su Iveco Daily 35.12. Sul mezzo è installato un condizionatore Electrolux cal 61.401 perfettamente funzionante. In passato era installato anche un generatore Electrolux che hanno rubato al precedente proprietario (è rimasto solo il quadro interno e i cavi tagliati fuori) . Vorrei alimentare il condizionatore in viaggio. Nei post esistono diverse discussioni e soluzioni (inverter/generatore). Questa mattina ho condotto alcune prove con un misuratore di assorbimento (non professionale ma meglio di niente) attaccando alla corrente di casa (impianto 4.5Kw).  Solo camper con tutto spento 30-50W giusto per ricaricare le batterie Condizionatore acceso con compressore funzionante 820-950W Ora la parte interessante. Max assorbimento in accensione se parte al primo colpo senza ritardi 1100W. Se invece attacca il termostato ma il compressore non parte immediato si legge nel misuratore max assorbimento 3800W. Vorrei evitare di comprare un generatore apposito da camper dometic nuovo o usato la spesa è per me elevata. Io opterei per generatore portatile installato dove prima c'era il suo electrolux. Domande: Consigli su come alimentare in viaggio? Il generatore in viaggio si può accendere? Se installo il generatore e lo accendo in viaggio, le due fonti di alimentazione (alternatore e generatore vanno in conflitto sulla centralina? Come occorre installare? Potrei inserire un interruttore che in viaggio consente al generatore di arrivare solo al condizionatore e da fermo invece alimentare la presa. Grazie atutti per il vostro tempo e i vostri consigli.  
...
Cippo, 
se anche solo lontanamente pensi di raffreddare la cellula e la cabina con un clima a tetto durante il viaggio, beh, credo dovrai ricrederti.
Spendi quei soldi in un clima motore, che costa anche meno, oltre ad essere più efficiente.

 
L'iperlessia e l'analfabetismo funzionale sono una piaga sociale
12
iw5ci
iw5ci
14/10/2013 2129
Rispondi Abuso
Inserito il 17/08/2020 alle: 16:50:15
Un clima motore e’ 3,5 kw di potenza ... il clima a tetto ha un terzo della potenza raffreddante.
 
Andrea IW5CI
6
CippoLippoFisco
CippoLippoFisco
12/01/2020 17
Rispondi Abuso
Inserito il 21/01/2021 alle: 09:12:13
Buongiorno... torno sull'argomento. Ho avviato anche la discussione sul gruppo FB così da raccogliere informazioni e aggiunto foto. Qualcuno di voi ha esperienza diretta? Che generatore avete montato per alimentare il condizionatore in viaggio? Che potenza? Marca e Modello?
 
22
Laikone
Laikone
rating

31/03/2004 19808
Rispondi Abuso
Inserito il 21/01/2021 alle: 12:00:47
In risposta al messaggio di CippoLippoFisco del 21/01/2021 alle 09:12:13

Buongiorno... torno sull'argomento. Ho avviato anche la discussione sul gruppo FB così da raccogliere informazioni e aggiunto foto. Qualcuno di voi ha esperienza diretta? Che generatore avete montato per alimentare il condizionatore in viaggio? Che potenza? Marca e Modello?  
la pericolosità di un genertaore in viaggio è data principalmente da due motivi:
1) la qualità dell'oggetto installato
2) l'installazione vera e propria

Tutto il resto sono chiacchiere da bar...

Questo si traduce in:
1) o monti un generatore fisso, e che questo sia il TEC29 o un Telair dal punto di vista sicurezza/funzionamento non cambia nulla.
2) oppure monti un generatore portatile... ma che sia HONDA, scelta che condivido MA se ben installato, cosa non facile quest'ultima.
Caldo e benzina insieme non vanno d'accordo...
L'iperlessia e l'analfabetismo funzionale sono una piaga sociale
16
valerionuvola
valerionuvola
27/06/2009 1176
Rispondi Abuso
Inserito il 21/01/2021 alle: 14:43:34
In risposta al messaggio di CippoLippoFisco del 14/08/2020 alle 19:26:09

Buongiorno a tutti. Ho condotto una vasta ricerca sull'argomento ma non ho trovato soluzioni definitive. Sono ubriaco di letture sull'argomento ma non mi sembra di aver raggiunto una sintesi. Mi aiutate? Situazione.
Acquistato a febbraio Camper Laika Ecovip 2i 1999 su Iveco Daily 35.12. Sul mezzo è installato un condizionatore Electrolux cal 61.401 perfettamente funzionante. In passato era installato anche un generatore Electrolux che hanno rubato al precedente proprietario (è rimasto solo il quadro interno e i cavi tagliati fuori) . Vorrei alimentare il condizionatore in viaggio. Nei post esistono diverse discussioni e soluzioni (inverter/generatore). Questa mattina ho condotto alcune prove con un misuratore di assorbimento (non professionale ma meglio di niente) attaccando alla corrente di casa (impianto 4.5Kw).  Solo camper con tutto spento 30-50W giusto per ricaricare le batterie Condizionatore acceso con compressore funzionante 820-950W Ora la parte interessante. Max assorbimento in accensione se parte al primo colpo senza ritardi 1100W. Se invece attacca il termostato ma il compressore non parte immediato si legge nel misuratore max assorbimento 3800W. Vorrei evitare di comprare un generatore apposito da camper dometic nuovo o usato la spesa è per me elevata. Io opterei per generatore portatile installato dove prima c'era il suo electrolux. Domande: Consigli su come alimentare in viaggio? Il generatore in viaggio si può accendere? Se installo il generatore e lo accendo in viaggio, le due fonti di alimentazione (alternatore e generatore vanno in conflitto sulla centralina? Come occorre installare? Potrei inserire un interruttore che in viaggio consente al generatore di arrivare solo al condizionatore e da fermo invece alimentare la presa. Grazie atutti per il vostro tempo e i vostri consigli.  
...
Mi vien da dire che il generatore se lo sia tolto prima di vendere il camper e non lo abbiano rubato ..
Detto questo trovo anomalo il comportamento del tuo condizionatore . La corrente di spunto , da te misurata 3,8Kw  , è chiaro sintomo di qualcosa di anomalo nel tuo condizionatore . 
Nessun inverter e nemmeno gruppo elettrogeno sarà in grado di far funzionare quello spunto .
Per primo ti consiglierei di controllare il condensatore del condizionatore , quello collegato al motore del compressore potrebbe avere un valore fuori tolleranza o al peggio essere rotto . Il condensatore costa pochi euro , prova a sostituirlo e misura di nuovo lo spunto . 
Da qui entrambe le strade sono percorribili , inverter o generatore che sia , è solo questione di portafoglio .
Se pensi di raffreddare la cabina con il clima sul tetto molla tutto , ho già provato questa via e non funziona .. non ti fidare di chi ti dice " un pò di fresco arriva " .. no .. non arriva nulla .
Montai per primo il tandem GE + condizionatore e poi dopo 4 anni ho messo mano al portafoglio e montato anche quello in cabina . 
 
22
Laikone
Laikone
rating

31/03/2004 19808
Rispondi Abuso
Inserito il 21/01/2021 alle: 16:48:39
condivido valerionuvola,

Il binomio condizionatore a tetto = fresco in cabina non esiste proprio. Inoltre questo "binomio" costringe anche l'acquisto di un generatore che nel 2021 non so quanto possa poi essere utile su un camper il quale utilizzo risulta essere quello di una normale vacanza.

Funziona molto di più il binomio contrario, ovvero clima motore = freschino in cellula, dove con circa 1500/2000€ si risolve con certezza almeno il fresco in cabina,

Non pensare di utilizzare un clima con il generatore per dormire al fresco, perchè il rumore e/o le vibrazioni che crea anche il migliore dei generatori da sempre e comunque fastidio per primo al proprietario, poi ai vicini.

Alcuni conti alla mano... clima motore + clima cellula = 2000+1800= 3800€ forse qualcosina in meno
Clima cellula + generatore 1800+3700= 5500€

oggi come oggi, non avendo nulla di tutto ciò ma volendo avere tutte le comodità monterei il clima motore + clima cellula + efoy = 2000+1800+2700 = 6500€
L'iperlessia e l'analfabetismo funzionale sono una piaga sociale
16
valerionuvola
valerionuvola
27/06/2009 1176
Rispondi Abuso
Inserito il 21/01/2021 alle: 17:46:11
In risposta al messaggio di Laikone del 21/01/2021 alle 16:48:39

condivido valerionuvola, Il binomio condizionatore a tetto = fresco in cabina non esiste proprio. Inoltre questo binomio costringe anche l'acquisto di un generatore che nel 2021 non so quanto possa poi essere utile su un
camper il quale utilizzo risulta essere quello di una normale vacanza. Funziona molto di più il binomio contrario, ovvero clima motore = freschino in cellula, dove con circa 1500/2000€ si risolve con certezza almeno il fresco in cabina, Non pensare di utilizzare un clima con il generatore per dormire al fresco, perchè il rumore e/o le vibrazioni che crea anche il migliore dei generatori da sempre e comunque fastidio per primo al proprietario, poi ai vicini. Alcuni conti alla mano... clima motore + clima cellula = 2000+1800= 3800€ forse qualcosina in meno Clima cellula + generatore 1800+3700= 5500€ oggi come oggi, non avendo nulla di tutto ciò ma volendo avere tutte le comodità monterei il clima motore + clima cellula + efoy = 2000+1800+2700 = 6500€
...
però efoy non eroga 220V , non si può dire che il clima funzioni da efoy .

Per quello che riguarda il GE nel mio caso lo trovo utile solo in viaggio , rinfresco per bene la cellula e le persone sedute dietro viaggiano bene , lo mantengo acceso anche nelle soste in autostrada , mi metto a fianco dei camion frigo e sembro quasi silenzioso a confronto . Le soste in autostrada per mangiare qualcosa al volo e ripartire o chiudere gli occhi mezz'ora al fresco sono meglio ! .
10
urbani 1
urbani 1
14/02/2016 1872
Rispondi Abuso
Inserito il 21/01/2021 alle: 18:42:47
In risposta al messaggio di valerionuvola del 21/01/2021 alle 17:46:11

però efoy non eroga 220V , non si può dire che il clima funzioni da efoy . Per quello che riguarda il GE nel mio caso lo trovo utile solo in viaggio , rinfresco per bene la cellula e le persone sedute dietro viaggiano
bene , lo mantengo acceso anche nelle soste in autostrada , mi metto a fianco dei camion frigo e sembro quasi silenzioso a confronto . Le soste in autostrada per mangiare qualcosa al volo e ripartire o chiudere gli occhi mezz'ora al fresco sono meglio ! .
...
Che generatore hai?
------- "Il fine giustifica il mezzo"
19
ecostar
ecostar
rating

11/01/2007 37233
Rispondi Abuso
Inserito il 21/01/2021 alle: 20:24:07

installare un clima a tetto + generatore illudendosi di guidare al fresco sarebbe un grande errore , con un clima motore di certo la situazione è diversa e durante il viaggio si raffresca anche parte della cellula , cosa impossibile con un clima a tetto raffrescare anche la gabina guida durante il viaggio , ok clima + generatore ma senza illudersi di guidare al fresco 

mario

 
Mario
enzov1100
enzov1100
-
Rispondi Abuso
Inserito il 21/01/2021 alle: 21:35:57
In risposta al messaggio di CippoLippoFisco del 14/08/2020 alle 19:26:09

Buongiorno a tutti. Ho condotto una vasta ricerca sull'argomento ma non ho trovato soluzioni definitive. Sono ubriaco di letture sull'argomento ma non mi sembra di aver raggiunto una sintesi. Mi aiutate? Situazione.
Acquistato a febbraio Camper Laika Ecovip 2i 1999 su Iveco Daily 35.12. Sul mezzo è installato un condizionatore Electrolux cal 61.401 perfettamente funzionante. In passato era installato anche un generatore Electrolux che hanno rubato al precedente proprietario (è rimasto solo il quadro interno e i cavi tagliati fuori) . Vorrei alimentare il condizionatore in viaggio. Nei post esistono diverse discussioni e soluzioni (inverter/generatore). Questa mattina ho condotto alcune prove con un misuratore di assorbimento (non professionale ma meglio di niente) attaccando alla corrente di casa (impianto 4.5Kw).  Solo camper con tutto spento 30-50W giusto per ricaricare le batterie Condizionatore acceso con compressore funzionante 820-950W Ora la parte interessante. Max assorbimento in accensione se parte al primo colpo senza ritardi 1100W. Se invece attacca il termostato ma il compressore non parte immediato si legge nel misuratore max assorbimento 3800W. Vorrei evitare di comprare un generatore apposito da camper dometic nuovo o usato la spesa è per me elevata. Io opterei per generatore portatile installato dove prima c'era il suo electrolux. Domande: Consigli su come alimentare in viaggio? Il generatore in viaggio si può accendere? Se installo il generatore e lo accendo in viaggio, le due fonti di alimentazione (alternatore e generatore vanno in conflitto sulla centralina? Come occorre installare? Potrei inserire un interruttore che in viaggio consente al generatore di arrivare solo al condizionatore e da fermo invece alimentare la presa. Grazie atutti per il vostro tempo e i vostri consigli.  
...
"Condizionatore acceso con compressore funzionante 820-950W
Ora la parte interessante. Max assorbimento in accensione se parte al primo colpo senza ritardi 1100W. Se invece attacca il termostato ma il compressore non parte immediato si legge nel misuratore max assorbimento 3800W."

No posso esserti utile perchè ho il condizionatore in cabina ma non ancora nella cellula, quindi la mia esperienza è limitata.
La tua esperienza e le tue misure sul carico sono invece molto utili a noi, verificano la "teoria" che i condizionatori, nello spunto, possono assorbire anche 5 volte o più la potenza poi richiesta nel mantenimento:  largo circa 770W x 5 = 3850, cosa correttamente da te misurata; ricordiamocelo quando andiamo a dimensionare un inverter per un condizionatore o per un frigorifero a compressore.
I say what I think that is what I do. La pratica spesso supera la matematica.

Modificato da enzov1100 il 21/01/2021 alle 21:36:43
20
pama
pama
20/02/2006 1027
Rispondi Abuso
Inserito il 22/01/2021 alle: 16:41:16
Mi spieghereste cosa significa:
"Se invece attacca il termostato ma il compressore non parte immediato si legge nel misuratore max assorbimento 3800W."
Se il termostato da il consenso perchè il compressore non parte subito ? Ha un temporizzatore ? Perchè arriverebbe a 3800w ?
Con quell'assorbimento dovrebbe aprirsi il clikson o peggio la protezione interna (se c'è).

Modificato da pama il 22/01/2021 alle 16:45:01
16
valerionuvola
valerionuvola
27/06/2009 1176
Rispondi Abuso
Inserito il 22/01/2021 alle: 18:27:47
In risposta al messaggio di urbani 1 del 21/01/2021 alle 18:42:47

Che generatore hai?
Io ho il TEC29
SostaGruppiCompagniItaliaEsteroMarchiMeccanicaCellulaAccessoriEventiLeggiComportamentiDisabiliIn camper perAltro CamperAltroExtra Attivi
Argomenti recenti dal forum
Cellula abitativa
Upgrade lifepo4
Buonasera a tutti, possiedo un Rapido C55i e al momento il camper è così configurato: -Dcd...
Zanna1979
Ieri alle: 22:51
Cellula abitativa
Nuovo acquisto giottilne z600 iveco
Buongiorno a tutti, bellissimo questo forum sui camper. A giorni concludo l'acquisto di un...
Pasca1787
Ieri alle: 18:36
Viaggi all'estero
Istria Ponte Primo Maggio
Ciao a tutti, stiamo pensando di fare 5 giorni in Istria nei primi giorni di maggio, abbia...
ovsp84
Ieri alle: 12:45
Meccanica
Rimappatura Iveco Daily 3gen e fischio turbina
Buongiorno, dopo aver rimappato il mio 35c15 ho notato che in fase di accelerazione ma sol...
323232
Ieri alle: 10:38
Aree di sosta e campeggi
Roma LGP - Zona Verde
Vorrei sapere da qualche camperista romano se e come è possibile accedere all'area camper ...
memmio
Ieri alle: 09:10
Accessori
Installatore antifurto camper
Buongiorno sto cercando un installatore di antifurto per camper zona Senago Paderno Dugna...
penguin46
Ieri alle: 08:12
Meccanica
Serraggio bulloni braccio oscillante
Buonasera. Avrei bisogno di conoscere i valori di serraggio dei 4 bulloni presenti nel bra...
celeserpi
24/04/26 - 23:38
Aree di sosta e campeggi
Area sosta/parcheggio ospedale Rizzoli Bologna
Salve a tutti. Cerco info su area sosta/parcheggio ospedale Rizzoli a Bologna. Ho notato s...
Dingo84
24/04/26 - 22:24
Viaggi in Italia
Pompei e Caserta
Ciao a tutti, Abbiamo le ferie dal 1 al 7 maggio e volevamo andare a Pompei e reggia di Ca...
beneamma
24/04/26 - 22:22
Viaggi all'estero
Il Tirolo vieta di saltare la coda in autostrada
.. Regione Trentino AA/S Naviga Il Tirolo vieta di saltare la coda in autostrada lungo str...
salito
24/04/26 - 20:14
Normative
Revisione 42,5 q bloccata
Salve a tutti, incredibile, tutte le prove superate,nonostante gli anni ed una precisa m...
paologu
24/04/26 - 17:54
Cellula abitativa
Aiuto gradino elettrico Laika ecovip 3l
Buonasera a tutti, sono da poco un possessore di un Laika ecovip 3l e ho un problema con i...
Alex86rm
23/04/26 - 22:19
168k Facebook
343k Instagram
42,6k TikTok
73,6K Youtube
CamperOnLine - Copyright © 1998-2026 - P.Iva 06953990014
Informativa privacy
Loading...

Accedi

Recupera Password
Nuovo utente

Vuoi eliminare il messaggio?

Sottoscrizione

Anteprima

PREFERENZA

Il messaggio è in fase di inserimento.

loading

CamperOnLine

Buongiorno gentile utente,

da oltre 20 anni Camperonline offre gratuitamente tutti i suoi servizi
grazie agli inserzionisti che ci hanno dato la loro fiducia, permettici di continuare il nostro lavoro disattivando il blocco delle pubblicità.

Grazie della collaborazione.

Azione eseguita con successo

Azione Fallita

Condividi

Condividi questa pagina con:

O copia il link