CamperOnLine
  • Camper
    • Camper usati
    • Camper nuovi
    • Produttori
    • Listino
    • Cataloghi
    • Concessionari e rete vendita
    • Noleggio
    • Van
    • Caravan
    • Fiere
    • Rimessaggi
    • Le prove di CamperOnLine
    • Provati da voi
    • Primo acquisto
    • Area professionisti
  • Accessori
    • Accessori e Prodotti
    • Camping Sport Magenta accessori
    • Produttori
    • Antenne TV
    • Ammortizzatori
    • GPS
    • Pneumatici
    • Rimorchi
    • Provati da Voi
    • Fai da te
  • Viaggi
    • Diari di viaggi in camper
    • Eventi
    • Foto
    • Check list
    • Traghetti
    • Trasporti
  • Sosta
    • Cerca Strutture
    • Sosta
    • Aree sosta camper
    • Campeggi
    • Agriturismi con sosta camper
    • App Camperonline App
    • 10 Consigli utili per la sosta
    • Area strutture
  • Forum
    • Tutti i Forum
    • Sosta
    • Gruppi
    • Compagni
    • Italia
    • Estero
    • Marchi
    • Meccanica
    • Cellula
    • Accessori
    • Eventi
    • Leggi
    • Comportamenti
    • Disabili
    • In camper per
    • Altro Camper
    • Altro
    • Extra
    • FAQ
    • Regolamento
    • Attivi
    • Preferiti
    • Cerca
  • Community
    • COL
    • CamperOnFest
    • Convenzioni Convenzioni
    • Amici
    • Furti
    • Informativa Privacy
    • Lavoro
  • COL
    • News
    • Newsletter
    • Pubblicità
    • Contatto
    • Ora
    • RSS RSS
    • Video
    • Facebook
    • Instagram
  • Magazine
  • Italiano
    • Bienvenue
    • Welcome
    • Willkommen
  • Accedi
CamperOnLine
Camping Sport Magenta
  1. Forum
  2. Tecnica
  3. Accessori
Galleria

BDS-150

Rispondi
Cerca
Berger Camping
SostaGruppiCompagniItaliaEsteroMarchiMeccanicaCellulaAccessoriEventiLeggiComportamentiDisabiliIn camper perAltro CamperAltroExtra Attivi
5 20 156
6
Szopen
Szopen
rating

06/09/2019 6147
Rispondi Abuso
Inserito il 13/05/2025 alle: 10:38:02
In risposta al messaggio di Apollo 13 del 13/05/2025 alle 10:26:39

Laikone credo tu abbia frainteso quel documento, che confermo essere conforme alla mia esperienza ma funziona diversamente. Scrivo anche per rispondere a Szopen. La scarica delle batterie in modo separato e alternato non
vuol dire che una batteria è quella attiva e l'altra se la dimentica. Deve essere inteso come la batteria A in fase di scarica fino ad una certa soglia, arrivati a quella soglia la batteria in scarica diventa la B, se si attiva il fotovoltaico si ricarica la batteria A, ma quella in scarica resta sempre la B. Le batterie non vengono caricate o scaricate in base alle nuvole o alla pompa dell'acqua, ma si caricano in modo separato (prima si carica una, poi l'altra) e alternato (se mentre sto caricando mi serve corrente, la prende dall'altra). > si giungera ad un punto in cui una sarà piu scarica dell'altra giusto? se non sono entrambe al 100%, questa situazione è la norma > cosa accade se eventuali prelievi continuano ad essere superiori all'energia di ricarica prodotta in libera? La corrente è prelevata dalla batteria in scarica o, se troppa, da entrambe > Se la batteria meno carica viene staccata dall'impianto come fa a ricaricarsi? Per come ho spiegato sopra, quando la batteria è promossa come in carica si carica questa fino a quando non diventa la batteria in scarica. Questo è il comportamento che ho osservato sul BDS-180, almeno con le batterie fino ai 2/3 della carica, sotto non so come si comporta. Posso supporre che alla CBE non ritengano ottimale che le batterie si carichino o scarichino a caso.
...
Apprezzo le tue spiegazioni ma, se l'energia prodotta (5A) e' inferiore a quella in uso (8A) e' lecito presumere che i restanti 3A vengano prelevati dalla batteria piu carica e che attualmente il dispositivo utilizza per la scarica, ora la batteria "promossa" in carica chi la carica?

Quindi la mia domanda e': se questa situazione dovesse permanere per qualche giorno in libera, e' utile l'utilizzo di quel dispositivo o magari potrebbe essere più utile tenere le 2 batterie unite in parallelo?

Ciro.
nomade analogico e fanciulla all'imbrunire. Non ho nulla da vendere nè consigli da dare, solo qualche piccolo suggerimento da prendere con le pinze, possibilmente, amperometriche. Buoni Km a tutti e......... rammentate sempre che....... TESTAR NON NUOCE!

Modificato da Szopen il 13/05/2025 alle 10:41:14
22
Laikone
Laikone
rating

31/03/2004 19977
Rispondi Abuso
Inserito il 13/05/2025 alle: 10:52:13
In risposta al messaggio di Apollo 13 del 13/05/2025 alle 10:26:39

Laikone credo tu abbia frainteso quel documento, che confermo essere conforme alla mia esperienza ma funziona diversamente. Scrivo anche per rispondere a Szopen. La scarica delle batterie in modo separato e alternato non
vuol dire che una batteria è quella attiva e l'altra se la dimentica. Deve essere inteso come la batteria A in fase di scarica fino ad una certa soglia, arrivati a quella soglia la batteria in scarica diventa la B, se si attiva il fotovoltaico si ricarica la batteria A, ma quella in scarica resta sempre la B. Le batterie non vengono caricate o scaricate in base alle nuvole o alla pompa dell'acqua, ma si caricano in modo separato (prima si carica una, poi l'altra) e alternato (se mentre sto caricando mi serve corrente, la prende dall'altra). > si giungera ad un punto in cui una sarà piu scarica dell'altra giusto? se non sono entrambe al 100%, questa situazione è la norma > cosa accade se eventuali prelievi continuano ad essere superiori all'energia di ricarica prodotta in libera? La corrente è prelevata dalla batteria in scarica o, se troppa, da entrambe > Se la batteria meno carica viene staccata dall'impianto come fa a ricaricarsi? Per come ho spiegato sopra, quando la batteria è promossa come in carica si carica questa fino a quando non diventa la batteria in scarica. Questo è il comportamento che ho osservato sul BDS-180, almeno con le batterie fino ai 2/3 della carica, sotto non so come si comporta. Posso supporre che alla CBE non ritengano ottimale che le batterie si carichino o scarichino a caso.
...
mi spiace Apollo13 ma non funziona come dici.

Quando il BDS è installato, qualunque modello, si abbia la situazione è la medesima:
Sul modulo ci sono 3 collegamenti:
batt. 1 
batt. 2
Utenze

Le utenze, il CB a 230V e il FV sono collegati tutti sul polo UTENZE, il quale in quel frangente sta alimentando ad esempio la pompa dell'acqua tramite la batt1. 
In questo istante, se il FV o la rete 230V apportano una corrente MAGGIORE di quella assorbita dalla pompa, la pompa funziona "gratis" ovvero senza prelevare corrente dalle batterie e la corrente in eccesso va a caricare LA SOLA batteria che in quel momento è collegata; quale sarà, ovvero la 1 o la 2 lo decide il BDS in base allo stato di carica delle BS.

Non è possibile tecnicamente prelevare dalla batt 1 e ricaricare la batt 2 contemporaneamente.

Per una maggior comprensione, pensiamo di NON avere il CB 230 collegato alla rete, ovvero siamo in libera...
Se il FV apporta 10A e la pompa ne consuma 5, la pompa continia a funzionare gratis e gli altri 5 vanno dentro alla batteria; quale batteria è sempre a discapito del BDS, e solitamente sarà la più scarica fino a quando non avrà raggiunto un determinato livello di carica (non al 100%) dove il BDS commuterà la ricarica sull'altra batteria, fino a quando anche questa non sarà carica al punto giusto (non al 100%) e a questo punto il BDS le collegherà in parallelo.

In pratica, non esiste una situazione dove una delle 2 BS non viene mai ricaricata, perchè se una della due è più carica dell'altra sarà sempre quella carica a fornire energia fino a quando questa carica sarà sarà maggiore dell'altra. Prima o poi, la batteria più carica si scaricherà come quella già scarica ed è in quel momento che il BDS deciderà quale delle due ricaricare prima. 
In pratica, non esiste che una batteria non venga mai ricaricata, altrimenti il BDS non avrebbe senso di esistere, confido anche io che CBE sia più capace di tanti smanettoni sul forum e non abbia lasciato che questa possibilità possa accadere. Ovviamente, la ricarica delle BS, qualunque essa sia presuppone che vi sia una fonte di ricarica attiva, altrimenti, come accade anche con un volgare parallelo non si ricarica nulla... e se si insiste nel prelevare energia SENZA una fonte di ricarica si arriva ad un punto in cui interviene il BDS con la funzione salva batteria, il che significa rimanere al buio.
L'iperlessia e l'analfabetismo funzionale sono una piaga sociale

Modificato da Laikone il 13/05/2025 alle 11:03:38
16
Apollo 13
Apollo 13
09/07/2009 3107
Rispondi Abuso
Inserito il 13/05/2025 alle: 11:30:43
In risposta al messaggio di Szopen del 13/05/2025 alle 10:38:02

Apprezzo le tue spiegazioni ma, se l'energia prodotta (5A) e' inferiore a quella in uso (8A) e' lecito presumere che i restanti 3A vengano prelevati dalla batteria piu carica e che attualmente il dispositivo utilizza per
la scarica, ora la batteria promossa in carica chi la carica? Quindi la mia domanda e': se questa situazione dovesse permanere per qualche giorno in libera, e' utile l'utilizzo di quel dispositivo o magari potrebbe essere più utile tenere le 2 batterie unite in parallelo? Ciro.
...
> se l'energia prodotta (5A) e' inferiore a quella in uso (8A)

i 3A sono prelevati dalla batteria in scarica

> e' utile l'utilizzo di quel dispositivo

dovresti chiederlo a chi è esperto in batterie, io purtroppo una risposta non te la so dare.
Lo stolto non sa tacere
16
Apollo 13
Apollo 13
09/07/2009 3107
Rispondi Abuso
Inserito il 13/05/2025 alle: 11:43:48
In risposta al messaggio di Laikone del 13/05/2025 alle 10:52:13

mi spiace Apollo13 ma non funziona come dici. Quando il BDS è installato, qualunque modello, si abbia la situazione è la medesima: Sul modulo ci sono 3 collegamenti: batt. 1  batt. 2 Utenze Le utenze, il CB a 230V e
il FV sono collegati tutti sul polo UTENZE, il quale in quel frangente sta alimentando ad esempio la pompa dell'acqua tramite la batt1.  In questo istante, se il FV o la rete 230V apportano una corrente MAGGIORE di quella assorbita dalla pompa, la pompa funziona gratis ovvero senza prelevare corrente dalle batterie e la corrente in eccesso va a caricare LA SOLA batteria che in quel momento è collegata; quale sarà, ovvero la 1 o la 2 lo decide il BDS in base allo stato di carica delle BS. Non è possibile tecnicamente prelevare dalla batt 1 e ricaricare la batt 2 contemporaneamente. Per una maggior comprensione, pensiamo di NON avere il CB 230 collegato alla rete, ovvero siamo in libera... Se il FV apporta 10A e la pompa ne consuma 5, la pompa continia a funzionare gratis e gli altri 5 vanno dentro alla batteria; quale batteria è sempre a discapito del BDS, e solitamente sarà la più scarica fino a quando non avrà raggiunto un determinato livello di carica (non al 100%) dove il BDS commuterà la ricarica sull'altra batteria, fino a quando anche questa non sarà carica al punto giusto (non al 100%) e a questo punto il BDS le collegherà in parallelo. In pratica, non esiste una situazione dove una delle 2 BS non viene mai ricaricata, perchè se una della due è più carica dell'altra sarà sempre quella carica a fornire energia fino a quando questa carica sarà sarà maggiore dell'altra. Prima o poi, la batteria più carica si scaricherà come quella già scarica ed è in quel momento che il BDS deciderà quale delle due ricaricare prima.  In pratica, non esiste che una batteria non venga mai ricaricata, altrimenti il BDS non avrebbe senso di esistere, confido anche io che CBE sia più capace di tanti smanettoni sul forum e non abbia lasciato che questa possibilità possa accadere. Ovviamente, la ricarica delle BS, qualunque essa sia presuppone che vi sia una fonte di ricarica attiva, altrimenti, come accade anche con un volgare parallelo non si ricarica nulla... e se si insiste nel prelevare energia SENZA una fonte di ricarica si arriva ad un punto in cui interviene il BDS con la funzione salva batteria, il che significa rimanere al buio.
...
> mi spiace Apollo13 ma non funziona come dici.

Non devi dispiacerti, tanto il giocattolo è mio wink

> Non è possibile tecnicamente prelevare dalla batt 1 e ricaricare la batt 2 contemporaneamente.

Almeno su questo siamo d'accordo yes

> In pratica, non esiste una situazione dove una delle 2 BS non viene mai ricaricata

Forse ti stupirà, ma l'avevo capito.

> la corrente in eccesso va a caricare LA SOLA batteria che in quel momento è collegata
> perchè se una della due è più carica dell'altra sarà sempre quella carica a fornire energia

Non so quale modello tu abbia provato, ma se il BDS-180 funziona così allora il mio è rotto.
Pazienza, mi va bene comunque così.
Lo stolto non sa tacere
Luglio 2022: Alsazia, Lorena e Normandia
Luglio 2022: Alsazia, Lorena e Normandia
Finlandia in camper
Finlandia in camper
Viitasaari, il comune dei 630 laghi
Viitasaari, il comune dei 630 laghi
Viaggio in camper 2025 nel Perigord
Viaggio in camper 2025 nel Perigord
Alla scoperta della Polonia, in camper
Alla scoperta della Polonia, in camper
Previous Next
6
Szopen
Szopen
rating

06/09/2019 6147
Rispondi Abuso
Inserito il 13/05/2025 alle: 13:50:24
In risposta al messaggio di Apollo 13 del 13/05/2025 alle 11:30:43

> se l'energia prodotta (5A) e' inferiore a quella in uso (8A) i 3A sono prelevati dalla batteria in scarica > e' utile l'utilizzo di quel dispositivo dovresti chiederlo a chi è esperto in batterie, io purtroppo una risposta non te la so dare.
Che i 3A ulteriori li dia la batteria in scarica non ci vuole una scienza per capirlo ma, la batteria in carica chi la carica?

Ciro.
nomade analogico e fanciulla all'imbrunire. Non ho nulla da vendere nè consigli da dare, solo qualche piccolo suggerimento da prendere con le pinze, possibilmente, amperometriche. Buoni Km a tutti e......... rammentate sempre che....... TESTAR NON NUOCE!
22
Laikone
Laikone
rating

31/03/2004 19977
Rispondi Abuso
Inserito il 13/05/2025 alle: 13:59:53
In risposta al messaggio di Apollo 13 del 13/05/2025 alle 11:43:48

> mi spiace Apollo13 ma non funziona come dici. Non devi dispiacerti, tanto il giocattolo è mio > Non è possibile tecnicamente prelevare dalla batt 1 e ricaricare la batt 2 contemporaneamente. Almeno su questo
siamo d'accordo > In pratica, non esiste una situazione dove una delle 2 BS non viene mai ricaricata Forse ti stupirà, ma l'avevo capito. > la corrente in eccesso va a caricare LA SOLA batteria che in quel momento è collegata > perchè se una della due è più carica dell'altra sarà sempre quella carica a fornire energia Non so quale modello tu abbia provato, ma se il BDS-180 funziona così allora il mio è rotto. Pazienza, mi va bene comunque così.
...
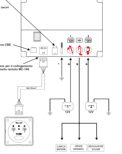
ti rispondo solo perchè a me piace motivare le mie dichiarazioni e non voglio che chi leggerà successivamente questo post abbia info sbagliate:

Sia il 150 che il 180 hanno lo stesso tipo di collegamento, ovvero questo:

image(7194).png

Dovendo collegare utenze a caricatori di qualsiasi tipo al punto 2 scritto in rosso, è tecnicamente impossibile riuscire a prelevare dalla BS1 mentre la BS2 si sta caricando, e questo è certo come la morte.
Nella migliorissima delle ipotesi, ovvero quella di avere ENTRAMBE le batterie ALMENO alla soglia prevista dal BDS, se c'è corrente in esubero potrebbero ricaricarsi ENTRAMBE, ma se le batterie non sono allo stesso livello di carica è ancora una volta impossibile che ciò accada, perchè il punto 2 è un "comune" attivato o disattivato dai relais interni, e dal punto di vista elettrotecnico il prelievo da una batteria, mentre l'altra si ricarica non è fattibile con queste configurazioni.

A me non serve altro. 
 
L'iperlessia e l'analfabetismo funzionale sono una piaga sociale

Modificato da Laikone il 13/05/2025 alle 14:35:58
16
Apollo 13
Apollo 13
09/07/2009 3107
Rispondi Abuso
Inserito il 13/05/2025 alle: 14:06:24
In risposta al messaggio di Szopen del 13/05/2025 alle 13:50:24

Che i 3A ulteriori li dia la batteria in scarica non ci vuole una scienza per capirlo ma, la batteria in carica chi la carica? Ciro.
Credo di essermi spiegato male, riprovo.

Abbiamo due batterie, A e B.
La batteria A è in carica con 5A dal fotovoltaico, la B è scollegata.
Si attiva una utenza da 8A, il carico è piccolo e il BDS collega la batteria B, quindi la batteria B si scarica di 3A.
Poi si spegne l'utenza da 8A, il BDS collega la batteria A in carica di 5A.

Per capire, può capitare che apro il rubinetto e poco dopo sento il ta-tac del BDS, quando chiudo il rubinetto altro ta-tac.
Mi sembra che la logica sia di evitare che le batterie facciano brevissimi cicli di carica e scarica, per cui fa un po' una e un po' l'altra.
Lo stolto non sa tacere
6
Szopen
Szopen
rating

06/09/2019 6147
Rispondi Abuso
Inserito il 13/05/2025 alle: 18:06:48
In risposta al messaggio di Apollo 13 del 13/05/2025 alle 14:06:24

Credo di essermi spiegato male, riprovo. Abbiamo due batterie, A e B. La batteria A è in carica con 5A dal fotovoltaico, la B è scollegata. Si attiva una utenza da 8A, il carico è piccolo e il BDS collega la batteria
B, quindi la batteria B si scarica di 3A. Poi si spegne l'utenza da 8A, il BDS collega la batteria A in carica di 5A. Per capire, può capitare che apro il rubinetto e poco dopo sento il ta-tac del BDS, quando chiudo il rubinetto altro ta-tac. Mi sembra che la logica sia di evitare che le batterie facciano brevissimi cicli di carica e scarica, per cui fa un po' una e un po' l'altra.
...
No, non e' così, se hai un carico costante di 8A per diverse ore ed il fotovoltaico  produce solo 5A questi verranno utilizzati istantaneamente, i restanti 3A verranno prelevati dalla batteria cui risulterà essere più carica, la seconda batteria resterà in sospeso, non si scaricherà ulteriormente ma neanche si caricherà proprio perché la produzione e' insoddisfacente rispetto ai consumi.

Giorgio dice che ha messo un televisore cui alimenta a mezzo di un inverter da 1000 Watt, le probabilità che venga alimentato altro dall'inverter non sono remote, certo nelle belle giornate probabilmente reintegra pienamente le batterie ma se capitano un paio di giorni leggermente "tristi", credo sia meglio che le batterie forniscano entrambe un'energia ripartita tra le stesse anziché sfruttarne una sola mentre l'altra rimane a riposo.

Ciro.
nomade analogico e fanciulla all'imbrunire. Non ho nulla da vendere nè consigli da dare, solo qualche piccolo suggerimento da prendere con le pinze, possibilmente, amperometriche. Buoni Km a tutti e......... rammentate sempre che....... TESTAR NON NUOCE!
21
oigroig
oigroig
26/09/2004 3060
Rispondi Abuso
Inserito il 13/05/2025 alle: 18:58:07
In risposta al messaggio di Szopen del 13/05/2025 alle 18:06:48

No, non e' così, se hai un carico costante di 8A per diverse ore ed il fotovoltaico  produce solo 5A questi verranno utilizzati istantaneamente, i restanti 3A verranno prelevati dalla batteria cui risulterà essere più
carica, la seconda batteria resterà in sospeso, non si scaricherà ulteriormente ma neanche si caricherà proprio perché la produzione e' insoddisfacente rispetto ai consumi. Giorgio dice che ha messo un televisore cui alimenta a mezzo di un inverter da 1000 Watt, le probabilità che venga alimentato altro dall'inverter non sono remote, certo nelle belle giornate probabilmente reintegra pienamente le batterie ma se capitano un paio di giorni leggermente tristi, credo sia meglio che le batterie forniscano entrambe un'energia ripartita tra le stesse anziché sfruttarne una sola mentre l'altra rimane a riposo. Ciro.
...
Buonasera;

sicuramente ci conto che il pannello solare faccia il suo dovere.
difficilmente capitano 3 giornate tristi consecutive in Sicilia,Salento o Sardegna.
poi in ogni caso ogni 2/3 giorni devo entrare in una struttura x scaricare il WC ,quindi le batterie si ricaricano a prescindere.
saluti

Giorgio 
6
Szopen
Szopen
rating

06/09/2019 6147
Rispondi Abuso
Inserito il 13/05/2025 alle: 19:26:17
In risposta al messaggio di oigroig del 13/05/2025 alle 18:58:07

Buonasera; sicuramente ci conto che il pannello solare faccia il suo dovere. difficilmente capitano 3 giornate tristi consecutive in Sicilia,Salento o Sardegna. poi in ogni caso ogni 2/3 giorni devo entrare in una struttura x scaricare il WC ,quindi le batterie si ricaricano a prescindere. saluti Giorgio 
Buonasera Giorgio, si conosco il Sud, ci sono nato, cresciuto e proprio in Sicilia abbiamo vissuto gli ultimi 10 anni, fino ad un paio d'anni fa', sinceramente mi riferivo a periodi durante l'arco dell'intero anno solare, e chiaro che nelle belle stagioni il problema non sussiste.

Ad ogni modo, se si va in una struttura e ci si collega alla rete 230V e' un'altro discorso ma, non credo che con il solo spostamento per raggiungerla, le batterie (se al,piombo) si ricarichino a prescindere, a meno che non si viaggi per 2-3 ore.

Comunque, quel dispositivo se non erro dovrebbe permettere il parallelo manuale delle batterie, caso mai all'occorrenza si valuterà la cosa.

Ciro.
nomade analogico e fanciulla all'imbrunire. Non ho nulla da vendere nè consigli da dare, solo qualche piccolo suggerimento da prendere con le pinze, possibilmente, amperometriche. Buoni Km a tutti e......... rammentate sempre che....... TESTAR NON NUOCE!
21
oigroig
oigroig
26/09/2004 3060
Rispondi Abuso
Inserito il 13/05/2025 alle: 20:55:01
In risposta al messaggio di Szopen del 13/05/2025 alle 19:26:17

Buonasera Giorgio, si conosco il Sud, ci sono nato, cresciuto e proprio in Sicilia abbiamo vissuto gli ultimi 10 anni, fino ad un paio d'anni fa', sinceramente mi riferivo a periodi durante l'arco dell'intero anno solare,
e chiaro che nelle belle stagioni il problema non sussiste. Ad ogni modo, se si va in una struttura e ci si collega alla rete 230V e' un'altro discorso ma, non credo che con il solo spostamento per raggiungerla, le batterie (se al,piombo) si ricarichino a prescindere, a meno che non si viaggi per 2-3 ore. Comunque, quel dispositivo se non erro dovrebbe permettere il parallelo manuale delle batterie, caso mai all'occorrenza si valuterà la cosa. Ciro.
...
Buonasera 

Infatti io il camper lo uso da febbraio a novembre andando al sud fuori stagione in vacanza in giugno e  a zonzo durante la settimana 
Poi i ponti  resta a casa,casomai parto subito dopo
questo accessorio riesumato dal camper precedente dovrebbe gestire le 2 batterie in maniera automatica, si comportava cosi anche sul camper vecchio
se la moglie non veniva fuori con la storia della TV il bds150 restava nello scatolone, e continuavo con 1 batteria. 
La sola batteria di serie x i 2 anni  si è sempre ricaricata con i soli spostamenti,ora è in compagnia di una coetanea da 100ah, visto l' esperienza dei 2 anni precedenti con 1 sola batteria,penso che con 2 batteria dovrebbe andare molto meglio 
TV o non TV
saluti
Giorgio

Modificato da oigroig il 13/05/2025 alle 21:08:38
22
Laikone
Laikone
rating

31/03/2004 19977
Rispondi Abuso
Inserito il 13/05/2025 alle: 22:16:12
In risposta al messaggio di oigroig del 13/05/2025 alle 20:55:01

Buonasera  Infatti io il camper lo uso da febbraio a novembre andando al sud fuori stagione in vacanza in giugno e  a zonzo durante la settimana  Poi i ponti  resta a casa,casomai parto subito dopo questo accessorio
riesumato dal camper precedente dovrebbe gestire le 2 batterie in maniera automatica, si comportava cosi anche sul camper vecchio se la moglie non veniva fuori con la storia della TV il bds150 restava nello scatolone, e continuavo con 1 batteria.  La sola batteria di serie x i 2 anni  si è sempre ricaricata con i soli spostamenti,ora è in compagnia di una coetanea da 100ah, visto l' esperienza dei 2 anni precedenti con 1 sola batteria,penso che con 2 batteria dovrebbe andare molto meglio  TV o non TV saluti Giorgio
...
che due BS siano meglio di una non vi è alcun dubbio laugh 
Mettono molta più tranquillità in merito.
L'iperlessia e l'analfabetismo funzionale sono una piaga sociale

Modificato da Laikone il 13/05/2025 alle 22:16:29
21
oigroig
oigroig
26/09/2004 3060
Rispondi Abuso
Inserito il 14/05/2025 alle: 07:07:46
In risposta al messaggio di Laikone del 13/05/2025 alle 22:16:12

che due BS siano meglio di una non vi è alcun dubbio   Mettono molta più tranquillità in merito.
Buongiorno;

concordo
che 2 batterie siano meglio di 1 non c'è dubbio.
infatti anche nel camper precedente avevo 2 batterie installate in tempi diversi gestite da il BDS 150.

saluti

Giorgio

Modificato da oigroig il 14/05/2025 alle 07:14:35
21
oigroig
oigroig
26/09/2004 3060
Rispondi Abuso
Inserito il 15/05/2025 alle: 19:16:43
Buonasera ecco cosa segna al sole e tutte le batteria sono al 100%IMG_20250515_102410.jpg
22
Laikone
Laikone
rating

31/03/2004 19977
Rispondi Abuso
Inserito il 15/05/2025 alle: 19:45:30
In risposta al messaggio di oigroig del 15/05/2025 alle 19:16:43

Buonasera ecco cosa segna al sole e tutte le batteria sono al 100%
direi perfetto!
Se hai voglia di fare una prova, potresti, quando c'è ancora il sole, provare a coprire il FV e verificare che percentuale ti restituisce la centralina. Non vorrei che quel 100% sia dato dall'innalzamento della tensione che ovviamente il FV va a generare in fase di ricarica, il che non garantisce che le batterie siano cariche al 100% se così fosse...
 
L'iperlessia e l'analfabetismo funzionale sono una piaga sociale
21
oigroig
oigroig
26/09/2004 3060
Rispondi Abuso
Inserito il 15/05/2025 alle: 20:21:46
Buonasera

Ho staccato prima 1 batteria e dava 100% poi o staccato la 2 e dava 100%,vuole dire che le 2 batterie erano allo.stesso livello di carica.
Senza aspettare domani potrei già provare stasera  a fare la prova visto che qui piove e il pannello non carica?

Saluti 
Giorgio
22
Laikone
Laikone
rating

31/03/2004 19977
Rispondi Abuso
Inserito il 15/05/2025 alle: 20:50:56
In risposta al messaggio di oigroig del 15/05/2025 alle 20:21:46

Buonasera Ho staccato prima 1 batteria e dava 100% poi o staccato la 2 e dava 100%,vuole dire che le 2 batterie erano allo.stesso livello di carica. Senza aspettare domani potrei già provare stasera  a fare la prova visto che qui piove e il pannello non carica? Saluti  Giorgio
certo, anche se non credo piovendo che il FV eroghi chissà quale energia...
L'iperlessia e l'analfabetismo funzionale sono una piaga sociale
6
Szopen
Szopen
rating

06/09/2019 6147
Rispondi Abuso
Inserito il 16/05/2025 alle: 00:08:51
In risposta al messaggio di oigroig del 15/05/2025 alle 20:21:46

Buonasera Ho staccato prima 1 batteria e dava 100% poi o staccato la 2 e dava 100%,vuole dire che le 2 batterie erano allo.stesso livello di carica. Senza aspettare domani potrei già provare stasera  a fare la prova visto che qui piove e il pannello non carica? Saluti  Giorgio
Buonasera, detta così sembrerebbe che le batterie siano pienamente cariche ma, mi piacerebbe capire a cosa si riferisce esattamente quel 100%, in pratica cosa indica?

Ora magari direte: lo stato di carica delle batterie, si ma, in termini di energia contenuta nelle batterie a quanti Ah o Wh ammonterebbe?

E' stata di recente aggiunta una seconda batteria all'impianto, probabilmente uguale alla prima quindi chiedo: e' stata fatta una calibratura/taratura di quella strumentazione di misura? O quantomeno, e' possibile reimpostare quel display cui presumo sia dotato di un Amperometro ed un Voltmetro in modo da avere una stima piu realistica dello stato di carica delle batterie? 

Ah, quasi dimenticavo, alle nostre latitudini che piova o no, alle 20,21 i pannelli non caricano nulla.

Ciro.
nomade analogico e fanciulla all'imbrunire. Non ho nulla da vendere nè consigli da dare, solo qualche piccolo suggerimento da prendere con le pinze, possibilmente, amperometriche. Buoni Km a tutti e......... rammentate sempre che....... TESTAR NON NUOCE!

Modificato da Szopen il 16/05/2025 alle 00:14:44
21
oigroig
oigroig
26/09/2004 3060
Rispondi Abuso
Inserito il 16/05/2025 alle: 11:09:16
In risposta al messaggio di Szopen del 16/05/2025 alle 00:08:51

Buonasera, detta così sembrerebbe che le batterie siano pienamente cariche ma, mi piacerebbe capire a cosa si riferisce esattamente quel 100%, in pratica cosa indica? Ora magari direte: lo stato di carica delle batterie,
si ma, in termini di energia contenuta nelle batterie a quanti Ah o Wh ammonterebbe? E' stata di recente aggiunta una seconda batteria all'impianto, probabilmente uguale alla prima quindi chiedo: e' stata fatta una calibratura/taratura di quella strumentazione di misura? O quantomeno, e' possibile reimpostare quel display cui presumo sia dotato di un Amperometro ed un Voltmetro in modo da avere una stima piu realistica dello stato di carica delle batterie?  Ah, quasi dimenticavo, alle nostre latitudini che piova o no, alle 20,21 i pannelli non caricano nulla. Ciro.
...
Buongiorno
Ripeto
Il camper di serie a una batteria da 100Ah con il suo pannello solare di serie ne o aggiunta una  seconda sempre da 100Ah
Non o stravolto niente,( non mi piace taroccare ) o solo aggiunto questo scambiatore visto che la 2 batteria  e più giovane come età,tutto qui 
Quello che leggo lo leggo sul display del camper non ci sono strumenti aggiuntivi 
Da 3 anni a questa parte non ho mai avuto nessuno problema di elettricità,solo che la moglie vuole la TV e così e nata sta chat tutto qui 
Non cerco l ago nel pagliaio
so solo che ora le batterie x il momento durano il doppio,che poi sia la principale la secondaria non mi interessa più di tanto 
Spero che questo accessorio si comporti come a fatto nel camper precedente tutto qui 
Se la moglie non veniva fuori con la sparata della TV il camper rimaneva tutto com' era che x me andava molto bene 
Tra 15 giorni si parte x il collaudo in Calabria vedremo come si comporta sul  campo

L
Saluti

Giorgio 
 

Modificato da oigroig il 16/05/2025 alle 11:12:49
22
Laikone
Laikone
rating

31/03/2004 19977
Rispondi Abuso
Inserito il 16/05/2025 alle: 12:21:13
In risposta al messaggio di oigroig del 16/05/2025 alle 11:09:16

Buongiorno Ripeto Il camper di serie a una batteria da 100Ah con il suo pannello solare di serie ne o aggiunta una  seconda sempre da 100Ah Non o stravolto niente,( non mi piace taroccare ) o solo aggiunto questo scambiatore
visto che la 2 batteria  e più giovane come età,tutto qui  Quello che leggo lo leggo sul display del camper non ci sono strumenti aggiuntivi  Da 3 anni a questa parte non ho mai avuto nessuno problema di elettricità,solo che la moglie vuole la TV e così e nata sta chat tutto qui  Non cerco l ago nel pagliaio so solo che ora le batterie x il momento durano il doppio,che poi sia la principale la secondaria non mi interessa più di tanto  Spero che questo accessorio si comporti come a fatto nel camper precedente tutto qui  Se la moglie non veniva fuori con la sparata della TV il camper rimaneva tutto com' era che x me andava molto bene  Tra 15 giorni si parte x il collaudo in Calabria vedremo come si comporta sul  campo L Saluti Giorgio   
...
il comportamento sarà molto semplice... complice anche la zona in cui andrai a trascorrere la vacanza...
ovvero, ti ritroverai sempre le batterie cariche nonostante i consumi aggiuntivi della tv, tua  moglie sarà contenta, tu anche e vissero felici e contenti come in una fiaba

Ti soprenderai dello stato della batterie e che ci sia scritto 100% o 4 pallini su cinque o qualsiasi altra forma di monitoraggio della tensione della BS andrà benissimo e tanti se ne dovranno fare una ragione laugh
L'iperlessia e l'analfabetismo funzionale sono una piaga sociale
SostaGruppiCompagniItaliaEsteroMarchiMeccanicaCellulaAccessoriEventiLeggiComportamentiDisabiliIn camper perAltro CamperAltroExtra Attivi
Argomenti recenti dal forum
Accessori
Alimentazione camper Schuko + Industriale
Buongiorno, avrei bisogno un chiarimento elettrico Sappiamo che la norma prevede una prolu...
CaroladeMondini
Oggi alle 11:24
Cellula abitativa
Frigo Thetford il piezo non fa la scintilla
Buongiorno a tutti, ho un problema col frigo, va benissimo a12v, a 220 ma non va a gas. Ho...
Mag172
Oggi alle 10:22
Cellula abitativa
Serranda nere nautico Laika che non si apre
Buongiorno a tutti. ho da pochi mesi un Laika Ecovip H 720 con serbatoio nautico e l'altro...
Macrilla
Oggi alle 09:16
Altro sui camper
Pulizia waterless
Buongiorno, qualcuno usa prodotti waterless per la pulizia del camper? Se si come vi trova...
Malu
Oggi alle 08:58
Viaggi all'estero
Da Roma a marrakech in solitaria in economia
Ciao, vi spiego la situazione: mia moglie ha ferie dal 10 agosto al 8 settembre; io avrei ...
gianninotopo
Ieri alle: 22:04
Accessori
Impianto elettrico Malibu e Batteria LiFePo4 DIY
Ciao a tutti apro questo thread per condividere qualche lavoretto e perchè avrò bisogno di...
ciberbastard
Ieri alle: 21:47
Viaggi in Italia
Destinazione Castiglione della Pescaia (da Monza)
Egregi, buongiorno, abbiamo prenotato una decina di giorni a Castiglione della Pescaia ad ...
CaroladeMondini
Ieri alle: 18:45
Cellula abitativa
Letto basculante: aria fredda la notte
Ciao, ho dormito per la prima volta per due volte sul basculante del nostro nuovo MH (ITI...
sicce
Ieri alle: 18:33
Cellula abitativa
lavaggio giusto
un saluto a tutti vorrei chiedervi come evitare che dopo ogni lavaggio si formi immancabil...
ciotta
Ieri alle: 18:03
Accessori
Aiuto NDS power service gold m30
Buonasera, cerco un aiuto da qualcuno che conosce questo aggieggio. L’ho comprato usato pe...
Trippuma
Ieri alle: 17:58
Accessori
Un parere sulla scelta del frigo a compressore
Buongiorno. Ho il frigo trivalente Dometic RM7361 del 2004 che per la prima volta mi da de...
bolsenior
Ieri alle: 17:11
Meccanica
AGGIORNAMENTO AL BODY COMPUTER
salve a tutti, qualche collega camperista, saprebbe indicarmi come aggiornare il body (in ...
Azzurro69
Ieri alle: 14:53
168k Facebook
343k Instagram
42,6k TikTok
73,6K Youtube
CamperOnLine - Copyright © 1998-2026 - P.Iva 06953990014
Informativa privacy
Loading...

Accedi

Recupera Password
Nuovo utente

Vuoi eliminare il messaggio?

Sottoscrizione

Anteprima

PREFERENZA

Il messaggio è in fase di inserimento.

loading

CamperOnLine

Buongiorno gentile utente,

da oltre 20 anni Camperonline offre gratuitamente tutti i suoi servizi
grazie agli inserzionisti che ci hanno dato la loro fiducia, permettici di continuare il nostro lavoro disattivando il blocco delle pubblicità.

Grazie della collaborazione.

Azione eseguita con successo

Azione Fallita

Condividi

Condividi questa pagina con:

O copia il link