CamperOnLine
  • Camper
    • Camper usati
    • Camper nuovi
    • Produttori
    • Listino
    • Cataloghi
    • Concessionari e rete vendita
    • Noleggio
    • Van
    • Caravan
    • Fiere
    • Rimessaggi
    • Le prove di CamperOnLine
    • Provati da voi
    • Primo acquisto
    • Area professionisti
  • Accessori
    • Accessori e Prodotti
    • Camping Sport Magenta accessori
    • Produttori
    • Antenne TV
    • Ammortizzatori
    • GPS
    • Pneumatici
    • Rimorchi
    • Provati da Voi
    • Fai da te
  • Viaggi
    • Diari di viaggi in camper
    • Eventi
    • Foto
    • Check list
    • Traghetti
    • Trasporti
  • Sosta
    • Cerca Strutture
    • Sosta
    • Aree sosta camper
    • Campeggi
    • Agriturismi con sosta camper
    • App Camperonline App
    • 10 Consigli utili per la sosta
    • Area strutture
  • Forum
    • Tutti i Forum
    • Sosta
    • Gruppi
    • Compagni
    • Italia
    • Estero
    • Marchi
    • Meccanica
    • Cellula
    • Accessori
    • Eventi
    • Leggi
    • Comportamenti
    • Disabili
    • In camper per
    • Altro Camper
    • Altro
    • Extra
    • FAQ
    • Regolamento
    • Attivi
    • Preferiti
    • Cerca
  • Community
    • COL
    • CamperOnFest
    • Convenzioni Convenzioni
    • Amici
    • Furti
    • Informativa Privacy
    • Lavoro
  • COL
    • News
    • Newsletter
    • Pubblicità
    • Contatto
    • Ora
    • RSS RSS
    • Video
    • Facebook
    • Instagram
  • Magazine
  • Italiano
    • Bienvenue
    • Welcome
    • Willkommen
  • Accedi
CamperOnLine
Camping Sport Magenta
  1. Forum
  2. Tecnica
  3. Accessori
Galleria

Caricabatteria DC/DC per lifepo4 collegato alla BS

Rispondi
Cerca
Berger Camping
SostaGruppiCompagniItaliaEsteroMarchiMeccanicaCellulaAccessoriEventiLeggiComportamentiDisabiliIn camper perAltro CamperAltroExtra Attivi
2 20 34
15
Fran50
Fran50
21/05/2010 180
Rispondi Abuso
Inserito il 08/04/2021 alle: 00:21:12
In risposta al messaggio di rubylove del 07/04/2021 alle 10:00:00

..non puoi caricare direttemente da tre batterie in serie le e bike, occorre comunque un caricabatterie, quindi un convertitore e l'inverter è un convertitore, tanto vale usare il suo Io mi riferisco alla domanda nel primo
post si può collegare il tutto alla batteria servizi esistente? per questo avevo chiesto le caratteristiche delle ricariche attuali, questo sarebbe il primo problema da affrontare. ​​​​​​La corrente proveniente dalle singole fonti potrebbe anche non essere sufficiente a ricaricare tutto, visto che tu aggiungi una ulteriore corrente ad una fonte che potrebbe saturarsi e se attualmente (ad esempio) carichi con 21 A, da rete, questi 21A sarebbero non piu tutti a disposizione della vecchia batteria ma da distribuire anche alla nuovaIpotesi plausibile è un tempo doppio di ricarica, forse questo andrebbe ad inficiare tutti i tuoi calcoliPer l'alternatore se non c'è un b2b in mezzo e la carica è diretta, la corrente non ha limiti se non quella della saturazione dello statore che lo porterebbe ad arrivare al massimo che puo dare, bisognerebbe sapere quanto è il suo massimoVanno verificati i cablaggi, le sezioni dei caviAvresti piu del doppio delle correnti di ricarica di cui hai bisogno ora, se non adegui potresti perdere tutti i benefici che potrebbe darti l'aggiunta di una batteria al litio, prima va affrontato questo problema poi il resto. domanda, a me sembra che una litio da 150 A si possa caricare con correnti piu alte di 25A o mi sbaglio?  
...
Scusa ma non capisco cosa intendi.
Il concetto di questa installazione è quello di collegare il convertitore DC/DC alla bs invece che alla bm, lasciando inalterato l'attuale impianto elettrico del camper, io davo per scontato che si capisse che all'uscita del inverter ,che genera la 220, ci collegherei i caricabatterie delle e-bike
Come ho scritto, nello schema elettrico, setteri l' ingresso del DC/DC con una soglia di sottotensione di ingresso (livello sotto il quale in DC/DC si spenge  (undervoltage threshold) di circa 12,5V in modo da non scaricare completamente la bs.
Per tutte le altre tue considerazioni se guardi attentamente lo schema elettrico. la schermata di configurazione e la tabelle dell' ipotetico bilancio energetico, forse ti è più chiaro tutto il ragionamento
comunque grazie pe l'intervento
francesco
Fran50
15
Fran50
Fran50
21/05/2010 180
Rispondi Abuso
Inserito il 08/04/2021 alle: 00:49:54
In risposta al messaggio di Steu851 del 07/04/2021 alle 10:20:47

Mi intrometto perchè sto passando anche io al litio per la stessa esigenza. Tutte le ebike con motori 'non cinesi' hanno sistemi proprietari per la gestione delle batterie e risulta praticamente impossibile non usare i caricabatterie
originali a 200V (io ho un Bosch ed uno Yamaha) quindi ho optato per una 200Ah caricherò principalmente da alternatore visto che per ora ho un pannellino da soli 120W, che sostituirò probabilmente in seguito (il camper è piccolo e non ho sul tetto uno spazio adeguato ad ospitare un secondo pannello vista la disposizione dei 3 oblò. Non ho Efoy o altro generatore ed utilizzerò una unica batteria batteria servizi litio da 200 Ah.  Bisogna considerare anche che raramente le batterie delle ebike risultano completamente scariche nel caso di un giro particolarmente impegnativo con grande consumo (ogni bici volendo può contare su 2 batterie) avrei più di un giorno a disposizione per la ricarica visto che dovrei ricaricare anche le gambe.
...
Scusa, ma chi ha detto che voglio caricare le batterie dell'e-bike con dei caricabatterie non originali?.
Il collegamento del DC/DC della Victron , della batteria al litio, dell'inverter a 220V è identico agli schemi che propongono i vari dc/dc in commercio. Solo che in questo caso, rinunciando a una ricarica veloce della litio tramite alternatore posso lasciare completamente inalterato l'impianto originale del camper, baipassando i problemi, di cavi di grandi sezioni (a parte quelli di collegamento tra litio e inverter),di relè parallelatore, consentendo  allla centralina originale del camper (con relè parallelatore incorporato) di fare il suo normale funzionamento.
Questo, a mio avviso e possibile solo con questo particolare DC/DC (CC-CC buck boost) della Victron che tutte correnti e le tensioni di ingresso variabili tramite apposito sw.
Se guardi attentamente il pannello delle variabili  che ho inserito o il manuale cliccando su link ti renderai conto che è diverso da tutti i dc/dc attualmente in commercio (anche se più costoso) (almeno questo io penso credo

Comunque grazie dell'intervento
Francesco
 
Fran50
10
rubylove
rubylove
rating

09/06/2015 5694
Rispondi Abuso
Inserito il 08/04/2021 alle: 09:46:18
In risposta al messaggio di Fran50 del 08/04/2021 alle 00:21:12

Scusa ma non capisco cosa intendi. Il concetto di questa installazione è quello di collegare il convertitore DC/DC alla bs invece che alla bm, lasciando inalterato l'attuale impianto elettrico del camper, io davo per scontato
che si capisse che all'uscita del inverter ,che genera la 220, ci collegherei i caricabatterie delle e-bike Come ho scritto, nello schema elettrico, setteri l' ingresso del DC/DC con una soglia di sottotensione di ingresso (livello sotto il quale in DC/DC si spenge  (undervoltage threshold) di circa 12,5V in modo da non scaricare completamente la bs. Per tutte le altre tue considerazioni se guardi attentamente lo schema elettrico. la schermata di configurazione e la tabelle dell' ipotetico bilancio energetico, forse ti è più chiaro tutto il ragionamento comunque grazie pe l'intervento francesco
...
Non avevo risposto a te per il caricabatterie ma a chi aveva scritto che si potesse fare, credevo si capisse, avrei dovuto rispondere separatamente o citando

 
l'analogico non è il vecchio e il digitale il nuovo, no, non è così! Il digitale è solo un modo per rappresentare l'analogico, la natura, è analogica
10
rubylove
rubylove
rating

09/06/2015 5694
Rispondi Abuso
Inserito il 08/04/2021 alle: 10:08:28
In risposta al messaggio di Fran50 del 08/04/2021 alle 00:21:12

Scusa ma non capisco cosa intendi. Il concetto di questa installazione è quello di collegare il convertitore DC/DC alla bs invece che alla bm, lasciando inalterato l'attuale impianto elettrico del camper, io davo per scontato
che si capisse che all'uscita del inverter ,che genera la 220, ci collegherei i caricabatterie delle e-bike Come ho scritto, nello schema elettrico, setteri l' ingresso del DC/DC con una soglia di sottotensione di ingresso (livello sotto il quale in DC/DC si spenge  (undervoltage threshold) di circa 12,5V in modo da non scaricare completamente la bs. Per tutte le altre tue considerazioni se guardi attentamente lo schema elettrico. la schermata di configurazione e la tabelle dell' ipotetico bilancio energetico, forse ti è più chiaro tutto il ragionamento comunque grazie pe l'intervento francesco
...
Per quanto riguarda il resto, le tabelle non le ho guardate perchè ho pensato che andava risolto prima il problema all'origine, basandomi sulle prestazioni ma se ti accontenti di caricare più lentamente e di tutte le variabili possibili che potranno incidere sui tempi di ricarica, si certo perchè non dovrebbe funzionare?
Anche un alternatore da 60 A carica una batteria da 200A se si accetta che ci metta un tempo molto più lungo e se il bilancio tra entrate e uscite è sfavorevole, per forza di cose la batteria finirà per scaricarsi



 
l'analogico non è il vecchio e il digitale il nuovo, no, non è così! Il digitale è solo un modo per rappresentare l'analogico, la natura, è analogica

Modificato da rubylove il 08/04/2021 alle 10:20:47
Normandia in camper: là dove la Natura
Normandia in camper: là dove la Natura
Pasqua in Costa Azzurra
Pasqua in Costa Azzurra
A spasso per la Germania del Nord in cam
A spasso per la Germania del Nord in cam
In camper nel centro Italia: tra sacro e
In camper nel centro Italia: tra sacro e
Le statue di legno di Kivijärvi
Le statue di legno di Kivijärvi
Previous Next
15
Fran50
Fran50
21/05/2010 180
Rispondi Abuso
Inserito il 08/04/2021 alle: 16:24:01
In risposta al messaggio di rubylove del 08/04/2021 alle 10:08:28

Per quanto riguarda il resto, le tabelle non le ho guardate perchè ho pensato che andava risolto prima il problema all'origine, basandomi sulle prestazioni ma se ti accontenti di caricare più lentamente e di tutte le variabili
possibili che potranno incidere sui tempi di ricarica, si certo perchè non dovrebbe funzionare? Anche un alternatore da 60 A carica una batteria da 200A se si accetta che ci metta un tempo molto più lungo e se il bilancio tra entrate e uscite è sfavorevole, per forza di cose la batteria finirà per scaricarsi  
...
Sono consapevole che la ricarica sarà lenta, infatti a camper fermo ho considerato nel mio ipotetico fabbisogno energetico solo l'apporto dell'efoy (circa 120A giornaliere) non ho considerato ,per sicurezza l' apporto dei pannello solare nè della dinamo del motore ducato in quanto soggette a troppe variabili per considerale certe.
Pensavo inoltre, per quando la litio è scarica, per non stressare la centralina del camper e relativi cablaggi compreso il relè parallelatore interno alla centralina, (quando collegato alla 220) o quando è in funzione il dinamo del motore, di limitare l'uscita dell'alimentatore Victron a soli 10A.
Con questa configurazione, secondo i miei calcoli di fabbisogno energetico giornaliero dovrei riuscire a caricare le batterie dell' e-bike per tre giorni consecutivi prima di andare in carenza di Ampere disponibili, in quel caso dovrei aspettare 24 ore per che l'efoy ricarichi la bs e la litio e questo per le mie esigenze è più che sufficiente.
Tutto questo senza contare che le batterie delle bici (al ritorno) non sono mai scariche al 100%
Mi sembra inoltre interessante, tra le varie funzioni disponibili dell'alimentatore Victron quella di  poter collegare un uscita del bms della batterio litio (presuppongo solo per batterie victron) al convertitore in modo da spengerlo in caso di guasto del bms.
Credo che a questo punto ordinerò sia la litio che il convertitore e dopo averlo montato e testato (covid permettendo) mi rifarò vivo per condividere le mie considerazioni su questa installazione un poco anomala.
Francesco





 
Fran50
10
rubylove
rubylove
rating

09/06/2015 5694
Rispondi Abuso
Inserito il 08/04/2021 alle: 17:40:42
In risposta al messaggio di Fran50 del 08/04/2021 alle 16:24:01

Sono consapevole che la ricarica sarà lenta, infatti a camper fermo ho considerato nel mio ipotetico fabbisogno energetico solo l'apporto dell'efoy (circa 120A giornaliere) non ho considerato ,per sicurezza l' apporto dei
pannello solare nè della dinamo del motore ducato in quanto soggette a troppe variabili per considerale certe. Pensavo inoltre, per quando la litio è scarica, per non stressare la centralina del camper e relativi cablaggi compreso il relè parallelatore interno alla centralina, (quando collegato alla 220) o quando è in funzione il dinamo del motore, di limitare l'uscita dell'alimentatore Victron a soli 10A. Con questa configurazione, secondo i miei calcoli di fabbisogno energetico giornaliero dovrei riuscire a caricare le batterie dell' e-bike per tre giorni consecutivi prima di andare in carenza di Ampere disponibili, in quel caso dovrei aspettare 24 ore per che l'efoy ricarichi la bs e la litio e questo per le mie esigenze è più che sufficiente. Tutto questo senza contare che le batterie delle bici (al ritorno) non sono mai scariche al 100% Mi sembra inoltre interessante, tra le varie funzioni disponibili dell'alimentatore Victron quella di  poter collegare un uscita del bms della batterio litio (presuppongo solo per batterie victron) al convertitore in modo da spengerlo in caso di guasto del bms. Credo che a questo punto ordinerò sia la litio che il convertitore e dopo averlo montato e testato (covid permettendo) mi rifarò vivo per condividere le mie considerazioni su questa installazione un poco anomala. Francesco  
...
Non vedo perchè limitare l'uscita del convertitore, se la batteria è in grado di essere caricata con anche più di 25A visto che è una litio, se il problema è l'eccessiva corrente, non è certo per la batteria, e neanche per le sorgenti, se anche le sorgenti arrivassero  ad una corrente superiore ai 25A mettiamo 50A, comunque in uscita non ne avresti piu di 25 e non è che ne circolerebbero 50 in ingresso ma più o meno quelli che circolano in uscita a parte le conversioni

E qui torniamo alla mia richiesta iniziale " come è fatto l'impianto di ricarica?"

Il motivo per il quale vuoi usare questo convertitore quale è? hai un euro sei?   se non sbaglio anche la serie Orion Tr smart Battery Charger  ha lo switch per accensione a distanza, la protezione per sottotensione e sovratensione in ingresso  le impostazioni di ricarica e accetta in ingresso un ampio range di tensioni oltre ad avere anche l'isteresi regolabile ecc.. non sò magari c'è un motivo che non ho considerato, ma credo tu si, visto che forse è un pò ci avrai perso tempo..



 
l'analogico non è il vecchio e il digitale il nuovo, no, non è così! Il digitale è solo un modo per rappresentare l'analogico, la natura, è analogica
15
Fran50
Fran50
21/05/2010 180
Rispondi Abuso
Inserito il 08/04/2021 alle: 19:41:24
In risposta al messaggio di rubylove del 08/04/2021 alle 17:40:42

Non vedo perchè limitare l'uscita del convertitore, se la batteria è in grado di essere caricata con anche più di 25A visto che è una litio, se il problema è l'eccessiva corrente, non è certo per la batteria, e neanche
per le sorgenti, se anche le sorgenti arrivassero  ad una corrente superiore ai 25A mettiamo 50A, comunque in uscita non ne avresti piu di 25 e non è che ne circolerebbero 50 in ingresso ma più o meno quelli che circolano in uscita a parte le conversioni E qui torniamo alla mia richiesta iniziale come è fatto l'impianto di ricarica? Il motivo per il quale vuoi usare questo convertitore quale è? hai un euro sei?   se non sbaglio anche la serie Orion Tr smart Battery Charger  ha lo switch per accensione a distanza, la protezione per sottotensione e sovratensione in ingresso  le impostazioni di ricarica e accetta in ingresso un ampio range di tensioni oltre ad avere anche l'isteresi regolabile ecc.. non sò magari c'è un motivo che non ho considerato, ma credo tu si, visto che forse è un pò ci avrai perso tempo..  
...
L'idea di limitare l'uscita del convertitore deriva dalla preuccupazione di collegare il camper alla230 con batterialitio scarica e/o parzialmente scarica e fa rlavorare il caricabatterie (da 21A) al massimo quando non ne avrei la necessità, anche far ricaricare dalla dinamo 25A (quando in viaggio) mi costringerebbe forse a rivedere le sezione dei cavi che dalla dalla bm arrivano alla bs.
La soluzione che proponi di aumentare la corrente in uscita in effetti è sensata,Penso di fare alcune prove quando ho installato il tutto.
Il mio attuale impianto di ricarica è formato da una batteria agm 100Ah  che viene ricaricata :
- Dalla dinamo motore (che pur essedo, il motore, un euro6 non è una dinamo intelligente, quindi è sempre connessa) non conosco quanti A può erogare. la dinamo come credo tutti gli impianti è collegata alla batteria motore, e questa è poi collegata alla bs tramite  relè parallelatore gestito da una centralina della Nord elettronica 
- Da un pannello fotovoltaico da 120W collegato direttamente alla batteria bs esistente tramite un regolatore mppt della serie smart della Vicron
- Da un efoy confort 140 ache esso connesso direttamente alla bs in grado, sulla carta di produrre 6Ah, io i miei conti gli ho fatti con 5Ah.
- Da un alimentatore per la ricarica da 230V (ne287) in grado di erogare 21AH 
Non conosco la serie "Orion Tr smart Battery Charge" sicuramente gli darò un'occhiata mi piace questo della victron perchè non ha le normali fasi di ricarica che hanno gli atri, almeno quelli che conosco, anche se sono settabili come tempi.
Questo cc/cc della vicron è, da quello che capisco, in grado di lavorare come alimentatore ON/OFF mantenendo la tensione impostata in uscita sia con una tensione più alta o più bassa in ingresso sconnettendosi quando questa viene raggiunta ( convertitore riduttore-elevatore o   buck-boost)
Altra ragione perchè stò valutando questo alimentatore cc/cc della Victron è quella che io mi sono sempre trovato bene con questa marca.
Se guardi i link o l' immagine del pannello di configurazione che ho inserito alcuni post sopra puoi vedere che praticamente tutte le variabili di questo alimentatore sono regolabili.
Sicuramente darò un occhiata anche agli Orion,
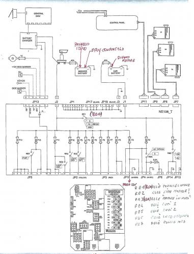
Ti allego anche uno schema elettrico di alimentazione e distribuzione del camper.
schema%20elettrico%20camper(1).jpg
Io come ho già spiegato nei post precedenti mi vorrei collegare direttamente alla bs lasciando invariato tutto il resto (a parte ovviamente la parte nuova) come da schema precedentemente inserito.
grazie per l'interessamento
Francesco
Fran50
10
rubylove
rubylove
rating

09/06/2015 5694
Rispondi Abuso
Inserito il 08/04/2021 alle: 22:30:23
In risposta al messaggio di Fran50 del 08/04/2021 alle 19:41:24

L'idea di limitare l'uscita del convertitore deriva dalla preuccupazione di collegare il camper alla230 con batterialitio scarica e/o parzialmente scarica e fa rlavorare il caricabatterie (da 21A) al massimo quando non ne
avrei la necessità, anche far ricaricare dalla dinamo 25A (quando in viaggio) mi costringerebbe forse a rivedere le sezione dei cavi che dalla dalla bm arrivano alla bs. La soluzione che proponi di aumentare la corrente in uscita in effetti è sensata,Penso di fare alcune prove quando ho installato il tutto. Il mio attuale impianto di ricarica è formato da una batteria agm 100Ah  che viene ricaricata : - Dalla dinamo motore (che pur essedo, il motore, un euro6 non è una dinamo intelligente, quindi è sempre connessa) non conosco quanti A può erogare. la dinamo come credo tutti gli impianti è collegata alla batteria motore, e questa è poi collegata alla bs tramite  relè parallelatore gestito da una centralina della Nord elettronica  - Da un pannello fotovoltaico da 120W collegato direttamente alla batteria bs esistente tramite un regolatore mppt della serie smart della Vicron - Da un efoy confort 140 ache esso connesso direttamente alla bs in grado, sulla carta di produrre 6Ah, io i miei conti gli ho fatti con 5Ah. - Da un alimentatore per la ricarica da 230V (ne287) in grado di erogare 21AH  Non conosco la serie Orion Tr smart Battery Charge sicuramente gli darò un'occhiata mi piace questo della victron perchè non ha le normali fasi di ricarica che hanno gli atri, almeno quelli che conosco, anche se sono settabili come tempi. Questo cc/cc della vicron è, da quello che capisco, in grado di lavorare come alimentatore ON/OFF mantenendo la tensione impostata in uscita sia con una tensione più alta o più bassa in ingresso sconnettendosi quando questa viene raggiunta (convertitore riduttore-elevatore o  buck-boost) Altra ragione perchè stò valutando questo alimentatore cc/cc della Victron è quella che io mi sono sempre trovato bene con questa marca. Se guardi i link o l' immagine del pannello di configurazione che ho inserito alcuni post sopra puoi vedere che praticamente tutte le variabili di questo alimentatore sono regolabili. Sicuramente darò un occhiata anche agli Orion, Ti allego anche uno schema elettrico di alimentazione e distribuzione del camper. Io come ho già spiegato nei post precedenti mi vorrei collegare direttamente alla bs lasciando invariato tutto il resto (a parte ovviamente la parte nuova) come da schema precedentemente inserito. grazie per l'interessamento Francesco
...
La serie Orion è sempre di Victron
Qui puoi trovare le caratteristiche dell'Orion Tr smart Battery charger (smart = blue tooth)  che è un caricabatteria a più fasi ma se preferisci un convertitore puro (un alimentatore) c'è L'Orion Tr che ha sempre entrata e uscita regolabili ma non è proprio un caricabatteria ma solo un convertitore dc/dc (costa anche meno)

https://www.victronenergy.it/up...


E il setup

https://www.victronenergy.it/up...



Per quanto riguarda la ricarica con il collegamento sulla batteria dei servizi, dovresti prestare attenzione di evitare che in caso non ci sia nessuna sorgente,  il onvertitore non attinga dalla batteria servizi, dovrai inserire una tensione di soglia che blocchi il convertitore ogni volta che la tensione scende sotto un certo livello, le sorgenti di ricarica non è detto che siano uguali, dovrai impostarlo in modo che la ricarica più bassa come tensione venga accettata e sotto quella il convertitore si blocca
L'isteresi credo che vada bene 0,2V dovrai fare delle prove, se la metti troppo ampia  e il fv va in luce dopo l'ombra, potrebbe ripartire con troppo ritado, troppo stretta potrebbe staccare e attaccare in continuazione con il solo fv

La corrente massima dell'alternatore non è importante, il convertitore fará circolare al massimo la corrente impostata in uscita e di conseguenza in entrata, però se per qualche motivo la batteria dei servizi è scarica, ci sono utenze in uso e nello stesso tempo il convertitore sta lavorando con 25 A di carico, potrebbe essere troppa la corrente per la parte vecchia dell'impianto (relè, cablaggi, fusibile ecc) questo andrebbe verificato

sucggerimento, se puoi metti un pannello FV nuovo da almeno 300W




 
l'analogico non è il vecchio e il digitale il nuovo, no, non è così! Il digitale è solo un modo per rappresentare l'analogico, la natura, è analogica

Modificato da rubylove il 09/04/2021 alle 08:13:23
7
Steu851
Steu851
27/08/2018 3102
Rispondi Abuso
Inserito il 09/04/2021 alle: 14:51:00
dell'orion (sia normale che smart esistono 2 versioni, isolato e non isolato. per l'utilizzo sui nostri camper il non sisolato va bene?
Adria Coral Compact, il camper coupè
12
giuseppesan
giuseppesan
29/06/2013 147
Rispondi Abuso
Inserito il 09/04/2021 alle: 18:46:21
In risposta al messaggio di Steu851 del 09/04/2021 alle 14:51:00

dell'orion (sia normale che smart esistono 2 versioni, isolato e non isolato. per l'utilizzo sui nostri camper il non sisolato va bene?
Io proprio oggi ho preso isolato ,anche perché non isolato non lo trovato,ho preso il 18ah avendo un alternatore da 90ah e batterie a lifepo4 non volevo che casomai mi andasse in fumo l'alternatore.
adesso devo capire come attivarlo con il d+ 
10
rubylove
rubylove
rating

09/06/2015 5694
Rispondi Abuso
Inserito il 09/04/2021 alle: 19:14:22
In risposta al messaggio di Steu851 del 09/04/2021 alle 14:51:00

dell'orion (sia normale che smart esistono 2 versioni, isolato e non isolato. per l'utilizzo sui nostri camper il non sisolato va bene?
Quello isolato nel tuo caso non serve perchè la tua massa, quella del mezzo è comune sia all'impianto dei servizi che quello motore, cioè tutti i dispositivi e le utenze usano una unica massa, niente di grave, tanto, collegando i due negativi dell'orion a massa le unirai comunque
Vengono usati più che altro nella nautica
Non serve il D+ perchè l'Orion si attiva automaticamente leggendo la tensione dell'alternatore, quando il mezzo è in moto, questa si può anche impostare , volendo ha anche la possibilità di essere remotato con un interruttore e controllato dal D+

i link che ho inserirtto sono della versione non isolata ma trovi anche quello isolato nel sito victron
l'analogico non è il vecchio e il digitale il nuovo, no, non è così! Il digitale è solo un modo per rappresentare l'analogico, la natura, è analogica

Modificato da rubylove il 09/04/2021 alle 19:15:51
10
rubylove
rubylove
rating

09/06/2015 5694
Rispondi Abuso
Inserito il 09/04/2021 alle: 21:58:02
In risposta al messaggio di Steu851 del 09/04/2021 alle 14:51:00

dell'orion (sia normale che smart esistono 2 versioni, isolato e non isolato. per l'utilizzo sui nostri camper il non sisolato va bene?
Scusa era anche per te la risposta, se si tratta di un impianto di ricarica normale cioè con batterie e utenze e dispositivi vari tutti con il negativo a massa va bene  non isolato
Quelli isolati si usano per applicazioni tipo barca/banchina o dove per qualche motivo si desidera o si rende necessario un isolamento galvanico 

Se avete regolatori solari victron, hanno una porta per inibirlo quando la carica arriva da alternatore i modo che carichi solo quello altrimenti si raddoppia la corrente in uscita 
l'analogico non è il vecchio e il digitale il nuovo, no, non è così! Il digitale è solo un modo per rappresentare l'analogico, la natura, è analogica

Modificato da rubylove il 09/04/2021 alle 21:59:00
15
Fran50
Fran50
21/05/2010 180
Rispondi Abuso
Inserito il 12/04/2021 alle: 23:22:49
In risposta al messaggio di rubylove del 08/04/2021 alle 22:30:23

La serie Orion è sempre di Victron Qui puoi trovare le caratteristiche dell'Orion Tr smart Battery charger (smart = blue tooth)  che è un caricabatteria a più fasi ma se preferisci un convertitore puro (un alimentatore)
c'è L'Orion Tr che ha sempre entrata e uscita regolabili ma non è proprio un caricabatteria ma solo un convertitore dc/dc (costa anche meno) E il setup Per quanto riguarda la ricarica con il collegamento sulla batteria dei servizi, dovresti prestare attenzione di evitare che in caso non ci sia nessuna sorgente,  il onvertitore non attinga dalla batteria servizi, dovrai inserire una tensione di soglia che blocchi il convertitore ogni volta che la tensione scende sotto un certo livello, le sorgenti di ricarica non è detto che siano uguali, dovrai impostarlo in modo che la ricarica più bassa come tensione venga accettata e sotto quella il convertitore si bloccaL'isteresi credo che vada bene 0,2V dovrai fare delle prove, se la metti troppo ampia  e il fv va in luce dopo l'ombra, potrebbe ripartire con troppo ritado, troppo stretta potrebbe staccare e attaccare in continuazione con il solo fv La corrente massima dell'alternatore non è importante, il convertitore fará circolare al massimo la corrente impostata in uscita e di conseguenza in entrata, però se per qualche motivo la batteria dei servizi è scarica, ci sono utenze in uso e nello stesso tempo il convertitore sta lavorando con 25 A di carico, potrebbe essere troppa la corrente per la parte vecchia dell'impianto (relè, cablaggi, fusibile ecc) questo andrebbe verificato sucggerimento, se puoi metti un pannello FV nuovo da almeno 300W  
...
Grazie delle tue considerazioni.
Avrei un nuovo quesito. e mi spiego:
- prima di iniziare a montare l'alimentatore Victron e litio per caricare le batterie dell'e-bike ho provato a fare un test di scarica della bs per vedere, anche se in modo approssimativo, lo stato della stessa.
s-l1600(44).jpg
- L' attuale batteria è questa, ha un' età di circa 6 anni (la ho recuperata dal camper che ho venduto e installata sul camper nuovo nel 2018).
- Essendo sempre collegata all'efoy non mi ero mai accorto di eventuali problemi.
- Scollegata dall'impianto (tolto il morsetto positivo) la ho collegata a un caricabatterie "BOSCH C7 12/24V" per una nottata, ovviamente settato in modalità AGM.
La mattina il caricabatterie indicava "fine carica"  con una tensione "misurata" di 12,75V.

Ho fatto una prima prova di scarica a circa c20 (4,7Ah di media).
Risultato dopo 9 ore: -  Tensione batteria 11,75V, quindi con una corrente erogata totale di 42,5A.

Poi, dopo aver ricaricato la batteria, ho fatto una seconda prova a circa c12 (8,45 Ah di media).
Risultato dopo 3,20 ore :- Tensione matteria 11,88V, quindi con una corrente erogata totale di 27,04A.

Non riesco capire lo stato della batteria, e se è normale una così drastica diminuzione degli Ampere erogati scaricandola con 4,7Ah e con 8,85Ah.
Grazie a chi mi vorrà chiarire
Francesco








 
Fran50
10
rubylove
rubylove
rating

09/06/2015 5694
Rispondi Abuso
Inserito il 13/04/2021 alle: 10:57:05
In risposta al messaggio di Fran50 del 12/04/2021 alle 23:22:49

Grazie delle tue considerazioni. Avrei un nuovo quesito. e mi spiego: - prima di iniziare a montare l'alimentatore Victron e litio per caricare le batterie dell'e-bike ho provato a fare un test di scarica della bs per vedere,
anche se in modo approssimativo, lo stato della stessa. - L' attuale batteria è questa, ha un' età di circa 6 anni (la ho recuperata dal camper che ho venduto e installata sul camper nuovo nel 2018). - Essendo sempre collegata all'efoy non mi ero mai accorto di eventuali problemi. - Scollegata dall'impianto (tolto il morsetto positivo) la ho collegata a un caricabatterie BOSCH C7 12/24V per una nottata, ovviamente settato in modalità AGM. La mattina il caricabatterie indicava fine carica  con una tensione misurata di 12,75V. Ho fatto una prima prova di scarica a circa c20 (4,7Ah di media). Risultato dopo 9 ore: -  Tensione batteria 11,75V, quindi con una corrente erogata totale di 42,5A. Poi, dopo aver ricaricato la batteria, ho fatto una seconda prova a circa c12 (8,45 Ah di media). Risultato dopo 3,20 ore :- Tensione matteria 11,88V, quindi con una corrente erogata totale di 27,04A. Non riesco capire lo stato della batteria, e se è normale una così drastica diminuzione degli Ampere erogati scaricandola con 4,7Ah e con 8,85Ah. Grazie a chi mi vorrà chiarire Francesco  
...
Dopo un po di anni di uso non si puo pretendere che la batteria renda come nuova
Spesso si viaggia con batterie non efficienti e ci si accorge solo tardi
Sulla scarica più veloce (piu corrente) prova a leggere sulla legge di peukert che tratta proprio questo argomento
Le batterie sono un campo minato rispetto alla durata e all'efficienza, ho appena buttato una Optima Yellow che è durata solo 4 anni, nonostante usata al meglio, mentre ho amici che le hanno da 15 anni è ancora hanno efficienze elevate, le variabili che influiscono sulla durata ed efficienza sono troppe per essere trattate tutte e a posteriori
Saluti 
l'analogico non è il vecchio e il digitale il nuovo, no, non è così! Il digitale è solo un modo per rappresentare l'analogico, la natura, è analogica
SostaGruppiCompagniItaliaEsteroMarchiMeccanicaCellulaAccessoriEventiLeggiComportamentiDisabiliIn camper perAltro CamperAltroExtra Attivi
Argomenti recenti dal forum
Viaggi all'estero
Istria Ponte Primo Maggio
Ciao a tutti, stiamo pensando di fare 5 giorni in Istria nei primi giorni di maggio, abbia...
ovsp84
Oggi alle 12:45
Meccanica
Rimappatura Iveco Daily 3gen e fischio turbina
Buongiorno, dopo aver rimappato il mio 35c15 ho notato che in fase di accelerazione ma sol...
323232
Oggi alle 10:38
Aree di sosta e campeggi
Roma LGP - Zona Verde
Vorrei sapere da qualche camperista romano se e come è possibile accedere all'area camper ...
memmio
Oggi alle 09:10
Accessori
Installatore antifurto camper
Buongiorno sto cercando un installatore di antifurto per camper zona Senago Paderno Dugna...
penguin46
Oggi alle 08:12
Meccanica
Serraggio bulloni braccio oscillante
Buonasera. Avrei bisogno di conoscere i valori di serraggio dei 4 bulloni presenti nel bra...
celeserpi
Ieri alle: 23:38
Aree di sosta e campeggi
Area sosta/parcheggio ospedale Rizzoli Bologna
Salve a tutti. Cerco info su area sosta/parcheggio ospedale Rizzoli a Bologna. Ho notato s...
Dingo84
Ieri alle: 22:24
Viaggi in Italia
Pompei e Caserta
Ciao a tutti, Abbiamo le ferie dal 1 al 7 maggio e volevamo andare a Pompei e reggia di Ca...
beneamma
Ieri alle: 22:22
Viaggi all'estero
Il Tirolo vieta di saltare la coda in autostrada
.. Regione Trentino AA/S Naviga Il Tirolo vieta di saltare la coda in autostrada lungo str...
salito
Ieri alle: 20:14
Normative
Revisione 42,5 q bloccata
Salve a tutti, incredibile, tutte le prove superate,nonostante gli anni ed una precisa m...
paologu
Ieri alle: 17:54
Cellula abitativa
Aiuto gradino elettrico Laika ecovip 3l
Buonasera a tutti, sono da poco un possessore di un Laika ecovip 3l e ho un problema con i...
Alex86rm
23/04/26 - 22:19
Accessori
Taglio tenda
Buonasera, per riabilitare la tenda del tendalino ho fatto un taglio di circa venti centim...
Ilmoro73
23/04/26 - 19:45
Altro non sui camper
Link non cliccabile nella mail di nuova risposta
Da ieri, 22 aprile 2026, alle 23:19, il link al nuovo messaggio nel mail di avviso di nuov...
Lebowski
23/04/26 - 15:16
168k Facebook
343k Instagram
42,6k TikTok
73,6K Youtube
CamperOnLine - Copyright © 1998-2026 - P.Iva 06953990014
Informativa privacy
Loading...

Accedi

Recupera Password
Nuovo utente

Vuoi eliminare il messaggio?

Sottoscrizione

Anteprima

PREFERENZA

Il messaggio è in fase di inserimento.

loading

CamperOnLine

Buongiorno gentile utente,

da oltre 20 anni Camperonline offre gratuitamente tutti i suoi servizi
grazie agli inserzionisti che ci hanno dato la loro fiducia, permettici di continuare il nostro lavoro disattivando il blocco delle pubblicità.

Grazie della collaborazione.

Azione eseguita con successo

Azione Fallita

Condividi

Condividi questa pagina con:

O copia il link