In risposta al messaggio di Armando del 17/03/2019 alle 01:30:34Anch'io se dovessi sostituire il mio Efoy andrei sull Efoy 80 confort che ha un prezzo "contenuto" in 2600 euro e copre bene le esigenze normali di un camper, mentre neppure prendo in considerazione i modelli superiori sia per il costo folle che perchè per il mio uso sarebbero esagerati.
Certo, non ci posso contare sempre. Ma copro una gran parte del mio utilizzo. Per un altro che ha esigenze diverse potrebbe anche non andar bene. Se fossi in quella situazione penserei anch'io a una macchina tipo quelle solite già nominate. Ho valutato per curiosità: se dovessi scegliere oggi come oggi credo che prenderei l'eFoy 80. Meno male che non devo farlo
www.iz4dji.it
In risposta al messaggio di Davnet75 del 16/03/2019 alle 23:01:01Dipende da che EBL hai, ce ne sono parecchie differenti, gli Hymercar attuali dovrebbero avere la EBL-30 che dovrebbe avere il fusibile del solare da 15A
Il fusibile installato forse, ma non garantisco, non ho ancora potuto verificare, potrebbe essere da 20A.
https://www.bbatechniek.nl/site...
QUI
si vede anche megliowww.iz4dji.it
.jpg)
In risposta al messaggio di Armando del 17/03/2019 alle 15:55:05Una curiosità... Tu metti capicorda snche quando i fili vanno nelle morsettiera a vite?
Fatto. Ci ho messo più tempo a isolare il gambo del cacciavite (non si sa mai) che a connettere l'aggeggio PS scusate il verso delle foto, ma sul Nokia sono diritte
In risposta al messaggio di Armando del 17/03/2019 alle 15:55:05Esattamente come ho fatto io.
Fatto. Ci ho messo più tempo a isolare il gambo del cacciavite (non si sa mai) che a connettere l'aggeggio PS scusate il verso delle foto, ma sul Nokia sono diritte
www.iz4dji.it
In risposta al messaggio di Hunter85 del 17/03/2019 alle 16:34:14I cai grossi, sono quelli originali HYMER e hanno crimpati dei terminali , mentre nei fili sottili, io li ho "imbiancati" con lo stagno per mantenere i trefoli compatti e facilitare l inserimento del morsetto.
Una curiosità... Tu metti capicorda snche quando i fili vanno nelle morsettiera a vite?
www.iz4dji.it
In risposta al messaggio di lakelake del 17/03/2019 alle 17:57:27Secondo IZ4DJI la Schaudt montata su Hymercar dovrebbe essere la EBL 30. Certo che se questo modello non permettesse di caricare anche la BM, perderei completamente l’interesse a collegare il regolatore direttamente alla centralina.
per tornare in topic: la EBL di Schaudt provvede a caricare le due batterie, servizi e motore, ma non tutte sono predisposte per caricare due batterie con il circuito solare. la EBL 208 s del mio camper, ad esempio, caricacon il solare la sola batteria servizi. laddove invece la funzione è predisposta (modelli più recenti) si deve obbligatoriamente entrare con il regolatore solare tramite i connettori adatti alla porta solare schaudt; poter conoscere in anticipo se il regolatore di altra marca sia compatibile al 100% non è cosa semplice sopratutto perchè dati tecnici della schaudt proprio non si trovano. di sicuro sono un pò scettico nel pensare di entrare con un regolatore non schaudt, fosse anche solo per il TR che viene usato come interruttore elettronico: personalmente opterei per un regolatore autoctono. collegare un regolatore di qualsiasi altro produttore direttamente alle batterie è cosa buona e giusta (naturalmente è il mio opinabile parere, pienamente non condivisibile), in questo caso l'unica funzionalità che si perde è l'indicazione delle correnti di carica direttamente sul pannello del camper.
In risposta al messaggio di Davnet75 del 17/03/2019 alle 22:56:16Tieni il regolatore victronenergy!
Secondo IZ4DJI la Schaudt montata su Hymercar dovrebbe essere la EBL 30. Certo che se questo modello non permettesse di caricare anche la BM, perderei completamente l’interesse a collegare il regolatore direttamente allacentralina. Pra cercherò di capire bene se la centralina sul Gran Canyon lo consenta ed eventualmente potrei contattare il produttore per chiedere se il regolatore Victron Energy, che ho già comprato, sia compatibile. Avrei ancora tempo a mandarlo indietro avendolo preso su Amazon per sostituito con un Schaudt, ma questo modello Bluetooth 100 - 30 dovrebbe essere un ottimo prodotto ed anche comodo da gestire. Intanto ho fatto un’offerta per un pannello Solbian da 216w.
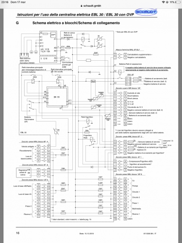
In risposta al messaggio di Davnet75 del 17/03/2019 alle 23:33:06QUI non è in Italiano, ma uno schema è abbastanza universale, e si vede piu grande e leggibile.
... non si legge niente!
www.iz4dji.it
In risposta al messaggio di Armando del 18/03/2019 alle 00:12:04Penso che il passaggio di corrente che puo variare da 0,4A a 4A sia regolato dalla differenza di voltaggio delle due batterie, sia per la connession e e disconnessione (led verde) sia per la quantità effettiva di corrente che passa.
Come accennavo in un precedente messaggio, ho copia di una risposta di Hymer ad una domanda da me fatta al tecnico del conce e relativa alla EBL30, che letteralmente dice: Se carichi le batterie attraverso la presa, primaviene caricata la batteria di servizio, poi dopo quella del motore. Se fa passare la carica dei pannelli solari attraverso l'elettroblocco, succede la stessa cosa. Chiaramente elettroblocco è la centralina EBL. Insomma non è che ci siano dubbi Passando all'altra soluzione (parallelatore CBE), che in quanto alternativa non è così fuori tema, oggi subito dopo installato non erano connesse le due batterie. Ho elevato la Vbs sui 14.3V tramite il CB e si sono connesse. Dopo un paio di minuti ho staccato il CB, sono rimaste connesse e lo erano ancora dopo mezz'ora, con la Vbs a 12.9V. Poco fa, passate alcune ore consideravo tra me che, se l'aggeggio aspetta che la Vbs cali sotto i 12.5V, con 180 Ah di BS passa una settimana, quindi nel dubbio sono andato a vedere: non sono più connesse anche se la Vbs è tuttora a 12.9V. Quindi c'è qualche altra condizione che le disconnette, probabilmente legata alla Vbm o al ΔV tra le due, non citata sul foglietto allegato. D'altronde sappiamo x esperienza che il tutto funzia bene, quindi OK.
www.iz4dji.it
In risposta al messaggio di Armando del 18/03/2019 alle 01:12:12si, avevo letto quel topic.
Se n'era infatti parlati ieri in altro thread sullo stesso argomento. Vedi ad es.: ..Il CSB-2 incomincia a trasferire corrente (da 0,1A a 4A) alla BM quando la BS raggiunge i 13,6V e interrompe questo trasferimento quandola BS scende sotto ai 12,5V. Ma c'erano dubbi che il valore fosse basso, ad es. con le LiFePO4. Ora mi pare si possa dire che non vale solo Vbs<12.5 V ma si disconnette anche diversamente
www.iz4dji.it