CamperOnLine
  • Camper
    • Camper usati
    • Camper nuovi
    • Produttori
    • Listino
    • Cataloghi
    • Concessionari e rete vendita
    • Noleggio
    • Van
    • Caravan
    • Fiere
    • Rimessaggi
    • Le prove di CamperOnLine
    • Provati da voi
    • Primo acquisto
    • Area professionisti
  • Accessori
    • Accessori e Prodotti
    • Camping Sport Magenta accessori
    • Produttori
    • Antenne TV
    • Ammortizzatori
    • GPS
    • Pneumatici
    • Rimorchi
    • Provati da Voi
    • Fai da te
  • Viaggi
    • Diari di viaggi in camper
    • Eventi
    • Foto
    • Check list
    • Traghetti
    • Trasporti
  • Sosta
    • Cerca Strutture
    • Sosta
    • Aree sosta camper
    • Campeggi
    • Agriturismi con sosta camper
    • App Camperonline App
    • 10 Consigli utili per la sosta
    • Area strutture
  • Forum
    • Tutti i Forum
    • Sosta
    • Gruppi
    • Compagni
    • Italia
    • Estero
    • Marchi
    • Meccanica
    • Cellula
    • Accessori
    • Eventi
    • Leggi
    • Comportamenti
    • Disabili
    • In camper per
    • Altro Camper
    • Altro
    • Extra
    • FAQ
    • Regolamento
    • Attivi
    • Preferiti
    • Cerca
  • Community
    • COL
    • CamperOnFest
    • Convenzioni Convenzioni
    • Amici
    • Furti
    • Informativa Privacy
    • Lavoro
  • COL
    • News
    • Newsletter
    • Pubblicità
    • Contatto
    • Ora
    • RSS RSS
    • Video
    • Facebook
    • Instagram
  • Magazine
  • Italiano
    • Bienvenue
    • Welcome
    • Willkommen
  • Accedi
CamperOnLine
Camping Sport Magenta
  1. Forum
  2. Tecnica
  3. Accessori
Galleria

Con centralina CBE il diodo+resistenza non serve

Rispondi
Cerca
Berger Camping
SostaGruppiCompagniItaliaEsteroMarchiMeccanicaCellulaAccessoriEventiLeggiComportamentiDisabiliIn camper perAltro CamperAltroExtra
1 20 11
11
Semi
Semi
23/03/2014 1126
Rispondi Abuso
Inserito il 07/02/2021 alle: 14:22:21
Ciao a tutti, studiando la mia centralina CBE DS300 con pannello PC200 ho visto che ha 2 sistemi diversi per collegare BM e BS. Con il motore acceso si attiva il classico parallelatore secco, mentre collegando la 220 tramite il segnale  di presenza +12 (non +5 come shaudt) attiva un diodo+resistenza che quando la tensione della BS sale sopra i 13.6v manda al massimo 2a in BM.

Ovviamente se tramite un pannello solare la BM sale sopra i 13.6 questo dispositivo non si attiva, ma se portiamo un +12 all'ingresso di presenza della 220 questo si attiva. 

In pratica con un semplice interruttore manuale da attivare quando il camper è in rimessaggio ad esempio si avrà la BM sempre carica senza il classico parallelatore CBE o il sistema di emme48
Semi
20
Emme48
Emme48
rating

13/01/2006 24516
Rispondi Abuso
Inserito il 07/02/2021 alle: 14:27:30
In risposta al messaggio di Semi del 07/02/2021 alle 14:22:21

Ciao a tutti, studiando la mia centralina CBE DS300 con pannello PC200 ho visto che ha 2 sistemi diversi per collegare BM e BS. Con il motore acceso si attiva il classico parallelatore secco, mentre collegando la 220 tramite
il segnale  di presenza +12 (non +5 come shaudt) attiva un diodo+resistenza che quando la tensione della BS sale sopra i 13.6v manda al massimo 2a in BM. Ovviamente se tramite un pannello solare la BM sale sopra i 13.6 questo dispositivo non si attiva, ma se portiamo un +12 all'ingresso di presenza della 220 questo si attiva.  In pratica con un semplice interruttore manuale da attivare quando il camper è in rimessaggio ad esempio si avrà la BM sempre carica senza il classico parallelatore CBE o il sistema di emme48 Semi
...
Va verificato con un tester quello che realmente succede.

Se esiste già un diodo+resistenza, ovviamente non serve aggiungerne un altro.

Se invece la ricarica della BM avviene attraverso un'elettronica un po' più complessa, allora bisogna verificare cosa succede con la BS non perfettamente carica.
Molti si sono lamentati del parallelatore CBE perché in inverno, col sole scarsissimo e pannello solare minimo, la BS non saliva abbastanza da far ricaricare anche la BM.

Marco.
 
Marco

http://www.m48.it

11
Semi
Semi
23/03/2014 1126
Rispondi Abuso
Inserito il 07/02/2021 alle: 14:37:35
Ho provato a portare un +12 volante e ad attaccare un caricabatteria esterno, quando la tensione è salita sopra i 13.6 si sente proprio un relé che attiva il diodo+resistenza.
Avevo già postato una foto dello schema della centralina dove si vede chiaramente, adesso la cerco e la posto
Semi
11
Semi
Semi
23/03/2014 1126
Rispondi Abuso
Inserito il 07/02/2021 alle: 14:40:38
Screenshot_20210207_143834.jpg
Semi
20
Emme48
Emme48
rating

13/01/2006 24516
Rispondi Abuso
Inserito il 07/02/2021 alle: 15:16:22
In risposta al messaggio di Semi del 07/02/2021 alle 14:37:35

Ho provato a portare un +12 volante e ad attaccare un caricabatteria esterno, quando la tensione è salita sopra i 13.6 si sente proprio un relé che attiva il diodo+resistenza. Avevo già postato una foto dello schema della centralina dove si vede chiaramente, adesso la cerco e la posto
E' quello il problema... con un piccolo pannello solare, abitando al nord, durante un lungo periodo di maltempo è possibile che una BS "non nuova" non superi mai i 13,5 volt.
Col diodo+resistenza la BM sarà sempre ad almeno 12,9 volt, con un circuito che interviene solo con BS carica oltre un certo valore di tensione, rischi dopo due mesi di trovare la BS a poco più di 13 e la BM completamente scarica.

Marco.
Marco

http://www.m48.it

Sala Silvergruva, la miniera d'argento
Sala Silvergruva, la miniera d'argento
Folgaria d’inverno in camper
Folgaria d’inverno in camper
Francia 2025
Francia 2025
Eksjo, la città di legno
Eksjo, la città di legno
Viaggio in Umbria e dintorni
Viaggio in Umbria e dintorni
Previous Next
21
ezio55
ezio55
30/12/2004 3412
Rispondi Abuso
Inserito il 07/02/2021 alle: 15:18:30
In risposta al messaggio di Emme48 del 07/02/2021 alle 15:16:22

E' quello il problema... con un piccolo pannello solare, abitando al nord, durante un lungo periodo di maltempo è possibile che una BS non nuova non superi mai i 13,5 volt. Col diodo+resistenza la BM sarà sempre ad almeno
12,9 volt, con un circuito che interviene solo con BS carica oltre un certo valore di tensione, rischi dopo due mesi di trovare la BS a poco più di 13 e la BM completamente scarica. Marco.
...
yes
Ezio55
15
camperistadoc
camperistadoc
04/10/2010 3538
Rispondi Abuso
Inserito il 07/02/2021 alle: 18:38:33
In risposta al messaggio di Semi del 07/02/2021 alle 14:22:21

Ciao a tutti, studiando la mia centralina CBE DS300 con pannello PC200 ho visto che ha 2 sistemi diversi per collegare BM e BS. Con il motore acceso si attiva il classico parallelatore secco, mentre collegando la 220 tramite
il segnale  di presenza +12 (non +5 come shaudt) attiva un diodo+resistenza che quando la tensione della BS sale sopra i 13.6v manda al massimo 2a in BM. Ovviamente se tramite un pannello solare la BM sale sopra i 13.6 questo dispositivo non si attiva, ma se portiamo un +12 all'ingresso di presenza della 220 questo si attiva.  In pratica con un semplice interruttore manuale da attivare quando il camper è in rimessaggio ad esempio si avrà la BM sempre carica senza il classico parallelatore CBE o il sistema di emme48 Semi
...
Ho la stessa centralina con un ottimo diodo/resistenza integrato, ma... funziona solo con la 230V attaccata, in pratica il caricabatterie da il consenso ad attivare il circuitino.
Per non stare a modificare l'elettronica portando un +12V ho messo un secondo diodo/resistenza che carica anche con un pannello fotovoltaico, ora la BM sarà in forma con qualsiasi fonte di ricarica.
20210106_115634_copy_800x369(1).jpg

Ciaowink
Viaggiare apre la mente...
11
Semi
Semi
23/03/2014 1126
Rispondi Abuso
Inserito il 07/02/2021 alle: 19:26:26
In risposta al messaggio di camperistadoc del 07/02/2021 alle 18:38:33

Ho la stessa centralina con un ottimo diodo/resistenza integrato, ma... funziona solo con la 230V attaccata, in pratica il caricabatterie da il consenso ad attivare il circuitino. Per non stare a modificare l'elettronica
portando un +12V ho messo un secondo diodo/resistenza che carica anche con un pannello fotovoltaico, ora la BM sarà in forma con qualsiasi fonte di ricarica. Ciao
...
È quello che ho scritto io, basta portare un +12 facendo credere che ci sia la 220 attaccata e il diodo+resistenza integrato funzionerà anche con il regolatore del pannello 
Semi
15
agolvia
agolvia
28/06/2010 13
Rispondi Abuso
Inserito il 03/11/2021 alle: 19:59:46
In risposta al messaggio di camperistadoc del 07/02/2021 alle 18:38:33

Ho la stessa centralina con un ottimo diodo/resistenza integrato, ma... funziona solo con la 230V attaccata, in pratica il caricabatterie da il consenso ad attivare il circuitino. Per non stare a modificare l'elettronica
portando un +12V ho messo un secondo diodo/resistenza che carica anche con un pannello fotovoltaico, ora la BM sarà in forma con qualsiasi fonte di ricarica. Ciao
...
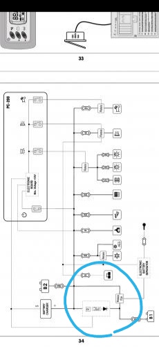
ciao mail diodo + resistenza dove lo colleghi? io ho la centrlina ds300 che allego sotto.
Mi hanno detto di collegare il pannello direttamente al positivo della BS e di collegare un diodo + resistenza alla BM...ma devo collegare quindi direttamente questo diodo tra il connettore 21 e 22?
Ma il negativo del pannello lo collego dove? io vedo solo il connettore 20 che è negativo batteria 2 che credo sia servizi...riuscite ad aiutarmi?

Grazie
image(3087).png
8
motociclista12
motociclista12
31/08/2017 1056
Rispondi Abuso
Inserito il 03/11/2021 alle: 20:23:44
I negativi vanno tutti a massa a telaio, compresi quelli delle batterie. 
B1+ e B2+, sono contatti diretti col + delle batterie, puoi mettere lì un eventuale diodo/ resistenza.
Paolo
15
camperistadoc
camperistadoc
04/10/2010 3538
Rispondi Abuso
Inserito il 03/11/2021 alle: 20:52:01
In risposta al messaggio di agolvia del 03/11/2021 alle 19:59:46

ciao mail diodo + resistenza dove lo colleghi? io ho la centrlina ds300 che allego sotto. Mi hanno detto di collegare il pannello direttamente al positivo della BS e di collegare un diodo + resistenza alla BM...ma devo collegare
quindi direttamente questo diodo tra il connettore 21 e 22? Ma il negativo del pannello lo collego dove? io vedo solo il connettore 20 che è negativo batteria 2 che credo sia servizi...riuscite ad aiutarmi? Grazie
...
"""  Mi hanno detto di collegare il pannello direttamente al positivo della BS """

No, scritto così non va bene, devi collegare il regolatore alla BS.

PS: Continua sul tuo topic anche se stiamo parlando di un argomento molto simile.

Ciaowink
Viaggiare apre la mente...
15
camperistadoc
camperistadoc
04/10/2010 3538
Rispondi Abuso
Inserito il 03/11/2021 alle: 20:55:10
In risposta al messaggio di Semi del 07/02/2021 alle 19:26:26

È quello che ho scritto io, basta portare un +12 facendo credere che ci sia la 220 attaccata e il diodo+resistenza integrato funzionerà anche con il regolatore del pannello 
Non mi ero accodro della risposta...

Quello che ho scritto io è che ho aggiunto un altro diodo + resistenza per non dover modificare l'elettronica della centralina.

Ciaowink
Viaggiare apre la mente...
Argomenti recenti dal forum
Altro non sui camper
Suggerimento a Team di Moderazione
Stanno proliferando interventi che riguardano l'impianto elettrico: ...
Fisool
Ieri alle: 21:56
Accessori
Batteria al litio e centralina arsilicii rossa
Buonasera a tutti, un consiglio da i più esperti, posso montare una ...
Pepeago
Ieri alle: 16:29
Cellula abitativa
Moquette ed - eventualmente - tappezziere
Ciao a tutti, ho cercato ma le ultime discussioni risalgono al 2020 ...
atomant
Ieri alle: 12:20
Meccanica
Parasassi - Locaro passaruota Ducato 2026
Buongiorno a tutti, Sono nuovo dell'ambiente, ma sono molto felice d...
RollingLedger
Ieri alle: 09:57
Accessori
CBE CSB2 sempre acceso + info su reg.carica
CIao a tutti, ho una Adriatik 572 del 2005 con centralina EBL 208 S ...
dav8989
Ieri alle: 07:41
Accessori
Waeco cruiscontroll Ms 900
Chi lo ha montato su ducato 3000cc del 2010 mi spiega come funziona ...
flavius67
15/03/26 - 21:12
Accessori
Impianto 13 poli gancio traino schema
Ciao a tutti, Dubito di risolvere, ma la community qui é numerosa e ...
maaaxxx
15/03/26 - 18:27
Meccanica
Un aiutino da casa x Crossclimate
Mi sono un po perso sulle pressioni corrette , il mezzo è su Ducato ...
dadamazz
15/03/26 - 18:05
Aree di sosta e campeggi
Area sosta sul lago di Barcis
Ciao a tutti , qualcuno è stato a Pasqua nell'area sosta camper a Ba...
diabolik
15/03/26 - 16:14
Accessori
Interpretare smartshunt
Buongiorno, nel cammin di mezza via . . . Mi ritrovo con 2 BS 110AH ...
isauri
15/03/26 - 15:21
Accessori
monitoraggio pressione pneumatici
Buongiorno a tutti, volevo chiedere se qualcuno ha montato un TPMS d...
Walter62
15/03/26 - 14:11
Aree di sosta e campeggi
Area sosta a primaluna Lecco
Buongiorno chiedo x piacere,,qualcuno e stato recentemente all,area ...
giuvanella
15/03/26 - 13:26
Cellula abitativa
Cavi dietro sedile lato passeggero ducato 244
Buongiorno a tutti, sul mio ducato 244 esce dietro il sedile una lin...
CamperistaPN
15/03/26 - 08:55
Meccanica
Arca america 2024
Buonasera a tutti, vorrei capire se il camper in oggetto può già ave...
Adocaro
14/03/26 - 19:14
Cellula abitativa
motorhome hymer 2003 non carica bs
Buongiorno a tutti, ho un problema e spero nel Vostro aiuto. Attacc...
salva56
14/03/26 - 14:29
SostaGruppiCompagniItaliaEsteroMarchiMeccanicaCellulaAccessoriEventiLeggiComportamentiDisabiliIn camper perAltro CamperAltroExtra
167k Facebook
343k Instagram
42,6k TikTok
73,3k Youtube
CamperOnLine - Copyright © 1998-2026 - P.Iva 06953990014
Informativa privacy
Loading...

Accedi

Recupera Password
Nuovo utente

Vuoi eliminare il messaggio?

Sottoscrizione

Anteprima

PREFERENZA

Il messaggio è in fase di inserimento.

loading

CamperOnLine

Buongiorno gentile utente,

da oltre 20 anni Camperonline offre gratuitamente tutti i suoi servizi
grazie agli inserzionisti che ci hanno dato la loro fiducia, permettici di continuare il nostro lavoro disattivando il blocco delle pubblicità.

Grazie della collaborazione.

Azione eseguita con successo

Azione Fallita

Condividi

Condividi questa pagina con:

O copia il link