CamperOnLine
  • Camper
    • Camper usati
    • Camper nuovi
    • Produttori
    • Listino
    • Cataloghi
    • Concessionari e rete vendita
    • Noleggio
    • Van
    • Caravan
    • Fiere
    • Rimessaggi
    • Le prove di CamperOnLine
    • Provati da voi
    • Primo acquisto
    • Area professionisti
  • Accessori
    • Accessori e Prodotti
    • Camping Sport Magenta accessori
    • Produttori
    • Antenne TV
    • Ammortizzatori
    • GPS
    • Pneumatici
    • Rimorchi
    • Provati da Voi
    • Fai da te
  • Viaggi
    • Diari di viaggi in camper
    • Eventi
    • Foto
    • Check list
    • Traghetti
    • Trasporti
  • Sosta
    • Cerca Strutture
    • Sosta
    • Aree sosta camper
    • Campeggi
    • Agriturismi con sosta camper
    • App Camperonline App
    • 10 Consigli utili per la sosta
    • Area strutture
  • Forum
    • Tutti i Forum
    • Sosta
    • Gruppi
    • Compagni
    • Italia
    • Estero
    • Marchi
    • Meccanica
    • Cellula
    • Accessori
    • Eventi
    • Leggi
    • Comportamenti
    • Disabili
    • In camper per
    • Altro Camper
    • Altro
    • Extra
    • FAQ
    • Regolamento
    • Attivi
    • Preferiti
    • Cerca
  • Community
    • COL
    • CamperOnFest
    • Convenzioni Convenzioni
    • Amici
    • Furti
    • Informativa Privacy
    • Lavoro
  • COL
    • News
    • Newsletter
    • Pubblicità
    • Contatto
    • Ora
    • RSS RSS
    • Video
    • Facebook
    • Instagram
  • Magazine
  • Italiano
    • Bienvenue
    • Welcome
    • Willkommen
  • Accedi
CamperOnLine
Camping Sport Magenta
  1. Forum
  2. Tecnica
  3. Accessori
Galleria

Diodo+resistenza per un amico...

Rispondi
Cerca
Berger Camping
SostaGruppiCompagniItaliaEsteroMarchiMeccanicaCellulaAccessoriEventiLeggiComportamentiDisabiliIn camper perAltro CamperAltroExtra Attivi
2 20 37
Broken Arrow
Broken Arrow
-
Rispondi Abuso
Inserito il 03/04/2024 alle: 23:04:22
Grazie
Chausson V594 Max - IV3IUE
15
renzo07
renzo07
rating

16/11/2010 4080
Rispondi Abuso
Inserito il 04/04/2024 alle: 16:40:09
In risposta al messaggio di banoyo del 03/04/2024 alle 22:04:03

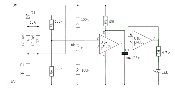
In rete ho trovato questo. Volevo farlo poi ho lasciato perdere, quindi non so dirti se funziona.  
Io anni fa avevo fatto questo, in origine c'era un transistor che pilotava il led, poi l'ho tolto visto che LM358 ha una buona corrente in out ed i led ormai sono quasi tutti ad alta efficienza,

diodoresmonitor.GIF
𝓡𝓮𝓷𝔃𝓸
20
Grinza
Grinza
rating

16/02/2006 64324
Rispondi Abuso
Inserito il 04/04/2024 alle: 16:56:13
In risposta al messaggio di renzo07 del 04/04/2024 alle 16:40:09

Io anni fa avevo fatto questo, in origine c'era un transistor che pilotava il led, poi l'ho tolto visto che LM358 ha una buona corrente in out ed i led ormai sono quasi tutti ad alta efficienza,
T’avanzavano i componenti ed hai fatto come gig robot d’acciaio, li hai lanciati laugh

 
Il problema non è la gente che non comprende ma la gente che giudica quello che nemmeno comprende
15
renzo07
renzo07
rating

16/11/2010 4080
Rispondi Abuso
Inserito il 04/04/2024 alle: 17:04:50
In risposta al messaggio di Grinza del 04/04/2024 alle 16:56:13

T’avanzavano i componenti ed hai fatto come gig robot d’acciaio, li hai lanciati   
laughlaugh  Ciao Antonio.
𝓡𝓮𝓷𝔃𝓸
Pirenei Verdon in camper - settembre 202
Pirenei Verdon in camper - settembre 202
Normandia in camper: là dove la Natura
Normandia in camper: là dove la Natura
Pasqua in Costa Azzurra
Pasqua in Costa Azzurra
A spasso per la Germania del Nord in cam
A spasso per la Germania del Nord in cam
In camper nel centro Italia: tra sacro e
In camper nel centro Italia: tra sacro e
Previous Next
22
Giovanni
Giovanni
rating

28/08/2003 13397
Rispondi Abuso
Inserito il 04/04/2024 alle: 18:23:14
In risposta al messaggio di banoyo del 03/04/2024 alle 22:04:03

In rete ho trovato questo. Volevo farlo poi ho lasciato perdere, quindi non so dirti se funziona.  

Hai scritto:
Volevo farlo poi ho lasciato perdere, quindi non so dirti se funziona.

Io sono uno che ha collaborato (parola grossa!)  con chi ha ideato quel progettino. Ti assicuro che funziona e spesso mi meraviglio di quello che succede in casi particolari. Per esempio, in certe situazioni, il led lampeggia velocemente: ho chiesto anche qui la conferma della probabile causa  e cioè la condizioni al limite tra il caricare e non caricare (differenza di tensione fra le due batterie esattamente uguale alla tensione limite del diodo stesso). Poi, sempre per curiosità, l'apertura di una porta della cabina, le quattro frecce all'accensione dell'allarme, ecc. 

Giovanni
Broken Arrow
Broken Arrow
-
Rispondi Abuso
Inserito il 05/04/2024 alle: 09:41:34
In risposta al messaggio di Emme48 del 23/08/2022 alle 16:50:53

Un grande amico. Dovremo presto sosotituire il suo impianto fotovoltaico mandando (finalmente) in pensione un vecchissimo pannello solare da 80 Watt collegato ad un regolatore PWM dotato però di una uscita secondaria per
la BM. Il nuovo impianto sarà composto da 2 pannelli Victron a bassa tensione da 115 Watt, collegati in serie tra loro e poi connessi ad un regolatore WRM20. Quei pannelli sono gli unici che ci stanno, sfruttando lo spazio esiguo sul tetto scaturito da una installazione troppo superficiale di oblò, aspiratori e antenne... altra ennesima dimostrazione che a farsi le cose da soli il lavoro viene meglio.  Già, ma dopo la BM chi la ricarica? Siccome dove ora c'è il regolatore PWM già arriva il filo della BM, ho scavato nei miei cassetti per realizzare un circuitino di diodo+resistenza il cui schema trovate QUI. L'estetica non è mai stata il mio forte, specialmente usando prepotentemente il verbo riciclare, ecco cos'è venuto fuori... Dentro si vedono 4 resistenza da 0,47 Ohm 5 Watt collegate in parallelo a coppie e poi queste coppie sono state collegate in serie tra loro, risultato 0,47 Ohm 20 Watt. Il diodo forse è leggermente esagerato, ne ho tanti da 70 Ampere e ci ho messo uno di quelli. Siccome in quel punto ci sarà il regolatore Western WRM 20 che, a riposo, indicherà la tensione della BS, ho messo un pulsante per attivare un piccolo voltmetro che indica la tensione della batteria del motore. Ovviamente il voltmetro cinesissimo segnava un valore fasullo, ma un microscopico trimmer presente sul voltmetro stesso.ha reso quell'oggetto abbastanza decente verso i 12 Volt. 10 secondi la taratura, 10 minuti la limatura di un cacciavite per renderlo adatto a quel trimmer microscopico. Non ho trovato un portafusibile adatto, per ora uso due faston e un fusibile volante esterno sul filo BM, in seguito metterò un portafusibile come si deve. Marco.
...
Buongiorno possiedo un van Chausson V594max su meccanica Ducato8 del 2022 con installato di serie un NordElettronica NE287 (Battery Charger) NE325DC (DC/DC Converter) NE355_T (Derivatore) NE333 (Control panels) un regolatore Vechline LMSeries Controller 10A + Vechline pannello monocristallino FV da 120W con BS Vechline Full Energy AGM-Compact da 104Ah e BM Varta Pb da 105Ah per la parte riscaldamento una Truma Combi a gas.
Tramite il pannello NE333 vedo che con motore in moto la BS viene messa in ponte con la BM, quando sono collegato alla rete del 220v vedo sempre tramite il pannello NE333 che la BM viene messa in carica se è necessario ed ho verificato anche con il tester che avvenga effettivamente.
Premetto che non ho ancora mai avuto problemi di batteria ed ho sostato anche in zone con -10 sottozero, il tipo di uscite che mi posso permettere sono 3-4 giorni max sempre in libera per tutti i 12 mesi dell'anno.
A bordo ho installato personalmente come utenze elettriche anche un inverter NDS SP600 da 600W onda pura e un Priority Switch  SP230, un impianto audio Alpine X903D-DU8 con subwoofer e della  PatrolLine un antifurto HPS844R interfacciato con un PatrolSat 4G.
Ho contattato la Chausson per sapere se avevano previsto la ricarica tramite il FV anche della BM quando sono in sosta libera, mi hanno contattato dalla Francia dicendomi che non era stato realizzato sul mio modello, questo dopo avermi chiesto il serial number del mezzo.
A questo punto pensavo di realizzare il famoso circuito diodo/resistenza però mi chiedevo due cose.

Cosa succede quando sono in moto avendo le batterie automaticamente in ponte?
Creo un ulteriore circuito di ritorno tra BS e BM duplicando di fatto quanto realizzato dal NE355_T.
Cosa succede quando sono connesso alla rete 220V?
C'è già il NE287 che gestisce la carica di BS e BM.
Pensavo a questo punto di realizzare un circuitino messo sul diodo/resistenza che apre il collegamento tra BS e BM se la 220v è presente o il motore è in moto.
Cosa ne pensate?
Grazie.
 
Chausson V594 Max - IV3IUE
20
Emme48
Emme48
rating

13/01/2006 24668
Rispondi Abuso
Inserito il 05/04/2024 alle: 09:46:51
In risposta al messaggio di renzo07 del 04/04/2024 alle 16:40:09

Io anni fa avevo fatto questo, in origine c'era un transistor che pilotava il led, poi l'ho tolto visto che LM358 ha una buona corrente in out ed i led ormai sono quasi tutti ad alta efficienza,
Oppure si compra per 5 euro un provapile dal quale si cannibalizza lo strumentino analogico da mettere in parallelo alla resistenza da mezzo ohm.
Ci vorrà una resistenza in serie allo strumento, un trimmer, boh?
Viene fuori una specie di amperometro a consumo zero.

Marco.
Marco

http://www.m48.it

20
Emme48
Emme48
rating

13/01/2006 24668
Rispondi Abuso
Inserito il 05/04/2024 alle: 09:53:22
In risposta al messaggio di Broken Arrow del 05/04/2024 alle 09:41:34

Buongiorno possiedo un van Chausson V594max su meccanica Ducato8 del 2022 con installato di serie un NordElettronica NE287 (Battery Charger) NE325DC (DC/DC Converter) NE355_T (Derivatore) NE333 (Control panels) un regolatore
Vechline LMSeries Controller 10A + Vechline pannello monocristallino FV da 120W con BS Vechline Full Energy AGM-Compact da 104Ah e BM Varta Pb da 105Ah per la parte riscaldamento una Truma Combi a gas. Tramite il pannello NE333 vedo che con motore in moto la BS viene messa in ponte con la BM, quando sono collegato alla rete del 220v vedo sempre tramite il pannello NE333 che la BM viene messa in carica se è necessario ed ho verificato anche con il tester che avvenga effettivamente. Premetto che non ho ancora mai avuto problemi di batteria ed ho sostato anche in zone con -10 sottozero, il tipo di uscite che mi posso permettere sono 3-4 giorni max sempre in libera per tutti i 12 mesi dell'anno. A bordo ho installato personalmente come utenze elettriche anche un inverter NDS SP600 da 600W onda pura e un Priority Switch  SP230, un impianto audio Alpine X903D-DU8 con subwoofer e della  PatrolLine un antifurto HPS844R interfacciato con un PatrolSat 4G. Ho contattato la Chausson per sapere se avevano previsto la ricarica tramite il FV anche della BM quando sono in sosta libera, mi hanno contattato dalla Francia dicendomi che non era stato realizzato sul mio modello, questo dopo avermi chiesto il serial number del mezzo. A questo punto pensavo di realizzare il famoso circuito diodo/resistenza però mi chiedevo due cose. Cosa succede quando sono in moto avendo le batterie automaticamente in ponte? Creo un ulteriore circuito di ritorno tra BS e BM duplicando di fatto quanto realizzato dal NE355_T. Cosa succede quando sono connesso alla rete 220V? C'è già il NE287 che gestisce la carica di BS e BM. Pensavo a questo punto di realizzare un circuitino messo sul diodo/resistenza che apre il collegamento tra BS e BM se la 220v è presente o il motore è in moto. Cosa ne pensate? Grazie.  
...
Lascia perdere le complicazioni, il diodo+resistenza trasferisce energia dalla BS alla BM solo quando serve, se la BM è già carica grazie al 230 o all'alternatore il D+R semplicemente non lavora ed è come non averlo.

Marco.
Marco

http://www.m48.it

Broken Arrow
Broken Arrow
-
Rispondi Abuso
Inserito il 05/04/2024 alle: 10:15:31
Tks
Chausson V594 Max - IV3IUE
6
Szopen
Szopen
rating

06/09/2019 6101
Rispondi Abuso
Inserito il 05/04/2024 alle: 12:10:33
Io ho preferito fare così 

IMG_0731.jpeg

Lo utilizzo per il mantenimento della BM dalla BS Lifepo4 ma va bene anche con gli altri tipi di batterie. 

Il led verde segnala il mantenimento attivo della BM. 

Il comando remoto cioè l’interruttore spia a sinistra, da mettere sul cruscotto, serve ad attivare manualmente un’eventuale DC-DC, alla sua attivazione segnalata dall’accensione del led rosso, viene disconnesso il parallelo BS/BM è il led verde si spegnerà. 

l'interruttore di destra, si può portare sul cruscotto o nel luogo a noi più opportuno, serve a disconnettere del tutto il circuito, utile soprattutto quando portiamo il camper dal meccanico per una manutenzione ad esempio ma anche se dobbiamo fare qualcosa noi stessi. 

Ciro. 

 
nomade analogico e fanciulla all'imbrunire. Non ho nulla da vendere nè consigli da dare, solo qualche piccolo suggerimento da prendere con le pinze, possibilmente, amperometriche. Buoni Km a tutti e......... rammentate sempre che....... TESTAR NON NUOCE!
20
Emme48
Emme48
rating

13/01/2006 24668
Rispondi Abuso
Inserito il 05/04/2024 alle: 12:33:45
In risposta al messaggio di Szopen del 05/04/2024 alle 12:10:33

Io ho preferito fare così  Lo utilizzo per il mantenimento della BM dalla BS Lifepo4 ma va bene anche con gli altri tipi di batterie.  Il led verde segnala il mantenimento attivo della BM.  Il comando remoto cioè
l’interruttore spia a sinistra, da mettere sul cruscotto, serve ad attivare manualmente un’eventuale DC-DC, alla sua attivazione segnalata dall’accensione del led rosso, viene disconnesso il parallelo BS/BM è il led verde si spegnerà.  l'interruttore di destra, si può portare sul cruscotto o nel luogo a noi più opportuno, serve a disconnettere del tutto il circuito, utile soprattutto quando portiamo il camper dal meccanico per una manutenzione ad esempio ma anche se dobbiamo fare qualcosa noi stessi.  Ciro.   
...
Ma certo, l'elettronica non ha limiti e quello che hai fatto è notevole, molto ben fatto.

Tuttavia il D+R è stato pensato per essere realizzato da chiunque, compresi quelli che non masticano di elettronica, con due morsetti mamouth si può realizzare anche senza l'uso del saldatore.

Marco.
Marco

http://www.m48.it

Broken Arrow
Broken Arrow
-
Rispondi Abuso
Inserito il 05/04/2024 alle: 17:49:32
In risposta al messaggio di Szopen del 05/04/2024 alle 12:10:33

Io ho preferito fare così  Lo utilizzo per il mantenimento della BM dalla BS Lifepo4 ma va bene anche con gli altri tipi di batterie.  Il led verde segnala il mantenimento attivo della BM.  Il comando remoto cioè
l’interruttore spia a sinistra, da mettere sul cruscotto, serve ad attivare manualmente un’eventuale DC-DC, alla sua attivazione segnalata dall’accensione del led rosso, viene disconnesso il parallelo BS/BM è il led verde si spegnerà.  l'interruttore di destra, si può portare sul cruscotto o nel luogo a noi più opportuno, serve a disconnettere del tutto il circuito, utile soprattutto quando portiamo il camper dal meccanico per una manutenzione ad esempio ma anche se dobbiamo fare qualcosa noi stessi.  Ciro.   
...
Tutto Ok, ma preferisco che sia tutto in automatico, senza dover ricordare di accendere o spegnere prima di... come dicono dalle nostre parti "a prova de mona" e sopratutto essere sicuri che non vada in conflitto con quanto già installato a bordo del mezzo.
Chausson V594 Max - IV3IUE
6
Szopen
Szopen
rating

06/09/2019 6101
Rispondi Abuso
Inserito il 05/04/2024 alle: 22:55:14
In risposta al messaggio di Broken Arrow del 05/04/2024 alle 17:49:32

Tutto Ok, ma preferisco che sia tutto in automatico, senza dover ricordare di accendere o spegnere prima di... come dicono dalle nostre parti a prova de mona e sopratutto essere sicuri che non vada in conflitto con quanto già installato a bordo del mezzo.
Guarda che il circuito è automatico e non va in conflitto con nulla, quando metti in moto il motore il parallelo BM/BS si disattiva automaticamente.

Ho ben spiegato la funzione dei 2 interruttori, uno è un classico on-off per attivare il dispositivo, l'altro serve se viaggio di giorno in una bella giornata può tornare utile disattivare un eventuale Dc-dc per non sovraccaricare di lavoro l'alternatore, il quale, deve già occuparsi dei vari dispositivi presenti in cabina.

Per gestire una carica sincronizzata dall'alternatore ad oggi, che io sappia, non esiste nulla, lui lavora sempre da solo.

Il solo semplice dodo+resistenza è ottimo ma devi ricordare sempre che in caso di manutenzione devi staccarlo manualmente, magari togliendo semplicemente il fusibile altrimenti, anche se stacchi completamente la batteria motore ci sarà sempre una tensione che arriva al quadro strumenti ed ai vari dispositivi in cabina e nel vano motore col rischio di fare qualche danno. 

Ciro. 
nomade analogico e fanciulla all'imbrunire. Non ho nulla da vendere nè consigli da dare, solo qualche piccolo suggerimento da prendere con le pinze, possibilmente, amperometriche. Buoni Km a tutti e......... rammentate sempre che....... TESTAR NON NUOCE!

Modificato da Szopen il 05/04/2024 alle 23:11:24
Broken Arrow
Broken Arrow
-
Rispondi Abuso
Inserito il 05/04/2024 alle: 23:19:11
In risposta al messaggio di Szopen del 05/04/2024 alle 22:55:14

Guarda che il circuito è automatico e non va in conflitto con nulla, quando metti in moto il motore il parallelo BM/BS si disattiva automaticamente. Ho ben spiegato la funzione dei 2 interruttori, uno è un classico on-off
per attivare il dispositivo, l'altro serve se viaggio di giorno in una bella giornata può tornare utile disattivare un eventuale Dc-dc per non sovraccaricare di lavoro l'alternatore, il quale, deve già occuparsi dei vari dispositivi presenti in cabina. Per gestire una carica sincronizzata dall'alternatore ad oggi, che io sappia, non esiste nulla, lui lavora sempre da solo. Il solo semplice dodo+resistenza è ottimo ma devi ricordare sempre che in caso di manutenzione devi staccarlo manualmente, magari togliendo semplicemente il fusibile altrimenti, anche se stacchi completamente la batteria motore ci sarà sempre una tensione che arriva al quadro strumenti ed ai vari dispositivi in cabina e nel vano motore col rischio di fare qualche danno.  Ciro. 
...
Spiegato è, ma lo schema elettrico di quanto montato sulla millefiori non c'è.
Chausson V594 Max - IV3IUE
22
Giovanni
Giovanni
rating

28/08/2003 13397
Rispondi Abuso
Inserito il 06/04/2024 alle: 07:53:49
In risposta al messaggio di Szopen del 05/04/2024 alle 22:55:14

Guarda che il circuito è automatico e non va in conflitto con nulla, quando metti in moto il motore il parallelo BM/BS si disattiva automaticamente. Ho ben spiegato la funzione dei 2 interruttori, uno è un classico on-off
per attivare il dispositivo, l'altro serve se viaggio di giorno in una bella giornata può tornare utile disattivare un eventuale Dc-dc per non sovraccaricare di lavoro l'alternatore, il quale, deve già occuparsi dei vari dispositivi presenti in cabina. Per gestire una carica sincronizzata dall'alternatore ad oggi, che io sappia, non esiste nulla, lui lavora sempre da solo. Il solo semplice dodo+resistenza è ottimo ma devi ricordare sempre che in caso di manutenzione devi staccarlo manualmente, magari togliendo semplicemente il fusibile altrimenti, anche se stacchi completamente la batteria motore ci sarà sempre una tensione che arriva al quadro strumenti ed ai vari dispositivi in cabina e nel vano motore col rischio di fare qualche danno.  Ciro. 
...

Hai dimenticato un fattore importante: la corrente in transito verso la batteria servizi è inversamente proporzionale alla differenza di potenziale fra la batteria stessa e le fonti alle quali è collegata. Quindi l'alternatore non lavora sempre al massimo. 

In caso di manutenzione, col diodo e resistenza, devi ricordarti di togliere il fusibile, nel tuo caso ti devi ricordare di aprire i contatti dell'interruttore (spegnere) col rischio che qualcuno lo accenda inavvertitamente. 

Giovanni 
6
Szopen
Szopen
rating

06/09/2019 6101
Rispondi Abuso
Inserito il 07/04/2024 alle: 01:24:24
In risposta al messaggio di Giovanni del 06/04/2024 alle 07:53:49

Hai dimenticato un fattore importante: la corrente in transito verso la batteria servizi è inversamente proporzionale alla differenza di potenziale fra la batteria stessa e le fonti alle quali è collegata. Quindi l'alternatore
non lavora sempre al massimo.  In caso di manutenzione, col diodo e resistenza, devi ricordarti di togliere il fusibile, nel tuo caso ti devi ricordare di aprire i contatti dell'interruttore (spegnere) col rischio che qualcuno lo accenda inavvertitamente.  Giovanni 
...
Io non ho detto che l'alternatore lavora sempre al massimo, ho detto che magari in determinate situazioni come in estate ad esempio, con clima, luci e qualcos'altro acceso in cabina può tornare utile disattivare il dc-dc, ovviamente se si dispone di una sufficiente potenza da solare, tanti come nel mio caso o a mente sul Colibrì di Marco m48 abbiamo alternatori che sono meno di 100A e le sole batterie di servizio, se mediamente scariche possono richiedere correnti maggiori di 50/60A.

Per quanto riguarda gli interruttori messi ben in vista da qualche parte sul cruscotto in cabina, sono solo per semplificare, possiamo dire un modo più comodo per disattivare il dc-dc o tutto il circuito, senza dover necessariamente andare a rovistare nel cofano motore o dentro le dinette o anche in qualche armadio alla ricerca del diodo+resistenza. 

Ho quasi terminato l'mplementazione di un mini display e 2 pulsanti, sto cercando di fare un unico pannellino cui contenere I 2 interruttori, il display per la visualizzazione delle tensioni e i 2 nuovi pulsanti che per l'appunto servono uno a visualizzare la tensione della BM e l'altro quella della BS. 


​​​​​​Certo, anch'io sono dell'idea che il progetto originale e semplice di Marco sia il migliore, ma visto che abbiamo a che fare con batterie che possono richiedere forti correnti preferisco disattivare il circuito a motore in moto.

A tal proposito, ho potuto constatare che con diodo+resistenza attivo in caso di forti richieste di correnti da parte delle BS i fusibili da 4/5A saltano facilmente, ho provato a sostituirli con fusibili da 7,5A o da 10A e posso dire che, in oramai 10 mesi di utilizzo (nel mio caso h24), reggono bene e senza arrecare danno alcuno.

​​​​​​
Ciro. 


​​​​​​
nomade analogico e fanciulla all'imbrunire. Non ho nulla da vendere nè consigli da dare, solo qualche piccolo suggerimento da prendere con le pinze, possibilmente, amperometriche. Buoni Km a tutti e......... rammentate sempre che....... TESTAR NON NUOCE!
Sanlume
Sanlume
11/01/2026 4
Rispondi Abuso
Inserito il 19/01/2026 alle: 11:54:57
In risposta al messaggio di Emme48 del 05/04/2024 alle 12:33:45

Ma certo, l'elettronica non ha limiti e quello che hai fatto è notevole, molto ben fatto. Tuttavia il D+R è stato pensato per essere realizzato da chiunque, compresi quelli che non masticano di elettronica, con due morsetti mamouth si può realizzare anche senza l'uso del saldatore. Marco.
Buongiorno Emme48, un consiglio riguardo al parallelatore diodo Resistenza. Ho notato che con Il diodo che mi ritrovavo a casa ho già un calo di tensione di 1.3v e carica circa 1A con la massima tensione di carica sulla BS a 14,7.
Aggiungendo una resistenza da 2.5 ohm la tensione diminuisce di 1.75 e carica 0.55A.
Naturalmente quando la BS va in mantenimento tutto cala progressivamente Pensi che possa essere troppo stressante per una BM lasciarlo in funzione senza Resistenza?
Meglio Comunque limitare con la resistenza?
Ti ringrazio se vorrai darmi la tua opinione!!
Sandro.
SostaGruppiCompagniItaliaEsteroMarchiMeccanicaCellulaAccessoriEventiLeggiComportamentiDisabiliIn camper perAltro CamperAltroExtra Attivi
Argomenti recenti dal forum
Altro sui camper
Vivere tutto l'anno in campeggio in caravan
Buongiorno a tutti e buona domenica. Piacere , Alessio . Siamo una famiglia di 5 persone, ...
AleLeone
Oggi alle 14:03
Accessori
Montaggio sensore di movimento esterno
Mi piacerebbe far funzionare la luce esterna con un sensore di movimento.La lampadina è di...
paco99
Oggi alle 10:34
Altro non sui camper
ho creato un app per archiviare i propri viaggi
Ciao a tutti, Premetto subito che non sono uno sviluppatore di mestiere, ho iniziato quest...
gibe
Ieri alle: 20:34
Fiere ed eventi
Furto camper Challenger Prium XG
Salve purtroppo alcuni giorni fa, mi è stato rubato il camper. È un Challenger Prium XG ca...
micheleventrell
Ieri alle: 18:49
Cellula abitativa
Bordo di plastica
Suggerimenti per questa situazione? ......
Yanosh
Ieri alle: 17:34
Cellula abitativa
Passaggio cavi antenna
Devo passare i cavi dell' antenna e della parabola in modo da farli arrivare all' esterno ...
Yanosh
Ieri alle: 17:26
Altro non sui camper
Ciao Alex Zanardi
Pochi sono gli sportivi che meritano la mia stima, lui era uno di questi, vero campione di...
Grinza
Ieri alle: 10:20
Cellula abitativa
Batteria motore 3 bip Laika
Buongiorno a tutti chiedo aiuto per un problema. Camper Laika ecovip 309s dela 2020. 2 bat...
Conterocco
Ieri alle: 10:12
Accessori
Posizione relais per disabilitare parallelatore
Buongiorno, ho un dubbio su un argomento nuovo: bloccare la ricarica delle BS dalla centr...
isauri
Ieri alle: 09:53
Accessori
Problema con fotovoltaico
Ciao a tutti, Questa mattina mi sono accorto che il fotovoltaico da 100W non carica più. ...
Apollo 13
Ieri alle: 09:47
Accessori
Pannello di controllo Generatore Dometic TEC29 LPG
Buongiorno a tutti, come sempre prima di aprire un nuovo thread ho provato a cercare info ...
KawaSimo
Ieri alle: 08:53
Cellula abitativa
Furgonato con grande vano di carico
Salve a tutti! Spesso leggo con interesse il forum, ma non ho trovato da nessuna parte le ...
Nebbia94
01/05/26 - 22:25
168k Facebook
343k Instagram
42,6k TikTok
73,6K Youtube
CamperOnLine - Copyright © 1998-2026 - P.Iva 06953990014
Informativa privacy
Loading...

Accedi

Recupera Password
Nuovo utente

Vuoi eliminare il messaggio?

Sottoscrizione

Anteprima

PREFERENZA

Il messaggio è in fase di inserimento.

loading

CamperOnLine

Buongiorno gentile utente,

da oltre 20 anni Camperonline offre gratuitamente tutti i suoi servizi
grazie agli inserzionisti che ci hanno dato la loro fiducia, permettici di continuare il nostro lavoro disattivando il blocco delle pubblicità.

Grazie della collaborazione.

Azione eseguita con successo

Azione Fallita

Condividi

Condividi questa pagina con:

O copia il link