CamperOnLine
  • Camper
    • Camper usati
    • Camper nuovi
    • Produttori
    • Listino
    • Cataloghi
    • Concessionari e rete vendita
    • Noleggio
    • Van
    • Caravan
    • Fiere
    • Rimessaggi
    • Le prove di CamperOnLine
    • Provati da voi
    • Primo acquisto
    • Area professionisti
  • Accessori
    • Accessori e Prodotti
    • Camping Sport Magenta accessori
    • Produttori
    • Antenne TV
    • Ammortizzatori
    • GPS
    • Pneumatici
    • Rimorchi
    • Provati da Voi
    • Fai da te
  • Viaggi
    • Diari di viaggi in camper
    • Eventi
    • Foto
    • Check list
    • Traghetti
    • Trasporti
  • Sosta
    • Cerca Strutture
    • Sosta
    • Aree sosta camper
    • Campeggi
    • Agriturismi con sosta camper
    • App Camperonline App
    • 10 Consigli utili per la sosta
    • Area strutture
  • Forum
    • Tutti i Forum
    • Sosta
    • Gruppi
    • Compagni
    • Italia
    • Estero
    • Marchi
    • Meccanica
    • Cellula
    • Accessori
    • Eventi
    • Leggi
    • Comportamenti
    • Disabili
    • In camper per
    • Altro Camper
    • Altro
    • Extra
    • FAQ
    • Regolamento
    • Attivi
    • Preferiti
    • Cerca
  • Community
    • COL
    • CamperOnFest
    • Convenzioni Convenzioni
    • Amici
    • Furti
    • Informativa Privacy
    • Lavoro
  • COL
    • News
    • Newsletter
    • Pubblicità
    • Contatto
    • Ora
    • RSS RSS
    • Video
    • Facebook
    • Instagram
  • Magazine
  • Italiano
    • Bienvenue
    • Welcome
    • Willkommen
  • Accedi
CamperOnLine
Camping Sport Magenta
  1. Forum
  2. Tecnica
  3. Accessori
Galleria

Eterno dilemma: batterie in parallelo o no?

Rispondi
Cerca
Berger Camping
SostaGruppiCompagniItaliaEsteroMarchiMeccanicaCellulaAccessoriEventiLeggiComportamentiDisabiliIn camper perAltro CamperAltroExtra
1 20 13
5
Mrkrouge
Mrkrouge
20/12/2020 23
Rispondi Abuso
Inserito il 05/01/2025 alle: 10:23:23
Ciao a tutti,
sto recentemente cercando di capire (più per interesse personale che altro), se su in impianto a doppia batteria, tipico dei camper, sia più efficiente dal punto di vista del mantenimento in salute delle batterie, il collegamento in parallelo o l'utilizzo di dispositivi tipo iManager o Victron che ne permettono l'uso singolo alternato.

Dagli studi di ingegneria ricordo che collegare due batterie in parallelo è sempre sconsigliato in quanto si crea un circuito chiuso tra di esse ed in caso di microdifferenze di tensione tra le due (normali nei vari cicli di carica e scarica) si avrebbero delle continue correnti circolanti dall'una all'altra batteria ed ovviamente questo porterebbe per via delle dispersioni energetiche al lento scaricamento di entrambe.

Per contro, in caso di assorbimenti elevati, il fatto di poter prelevare corrente da entrambe le batterie "stressa" la metà ognuna di esse.

Mi sembra di capire che i dispositivi di gestione delle batterie sopra citati possono tenere le batterie separate e metterle automaticamente in parallelo solo in caso di forte assorbimento, quindi sarebbe la condizione ideale, oppure no ?


Ho letto molti post in questo forum ed in altri (anche di settori differenti), ed ho capito che sostanzialmente ci sono due scuole di pensiero opposte, c'è chi sostiente decisamente il parallelo secco e fisso e chi la separazione, MA IN NESSUNO DEI POST VIENE FORNITA UNA SPIEGAZIONE TECNICA sul motivo della propria opinione, che vada al di là della propria esperienza empirica.

Se ci fosse qualcuno che mi potesse fornire delle spiegazioni, anche con indicazioni strettamente tecniche (credo di avere una discreta formazione tecnica per capire) mi aiuterebbe ad approfondire e comprendere meglio la questione.


Grazie mille in anticipo

Un caro saluto a tutti
20
Emme48
Emme48
rating

13/01/2006 24511
Rispondi Abuso
Inserito il 05/01/2025 alle: 11:06:18
In risposta al messaggio di Mrkrouge del 05/01/2025 alle 10:23:23

Ciao a tutti, sto recentemente cercando di capire (più per interesse personale che altro), se su in impianto a doppia batteria, tipico dei camper, sia più efficiente dal punto di vista del mantenimento in salute delle
batterie, il collegamento in parallelo o l'utilizzo di dispositivi tipo iManager o Victron che ne permettono l'uso singolo alternato. Dagli studi di ingegneria ricordo che collegare due batterie in parallelo è sempre sconsigliato in quanto si crea un circuito chiuso tra di esse ed in caso di microdifferenze di tensione tra le due (normali nei vari cicli di carica e scarica) si avrebbero delle continue correnti circolanti dall'una all'altra batteria ed ovviamente questo porterebbe per via delle dispersioni energetiche al lento scaricamento di entrambe. Per contro, in caso di assorbimenti elevati, il fatto di poter prelevare corrente da entrambe le batterie stressa la metà ognuna di esse. Mi sembra di capire che i dispositivi di gestione delle batterie sopra citati possono tenere le batterie separate e metterle automaticamente in parallelo solo in caso di forte assorbimento, quindi sarebbe la condizione ideale, oppure no ? Ho letto molti post in questo forum ed in altri (anche di settori differenti), ed ho capito che sostanzialmente ci sono due scuole di pensiero opposte, c'è chi sostiente decisamente il parallelo secco e fisso e chi la separazione, MA IN NESSUNO DEI POST VIENE FORNITA UNA SPIEGAZIONE TECNICA sul motivo della propria opinione, che vada al di là della propria esperienza empirica. Se ci fosse qualcuno che mi potesse fornire delle spiegazioni, anche con indicazioni strettamente tecniche (credo di avere una discreta formazione tecnica per capire) mi aiuterebbe ad approfondire e comprendere meglio la questione. Grazie mille in anticipo Un caro saluto a tutti
...
Mah... ti dico la mia.

In parallelo fisso, eventuali correnti minime che peggiorano l'autoscarica sono annullate dal fotovoltaico ormai onnipresente, inoltre vengono dimezzate sia le correnti di prelievo che di ricarica, entrambi sono aspetti positivi, secondo le curve di prelievo raddoppiando i tempi di prelievo ho più Ah, diciamo 100Ah +100Ah=200Ah usate una per volta e 220Ah in parallelo fisso.
Mi spiego meglio, una per volta è valida la tabella in C20 (cioè scaricata in 20 ore), dimezzando la corrente, quindi a parità di carico, devo leggere la tabella delle Ah disponibili in C40.

Ora ti dico cosa penso di un commutatore manuale 1-0-2-both, indispensabile per fare manutenzione.
Con batterie separate le correnti di ricarica e di utilizzo sono doppie, entrambi sono aspetti negativi.
Ma quando vanno messe in parallelo due batterie?
Se le tensioni delle due batterie sono identiche il parallelo è inutile, se sono (molto) diverse il parallelo... brutale è inopportuno.

Mi fermo qui, al commutatore manuale...
Marco

http://www.m48.it


Modificato da Emme48 il 05/01/2025 alle 11:11:44
22
Giovanni
Giovanni
rating

28/08/2003 13323
Rispondi Abuso
Inserito il 05/01/2025 alle: 11:22:20
In risposta al messaggio di Mrkrouge del 05/01/2025 alle 10:23:23

Ciao a tutti, sto recentemente cercando di capire (più per interesse personale che altro), se su in impianto a doppia batteria, tipico dei camper, sia più efficiente dal punto di vista del mantenimento in salute delle
batterie, il collegamento in parallelo o l'utilizzo di dispositivi tipo iManager o Victron che ne permettono l'uso singolo alternato. Dagli studi di ingegneria ricordo che collegare due batterie in parallelo è sempre sconsigliato in quanto si crea un circuito chiuso tra di esse ed in caso di microdifferenze di tensione tra le due (normali nei vari cicli di carica e scarica) si avrebbero delle continue correnti circolanti dall'una all'altra batteria ed ovviamente questo porterebbe per via delle dispersioni energetiche al lento scaricamento di entrambe. Per contro, in caso di assorbimenti elevati, il fatto di poter prelevare corrente da entrambe le batterie stressa la metà ognuna di esse. Mi sembra di capire che i dispositivi di gestione delle batterie sopra citati possono tenere le batterie separate e metterle automaticamente in parallelo solo in caso di forte assorbimento, quindi sarebbe la condizione ideale, oppure no ? Ho letto molti post in questo forum ed in altri (anche di settori differenti), ed ho capito che sostanzialmente ci sono due scuole di pensiero opposte, c'è chi sostiente decisamente il parallelo secco e fisso e chi la separazione, MA IN NESSUNO DEI POST VIENE FORNITA UNA SPIEGAZIONE TECNICA sul motivo della propria opinione, che vada al di là della propria esperienza empirica. Se ci fosse qualcuno che mi potesse fornire delle spiegazioni, anche con indicazioni strettamente tecniche (credo di avere una discreta formazione tecnica per capire) mi aiuterebbe ad approfondire e comprendere meglio la questione. Grazie mille in anticipo Un caro saluto a tutti
...

E' verissimo, ci sono almeno tre (non solo due) scuole di pensiero: parallelo secco (della quale io ho fiducia), singola batteria e singola/parallelo.

Ho già motivato più volte il motivo della mia scelta di campo. Quello che dici sulle piccole correnti è vero... finché le tensioni non si equivalgono perché la corrente può circolare solo se c'è tensione e se la tensione si equivale fra le due batterie, non può esserci passaggio di corrente. E' anche vero che se una batteria comincia a perdere colpi per vetustà, anche l'altra, come età non starà meglio se il parallelo non è stato fatto tra una batteria ormai su con gli anni ed una nuova.

L'uso peggiore, secondo me, è il singolo/parallelo, cioè gestione singola e parallelo quando c'è presente un forte carico. Per me, opinione personale, questo dimostra l'inadeguatezza tecnica di chi ha inventato questo modo, a parte l'interesse economico nel vendere batterie ed oggetti luccicanti per le allodole. E' come avere due vasi semipieni, comunicanti posti su livelli diversi, con il tubo di collegamento intercettato fra i due. Quando c'è bisogno di molto liquido, si aprono i rubinetti dei due vasi più il rubinetto intermedio: che succede? Che il vaso superiore andrà contemporaneamente a travasarsi anche in parte su quello inferiore; quindi doppio lavoro per il vaso sovrastante,. ovvero batteria più carica.

L'uso delle due batterie, senza parallelo in caso di forti carichi, comporta stress alla singole batterie per carichi e scariche eccessive; quando metti in moto il motore, quella batteria riceverà forti correnti come sarà costretta a cedere correnti anche oltre il massimo sindacale, ovvero circa il 10% della potenza nominale espressa in amperora. Poi, essendo lo scambio legato alla tensione, ci sarà un continua connessione/sconnessione da una batteria all'altra.  

L'uso del parallelo secco evita tutti i lati negativi di cui sopra. Ma anche questo ha un suo lato negativo: quando una delle due muore, porta alla tomba anche l'altra. Bel guaio... Però, e c'è un però. Quand'è che una batteria muore? Le cause possono essere solo tre: la prima è la vecchiaia e questo negli altri casi di cui sopra è più evidente perché le batterie sono più sottoposte a lavori usuranti (maggiori correnti in carica e nei prelievi di corrente). La seconda causa è l'interruzione della serie degli elementi che compongono la batteria: qui non succede assolutamente nulla, la batteria diventa assente nel circuito. La terza è il corto che si può verificare fra due elementi adiacenti: è questo il caso in cui una batteria con questo problema porta alla morte anche quella sana. Ma cos'è che provoca il corto fra due elementi (o l'interruzione della serie)? Sono le condizioni d'uso della batteria ed è il maggiore sforzo (sempre carica e prelievi eccedenti il citato 10%) che provoca questi danni: il parallelo secco, riducendo a metà questi sforzi, riduce il rischio  a quasi a zero.

Non cito la mia esperienza personale che ho raccontato più volte per non essere ripetitivo oltre il sopportabile. Spero solo di aver chiarito le motivazioni che mi hanno fatto adottare la scuola del parallelo secco, rispettando ovviamente tutte le altre opinioni, pur non codividendole.

Giovanni
6
Szopen
Szopen
rating

06/09/2019 5999
Rispondi Abuso
Inserito il 05/01/2025 alle: 12:12:40
In risposta al messaggio di Mrkrouge del 05/01/2025 alle 10:23:23

Ciao a tutti, sto recentemente cercando di capire (più per interesse personale che altro), se su in impianto a doppia batteria, tipico dei camper, sia più efficiente dal punto di vista del mantenimento in salute delle
batterie, il collegamento in parallelo o l'utilizzo di dispositivi tipo iManager o Victron che ne permettono l'uso singolo alternato. Dagli studi di ingegneria ricordo che collegare due batterie in parallelo è sempre sconsigliato in quanto si crea un circuito chiuso tra di esse ed in caso di microdifferenze di tensione tra le due (normali nei vari cicli di carica e scarica) si avrebbero delle continue correnti circolanti dall'una all'altra batteria ed ovviamente questo porterebbe per via delle dispersioni energetiche al lento scaricamento di entrambe. Per contro, in caso di assorbimenti elevati, il fatto di poter prelevare corrente da entrambe le batterie stressa la metà ognuna di esse. Mi sembra di capire che i dispositivi di gestione delle batterie sopra citati possono tenere le batterie separate e metterle automaticamente in parallelo solo in caso di forte assorbimento, quindi sarebbe la condizione ideale, oppure no ? Ho letto molti post in questo forum ed in altri (anche di settori differenti), ed ho capito che sostanzialmente ci sono due scuole di pensiero opposte, c'è chi sostiente decisamente il parallelo secco e fisso e chi la separazione, MA IN NESSUNO DEI POST VIENE FORNITA UNA SPIEGAZIONE TECNICA sul motivo della propria opinione, che vada al di là della propria esperienza empirica. Se ci fosse qualcuno che mi potesse fornire delle spiegazioni, anche con indicazioni strettamente tecniche (credo di avere una discreta formazione tecnica per capire) mi aiuterebbe ad approfondire e comprendere meglio la questione. Grazie mille in anticipo Un caro saluto a tutti
...
Prova per un'attimo a lasciare perdere gli studi di ingegneria, mettiamo che hai un terreno dove hai un serbatoio per l'acqua da 1000 litri ma ora, ne necessitano 2000, che fai? O ne aggiungi un secondo a 1000 oppure, lo cambi con uno da 2000.

Per le batterie mi viene da dire piu o meno lo stesso, o ne colleghi una simile attaccatissima alla prima o la sostiuisci con una da 200Ah , in entrambi i casi hai una sorta di parallelo secco tra le celle.

Ciro.
nomade analogico e fanciulla all'imbrunire. Non ho nulla da vendere nè consigli da dare, solo qualche piccolo suggerimento da prendere con le pinze, possibilmente, amperometriche. Buoni Km a tutti e......... rammentate sempre che....... TESTAR NON NUOCE!

Modificato da Szopen il 05/01/2025 alle 12:13:27
17
masivo
masivo
rating

24/08/2008 15361
Rispondi Abuso
Inserito il 05/01/2025 alle: 12:25:11
In risposta al messaggio di Mrkrouge del 05/01/2025 alle 10:23:23

Ciao a tutti, sto recentemente cercando di capire (più per interesse personale che altro), se su in impianto a doppia batteria, tipico dei camper, sia più efficiente dal punto di vista del mantenimento in salute delle
batterie, il collegamento in parallelo o l'utilizzo di dispositivi tipo iManager o Victron che ne permettono l'uso singolo alternato. Dagli studi di ingegneria ricordo che collegare due batterie in parallelo è sempre sconsigliato in quanto si crea un circuito chiuso tra di esse ed in caso di microdifferenze di tensione tra le due (normali nei vari cicli di carica e scarica) si avrebbero delle continue correnti circolanti dall'una all'altra batteria ed ovviamente questo porterebbe per via delle dispersioni energetiche al lento scaricamento di entrambe. Per contro, in caso di assorbimenti elevati, il fatto di poter prelevare corrente da entrambe le batterie stressa la metà ognuna di esse. Mi sembra di capire che i dispositivi di gestione delle batterie sopra citati possono tenere le batterie separate e metterle automaticamente in parallelo solo in caso di forte assorbimento, quindi sarebbe la condizione ideale, oppure no ? Ho letto molti post in questo forum ed in altri (anche di settori differenti), ed ho capito che sostanzialmente ci sono due scuole di pensiero opposte, c'è chi sostiente decisamente il parallelo secco e fisso e chi la separazione, MA IN NESSUNO DEI POST VIENE FORNITA UNA SPIEGAZIONE TECNICA sul motivo della propria opinione, che vada al di là della propria esperienza empirica. Se ci fosse qualcuno che mi potesse fornire delle spiegazioni, anche con indicazioni strettamente tecniche (credo di avere una discreta formazione tecnica per capire) mi aiuterebbe ad approfondire e comprendere meglio la questione. Grazie mille in anticipo Un caro saluto a tutti
...
La scelta deve essere personale, ci sono pro e contro in entrambi i casi.

Spiego: io che ho il camper sotto casa, un controllo giornaliero delle batterie, un uso frequente del camper, ho il parallelo secco, ho messo pure la batteria motore in parallelo con le altre 2, con staccabatterie per controlli e scollegamento della BMotore, nei casi necessari.

Mio cugino, che tiene il camper senza controlli anche per mesi, ha montato un gestore, il vero rischio suo è il corto da evitare, poi in fin dei conti sono batterie, si sostituiscono, perché come Ti hanno spiegato, per l' utilizzo e' ovvio sia meglio il parallelo.
Ivo
Sala Silvergruva, la miniera d'argento
Sala Silvergruva, la miniera d'argento
Folgaria d’inverno in camper
Folgaria d’inverno in camper
Francia 2025
Francia 2025
Eksjo, la città di legno
Eksjo, la città di legno
Viaggio in Umbria e dintorni
Viaggio in Umbria e dintorni
Previous Next
5
Mrkrouge
Mrkrouge
20/12/2020 23
Rispondi Abuso
Inserito il 06/01/2025 alle: 09:30:03
Grazie a tutti per le preziose informazioni.
16
Apollo 13
Apollo 13
09/07/2009 3103
Rispondi Abuso
Inserito il 06/01/2025 alle: 12:02:23
> Mi sembra di capire che i dispositivi di gestione delle batterie sopra citati possono tenere le batterie separate e metterle automaticamente in parallelo solo in caso di forte assorbimento

Posseggo un CBS-180, il parallelo c'è sia in caso di carica che di scarica, le logiche non sono documentate.
Ci sono inoltre logiche per definire quale batteria sia quella in uso, come a volte ho l'impressione che designi una batteria alla carica ed una alla scarica per ridurre i cicli di carica, lo fa entro certi limiti, insomma dà l'idea che la BDS non abbia improvvisato un qualcosa solo per fare brutta figura.

Io non ti consiglio di "lasciare perdere gli studi di ingegneria", a meno che chi te lo dice sia qualcuno che ne sa molto più di te a riguardo. Ho letto anche io di produttori di batterie che sconsigliano il parallelo secco, mai nessuno però a sconsigliato gli appositi gestori delle batterie.

Quello che ho capito è non si possono trattare le batterie come due bicchieri d'acqua poiché funzionano con logiche totalmente diverse e nessuno a mai sentito parlare di curva di ricarica di un bicchiere o di cicli di carica-scarica o a mai pensato che collegare un serbatoio pieno d'acqua ad uno vuoto provochi un effetto Joule rischiando di rompere il tubo di collegamento e spaccare entrambi i serbatoi.

Come fai notare, potrebbe crearsi una corrente tra le due batterie (quanta dipende dallo stato di salute di queste), il pannello solare può ovviare a questo problema solo quando c'è sufficiente sole, ma di notte si scaricherebbero comunque entrambe. Se poi una si rompe andando a 10v, la stessa sorte toccherà all'altra.
Se hai il BDS, tutta questa gestione è automatica e la batteria guasta è automaticamente esclusa.

Mi spiace, la mia non è una spiegazione tecnica, ma credo che tu ne sappia più di me, spero di averti dato qualche indizio su cui ragionare.

Nota: I gestori automatici funzionano anche in manuale.
Lo stolto non sa tacere
21
Laikone
Laikone
rating

31/03/2004 19597
Rispondi Abuso
Inserito il 07/01/2025 alle: 15:46:46
In risposta al messaggio di Mrkrouge del 05/01/2025 alle 10:23:23

Ciao a tutti, sto recentemente cercando di capire (più per interesse personale che altro), se su in impianto a doppia batteria, tipico dei camper, sia più efficiente dal punto di vista del mantenimento in salute delle
batterie, il collegamento in parallelo o l'utilizzo di dispositivi tipo iManager o Victron che ne permettono l'uso singolo alternato. Dagli studi di ingegneria ricordo che collegare due batterie in parallelo è sempre sconsigliato in quanto si crea un circuito chiuso tra di esse ed in caso di microdifferenze di tensione tra le due (normali nei vari cicli di carica e scarica) si avrebbero delle continue correnti circolanti dall'una all'altra batteria ed ovviamente questo porterebbe per via delle dispersioni energetiche al lento scaricamento di entrambe. Per contro, in caso di assorbimenti elevati, il fatto di poter prelevare corrente da entrambe le batterie stressa la metà ognuna di esse. Mi sembra di capire che i dispositivi di gestione delle batterie sopra citati possono tenere le batterie separate e metterle automaticamente in parallelo solo in caso di forte assorbimento, quindi sarebbe la condizione ideale, oppure no ? Ho letto molti post in questo forum ed in altri (anche di settori differenti), ed ho capito che sostanzialmente ci sono due scuole di pensiero opposte, c'è chi sostiente decisamente il parallelo secco e fisso e chi la separazione, MA IN NESSUNO DEI POST VIENE FORNITA UNA SPIEGAZIONE TECNICA sul motivo della propria opinione, che vada al di là della propria esperienza empirica. Se ci fosse qualcuno che mi potesse fornire delle spiegazioni, anche con indicazioni strettamente tecniche (credo di avere una discreta formazione tecnica per capire) mi aiuterebbe ad approfondire e comprendere meglio la questione. Grazie mille in anticipo Un caro saluto a tutti
...
La risposta tecnica che cerchi è già contenuta nel tuo post, ovvero è sempre meglio NON mettere in parallelo le batterie se diverse, ma nel caso ecco spiegato il motivo dell'introduzione dei commutatori automatici, sia il BDS o Imanager del caso. 

Io mi sono da sempre affidato ai costruttori di batterie e così facendo è sempre andato tutto bene...

Cosa fare a tal proposito... 
Se in questo preciso istante vuoi montare la seconda batteria avendone già una utilizzata per qualche anno sarebbe opportuno montare un commutatore, questo per evitare quei passaggi di corrente che nel tempo porteranno a degradare più in fretta la batteria nuova rispetto a quanto avrebbe fatto rimanendo da sola o con il commutatore montato. 

In questi casi i miei consigli sono:
1) se sei riuscito ad andare avanti fino ad ora con UNA SOLA batteria vai avanti così fino a quando la batteria non sarà da cambiare, a quel punto potrai acquistare 2 batterie uguali e metterle in parallelo diretto senza acquistare il commutatore.

2) se vuoi ad ogni costo aggiungere immediatamente una batteria a quella esistente lo puoi fare, essendo conscio però del fatto che quel pacco di batterie non offrirà le prestazioni massime che sarebbe in grado di dare, ricordando anche il veloce degrado della batteria nuova...

3) monti un commutatore che ha un costo di circa 200€ + almeno altrettanti per una batteria; questo salva capra e cavoli, ma ti fa spendere il doppio dei soldi, ma ti offre in aggiunta le frivolezze che il camperista medio cerca, ovvero il controllo di carica/scarica dell'energia ecc. ecc. tutte cose che non sono altro che un vezzo e nulla di più; tanto, se le batterie sono scariche non sarà certo un numero sul display a provvedere alla ricarica... 

Se sei un buon camperista conosci il tuo mezzo, se hai un buon impianto, inteso come pacco batterie e gestione dei consumi non avrai mai bisogno di essere lì a controllare i numerini che tanto piacciono e che, in rimessaggio, seppur piano piano tenderanno a scaricarti anche se di poco le batterie a lui stesso collegate. 

L'unico rischio che effettivamente c'è nel parallelo diretto è che se una delle due batterie dovesse rompersi (corto) si porterebbe dietro anche l'altra... ma è altrettanto vero che SE acquisti due buone batterie AGM, la possibilità che queste vadano in corto sono ridottissime. Io ormai sono parecchi anni che le ho in parallelo e non ho mai avuto alcun problema...
L'iperlessia e l'analfabetismo funzionale sono una piaga sociale
5
Mrkrouge
Mrkrouge
20/12/2020 23
Rispondi Abuso
Inserito il 08/01/2025 alle: 08:23:30
Sul mio camper ho due AGM 100 in parallelo secco fin dall'acquisto, come ho scritto, la mia era più una curiosità di approfondire la comprensione del comportamento e dei vantaggi e svantaggi delle varie configurazioni, puramente a scopo informativo.

Grazie a tutti, sempre gentili e disponibili.
20
Emme48
Emme48
rating

13/01/2006 24511
Rispondi Abuso
Inserito il 08/01/2025 alle: 08:56:22
In risposta al messaggio di Mrkrouge del 08/01/2025 alle 08:23:30

Sul mio camper ho due AGM 100 in parallelo secco fin dall'acquisto, come ho scritto, la mia era più una curiosità di approfondire la comprensione del comportamento e dei vantaggi e svantaggi delle varie configurazioni, puramente a scopo informativo. Grazie a tutti, sempre gentili e disponibili.
Un elemento in corto su una AGM è un evento estremamente improbabile, e nel caso succedesse quella batteria avrebbe 5 elementi da almeno 2,2 Volt ciascuno,  cioè 11 Volt in tutto, l'altra batteria in parallelo si scaricherebbe ma non si romperebbe.

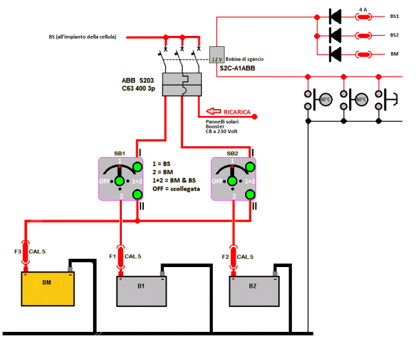
Per tua curiosità ecco come ho fatto io:
Power%2520-%2520Batterie%5B1%5D(2).png
Una o entrambe le AGM (Zenith ZLM120075) possono affiancare o sostituire la BM con cablaggi da 35 mmq, il parallelo per le utenze avviene tramite un magnetotermico adatto alla CC che oltre a scattare autonomamente per sovracorrenti, è abbinato ad una "bobina di sgancio" che scollega tutto quanto a fronte di eventi gestiti da circuiteria esterna.
Sovratemperatura (6 sensori), sovratensione della BS, ecc...
Marco

http://www.m48.it

22
Giovanni
Giovanni
rating

28/08/2003 13323
Rispondi Abuso
Inserito il 08/01/2025 alle: 11:51:20
In risposta al messaggio di Apollo 13 del 06/01/2025 alle 12:02:23

> Mi sembra di capire che i dispositivi di gestione delle batterie sopra citati possono tenere le batterie separate e metterle automaticamente in parallelo solo in caso di forte assorbimento Posseggo un CBS-180, il parallelo
c'è sia in caso di carica che di scarica, le logiche non sono documentate. Ci sono inoltre logiche per definire quale batteria sia quella in uso, come a volte ho l'impressione che designi una batteria alla carica ed una alla scarica per ridurre i cicli di carica, lo fa entro certi limiti, insomma dà l'idea che la BDS non abbia improvvisato un qualcosa solo per fare brutta figura. Io non ti consiglio di lasciare perdere gli studi di ingegneria, a meno che chi te lo dice sia qualcuno che ne sa molto più di te a riguardo. Ho letto anche io di produttori di batterie che sconsigliano il parallelo secco, mai nessuno però a sconsigliato gli appositi gestori delle batterie. Quello che ho capito è non si possono trattare le batterie come due bicchieri d'acqua poiché funzionano con logiche totalmente diverse e nessuno a mai sentito parlare di curva di ricarica di un bicchiere o di cicli di carica-scarica o a mai pensato che collegare un serbatoio pieno d'acqua ad uno vuoto provochi un effetto Joule rischiando di rompere il tubo di collegamento e spaccare entrambi i serbatoi. Come fai notare, potrebbe crearsi una corrente tra le due batterie (quanta dipende dallo stato di salute di queste), il pannello solare può ovviare a questo problema solo quando c'è sufficiente sole, ma di notte si scaricherebbero comunque entrambe. Se poi una si rompe andando a 10v, la stessa sorte toccherà all'altra. Se hai il BDS, tutta questa gestione è automatica e la batteria guasta è automaticamente esclusa. Mi spiace, la mia non è una spiegazione tecnica, ma credo che tu ne sappia più di me, spero di averti dato qualche indizio su cui ragionare. Nota: I gestori automatici funzionano anche in manuale.
...

Hai scritto:
Quello che ho capito è non si possono trattare le batterie come due bicchieri d'acqua poiché funzionano con logiche totalmente diverse e nessuno a mai sentito parlare di curva di ricarica di un bicchiere o di cicli di carica-scarica o a mai pensato che collegare un serbatoio pieno d'acqua ad uno vuoto provochi un effetto Joule rischiando di rompere il tubo di collegamento e spaccare entrambi i serbatoi.

Capisco che per divergenze di opinione su altro argomento si abbia la necessità comunque di confutare tutto. Da quando Volta fece i primi esperimenti sulle rane, ogni libro che parli di elettricità al popolo porta l'esempio pratico dell'acqua; sorgenti, contenitori, flussi, vasi comunicanti e così via. Questo perché la corrente elettrica e la tensione elettrica non si vedono e l'unico modo per renderle comprensibili è l'esempio con l'acqua che, ovviamente, non è soggetta all'effetto Joule. Questi esempi con l'acqua servono a spiegare al chi non ne capisce un'acca dell'argomento; non significa mettere o non mettere l'acca a destra ed a manca. Sarebbe interessante anche parlare di nodi (di distribuzione) ma si dovrebbe sempre ricorrere all'acqua per illustrare l'argomento al popolo.

Il mio primo camper fu immatricolato nel 1994 ed aveva, di serie, una batteria motore (non ricordo potenza e marchio) ed una batteria servizi da 80Ah ad acido libero. Io lo acquistai usato nel 1996 e nel 1998 (o 1999) ci misi in parallelo secco una batteria nuova, di altra marca (da supermercato) da 100Ah. Nel 2007 comprai il camper nuovo e quello lo tenni per i figli e nel 2013, camper ormai praticamente fermo da qualche anno (uno o due uscite all'anno), trovai tutte tre le batterie morte; la batteria motore era sotto carica tramite diodo più resistenza e tutto l'insieme sotto la carica di un pannello fotovoltaico da 100watt. Quindi due batterie (motore e l'originale dei servizi) vissero assieme per 19 anni; la seconda batteria servizi per 14 anni. Avrei potuto fare l'autopsia alle tre batterie per verificare quale era morta e la causa e, con la sua morte, portato a fine vita le altre due. Quel camper, nel 2013 aveva 211.000 chilometri ma 6 anni prima era già a 194.000 km. Quindi avevano viaggiato abbastanza e solo quando i viaggi son finiti, son finite anche le batterie.

Giovanni
7
ildrago
ildrago
19/11/2018 200
Rispondi Abuso
Inserito il 27/01/2026 alle: 14:42:23
In risposta al messaggio di Giovanni del 08/01/2025 alle 11:51:20

Hai scritto: Quello che ho capito è non si possono trattare le batterie come due bicchieri d'acqua poiché funzionano con logiche totalmente diverse e nessuno a mai sentito parlare di curva di ricarica di un bicchiere o
di cicli di carica-scarica o a mai pensato che collegare un serbatoio pieno d'acqua ad uno vuoto provochi un effetto Joule rischiando di rompere il tubo di collegamento e spaccare entrambi i serbatoi. Capisco che per divergenze di opinione su altro argomento si abbia la necessità comunque di confutare tutto. Da quando Volta fece i primi esperimenti sulle rane, ogni libro che parli di elettricità al popolo porta l'esempio pratico dell'acqua; sorgenti, contenitori, flussi, vasi comunicanti e così via. Questo perché la corrente elettrica e la tensione elettrica non si vedono e l'unico modo per renderle comprensibili è l'esempio con l'acqua che, ovviamente, non è soggetta all'effetto Joule. Questi esempi con l'acqua servono a spiegare al chi non ne capisce un'acca dell'argomento; non significa mettere o non mettere l'acca a destra ed a manca. Sarebbe interessante anche parlare di nodi (di distribuzione) ma si dovrebbe sempre ricorrere all'acqua per illustrare l'argomento al popolo. Il mio primo camper fu immatricolato nel 1994 ed aveva, di serie, una batteria motore (non ricordo potenza e marchio) ed una batteria servizi da 80Ah ad acido libero. Io lo acquistai usato nel 1996 e nel 1998 (o 1999) ci misi in parallelo secco una batteria nuova, di altra marca (da supermercato) da 100Ah. Nel 2007 comprai il camper nuovo e quello lo tenni per i figli e nel 2013, camper ormai praticamente fermo da qualche anno (uno o due uscite all'anno), trovai tutte tre le batterie morte; la batteria motore era sotto carica tramite diodo più resistenza e tutto l'insieme sotto la carica di un pannello fotovoltaico da 100watt. Quindi due batterie (motore e l'originale dei servizi) vissero assieme per 19 anni; la seconda batteria servizi per 14 anni. Avrei potuto fare l'autopsia alle tre batterie per verificare quale era morta e la causa e, con la sua morte, portato a fine vita le altre due. Quel camper, nel 2013 aveva 211.000 chilometri ma 6 anni prima era già a 194.000 km. Quindi avevano viaggiato abbastanza e solo quando i viaggi son finiti, son finite anche le batterie. Giovanni
...
Salve, posseggo 2 batterie stessa marca 12V 100AH AGM C/20 stesso anno di produzione e resistenza interna leggermente diversa parlo di 0,6 mOHM, vorrei collegarle in parallelo senza fusibili ma con solo 2 cavi uno per il pos e uno per il neg.
Considerando che il massimo prelievo di corrente sono 45w con inverter, che rischi ci potrebbero essere?
L'unica cosa che mi frena è che leggendo in rete si parla  di incendi esplosioni ecc ecc.
Mi fa riflettere la cosa che viene fatta al momento dell'accensione del camper quando il relè parallelatore mette in parallelo la batteria motore(modello da avviamento) con quella servizi(AGM C/20) che hanno al momento del parallelo tensioni molto diverse, perchè questo tipo di parallelo non crea problemi.
Ringrazio tutti coloro che mi aiutano a capire il miglior e sicuro modo per il collegamento in parallelo.
Argomenti recenti dal forum
Accessori
Waeco cruiscontroll Ms 900
Chi lo ha montato su ducato 3000cc del 2010 mi spiega come funziona ...
flavius67
Ieri alle: 21:12
Accessori
Impianto 13 poli gancio traino schema
Ciao a tutti, Dubito di risolvere, ma la community qui é numerosa e ...
maaaxxx
Ieri alle: 18:27
Meccanica
Un aiutino da casa x Crossclimate
Mi sono un po perso sulle pressioni corrette , il mezzo è su Ducato ...
dadamazz
Ieri alle: 18:05
Aree di sosta e campeggi
Area sosta sul lago di Barcis
Ciao a tutti , qualcuno è stato a Pasqua nell'area sosta camper a Ba...
diabolik
Ieri alle: 16:14
Accessori
Interpretare smartshunt
Buongiorno, nel cammin di mezza via . . . Mi ritrovo con 2 BS 110AH ...
isauri
Ieri alle: 15:21
Accessori
monitoraggio pressione pneumatici
Buongiorno a tutti, volevo chiedere se qualcuno ha montato un TPMS d...
Walter62
Ieri alle: 14:11
Aree di sosta e campeggi
Area sosta a primaluna LECCO
Buongiorno chiedo x piacere,,qualcuno e stato recentemente all,area ...
giuvanella
Ieri alle: 13:26
Cellula abitativa
Cavi dietro sedile lato passeggero ducato 244
Buongiorno a tutti, sul mio ducato 244 esce dietro il sedile una lin...
CamperistaPN
Ieri alle: 08:55
In camper per
Studio di settore sulle aree camper
Buona sera a tutti Sono qua a chiedere qualche minuto del vostro tem...
kettyke
14/03/26 - 23:02
Meccanica
Arca america 2024
Buonasera a tutti, vorrei capire se il camper in oggetto può già ave...
Adocaro
14/03/26 - 19:14
Cellula abitativa
motorhome hymer 2003 non carica bs
Buongiorno a tutti, ho un problema e spero nel Vostro aiuto. Attacc...
salva56
14/03/26 - 14:29
Viaggi in Italia
Ciclabili Verona est
Abbiamo letto la pagina web dell'agricamping Oro verde a Verona. Sap...
rlui
14/03/26 - 14:28
Accessori
Installazione retrocamera posteriore
Ciao a tutti, ho acquistato un Krunia Schermo Portatile 8'' per Appl...
Karbon17
14/03/26 - 10:10
Cellula abitativa
Mercedes Viano Marco Polo allestito Westfalia
Buongiorno a tutti, per il mio Viano Marco Polo allestito Westfalia ...
Salo
14/03/26 - 09:31
Meccanica
Fanale opacizzato
Ciao, ho un Ducato i cui fanali anteriori sono opacizzati. Quest'ann...
Maiamaia4
14/03/26 - 08:35
22
Giovanni
Giovanni
rating

28/08/2003 13323
Rispondi Abuso
Inserito il 28/01/2026 alle: 08:48:46
In risposta al messaggio di ildrago del 27/01/2026 alle 14:42:23

Salve, posseggo 2 batterie stessa marca 12V 100AH AGM C/20 stesso anno di produzione e resistenza interna leggermente diversa parlo di 0,6 mOHM, vorrei collegarle in parallelo senza fusibili ma con solo 2 cavi uno per il
pos e uno per il neg. Considerando che il massimo prelievo di corrente sono 45w con inverter, che rischi ci potrebbero essere? L'unica cosa che mi frena è che leggendo in rete si parla  di incendi esplosioni ecc ecc. Mi fa riflettere la cosa che viene fatta al momento dell'accensione del camper quando il relè parallelatore mette in parallelo la batteria motore(modello da avviamento) con quella servizi(AGM C/20) che hanno al momento del parallelo tensioni molto diverse, perchè questo tipo di parallelo non crea problemi. Ringrazio tutti coloro che mi aiutano a capire il miglior e sicuro modo per il collegamento in parallelo.
...

Prima di tutto penso tu stia parlando di 45 A e non 45 watt perché la differenza sarebbe enorme. Se temi problemi al momento della messa in moto quando la batteria motore viene messa in parallelo con la batteria servizi, di norma, in quel momento, la tensione della batteria motore è inferiore alla tensione della batteria servizi. 

Se, poi, temi pure incendi per aver messo due batterie in parallelo,  il coso elettronico e miracoloso che alcuni prospettano come la soluzione ideale (scambiatore automatico) le mette in parallelo in caso di forti assorbimenti, quando una è carica ed una è scarica.

La mia opinione, come ho già scritto ed ampliamente illustrato in questa discussione, è che la soluzione migliore sia il parallelo secco.

Colleghi i due positivi ed i due negativi con cavi di almeno 6 mmq e buonanotte al secchio. Io le ho in parallelo con una copia di cavi da 4 mmq per avere un conduttore migliore sotto l'aspetto della manovrabilità (meno rigido). Se sono vicine, niente fusibili; se sono lontano ed il conduttore positivo a rischio di sfregamenti o schiacciamenti, due fusibili da 50A ognuno vicinissimo al positivo delle due batterie. Quel conduttore è controalimentato (12v da ambo i lati) per cui necessita di una protezione da ambo i lati.

Giovanni
20
riccardo23
riccardo23
03/01/2006 154
Rispondi Abuso
Inserito il 31/01/2026 alle: 11:38:33
Nel rinnovare l'impianto elettrico del camper ho fatto installare i-manager nds e due agm da 120A sempre nds.
Quando il camper è fermo sotto casa (al coperto ma il pannello di giorno arriva anche a generare 1,5A/hr) lascio i-manager in automatico e le batterie sono mantenute in carica, idem la batteria motore.

Quando esco, imposto con i-manager le batterie in parallelo in modo da dimezzare gli assorbimenti di ciascuna batteria. Con il frigo a compressore e in libera i-manager passa da una batteria all'altra ogni 15-20 minuti circa. Ogni due giorni rimetto per qualche ora i-manager in manuale per verificare eventuali malfunzionamenti degli accumulatori. In estate faccio anche 30 giorni senza mai usare il cavo e il pannello basta e avanza per i miei consumi.
SostaGruppiCompagniItaliaEsteroMarchiMeccanicaCellulaAccessoriEventiLeggiComportamentiDisabiliIn camper perAltro CamperAltroExtra
167k Facebook
343k Instagram
42,6k TikTok
73,3k Youtube
CamperOnLine - Copyright © 1998-2026 - P.Iva 06953990014
Informativa privacy
Loading...

Accedi

Recupera Password
Nuovo utente

Vuoi eliminare il messaggio?

Sottoscrizione

Anteprima

PREFERENZA

Il messaggio è in fase di inserimento.

loading

CamperOnLine

Buongiorno gentile utente,

da oltre 20 anni Camperonline offre gratuitamente tutti i suoi servizi
grazie agli inserzionisti che ci hanno dato la loro fiducia, permettici di continuare il nostro lavoro disattivando il blocco delle pubblicità.

Grazie della collaborazione.

Azione eseguita con successo

Azione Fallita

Condividi

Condividi questa pagina con:

O copia il link