CamperOnLine
  • Camper
    • Camper usati
    • Camper nuovi
    • Produttori
    • Listino
    • Cataloghi
    • Concessionari e rete vendita
    • Noleggio
    • Van
    • Caravan
    • Fiere
    • Rimessaggi
    • Le prove di CamperOnLine
    • Provati da voi
    • Primo acquisto
    • Area professionisti
  • Accessori
    • Accessori e Prodotti
    • Camping Sport Magenta accessori
    • Produttori
    • Antenne TV
    • Ammortizzatori
    • GPS
    • Pneumatici
    • Rimorchi
    • Provati da Voi
    • Fai da te
  • Viaggi
    • Diari di viaggi in camper
    • Eventi
    • Foto
    • Check list
    • Traghetti
    • Trasporti
  • Sosta
    • Cerca Strutture
    • Sosta
    • Aree sosta camper
    • Campeggi
    • Agriturismi con sosta camper
    • App Camperonline App
    • 10 Consigli utili per la sosta
    • Area strutture
  • Forum
    • Tutti i Forum
    • Sosta
    • Gruppi
    • Compagni
    • Italia
    • Estero
    • Marchi
    • Meccanica
    • Cellula
    • Accessori
    • Eventi
    • Leggi
    • Comportamenti
    • Disabili
    • In camper per
    • Altro Camper
    • Altro
    • Extra
    • FAQ
    • Regolamento
    • Attivi
    • Preferiti
    • Cerca
  • Community
    • COL
    • CamperOnFest
    • Convenzioni Convenzioni
    • Amici
    • Furti
    • Informativa Privacy
    • Lavoro
  • COL
    • News
    • Newsletter
    • Pubblicità
    • Contatto
    • Ora
    • RSS RSS
    • Video
    • Facebook
    • Instagram
  • Magazine
  • Italiano
    • Bienvenue
    • Welcome
    • Willkommen
  • Accedi
CamperOnLine
Camping Sport Magenta
  1. Forum
  2. Tecnica
  3. Accessori
Galleria

Fotovoltaico e stacca batterie

Rispondi
Cerca
Berger Camping
SostaGruppiCompagniItaliaEsteroMarchiMeccanicaCellulaAccessoriEventiLeggiComportamentiDisabiliIn camper perAltro CamperAltroExtra Attivi
1 20 6
8
ziribega
ziribega
06/11/2017 49
Rispondi Abuso
Inserito il 06/11/2017 alle: 17:09:21
Vorrei installare un pannello fv sul mio camper.
per motivi di spazio ho scelto un pannello da 100W 12V Policristallino
al quale collegherei il regolatore di carica MPPT 10A 12/24V 100VOC EP Solar Tracer-A con display LCD
Il mio camper utilizza un  ENERGY POWER Electronic Booster (marca NCA) + Dual Battery Switch (sempre NCA)
Quest'ultimo gestisce due batterie di servizio NDS Green Power AGM da 100 Ah
mentre un parallelatore (CBE) è collegato alla batteria Motore da 100 Ah.
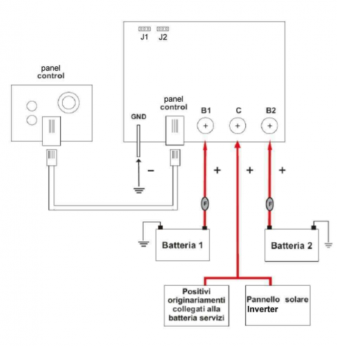
Mi avrebbero indicato di collegare il regolatore di carica al polo C del dual Battery switch come indicato anche nello schema seguente:
2017_11_06_16_03_021.png
Veniamo ai miei dubbi e alle conseguenti domande.
Mi hanno detto che non si possono staccare le batterie se prima non si scollega il pannello FV, è vero? Lo chiedo perchè, quando non lo uso, il camper è al coperto e quindi, per non scaricarle, stacco le batterie. Nell'ipotesi che dimentichi di attaccarle prima di uscire dal garage, rischio di bruciare il regolatore?
Avete qualche suggerimento?
ringrazio
ziribega
22
Giovanni
Giovanni
rating

28/08/2003 13367
Rispondi Abuso
Inserito il 06/11/2017 alle: 19:14:08

Vedo che non ami molto le tue batterie, ma questa è solo una mia opinione personale. Ci sono regolatori di carica che per attivarsi devono essere prima collegati alla batteria e, poi, al pannello. Questo lo si vede sulle istruzioni per il montaggio.

Come vorresti fare, nel caso il regolatore si attivasse anche senza batterie collegate e dimenticassi di collegare le batterie, la tensione fornita dal pannello fotovoltaico non sarebbe tamponata dalle batterie per cui agli eventuali apparecchi collegati potrebbero accadere degli inconvenienti; dallo schema risulta che, con batterie scollegate, l'impianto interno resta alimentato dal pannello fotovoltaico.

Di più non saprei dirti; il tuo impianto è troppo complesso per le mie possibilità intellettive. Tradotto: troppi cosi inutili.

Giovanni
8
ziribega
ziribega
06/11/2017 49
Rispondi Abuso
Inserito il 06/11/2017 alle: 19:45:54
Per quale motivo dici che non amo molto le mie batterie? Di solito mi durano tra i cinque e i sette anni (spero anche di più).
L'ultima che ho sostituito viene dal camper che possedevo in precedenza.

Comunque:
l'Energy Power è un carica batterie “switching”che mi consente di diminuire i tempi e ottimizzare la ricarica applicando ai capi della batteria una tensione di 14,6V stabilizzata, anche con tensioni di Batteria Motore insufficienti, ma può essere utilizzato per ricaricare una batteria alla volta da max 120Ah.
Quindi viene montato insieme al “Dual Battery Switch” in modo da ripartire la corrente di carica alternativamente tra le due batterie e mantenerla sotto la soglia di sicurezza.
Le batterie si possono staccare o meno agendo su un pulsante che elettronicamente stacca le batterie.
Infine il parallelatore è stato messo perchè l'alimentatore montato sul Laika Kreos3003 purtroppo con l'alimentazione 220 non carica la batteria motore.
Ho questo camper da sei anni e vorrei montare il pannello solo per una maggiore tranquillità.
ziribega
22
Giovanni
Giovanni
rating

28/08/2003 13367
Rispondi Abuso
Inserito il 07/11/2017 alle: 07:36:24
In risposta al messaggio di ziribega del 06/11/2017 alle 19:45:54

Per quale motivo dici che non amo molto le mie batterie? Di solito mi durano tra i cinque e i sette anni (spero anche di più). L'ultima che ho sostituito viene dal camper che possedevo in precedenza. Comunque: l'Energy
Power è un carica batterie “switching”che mi consente di diminuire i tempi e ottimizzare la ricarica applicando ai capi della batteria una tensione di 14,6V stabilizzata, anche con tensioni di Batteria Motore insufficienti, ma può essere utilizzato per ricaricare una batteria alla volta da max 120Ah. Quindi viene montato insieme al “Dual Battery Switch” in modo da ripartire la corrente di carica alternativamente tra le due batterie e mantenerla sotto la soglia di sicurezza. Le batterie si possono staccare o meno agendo su un pulsante che elettronicamente stacca le batterie. Infine il parallelatore è stato messo perchè l'alimentatore montato sul Laika Kreos3003 purtroppo con l'alimentazione 220 non carica la batteria motore. Ho questo camper da sei anni e vorrei montare il pannello solo per una maggiore tranquillità.
...

So cosa fanno quei cosi di cui parli: il loro scopo principale è favorire l'andamento economico dell'azienda che li produce, del rivenditore e dell'installatore. Poi, se in inverno, la batteria motore non viene mai caricata dal pannello fotovoltaico non è colpa di chi li produce, vende ed installa ma è colpa del sole che non è puntuale tutti i giorni.

Infatti mi confermi che non ami le tue batterie: se due batterie servizi ti durano solo cinque o se anni, non pensi che qualche cosa che non va ci sia? Ovviamente queste sono mie considerazioni personali, quindi lecitamente opinabili.

Giovanni
 
20
Emme48
Emme48
rating

13/01/2006 24576
Rispondi Abuso
Inserito il 07/11/2017 alle: 12:29:05
Anche io ho un Energy Powe Evolution che ricarica le batterie in viaggio.
Poi ho un pannello spolicristallino che le ricarica entrambe che sono collegate in parallelo diretto ed inoltre un diodo+resistenza (

http://www.m48.it/diodoresisten...

)  mantiene carica e "in forma" anche la BM.
Questa configurazione funziona bene e risponde ai dettami dell'elettrotecnica di base ed è anche quella cghe costa meno.

Che devi usare una batteria alla volta quale elettronico o elettrotecnico disinteressato te lo ha detto?

Marco.
Marco

http://www.m48.it

Le statue di legno di Kivijärvi
Le statue di legno di Kivijärvi
Napoli & Caserta in camper
Napoli & Caserta in camper
Natale 2025 in centro Italia
Natale 2025 in centro Italia
Asturia, Cantabria e Paesi Baschi in cam
Asturia, Cantabria e Paesi Baschi in cam
Sala Silvergruva, la miniera d'argento
Sala Silvergruva, la miniera d'argento
Previous Next
8
ziribega
ziribega
06/11/2017 49
Rispondi Abuso
Inserito il 07/11/2017 alle: 14:19:10
In risposta al messaggio di Emme48 del 07/11/2017 alle 12:29:05

Anche io ho un Energy Powe Evolution che ricarica le batterie in viaggio. Poi ho un pannello spolicristallino che le ricarica entrambe che sono collegate in parallelo diretto ed inoltre un diodo+resistenza ( )  mantiene
carica e in forma anche la BM. Questa configurazione funziona bene e risponde ai dettami dell'elettrotecnica di base ed è anche quella cghe costa meno. Che devi usare una batteria alla volta quale elettronico o elettrotecnico disinteressato te lo ha detto? Marco.
...
Ho scritto che ricarico una batteria alla volta alternativamente, e anche per il consumo, uso una batteria alla volta fino a che richiedendo più energia, oppure quando si scende sotto una certa soglia, in automatico vengono messe in parallelo. no ho scritto che uso sempre una batteria alla volta
Quando sosto per due giorni e  due notti, magari di inverno, poi riparto, caricando una batteria alla volta solitamente supero i 25A (14,5V) e dopo un po' che viaggio il sistema va in protezione e esclude il PE caricando a 13,6V 13A per un po'. Poi quando la o le batterie si sono un po' caricate e l'assorbimento rientra nei 18 A circa riparte il PE.
La BM preferisco tenerla indipendente se non per la carica per la quale  uso un parallelatore.
ziribega
22
Giovanni
Giovanni
rating

28/08/2003 13367
Rispondi Abuso
Inserito il 07/11/2017 alle: 15:05:55
Hai scritto:
uso una batteria alla volta fino a che richiedendo più energia, oppure quando si scende sotto una certa soglia, in automatico vengono messe in parallelo. no ho scritto che uso sempre una batteria alla volta

Ottimo: mettere in parallelo due batterie con tensioni diverse è una man santa.  

Giovanni
SostaGruppiCompagniItaliaEsteroMarchiMeccanicaCellulaAccessoriEventiLeggiComportamentiDisabiliIn camper perAltro CamperAltroExtra Attivi
Argomenti recenti dal forum
Meccanica
Motore Ford 2200cdi 100cv
Buongiorno a tutti, sto acquistando un camper del 2007 semintegrale, allestimento MC Louis...
FM79
30 minuti fa
Altro sui camper
Sabotaggio?
Ultimamente ho la sensazione che gli interventi sul forum siano diminuiti. I messaggi dell...
Giovanni
Ieri alle: 16:52
Meccanica
Aiuto ducato 230 anno 2000
Ho subito un danno al vano motore dove un gatto rimasto intrappolato ha strappato alcuni f...
antonio867
Ieri alle: 16:26
Cellula abitativa
Specchio retrovisore e remis ducato 8
Ciao a tutti, come da titolo sul mio van su Ducato 2025 non ho lo specchio retrovisore, ma...
volvo960
Ieri alle: 16:20
Accessori
copricerchi hymer b544 anno 1997
Ciao sto cercando senza fortuna i copricerchi quelli argentati e bombati per intenderci sa...
suoz
Ieri alle: 16:07
Cellula abitativa
Letti gemelli basculanti su Chausson 630 Welcome
Salve il mio camper è dotato di due letti gemelli basculanti che si abbassano e una person...
ernesto24
Ieri alle: 14:17
Accessori
Il frigo mi ha abbandonato...lo cambio?
Dopo poco più di 8 anni di onorato servizio, il mio Vitrifrigo a compressore mi ha abbando...
sport15
08/04/26 - 23:00
Cellula abitativa
Frigo 12v non friga!
Ciao a tutti, il mio frigo Dometic rm 7405l 90 litri su laika 595xr del 2009, quando vado ...
camperdavide
08/04/26 - 21:58
Meccanica
Ammortizzatori per Fiat Ducato x244
ciao a tutti… ho cercato e spulciato ma non trovo nulla di preciso… voglio cambiare ammort...
camperinosol...
08/04/26 - 18:08
Accessori
Dove trovo ricambi Remifront?
Buonasera, durante il tragitto di ritorno da Amsterdam a gennaio mi si è rotto un pezzo d...
camperistadoc
08/04/26 - 17:27
Accessori
Problemi Eberspacher Airtonic D2 - Mini Controller
Ciao a tutti, Sono nuovo sul forum, volevo chiedere se a qualcuno fosse già successo il mi...
LuCaffa
08/04/26 - 15:21
Cellula abitativa
Problema con 220V, salta interruttore diferenziale
Salve a tutti Sto riscontrando un problema random, si manifesta senza nessuna causa appare...
Motociclista77
08/04/26 - 12:20
167k Facebook
343k Instagram
42,6k TikTok
73,3k Youtube
CamperOnLine - Copyright © 1998-2026 - P.Iva 06953990014
Informativa privacy
Loading...

Accedi

Recupera Password
Nuovo utente

Vuoi eliminare il messaggio?

Sottoscrizione

Anteprima

PREFERENZA

Il messaggio è in fase di inserimento.

loading

CamperOnLine

Buongiorno gentile utente,

da oltre 20 anni Camperonline offre gratuitamente tutti i suoi servizi
grazie agli inserzionisti che ci hanno dato la loro fiducia, permettici di continuare il nostro lavoro disattivando il blocco delle pubblicità.

Grazie della collaborazione.

Azione eseguita con successo

Azione Fallita

Condividi

Condividi questa pagina con:

O copia il link