CamperOnLine
  • Camper
    • Camper usati
    • Camper nuovi
    • Produttori
    • Listino
    • Cataloghi
    • Concessionari e rete vendita
    • Noleggio
    • Van
    • Caravan
    • Fiere
    • Rimessaggi
    • Le prove di CamperOnLine
    • Provati da voi
    • Primo acquisto
    • Area professionisti
  • Accessori
    • Accessori e Prodotti
    • Camping Sport Magenta accessori
    • Produttori
    • Antenne TV
    • Ammortizzatori
    • GPS
    • Pneumatici
    • Rimorchi
    • Provati da Voi
    • Fai da te
  • Viaggi
    • Diari di viaggi in camper
    • Eventi
    • Foto
    • Check list
    • Traghetti
    • Trasporti
  • Sosta
    • Cerca Strutture
    • Sosta
    • Aree sosta camper
    • Campeggi
    • Agriturismi con sosta camper
    • App Camperonline App
    • 10 Consigli utili per la sosta
    • Area strutture
  • Forum
    • Tutti i Forum
    • Sosta
    • Gruppi
    • Compagni
    • Italia
    • Estero
    • Marchi
    • Meccanica
    • Cellula
    • Accessori
    • Eventi
    • Leggi
    • Comportamenti
    • Disabili
    • In camper per
    • Altro Camper
    • Altro
    • Extra
    • FAQ
    • Regolamento
    • Attivi
    • Preferiti
    • Cerca
  • Community
    • COL
    • CamperOnFest
    • Convenzioni Convenzioni
    • Amici
    • Furti
    • Informativa Privacy
    • Lavoro
  • COL
    • News
    • Newsletter
    • Pubblicità
    • Contatto
    • Ora
    • RSS RSS
    • Video
    • Facebook
    • Instagram
  • Magazine
  • Italiano
    • Bienvenue
    • Welcome
    • Willkommen
  • Accedi
CamperOnLine
Camping Sport Magenta
  1. Forum
  2. Tecnica
  3. Accessori
Galleria

Frigo Dometic, niente scintilla * Risolto*

Rispondi
Cerca
Berger Camping
SostaGruppiCompagniItaliaEsteroMarchiMeccanicaCellulaAccessoriEventiLeggiComportamentiDisabiliIn camper perAltro CamperAltroExtra
2 20 53
20
scubidu
scubidu
rating

16/02/2006 3839
Rispondi Abuso
Inserito il 05/03/2019 alle: 00:01:24
devi trovare  dove  sparisce la tensione 
 se dopo del pulsante...  o  manca  in entrata frigo.
 non ho. esperienza  diretta sul.tuo modello
però   i controlli da fare sono questi
16
rottweiller73
rottweiller73
05/05/2009 177
Rispondi Abuso
Inserito il 05/03/2019 alle: 09:11:56
In risposta al messaggio di scubidu del 05/03/2019 alle 00:01:24

devi trovare  dove  sparisce la tensione   se dopo del pulsante...  o  manca  in entrata frigo.  non ho. esperienza  diretta sul.tuo modello però   i controlli da fare sono questi
ok, ma x arrivare al selettore interno dovrei tirare fuori il frigo, cosa che dopo aver tolto le 4 viti , il frigo sembra essere bloccato in un altro modo..., possibile sia schiumato con poliuretano ...??
 
20
scubidu
scubidu
rating

16/02/2006 3839
Rispondi Abuso
Inserito il 05/03/2019 alle: 11:14:15
dietro il frigo
non ce un mammut  con i collegamenti ?
16
rottweiller73
rottweiller73
05/05/2009 177
Rispondi Abuso
Inserito il 05/03/2019 alle: 11:50:56
In risposta al messaggio di scubidu del 05/03/2019 alle 11:14:15

dietro il frigo non ce un mammut  con i collegamenti ?
no, non ci sono mammut, c e solo il collegamento con il dc z 1/12.
Se non riuscissi a smontare il frigo per andare al selettore( credo a questo punto sia quello il problema..) mi era venuto in mente 
di comprare un piezo manuale e cambiarlo direttamente , che dite, può essere una buona idea ?
Sala Silvergruva, la miniera d'argento
Sala Silvergruva, la miniera d'argento
Folgaria d’inverno in camper
Folgaria d’inverno in camper
Francia 2025
Francia 2025
Eksjo, la città di legno
Eksjo, la città di legno
Viaggio in Umbria e dintorni
Viaggio in Umbria e dintorni
Previous Next
16
rottweiller73
rottweiller73
05/05/2009 177
Rispondi Abuso
Inserito il 05/03/2019 alle: 12:28:28
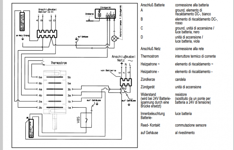
Schema RM6361rm%206361.png
20
scubidu
scubidu
rating

16/02/2006 3839
Rispondi Abuso
Inserito il 05/03/2019 alle: 22:18:13
sopra il frigo cosa hai?
 
16
rottweiller73
rottweiller73
05/05/2009 177
Rispondi Abuso
Inserito il 05/03/2019 alle: 23:35:08
In risposta al messaggio di scubidu del 05/03/2019 alle 22:18:13

sopra il frigo cosa hai?  
a sx manopola x 220_ batteria e gas, a dx termostato, x andare a lavorare dove ci sono i fili dovrei tirare fuori il frigo
20
scubidu
scubidu
rating

16/02/2006 3839
Rispondi Abuso
Inserito il 06/03/2019 alle: 12:59:08
intendevo ..se hai il fornello sopra   
16
rottweiller73
rottweiller73
05/05/2009 177
Rispondi Abuso
Inserito il 06/03/2019 alle: 15:17:31
In risposta al messaggio di scubidu del 06/03/2019 alle 12:59:08

intendevo ..se hai il fornello sopra   
blush... si ho il fornello ...
53421922_299226910759313_6719816414397464576_n.jpg
20
scubidu
scubidu
rating

16/02/2006 3839
Rispondi Abuso
Inserito il 06/03/2019 alle: 20:34:37
quello e piu facile da levare
16
rottweiller73
rottweiller73
05/05/2009 177
Rispondi Abuso
Inserito il 18/03/2019 alle: 16:05:45
Per togliere il frigo è un' impresa..., è tutto siliconato e anche se togliessi i fornelli  con il lavello non riuscirei lo stesso a lavorarci .
Potrei comprare un piezo manuale e installarlo ??
Grazie
Argomenti recenti dal forum
In camper per
Studio di settore sulle aree camper
Buona sera a tutti Sono qua a chiedere qualche minuto del vostro tem...
kettyke
Ieri alle: 23:02
Meccanica
Arca america 2024
Buonasera a tutti, vorrei capire se il camper in oggetto può già ave...
Adocaro
Ieri alle: 19:14
Cellula abitativa
motorhome hymer 2003 non carica bs
Buongiorno a tutti, ho un problema e spero nel Vostro aiuto. Attacc...
salva56
Ieri alle: 14:29
Viaggi in Italia
Ciclabili Verona est
Abbiamo letto la pagina web dell'agricamping Oro verde a Verona. Sap...
rlui
Ieri alle: 14:28
Accessori
Installazione retrocamera posteriore
Ciao a tutti, ho acquistato un Krunia Schermo Portatile 8'' per Appl...
Karbon17
Ieri alle: 10:10
Cellula abitativa
Mercedes Viano Marco Polo allestito Westfalia
Buongiorno a tutti, per il mio Viano Marco Polo allestito Westfalia ...
Salo
Ieri alle: 09:31
Meccanica
Fanale opacizzato
Ciao, ho un Ducato i cui fanali anteriori sono opacizzati. Quest'ann...
Maiamaia4
Ieri alle: 08:35
Aree di sosta e campeggi
Villalago
Buona sera vorrei un informazione, a primavera vorrei andare a visit...
PetruDaniele
13/03/26 - 21:01
Aree di sosta e campeggi
Ginevra
Buonasera a tutti, prossimamente dovrei andare qualche giorno a Gine...
koccinella
13/03/26 - 16:53
Gruppi
Camperisti Scooteristi...senza confini
Buongiorno amici con Camper e Scooter ,il nostro gruppo ha festeggia...
pinobsc
13/03/26 - 16:29
Viaggi in Italia
Giretto in centro Italia
Ciao, Stiamo andando ad Amatrice, vorremmo stare lì fino all'ora di ...
gianninotopo
13/03/26 - 15:45
Accessori
Inverter - sicurezza
Buongiorno, ho visto che ci sono discussioni simili a quella che pro...
gianninotopo
13/03/26 - 11:48
Accessori
Dimensionamento nuovo DC-DC
Ciao a tutti, Premesso che l'impianto Litio terminato da qualche tem...
maaaxxx
13/03/26 - 10:04
Accessori
Mantenere la Batteria Motore carica con una PS
Siamo in tema di mantenimento della carica della BM. Si sta palesand...
Paolo62
13/03/26 - 09:02
Altro non sui camper
Tiro al piccione
No, niente armi da fuoco, i simpatici pennuti sono salvi. È un nuov...
Emme48
13/03/26 - 07:48
16
rottweiller73
rottweiller73
05/05/2009 177
Rispondi Abuso
Inserito il 20/03/2019 alle: 00:01:54
UP...crying
16
rottweiller73
rottweiller73
05/05/2009 177
Rispondi Abuso
Inserito il 22/03/2019 alle: 11:57:35
Potrei comprare un piezo e metterlo i manuale ??
GRazie
20
scubidu
scubidu
rating

16/02/2006 3839
Rispondi Abuso
Inserito il 22/03/2019 alle: 12:12:33
ma per metterlo  manuale... devi sempre togliere il frigo.?
16
rottweiller73
rottweiller73
05/05/2009 177
Rispondi Abuso
Inserito il 23/03/2019 alle: 08:44:22
In risposta al messaggio di scubidu del 22/03/2019 alle 12:12:33

ma per metterlo  manuale... devi sempre togliere il frigo.?
no, avrei spazio x far passare i fili x il piezo
20
scubidu
scubidu
rating

16/02/2006 3839
Rispondi Abuso
Inserito il 23/03/2019 alle: 09:21:47
porta corrente al piezo esistente   e metti  un pulsante.
almeno se si spegne la fiamma con il vento
la riaccende
16
rottweiller73
rottweiller73
05/05/2009 177
Rispondi Abuso
Inserito il 26/03/2019 alle: 09:28:30
In risposta al messaggio di scubidu del 23/03/2019 alle 09:21:47

porta corrente al piezo esistente   e metti  un pulsante. almeno se si spegne la fiamma con il vento la riaccende
Come dovrei fare il collegamento ? elimino l accenditore elettronico ?
Grazie
20
scubidu
scubidu
rating

16/02/2006 3839
Rispondi Abuso
Inserito il 26/03/2019 alle: 10:26:22
basta che  gli dai  corrente..
 
16
rottweiller73
rottweiller73
05/05/2009 177
Rispondi Abuso
Inserito il 26/03/2019 alle: 20:45:06
In risposta al messaggio di scubidu del 26/03/2019 alle 10:26:22

basta che  gli dai  corrente..  
Dai fili che vanno all accenditore gli collego un positivo e un negativo?
16
rottweiller73
rottweiller73
05/05/2009 177
Rispondi Abuso
Inserito il 01/04/2019 alle: 10:40:07
In risposta al messaggio di rottweiller73 del 26/03/2019 alle 20:45:06

Dai fili che vanno all accenditore gli collego un positivo e un negativo?
UP.
SostaGruppiCompagniItaliaEsteroMarchiMeccanicaCellulaAccessoriEventiLeggiComportamentiDisabiliIn camper perAltro CamperAltroExtra
167k Facebook
343k Instagram
42,6k TikTok
73,3k Youtube
CamperOnLine - Copyright © 1998-2026 - P.Iva 06953990014
Informativa privacy
Loading...

Accedi

Recupera Password
Nuovo utente

Vuoi eliminare il messaggio?

Sottoscrizione

Anteprima

PREFERENZA

Il messaggio è in fase di inserimento.

loading

CamperOnLine

Buongiorno gentile utente,

da oltre 20 anni Camperonline offre gratuitamente tutti i suoi servizi
grazie agli inserzionisti che ci hanno dato la loro fiducia, permettici di continuare il nostro lavoro disattivando il blocco delle pubblicità.

Grazie della collaborazione.

Azione eseguita con successo

Azione Fallita

Condividi

Condividi questa pagina con:

O copia il link