CamperOnLine
  • Camper
    • Camper usati
    • Camper nuovi
    • Produttori
    • Listino
    • Cataloghi
    • Concessionari e rete vendita
    • Noleggio
    • Van
    • Caravan
    • Fiere
    • Rimessaggi
    • Le prove di CamperOnLine
    • Provati da voi
    • Primo acquisto
    • Area professionisti
  • Accessori
    • Accessori e Prodotti
    • Camping Sport Magenta accessori
    • Produttori
    • Antenne TV
    • Ammortizzatori
    • GPS
    • Pneumatici
    • Rimorchi
    • Provati da Voi
    • Fai da te
  • Viaggi
    • Diari di viaggi in camper
    • Eventi
    • Foto
    • Check list
    • Traghetti
    • Trasporti
  • Sosta
    • Cerca Strutture
    • Sosta
    • Aree sosta camper
    • Campeggi
    • Agriturismi con sosta camper
    • App Camperonline App
    • 10 Consigli utili per la sosta
    • Area strutture
  • Forum
    • Tutti i Forum
    • Sosta
    • Gruppi
    • Compagni
    • Italia
    • Estero
    • Marchi
    • Meccanica
    • Cellula
    • Accessori
    • Eventi
    • Leggi
    • Comportamenti
    • Disabili
    • In camper per
    • Altro Camper
    • Altro
    • Extra
    • FAQ
    • Regolamento
    • Attivi
    • Preferiti
    • Cerca
  • Community
    • COL
    • CamperOnFest
    • Convenzioni Convenzioni
    • Amici
    • Furti
    • Informativa Privacy
    • Lavoro
  • COL
    • News
    • Newsletter
    • Pubblicità
    • Contatto
    • Ora
    • RSS RSS
    • Video
    • Facebook
    • Instagram
  • Magazine
  • Italiano
    • Bienvenue
    • Welcome
    • Willkommen
  • Accedi
CamperOnLine
Camping Sport Magenta
  1. Forum
  2. Tecnica
  3. Accessori
Galleria

Generatore Dometic Traveller 2500H

Rispondi
Cerca
Berger Camping
SostaGruppiCompagniItaliaEsteroMarchiMeccanicaCellulaAccessoriEventiLeggiComportamentiDisabiliIn camper perAltro CamperAltroExtra
1 20 19
6
Giseno
Giseno
27/11/2019 8
Rispondi Abuso
Inserito il 27/11/2019 alle: 10:14:51
Salve a tutti, 

faccio il mio ingresso in questo forum. Scrivo dalla Sardegna, ho 36 anni, camperista già da 5, e sono alle prese con un bel problema col generatore in oggetto. Spero che qualcuno di voi possa aiutarmi perché sono in ballo ormai da un mese e non ne cavo piede in nessun modo. 

In sostanza il generatore non accende se collegato alla pulsantiera della cellula. Il motorino di avviamento gira regolarmente, ma il generatore non si avvia. Scollegata la pulsantiera, una volta sfilato il generatore dalla sua sede, parte con mezzo giro di avviatore manuale e resta perfettamente in moto. Ricollegando la pulsantiera stesso problema di qua sopra, come se ci fosse qualche inibizione. Ho letto sul manuale, di cui ho scaricato venti versioni, che l'accensione della candela è inibita dal check livello dell'olio, che è stato correttamente verificato. La mia domanda è, quello che inibisce l'accensione con la pulsantiera inserita, lo fa anche quando questa è scollegata?

Ovviamente al camper arriva correttamente la benzina, scollegato l'ho lasciato acceso anche mezz'ora e tira fuori regolarmente 220v e 12v dalla morsettiera. Ho provato, nella disperazione generale, a resettare i due circuiti con i reset nella pulsantiera del generatore, senza ottenere nessun risultato. 

Vi ringrazio per ogni tipo di aiuto che riuscireste a darmi. 





 
11
himmer80
himmer80
24/01/2015 2876
Rispondi Abuso
Inserito il 27/11/2019 alle: 15:22:43
In risposta al messaggio di GISENO del 27/11/2019 alle 10:14:51

Salve a tutti,  faccio il mio ingresso in questo forum. Scrivo dalla Sardegna, ho 36 anni, camperista già da 5, e sono alle prese con un bel problema col generatore in oggetto. Spero che qualcuno di voi possa aiutarmi
perché sono in ballo ormai da un mese e non ne cavo piede in nessun modo.  In sostanza il generatore non accende se collegato alla pulsantiera della cellula. Il motorino di avviamento gira regolarmente, ma il generatore non si avvia. Scollegata la pulsantiera, una volta sfilato il generatore dalla sua sede, parte con mezzo giro di avviatore manuale e resta perfettamente in moto. Ricollegando la pulsantiera stesso problema di qua sopra, come se ci fosse qualche inibizione. Ho letto sul manuale, di cui ho scaricato venti versioni, che l'accensione della candela è inibita dal check livello dell'olio, che è stato correttamente verificato. La mia domanda è, quello che inibisce l'accensione con la pulsantiera inserita, lo fa anche quando questa è scollegata? Ovviamente al camper arriva correttamente la benzina, scollegato l'ho lasciato acceso anche mezz'ora e tira fuori regolarmente 220v e 12v dalla morsettiera. Ho provato, nella disperazione generale, a resettare i due circuiti con i reset nella pulsantiera del generatore, senza ottenere nessun risultato.  Vi ringrazio per ogni tipo di aiuto che riuscireste a darmi.   
...
ho lo stesso generatore ti dico subito che è come un mulo e va sempre ,difficilmente da problemi  ...
hai provato ad accendere il motore del camper per poi riprovare a farlo partire  da pulsantiera per escludere un problema alla batteria che sia un po giù e non faccia girare al pieno il generatore?  poi  quando lo accendi da pulsantiera pigi entrambi i pulsanti aria e start? o  solo start ...   i collegamenti dei fili sulla pulsantiera sono tutti ben innestati? 
carpe diem ......


Luca

Modificato da himmer80 il 27/11/2019 alle 15:24:36
6
Giseno
Giseno
27/11/2019 8
Rispondi Abuso
Inserito il 27/11/2019 alle: 15:51:48
Ciao Luca, 

innanzitutto grazie per le risposte. 

Il generatore è collegato per l'avviamento alla batteria motore, che è bella carica e fa partire al primo colpo il camper stesso, ce l'ho sempre collegata al mantenitore figurati. Tieni conto che scollegato dalla pulsantiera si accende tirando pianissimo la corda, escluderei il fattore avviamento. Idem per l'aria, al primo avviamento sempre aria tirata per cinque secondi come da manuale, una volta caldo poi parte senza. Sull'affidabilità nessun dubbio per me, infatti qua si tratta di un problema elettrico non meramente meccanico, c'è qualcosa che sta inibendo la corrente alla candela quando è collegato alla pulsantiera e volevo capire se a qualcuno fosse capitata una casistica simile.

PS: aggiungo una nota a riprova di quello che sta accadendo, se lascio al pulsantiera connessa non parte più neanche a strappo. 

 
11
himmer80
himmer80
24/01/2015 2876
Rispondi Abuso
Inserito il 27/11/2019 alle: 16:05:54
In risposta al messaggio di Giseno del 27/11/2019 alle 15:51:48

Ciao Luca,  innanzitutto grazie per le risposte.  Il generatore è collegato per l'avviamento alla batteria motore, che è bella carica e fa partire al primo colpo il camper stesso, ce l'ho sempre collegata al mantenitore
figurati. Tieni conto che scollegato dalla pulsantiera si accende tirando pianissimo la corda, escluderei il fattore avviamento. Idem per l'aria, al primo avviamento sempre aria tirata per cinque secondi come da manuale, una volta caldo poi parte senza. Sull'affidabilità nessun dubbio per me, infatti qua si tratta di un problema elettrico non meramente meccanico, c'è qualcosa che sta inibendo la corrente alla candela quando è collegato alla pulsantiera e volevo capire se a qualcuno fosse capitata una casistica simile. PS: aggiungo una nota a riprova di quello che sta accadendo, se lascio al pulsantiera connessa non parte più neanche a strappo.   
...
mai successa una cosa simile ,a me l'unico problema che mi ha dato negli anni è che non arrivava più corrente alla candela perchè aveva fatto della ruggine  l'indotto interno  della dinamo ,poi pulendolo con una spazzola è  ripartito al primo colpo, nel tuo caso se sei certo che il livello olio sia ok (perchè magari estraendolo dalla sede il livello olio  cambia con la pendenza e va in moto solo in quella posizione  con la corda in manuale  ) 
in alternativa devi verificare tutta la linea elettrica perchè molto probabile hai un contatto   che ti va fa inibire l'accensione  da pulsantiera, io mi concentrerei  sulla pulsantiera (molto probabile  il problema stesso sia li  ,prova a verificarla con un tester )...
carpe diem ......


Luca

Modificato da himmer80 il 27/11/2019 alle 16:14:11
14
mmau
mmau
05/04/2011 191
Rispondi Abuso
Inserito il 27/11/2019 alle: 16:13:47
In risposta al messaggio di Giseno del 27/11/2019 alle 15:51:48

Ciao Luca,  innanzitutto grazie per le risposte.  Il generatore è collegato per l'avviamento alla batteria motore, che è bella carica e fa partire al primo colpo il camper stesso, ce l'ho sempre collegata al mantenitore
figurati. Tieni conto che scollegato dalla pulsantiera si accende tirando pianissimo la corda, escluderei il fattore avviamento. Idem per l'aria, al primo avviamento sempre aria tirata per cinque secondi come da manuale, una volta caldo poi parte senza. Sull'affidabilità nessun dubbio per me, infatti qua si tratta di un problema elettrico non meramente meccanico, c'è qualcosa che sta inibendo la corrente alla candela quando è collegato alla pulsantiera e volevo capire se a qualcuno fosse capitata una casistica simile. PS: aggiungo una nota a riprova di quello che sta accadendo, se lascio al pulsantiera connessa non parte più neanche a strappo.   
...
Buon giorno,
Sulla pulsantiera hai un pulsante /interruttore per spegnere il generatore? Se si controlla con un
tester che non sia in corto, in questo caso la pulsantiera "direbbe" al generatore di spegnersi.
Buona fortuna
Maurizio 
Asturia, Cantabria e Paesi Baschi in cam
Asturia, Cantabria e Paesi Baschi in cam
Sala Silvergruva, la miniera d'argento
Sala Silvergruva, la miniera d'argento
Folgaria d’inverno in camper
Folgaria d’inverno in camper
Francia 2025
Francia 2025
Eksjo, la città di legno
Eksjo, la città di legno
Previous Next
6
Giseno
Giseno
27/11/2019 8
Rispondi Abuso
Inserito il 27/11/2019 alle: 16:16:05
Sì guarda, ci sto impazzendo dietro. Ho fatto anche il tentativo che mi proponi tu, scollegando semplicemente la pulsantiera col generatore "incassato", stessa identica cosa. Ho anche aggiunto mezzo bicchiere di olio per sicurezza anche se il livello era già a metà strada tra min e max. L'unico imputato era anche per me il livello olio, che agisce proprio sulla candela. Un dubbio però mi è rimasto, può in qualche modo la pulsantiera inibire l'accensione?

Non  so rispondere a questo quesito perché il pulsante 1/0 mette in funzionamento il generale, ed infatti il pulsante start e quello dell'aria agiscono correttamente. Può essere un falso contatto nella linea del check livello olio?
6
Giseno
Giseno
27/11/2019 8
Rispondi Abuso
Inserito il 27/11/2019 alle: 16:18:36
In risposta al messaggio di mmau del 27/11/2019 alle 16:13:47

Buon giorno, Sulla pulsantiera hai un pulsante /interruttore per spegnere il generatore? Se si controlla con un tester che non sia in corto, in questo caso la pulsantiera direbbe al generatore di spegnersi. Buona fortuna Maurizio 
Ciao Maurizio, 

il pulsante per spegnere il generatore è lo stesso che mette l'intero sistema in modalità accensione e dà anche l'ok per l'avviamento elettrico, se fosse in corto non si avvierebbe neanche quello. 

grazie. 
11
himmer80
himmer80
24/01/2015 2876
Rispondi Abuso
Inserito il 27/11/2019 alle: 16:31:24
In risposta al messaggio di Giseno del 27/11/2019 alle 16:16:05

Sì guarda, ci sto impazzendo dietro. Ho fatto anche il tentativo che mi proponi tu, scollegando semplicemente la pulsantiera col generatore incassato, stessa identica cosa. Ho anche aggiunto mezzo bicchiere di olio per sicurezza
anche se il livello era già a metà strada tra min e max. L'unico imputato era anche per me il livello olio, che agisce proprio sulla candela. Un dubbio però mi è rimasto, può in qualche modo la pulsantiera inibire l'accensione? Non  so rispondere a questo quesito perché il pulsante 1/0 mette in funzionamento il generale, ed infatti il pulsante start e quello dell'aria agiscono correttamente. Può essere un falso contatto nella linea del check livello olio?
...
io per non avere problemi utilizzandolo anche in marcia per il clima ,il livello dell'olio lo tengo sempre sino a fine livello stanghetta !  se lo lascio a metà non mi parte nemmeno wink
vedi sulla pulsantiera  con un tester se l'interruttore 1/ 0 ti funziona correttamente ,poi verifica anche il pulsante star se chiude il contatto quando pigiato ...  

ma per me tieni il livello dell'olio troppo basso ...
carpe diem ......


Luca

Modificato da himmer80 il 27/11/2019 alle 16:38:47
6
Giseno
Giseno
27/11/2019 8
Rispondi Abuso
Inserito il 27/11/2019 alle: 16:45:14
Sì guarda, anche io ho pensato all'olio. Nel trip generale era l'unica strada che mi sembrava perseguibile, ma anche portandolo al livello attuale che è max il risultato è stato sempre lo stesso. Stessa cosa per la pulsantiera, perseguendo quella strada il pulsante 1/0 mi dovrebbe inibire l'intero sistema qualora fosse in corto, così come lo start non chiuderebbe il contatto che fa andare il motorino...

 
7
Gege01
Gege01
18/07/2018 2061
Rispondi Abuso
Inserito il 27/11/2019 alle: 16:45:54
Non è che "incassando" il generatore vai a schiacciare/strozzare il tubo della benzina?
Gegè (e non Gege01!) su Boeing 747 (Katamarano 50 MY19)
14
mmau
mmau
05/04/2011 191
Rispondi Abuso
Inserito il 27/11/2019 alle: 16:48:19
In risposta al messaggio di Giseno del 27/11/2019 alle 16:18:36

Ciao Maurizio,  il pulsante per spegnere il generatore è lo stesso che mette l'intero sistema in modalità accensione e dà anche l'ok per l'avviamento elettrico, se fosse in corto non si avvierebbe neanche quello.  grazie. 
Non hai sottomano lo schema elettrico della pulsantiera?
ciao
Maurizio
20
Nuvola2
Nuvola2
12/04/2005 5018
Rispondi Abuso
Inserito il 27/11/2019 alle: 16:49:13
In risposta al messaggio di Giseno del 27/11/2019 alle 16:18:36

Ciao Maurizio,  il pulsante per spegnere il generatore è lo stesso che mette l'intero sistema in modalità accensione e dà anche l'ok per l'avviamento elettrico, se fosse in corto non si avvierebbe neanche quello.  grazie. 
Anch'io ho questo generatore e concordo con chi ti dice che è un mulo,mai avuti problemi simili ai tuoi anche se qualche volta il connettore multipolo all'ingresso della scatola porta generatore mi crea qualche problema per connessione difettosa.

Il pulsante rosso on/off  quando è a riposo credo che,prendilo con le molle,metta il circuito elettrico a massa,è il sistema usato per fermare tutti i motori di questo tipo.
Controllerei con cura questo particolare ed il pulsante se apre e chiude correttamente,sono convinto che non parte perchè ti rimane a massa l'impianto
 
Argomenti recenti dal forum
Viaggi all'estero
Crociera da Copenaghen
Salve, avendo la crociera da Copenaghen dove è possibile parcheggiar...
corsir
Oggi alle 13:55
Cellula abitativa
Problema condensa nel gavone
Buongiorno a tutti. Come da titolo, quest'inverno ho riscontrato un ...
Dado1481
Oggi alle 13:44
Altro non sui camper
Suggerimento a Team di Moderazione
Stanno proliferando interventi che riguardano l'impianto elettrico: ...
Fisool
Ieri alle: 21:56
Accessori
Batteria al litio e centralina arsilicii rossa
Buonasera a tutti, un consiglio da i più esperti, posso montare una ...
Pepeago
Ieri alle: 16:29
Cellula abitativa
Moquette ed - eventualmente - tappezziere
Ciao a tutti, ho cercato ma le ultime discussioni risalgono al 2020 ...
atomant
Ieri alle: 12:20
Meccanica
Parasassi - Locaro passaruota Ducato 2026
Buongiorno a tutti, Sono nuovo dell'ambiente, ma sono molto felice d...
RollingLedger
Ieri alle: 09:57
Accessori
CBE CSB2 sempre acceso + info su reg.carica
CIao a tutti, ho una Adriatik 572 del 2005 con centralina EBL 208 S ...
dav8989
Ieri alle: 07:41
Accessori
Waeco cruiscontroll Ms 900
Chi lo ha montato su ducato 3000cc del 2010 mi spiega come funziona ...
flavius67
15/03/26 - 21:12
Accessori
Impianto 13 poli gancio traino schema
Ciao a tutti, Dubito di risolvere, ma la community qui é numerosa e ...
maaaxxx
15/03/26 - 18:27
Meccanica
Un aiutino da casa x Crossclimate
Mi sono un po perso sulle pressioni corrette , il mezzo è su Ducato ...
dadamazz
15/03/26 - 18:05
Aree di sosta e campeggi
Area sosta sul lago di Barcis
Ciao a tutti , qualcuno è stato a Pasqua nell'area sosta camper a Ba...
diabolik
15/03/26 - 16:14
Accessori
Interpretare smartshunt
Buongiorno, nel cammin di mezza via . . . Mi ritrovo con 2 BS 110AH ...
isauri
15/03/26 - 15:21
Accessori
monitoraggio pressione pneumatici
Buongiorno a tutti, volevo chiedere se qualcuno ha montato un TPMS d...
Walter62
15/03/26 - 14:11
Aree di sosta e campeggi
Area sosta a primaluna Lecco
Buongiorno chiedo x piacere,,qualcuno e stato recentemente all,area ...
giuvanella
15/03/26 - 13:26
Cellula abitativa
Cavi dietro sedile lato passeggero ducato 244
Buongiorno a tutti, sul mio ducato 244 esce dietro il sedile una lin...
CamperistaPN
15/03/26 - 08:55
16
falchirossi
falchirossi
22/07/2009 972
Rispondi Abuso
Inserito il 27/11/2019 alle: 16:50:15
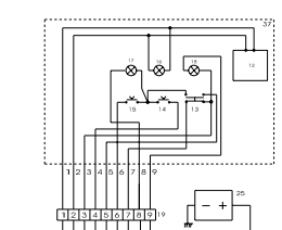
se il problema è la pulsantiera devi vedere che il pin 3 ed il pin 7 del connettore bianco 19 o nel pulsante 13 non si tocchino.
Potrebbe anche essere il pulsante che non sganci la connessione dei fili 7 e 3 


image(1251).png

ciao 
Marcello
20
Nuvola2
Nuvola2
12/04/2005 5018
Rispondi Abuso
Inserito il 27/11/2019 alle: 17:03:08
In risposta al messaggio di falchirossi del 27/11/2019 alle 16:50:15

se il problema è la pulsantiera devi vedere che il pin 3 ed il pin 7 del connettore bianco 19 o nel pulsante 13 non si tocchino. Potrebbe anche essere il pulsante che non sganci la connessione dei fili 7 e 3  ciao  Marcello
Ciao Marcello,
dove hai trovato questo schema?
Ce ne sono altri?Grazie
6
Giseno
Giseno
27/11/2019 8
Rispondi Abuso
Inserito il 27/11/2019 alle: 17:07:41
In risposta al messaggio di falchirossi del 27/11/2019 alle 16:50:15

se il problema è la pulsantiera devi vedere che il pin 3 ed il pin 7 del connettore bianco 19 o nel pulsante 13 non si tocchino. Potrebbe anche essere il pulsante che non sganci la connessione dei fili 7 e 3  ciao  Marcello
ecco l'unica verifica che non ho ancora fatto è questa: sezionare i fili della pulsantiera..credo che non mi resti molto altro da fare..

proverò stasera e vi farò sapere, per ora grazie a tutti!
6
Giseno
Giseno
27/11/2019 8
Rispondi Abuso
Inserito il 27/11/2019 alle: 17:08:20
In risposta al messaggio di Nuvola2 del 27/11/2019 alle 17:03:08

Ciao Marcello, dove hai trovato questo schema? Ce ne sono altri?Grazie
è lo schema del manuale, lo trovi anche nel sito della dometic
11
himmer80
himmer80
24/01/2015 2876
Rispondi Abuso
Inserito il 27/11/2019 alle: 17:38:56
In risposta al messaggio di Giseno del 27/11/2019 alle 17:08:20

è lo schema del manuale, lo trovi anche nel sito della dometic

vedrai che  il problema è dovuto ad una banalità ...
Verifica anche il connettore multiplo   che dovresti avere all'esterno del generatore dove arrivano tutte le connessione anche quelle della pulsantiera... Che tutti i pin siamo saldamente connessi tra loro
carpe diem ......


Luca

Modificato da himmer80 il 27/11/2019 alle 17:47:49
6
Giseno
Giseno
27/11/2019 8
Rispondi Abuso
Inserito il 27/11/2019 alle: 17:51:35
In risposta al messaggio di himmer80 del 27/11/2019 alle 17:38:56

vedrai che  il problema è dovuto ad una banalità ... Verifica anche il connettore multiplo   che dovresti avere all'esterno del generatore dove arrivano tutte le connessione anche quelle della pulsantiera... Che tutti i pin siamo saldamente connessi tra loro
Sì ora faccio una serie di verifiche incrociate, provo innanzitutto a sezionare il pulsante di ON/OFF e vedo escludendolo che succede.. 

grazie veramente a tutti per le risposte, vi aggiorno appena risolvo (sperando di risolvere)
6
Giseno
Giseno
27/11/2019 8
Rispondi Abuso
Inserito il 28/11/2019 alle: 12:50:36
In risposta al messaggio di falchirossi del 27/11/2019 alle 16:50:15

se il problema è la pulsantiera devi vedere che il pin 3 ed il pin 7 del connettore bianco 19 o nel pulsante 13 non si tocchino. Potrebbe anche essere il pulsante che non sganci la connessione dei fili 7 e 3  ciao  Marcello



Ho trovato il problema (credo), questo filo fa andare a massa il generatore, sconnettendolo riesco ad avviare a strappo anche con la morsettiera connessa e lo switch 1/0 nella pulsantiera funziona correttamente. Unica cosa, va ad alimentare il positivo dello starter, per cui non funziona più la messa in moto. Qualcuno di voi sa darmi le caratteristiche dello switch? Secondo me ho il pulsante in corto...posso trovarlo in un negozio di forniture elettriche? Penso sia un normale interruttore bipolare a pulsante...

generatore%20contatto.jpg
14
mmau
mmau
05/04/2011 191
Rispondi Abuso
Inserito il 28/11/2019 alle: 17:59:53
In risposta al messaggio di Giseno del 28/11/2019 alle 12:50:36

Ho trovato il problema (credo), questo filo fa andare a massa il generatore, sconnettendolo riesco ad avviare a strappo anche con la morsettiera connessa e lo switch 1/0 nella pulsantiera funziona correttamente. Unica
cosa, va ad alimentare il positivo dello starter, per cui non funziona più la messa in moto. Qualcuno di voi sa darmi le caratteristiche dello switch? Secondo me ho il pulsante in corto...posso trovarlo in un negozio di forniture elettriche? Penso sia un normale interruttore bipolare a pulsante...
...
Sono contento che hai trovato il guasto, per l'interruttore;  non c'è sopra qualche riferimento o numero di articolo o cose del
genere? Magari una foto dello switch. Se è un comune bipolare dovresti testarlo facilmente con un multimetro.
Ciao Maurizio
SostaGruppiCompagniItaliaEsteroMarchiMeccanicaCellulaAccessoriEventiLeggiComportamentiDisabiliIn camper perAltro CamperAltroExtra
167k Facebook
343k Instagram
42,6k TikTok
73,3k Youtube
CamperOnLine - Copyright © 1998-2026 - P.Iva 06953990014
Informativa privacy
Loading...

Accedi

Recupera Password
Nuovo utente

Vuoi eliminare il messaggio?

Sottoscrizione

Anteprima

PREFERENZA

Il messaggio è in fase di inserimento.

loading

CamperOnLine

Buongiorno gentile utente,

da oltre 20 anni Camperonline offre gratuitamente tutti i suoi servizi
grazie agli inserzionisti che ci hanno dato la loro fiducia, permettici di continuare il nostro lavoro disattivando il blocco delle pubblicità.

Grazie della collaborazione.

Azione eseguita con successo

Azione Fallita

Condividi

Condividi questa pagina con:

O copia il link