http://www.drivetech.it/it/stor...
http://www.m48.it/frigo12.htm
In risposta al messaggio di Emme48 del 29/10/2015 alle 11:09:48
La soluzione è già fatta (e ben collaudata...) e ti permette di risolvere sia il problema della batteria che in viaggio NON deve alimentare nulla che consumi tanto sia di far funzionare il frigo in maniera corretta anche in viaggio a 12 volt. Marco.
Marco, secondo me anche prendendo la corrente direttamente dalla BM come la tua soluzione prevede sarà ancora la BS ad alimentare parzialmente il frigo.
In risposta al messaggio di Topolone del 29/10/2015 alle 12:54:46
Marco, secondo me anche prendendo la corrente direttamente dalla BM come la tua soluzione prevede sarà ancora la BS ad alimentare parzialmente il frigo. Adesso il frigo viene alimentato in moto circa 40% dalla BM e 60% dalla BS. Lo so perchè ho uno shunt vicino alla BS. Il frigo pesca subito dal morsetto BS del parallelatore che si trova a poco più di un metro dalla BM La tua soluzione è ottima per innalzare la tensione di lavoro del frigo e dunque l'efficienza ma non è quello di cui ho bisogno. Nel mio caso mi trovo con una BS che mantiene una tensione più alta di quanto fornisce l'alternatore sotto carica. Usando il tuo circuito mi cambiano solo le cadute di tensione su circa 2 metri ( tra parallelalore e BM ) nel cavo da 10 mm2 che per correnti di 5..6 A sono al massimo di 0,05 V...... la BS continuerà a prevalere. Se mi sbaglio caxxiami pure .....
Non ho capito...

In risposta al messaggio di IZ4DJI del 29/10/2015 alle 15:38:27
forse dico una stupidaggine, e mettere un alternatore molto piu potente così comunque di corrente ce ne sarà a iosa per il frigo, la ricarica e tutto il resto? Se l'alternatore da molta corrente e mantiene una tensione piu alta, probabilmente si risolve il problema? Ma forse non ho capito niente e ho detto una boiata Tommaso IZ4DJI www.iz4dji.it
L'alternatore è da 140 A e non sono pochi
In risposta al messaggio di Phaserit del 29/10/2015 alle 16:49:08
Ma mettere il diodo non risolve? Non mi sembra di aver detto una vaccata... dovresti al più prevedere di collegare il diodo più resistenza allo scambio del relè parallelatore in modo da evitare che circoli corrente da li e collegarlo prima del diodo shottky. Ciao Davide
No, non hai detto una vaccata.... forse sono io che mi sono espresso male.
In risposta al messaggio di Phaserit del 29/10/2015 alle 16:49:08
Ma mettere il diodo non risolve? Non mi sembra di aver detto una vaccata... dovresti al più prevedere di collegare il diodo più resistenza allo scambio del relè parallelatore in modo da evitare che circoli corrente da li e collegarlo prima del diodo shottky. Ciao Davide
Mi suggerisci questa modifica ?
In risposta al messaggio di Emme48 del 29/10/2015 alle 17:55:24
Fai una prova di quelle a ZERO EURO. Prendi un filo volante e alimenta la resistenza del frigo direttamente dalla BM/Alternatore e vediamo cosa succede. Non ti costa nulla... poi magari cominci a spendere soldi a caso ma un tentativo gratis io lo farei. Se così vedi che va allora lo schema per il frigo funziona anche nel tuo caso. Marco.
Ciao Marco, la tua modifica è migliorativa in ogni caso per cui sarà fatta e come dici giustamente ....non si sa mai. Dovrei anche avere un relè in giro ...Figo il suggerimento di usare un cavo elettrico da 3x2,5 .... devo controllare però se non pesa di più..... sono allergico a tutto quello che pesa
, ora proviamo con la boiata n° 2 
In risposta al messaggio di Southdream del 29/10/2015 alle 23:13:09
Ho un idea: Con un relais con contatto in scambio in marcia scolleghi il frigo dalla BS e lo alimenti dalla BM, a motore spento ripristini come in origine. Inviato dal mio Commodore64
però, secondo me in marcia BM e BS sono messe in parallelo (almeno nei camper di noi poveri mortali
) e quindi collega qua o la cambia poco, cambia solo per quanto puo fare la resistenza dei cavi.
In risposta al messaggio di Topolone del 29/10/2015 alle 11:02:40
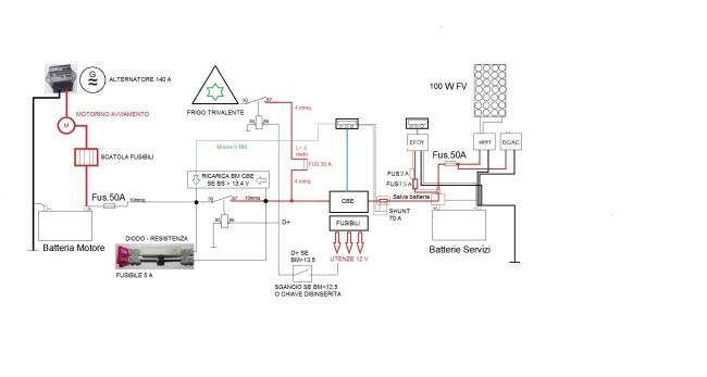
Chiedo a Marco (Emme48), Alvaro, Marcucciolo e tutti gli altri un aiutino (se possibile). Il problema è il seguente. Ho una batteria al litio che funziona troppo bene , ossia tiene una tensione alta anche sotto carico.Morale è lei che manda corrente al frigo quando funziona a 12 V.... Ho valutato varie opzioni per evitare di scaricare la BS quando viaggio ma nessuna mi piace... 1) la più semplice .... forzo il frigo a gas 2) compro uno staccabatteria elettronico pilotato a distanza che mi stacca la BS .... non si ricarica ma neanche si scarica. ... Adesso ho il modello simile ma senza telecomando e senza possibilità di staccare manualmente la batteria Non mi piace troppo questa soluzione in quanto stacca anche il pannello solare che potrei però collegare direttamente al polo positivo della BS a monte dello staccabatteria..... ma poi se ho un problema sulla linea dei pannelli non ho più la protezione dello staccabatteria alettronico . La BS se scende anche solo un istante sotto i 10 V è da buttare. 3) metto un relè vicino alla BS che stacca la linea con il D+ attivo 4) metto un booster dopo il parallelatore ma ho il timore che la BS vorrà prendersi tutti i 20 o 30 ampere del booster. In più i booster hanno una fase di desolfattazione che non va bene per le batterie al litio. Last but not least costano troppo...... 5) Chiedo consiglio a voi esperti Spero di potere risolvere con il punto 5 L'impianto è più o meno cosi
Gabriel ,
In risposta al messaggio di IZ4DJI del 29/10/2015 alle 23:24:16
però, secondo me in marcia BM e BS sono messe in parallelo (almeno nei camper di noi poveri mortali ) e quindi collega qua o la cambia poco, cambia solo per quanto puo fare la resistenza dei cavi. Tommaso IZ4DJI www.iz4dji.it
Non solo secondo te....è cosi .... cambia solo per le cadute di tensioni ....con cavo da 10 mm2 su tutta la linea da BM a BS sono poche....
In risposta al messaggio di Topolone del 30/10/2015 alle 00:44:36
Non solo secondo te....è cosi .... cambia solo per le cadute di tensioni ....con cavo da 10 mm2 su tutta la linea da BM a BS sono poche.... Una prova che farò è quella di collegare il frigo sulla BM .Sicuramente migliora....non so però se bastera...
Azzzzzz...ti ho svegliato ?