CamperOnLine
  • Camper
    • Camper usati
    • Camper nuovi
    • Produttori
    • Listino
    • Cataloghi
    • Concessionari e rete vendita
    • Noleggio
    • Van
    • Caravan
    • Fiere
    • Rimessaggi
    • Le prove di CamperOnLine
    • Provati da voi
    • Primo acquisto
    • Area professionisti
  • Accessori
    • Accessori e Prodotti
    • Camping Sport Magenta accessori
    • Produttori
    • Antenne TV
    • Ammortizzatori
    • GPS
    • Pneumatici
    • Rimorchi
    • Provati da Voi
    • Fai da te
  • Viaggi
    • Diari di viaggi in camper
    • Eventi
    • Foto
    • Check list
    • Traghetti
    • Trasporti
  • Sosta
    • Cerca Strutture
    • Sosta
    • Aree sosta camper
    • Campeggi
    • Agriturismi con sosta camper
    • App Camperonline App
    • 10 Consigli utili per la sosta
    • Area strutture
  • Forum
    • Tutti i Forum
    • Sosta
    • Gruppi
    • Compagni
    • Italia
    • Estero
    • Marchi
    • Meccanica
    • Cellula
    • Accessori
    • Eventi
    • Leggi
    • Comportamenti
    • Disabili
    • In camper per
    • Altro Camper
    • Altro
    • Extra
    • FAQ
    • Regolamento
    • Attivi
    • Preferiti
    • Cerca
  • Community
    • COL
    • CamperOnFest
    • Convenzioni Convenzioni
    • Amici
    • Furti
    • Informativa Privacy
    • Lavoro
  • COL
    • News
    • Newsletter
    • Pubblicità
    • Contatto
    • Ora
    • RSS RSS
    • Video
    • Facebook
    • Instagram
  • Magazine
  • Italiano
    • Bienvenue
    • Welcome
    • Willkommen
  • Accedi
CamperOnLine
Camping Sport Magenta
  1. Forum
  2. Tecnica
  3. Accessori
Galleria

Inserimento caricabatterie dc/dc per lifepo4

Rispondi
Cerca
Berger Camping
SostaGruppiCompagniItaliaEsteroMarchiMeccanicaCellulaAccessoriEventiLeggiComportamentiDisabiliIn camper perAltro CamperAltroExtra Attivi
1 20 55
15
Fran50
Fran50
21/05/2010 180
Rispondi Abuso
Inserito il 22/04/2020 alle: 16:29:56
Buongiorno
Pensavo di inserire una batteria al litio al posto della attuale agm.
siccome il mio caticabatterie non è predisposto per le litio e per evitare di sovraccaricare i circuiti esistenti, limitare la corrente richiesta dell'alternatore in caso di messa in moto con bs parzialmente scarica, nonchè di limitare extracorrenti di apertura e chiusura che potrebbero essere pericolose per i circuiti elettronici con la configurazione attuale. avevo pensato di modificare il sistema di carica delle BS  inserendo un alimentatore dc/dc (tipo Votronic 12/12-30 già predisposto per le curve di ricarica litio, o Sterlig power BB1230.
Mi piacerebbe avere le vostre opinioni sulla modifica che vorrei fare.
2020-04-22_191949(2).jpg

2020-04-22_192614(3).jpg

Scusate come devo inserire le immafgini per avere piu' dettaglio?
Grazie
Fran50

Modificato da Fran50 il 22/04/2020 alle 19:32:31
14
gduca
gduca
29/11/2011 2093
Rispondi Abuso
Inserito il 22/04/2020 alle: 20:30:58
In risposta al messaggio di Fran50 del 22/04/2020 alle 16:29:56

Buongiorno Pensavo di inserire una batteria al litio al posto della attuale agm. siccome il mio caticabatterie non è predisposto per le litio e per evitare di sovraccaricare i circuiti esistenti, limitare la corrente
richiesta dell'alternatore in caso di messa in moto con bs parzialmente scarica, nonchè di limitare extracorrenti di apertura e chiusura che potrebbero essere pericolose per i circuiti elettronici con la configurazione attuale. avevo pensato di modificare il sistema di carica delle BS  inserendo un alimentatore dc/dc (tipo Votronic 12/12-30 già predisposto per le curve di ricarica litio, o Sterlig power BB1230. Mi piacerebbe avere le vostre opinioni sulla modifica che vorrei fare. Scusate come devo inserire le immafgini per avere piu' dettaglio? Grazie Fran50
...
Sono 15 giorni che ne stiamo parlando del Votronic in tutte le salse in questa discussione

https://forum.camperonline.it/t...


 
Fabrizio
15
Fran50
Fran50
21/05/2010 180
Rispondi Abuso
Inserito il 22/04/2020 alle: 21:20:12
In risposta al messaggio di gduca del 22/04/2020 alle 20:30:58

Sono 15 giorni che ne stiamo parlando del Votronic in tutte le salse in questa discussione  
Infatti non volevo opinioni sul Votronic o simili apparecchiature.
volevo sapere la vostra opinione sul tipo di collegamento che volevo effettuare cioe':
- Collegare il caribattrie ,attualmente collegato alla  BS, direttamente alla BM insieme al generatore del veicolo
- collegare il convertitore DC/DC tra BM e BS in modo da poter utilizzare le fasi di carica per le lofepo4 sia durante la carica da 220 che durante la carica da dinamo.
Volevo quindi sapere se secondo voi ci sono controindicazioni a fare le modifiche che ho riportato negli scheni.
grazie
francesco
 
Fran50
10
il tornitore
il tornitore
rating

25/08/2015 6088
Rispondi Abuso
Inserito il 22/04/2020 alle: 21:46:17
Le immagini sono poco dettagliate.. Io per caricare foto con un dettaglio superiore le carico prima su un sito e poi allego il link della foto; questo è il sito: 

https://prnt.sc/

 (richiede la registrazione)

Una domanda riguardo al tuo impianto... Ma per caricare a 230V la lifepo4 hai un suo caricabatteria apposito o lo metterai? E poi metteresti quello originale alla sola BM?
Se metterei i CB specifici per ogni batteria devi assicurarti che la centralina non metta in parallelo le batterie quando si è collegati alla 230V. Per dire la mia centralina metteva in parallelo la BS e BM, dunque il CB caricava entrambe le batterie... Ne consegue che avere 2 CB con il parallelo BS-BM non va bene poichè i cicli di carica (con rispettive tensioni) sono diversi.
Il Fai Da Te a Opera d'Arte - Marco
14
gduca
gduca
29/11/2011 2093
Rispondi Abuso
Inserito il 22/04/2020 alle: 22:52:27
In risposta al messaggio di il tornitore del 22/04/2020 alle 21:46:17

Le immagini sono poco dettagliate.. Io per caricare foto con un dettaglio superiore le carico prima su un sito e poi allego il link della foto; questo è il sito:  (richiede la registrazione) Una domanda riguardo al tuo
impianto... Ma per caricare a 230V la lifepo4 hai un suo caricabatteria apposito o lo metterai? E poi metteresti quello originale alla sola BM? Se metterei i CB specifici per ogni batteria devi assicurarti che la centralina non metta in parallelo le batterie quando si è collegati alla 230V. Per dire la mia centralina metteva in parallelo la BS e BM, dunque il CB caricava entrambe le batterie... Ne consegue che avere 2 CB con il parallelo BS-BM non va bene poichè i cicli di carica (con rispettive tensioni) sono diversi.
...
Mi sono posto lo stesso problema.  Ho provato anche a darmi delle risposte (anche se non ho la tua stessa conoscenza e competenza meccanica). 
1) l'alternatore non è un caricabatterie. Avevo letto un trattato sull'argomento e non sono capace ad esprimermi con i giusti termini tecnici. Ne avevo comunque dedotto che la corrente prodotta da un'alternatore è molto rozza e ciò nonostante, non rovina le batterie di avviamento.  
2) parlando del Votronic, che ho imparato a conoscere proprio in questi giorni, ho scoperto nelle pieghe del manuale (ed anche qui mi esprimo con termini un po' poveri frutto di ciò che ho capito dall'inglese) che questo DC-DC tendenzialmente tiene separate batterie motore e servizi.  Tuttavia, quando la batteria dei servizi raggiunge un certo livello di carica (fornita dal caricabatterie 220), apre un piccolo flusso di corrente verso la batteria motore (max 1A)
In conclusione, nella mia intima convinzione (non suffragata da argomentazioni tecniche), mi sono fatto l'idea che 1A di corrente non rovina la batteria motore e che, eventualmente, anche un parallelo secco sarebbe ininfluente rispetto alla curva di carica molto approssimativa di un alternatore.

 
Fabrizio
Napoli & Caserta in camper
Napoli & Caserta in camper
Natale 2025 in centro Italia
Natale 2025 in centro Italia
Asturia, Cantabria e Paesi Baschi in cam
Asturia, Cantabria e Paesi Baschi in cam
Sala Silvergruva, la miniera d'argento
Sala Silvergruva, la miniera d'argento
Folgaria d’inverno in camper
Folgaria d’inverno in camper
Previous Next
10
il tornitore
il tornitore
rating

25/08/2015 6088
Rispondi Abuso
Inserito il 23/04/2020 alle: 00:46:41
In risposta al messaggio di gduca del 22/04/2020 alle 22:52:27

Mi sono posto lo stesso problema.  Ho provato anche a darmi delle risposte (anche se non ho la tua stessa conoscenza e competenza meccanica).  1) l'alternatore non è un caricabatterie. Avevo letto un trattato sull'argomento
e non sono capace ad esprimermi con i giusti termini tecnici. Ne avevo comunque dedotto che la corrente prodotta da un'alternatore è molto rozza e ciò nonostante, non rovina le batterie di avviamento.   2) parlando del Votronic, che ho imparato a conoscere proprio in questi giorni, ho scoperto nelle pieghe del manuale (ed anche qui mi esprimo con termini un po' poveri frutto di ciò che ho capito dall'inglese) che questo DC-DC tendenzialmente tiene separate batterie motore e servizi.  Tuttavia, quando la batteria dei servizi raggiunge un certo livello di carica (fornita dal caricabatterie 220), apre un piccolo flusso di corrente verso la batteria motore (max 1A) In conclusione, nella mia intima convinzione (non suffragata da argomentazioni tecniche), mi sono fatto l'idea che 1A di corrente non rovina la batteria motore e che, eventualmente, anche un parallelo secco sarebbe ininfluente rispetto alla curva di carica molto approssimativa di un alternatore.  
...
Io dicevo quando si è attaccati alla 230V.. Dove il Votronic non c'entra nulla poichè serve solo durante il viaggio per caricare correttamente la BS.
Esatto l'alternatore classico è rozzo nel caricare.. Diciamo che di certo riduce la vita di una batteria (anche da avviamento), ma non in modo così rilevante (parlando sempre di batteria da avviamento tradizionale).
Il Votronic, da quello che ho capito, permette la ricarica della BM con corrente massima di 1A solo in presenza del D+; non ne sono sicuro, ho letto velocemente il manuale. Se il D+ può essere sostituito con il segnale esempio di "Presenza rete" che arriva in centralina (esempio nel mio caso, fornito dal CB) allora è un altro discorso, ma bisogna sempre vedere la tensione di carica.
Poi so che alcuni Votronic, non tutti, offrono anche un isolamento galvanico tra In e Out, quindi BM (In) e BS (Out) non sono collegate elettricamente tra di loro.
Per la BM, più che altro, è la tensione che tende ad essere alta.. 14,6-14,65V (tensione di carica delle lifepo4); solitamente per una BM classica non si va oltre i 14,2-14,4V per evitare che "bolli" eccessivamente. Solitamente (ci sono sempre le eccezioni) un alternatore classico non fornisce più di 14,3V (se uno ha ripassato le masse etc forse vedrà i 14,5-14,6V con carico minimo cioè senza frigo, etc). La corrente di carica di 1A sicuramente non danneggia una batteria da 100Ah; fino a 30A, la batteria al piombo da 100Ah, li accetta in carica e scarica.

Quello che dicevo io era in caso di collegamento alla 230V e che la centralina, per via del segnale "presenza rete" o simile, metta in parallelo la BM e BS.
Riporto quanto ho scritto in un altro topic:
"... Ma esempio nella mia centralina che avevo (NE185-11S) per far in modo di utilizzare il CB originale per la sola BM e quello specifico per la litio per la BS gestito dal BMS.. Avrei potuto togliere il segnale di "presenza rete" dalla centralina (fornito dal CB originale) così da non mettere in parallelo la BM e BS quando c'è la 230V... Ne consegue che i due sistemi risultano separati; se, tipo al frigo o altre utenze, serviva il segnale di "presenza rete" lo prelevavo direttamente dal CB originale cosicché il frigo commutasse a 230V."
Tutto ciò indipendentemente dal Votronic.
Il Fai Da Te a Opera d'Arte - Marco
19
IZ4DJI
IZ4DJI
rating

12/11/2006 58406
Rispondi Abuso
Inserito il 23/04/2020 alle: 01:03:42
In risposta al messaggio di gduca del 22/04/2020 alle 22:52:27

Mi sono posto lo stesso problema.  Ho provato anche a darmi delle risposte (anche se non ho la tua stessa conoscenza e competenza meccanica).  1) l'alternatore non è un caricabatterie. Avevo letto un trattato sull'argomento
e non sono capace ad esprimermi con i giusti termini tecnici. Ne avevo comunque dedotto che la corrente prodotta da un'alternatore è molto rozza e ciò nonostante, non rovina le batterie di avviamento.   2) parlando del Votronic, che ho imparato a conoscere proprio in questi giorni, ho scoperto nelle pieghe del manuale (ed anche qui mi esprimo con termini un po' poveri frutto di ciò che ho capito dall'inglese) che questo DC-DC tendenzialmente tiene separate batterie motore e servizi.  Tuttavia, quando la batteria dei servizi raggiunge un certo livello di carica (fornita dal caricabatterie 220), apre un piccolo flusso di corrente verso la batteria motore (max 1A) In conclusione, nella mia intima convinzione (non suffragata da argomentazioni tecniche), mi sono fatto l'idea che 1A di corrente non rovina la batteria motore e che, eventualmente, anche un parallelo secco sarebbe ininfluente rispetto alla curva di carica molto approssimativa di un alternatore.  
...
2) parlando del Votronic, che ho imparato a conoscere proprio in questi giorni, ho scoperto nelle pieghe del manuale (ed anche qui mi esprimo con termini un po' poveri frutto di ciò che ho capito dall'inglese) che questo DC-DC tendenzialmente tiene separate batterie motore e servizi.  Tuttavia, quando la batteria dei servizi raggiunge un certo livello di carica (fornita dal caricabatterie 220), apre un piccolo flusso di corrente verso la batteria motore (max 1A)

------------------------------------------------------------------------------

Esatto, il Votronic 1212-30 (come il mio) , puo tranquillamente sostituire il rele parallelatore in quanto stacca la batterie tra loro a motore spento, e puo sostituire anche il circuito "diodo -resistenza" (o CSB2) perchè ha la stessa funzione gia integrata.
____________________________________

Tommaso IZ4DJI

www.iz4dji.it




19
IZ4DJI
IZ4DJI
rating

12/11/2006 58406
Rispondi Abuso
Inserito il 23/04/2020 alle: 01:10:40
In risposta al messaggio di Fran50 del 22/04/2020 alle 16:29:56

Buongiorno Pensavo di inserire una batteria al litio al posto della attuale agm. siccome il mio caticabatterie non è predisposto per le litio e per evitare di sovraccaricare i circuiti esistenti, limitare la corrente
richiesta dell'alternatore in caso di messa in moto con bs parzialmente scarica, nonchè di limitare extracorrenti di apertura e chiusura che potrebbero essere pericolose per i circuiti elettronici con la configurazione attuale. avevo pensato di modificare il sistema di carica delle BS  inserendo un alimentatore dc/dc (tipo Votronic 12/12-30 già predisposto per le curve di ricarica litio, o Sterlig power BB1230. Mi piacerebbe avere le vostre opinioni sulla modifica che vorrei fare. Scusate come devo inserire le immafgini per avere piu' dettaglio? Grazie Fran50
...
I disegni mi sono di difficile comprensibilità, sia perchè sono piccoli, ma anche per mia ignoranza in materia.

Per installare il Votronic 1212-30 (io me lo sono installato da solo) devi seguire uno degli schemi riportati sul manuale , differenti a seconda del tipo di centralina che hai. Meglio seguire alla lettera perchè se si fanno sbagli si prende l apparecchio e si butta nell immondizia.

Comunque se hai il rele parallelatore raggiungibile e esterno alla centralina, è semplicissimo, va tolto il rele e sostituito con il Votronic, sul manuale c'è anche quello schema che è il piu semplice.

Il convertitore CC-CC deve funziionare unicamente a motore acceso.

Le altre forme di carica, cioè a 220 o da pannello solare, sono cose completamente a se stanti e separate e quindi da valutare una alla volta e saparatamente.

Metterai un caricabatteriae a 220 adatto a Litio collegato sulla BS e un regolatore del pannello solare adatto a Litio collegato direttamente sulla BS

Se la centralina ha il "vecchio" caricabatterie a 220 incorporato, semplicemente togli la alimentazione a 220 dalla centralina e quindi è escluso, come se non ci fosse. Se avevi un "vecchio" caricabatterie separato, lo puoi anche togliere fisicamente.

(con "vecchio" intendo non adatto al Litio).


 
____________________________________

Tommaso IZ4DJI

www.iz4dji.it





Modificato da IZ4DJI il 23/04/2020 alle 01:16:37
15
Fran50
Fran50
21/05/2010 180
Rispondi Abuso
Inserito il 23/04/2020 alle: 02:15:12
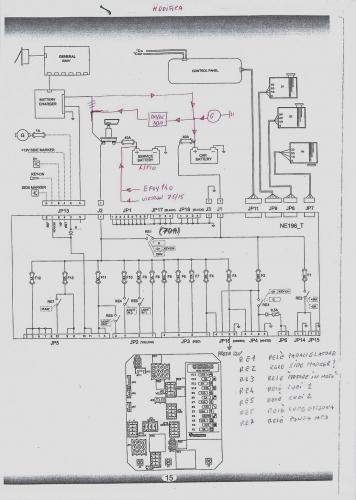
Riallacciandomi ai miei due post precedenti e per cercare di spiegare in modo meno confuso quale secondo me potrebbe essere una soluzione di lieve  modifica a l'impianto elettrico del camper per caricare in tutte le condizioni  in modo ottimale le lifep04 spendendo una cifra ragionevole utilizzando solo un alimentatore/covertitire DC/DC
Inserisco due link a due schemi con piu' risoluzione e un elenco dei segnali o tensioni presenti sui connettori del derivatore NE196_T montato sul mio camper.
Situazione Attuale      

https://thumbnails-photos.amazo...



situazione modificata    

https://thumbnails-photos.amazo...



Ingressi uscite derivatore     

https://thumbnails-photos.amazo...



Cerco di spiegare quello che volevo fare:
Scollegare l'alimentatotre  che adesso carica la bs (che non è predisposto per le litio) e collegarlo direttamente a caricare la bm settandolo per pimbo/acido.
In questo modo si troverebbe in parallelo alla dinamo del mezzo, (come d'altronde adesso quando il motore è in moto e il camper e collegato alla 220).
Collegherei  al polo positivo della bm un convertitore DC/DC ( 30A) che abbia le curve adatte per ricaricare le lifepo4 e la sua uscita la collegherei alla bs.
In questo modo otterrei di alimentare sempre la bs con degli algoritmi specifici per le lifepo4 sia quando il camper è collegato alla 220 sia quando quando funziona l'alternatore del mezzo (quindi in viaggio) e limiterei la corrente assorbita dall' alternatore a 30A
I covertitori/ alimentatori  DC/DC  (votronic, sterling power o simili) sono settabili e funzionano quando la tensione di ingresso supera il valore di circa 13,5V e quindi il convertitore/ alimentatore   alimenterebbe in questo caso la bs solo quando il camper è alimentato a 220 oppure è in moto.
Per fare che tutto ciò funzioni occorre  però evitare ( vedere schema allegato) che le due batterie vadano in parallelo, con la presenza di Alimentazione 220V o motore in moto ( RE1 eccitato), pensavo quindi  sconnettere il connettore j1.
con  j1 sconnesso e in assenza di 220V o motore in moto (RE1 aperto) mi troverei però ad avere mancanza di tensione (vedere schema ) sui seguenti pin:
JP16-1 (pannello solare + battria di avviamento)
jp4-1 (uscita + frigo diretta)
 jp14 (uscita + side maker sx)
jp 15 (uscita + side maker dx)
I primi due pin jp16-1 e jp4-1 sono abbastanza sicuro che non sono utilizzati
Gli altri due (jp14 e jp15) non so se sono utilizzati e ne a cosa servono, (devo verificare).
Tutto questo capisco che è teoria ma in questo modo, con un convertitore DC/DC , con una spesa contenuta e con poche modifiche all'impianto elettrico del camper, riuscirei a caricare con algoritmi giusti una batteria litio sia con l' attuale alimentatore 220V (non predisposto per le litio)  che da alternatore de motore.
Se qualche santo ha la pazienza di verificare quanto ho esposto e facesse dei commenti ne sarei grato, anche perchè con le correnti in gioco è facile farsi male o bruciare qualche apparecchiatura.
Scusate ll lungo discorso e grazie a chi vorrà dedicare un poco di tempo a capire se quello che ho intenzione di fare è giusto oppure ci cono controindicazioni.
Grazie
Fran50
19
IZ4DJI
IZ4DJI
rating

12/11/2006 58406
Rispondi Abuso
Inserito il 23/04/2020 alle: 11:04:28
In risposta al messaggio di Fran50 del 23/04/2020 alle 02:15:12

Riallacciandomi ai miei due post precedenti e per cercare di spiegare in modo meno confuso quale secondo me potrebbe essere una soluzione di lieve  modifica a l'impianto elettrico del camper per caricare in tutte le condizioni
 in modo ottimale le lifep04 spendendo una cifra ragionevole utilizzando solo un alimentatore/covertitire DC/DC Inserisco due link a due schemi con piu' risoluzione e un elenco dei segnali o tensioni presenti sui connettori del derivatore NE196_T montato sul mio camper. Situazione Attuale       situazione modificata     Ingressi uscite derivatore      Cerco di spiegare quello che volevo fare: Scollegare l'alimentatotre  che adesso carica la bs (che non è predisposto per le litio) e collegarlo direttamente a caricare la bm settandolo per pimbo/acido. In questo modo si troverebbe in parallelo alla dinamo del mezzo, (come d'altronde adesso quando il motore è in moto e il camper e collegato alla 220). Collegherei  al polo positivo della bm un convertitore DC/DC ( 30A) che abbia le curve adatte per ricaricare le lifepo4 e la sua uscita la collegherei alla bs. In questo modo otterrei di alimentare sempre la bs con degli algoritmi specifici per le lifepo4 sia quando il camper è collegato alla 220 sia quando quando funziona l'alternatore del mezzo (quindi in viaggio) e limiterei la corrente assorbita dall' alternatore a 30A I covertitori/ alimentatori  DC/DC  (votronic, sterling power o simili) sono settabili e funzionano quando la tensione di ingresso supera il valore di circa 13,5V e quindi il convertitore/ alimentatore   alimenterebbe in questo caso la bs solo quando il camper è alimentato a 220 oppure è in moto. Per fare che tutto ciò funzioni occorre  però evitare ( vedere schema allegato) che le due batterie vadano in parallelo, con la presenza di Alimentazione 220V o motore in moto ( RE1 eccitato), pensavo quindi  sconnettere il connettore j1. con  j1 sconnesso e in assenza di 220V o motore in moto (RE1 aperto) mi troverei però ad avere mancanza di tensione (vedere schema ) sui seguenti pin: JP16-1 (pannello solare + battria di avviamento) jp4-1 (uscita + frigo diretta)  jp14 (uscita + side maker sx) jp 15 (uscita + side maker dx) I primi due pin jp16-1 e jp4-1 sono abbastanza sicuro che non sono utilizzati Gli altri due (jp14 e jp15) non so se sono utilizzati e ne a cosa servono, (devo verificare). Tutto questo capisco che è teoria ma in questo modo, con un convertitore DC/DC , con una spesa contenuta e con poche modifiche all'impianto elettrico del camper, riuscirei a caricare con algoritmi giusti una batteria litio sia con l' attuale alimentatore 220V (non predisposto per le litio)  che da alternatore de motore. Se qualche santo ha la pazienza di verificare quanto ho esposto e facesse dei commenti ne sarei grato, anche perchè con le correnti in gioco è facile farsi male o bruciare qualche apparecchiatura. Scusate ll lungo discorso e grazie a chi vorrà dedicare un poco di tempo a capire se quello che ho intenzione di fare è giusto oppure ci cono controindicazioni. Grazie
...
Non so secapita solo a me, ma non si aprono i link.

Comunque ho capito cosa intendi.
A 220 caricare solo la BM e da questa caricare la BS-Litio tramite il caricabatterie DC/DC.

In teoria sembrerebbe essere una buona idea, ma secondo me potrebbero esserci dellle criticità.

Vero, il mio Votronic lo ho impostato che si attivi in presenza di D+, quindi slo a motore acceso, perchè ho un Alternatore Intelligente che mediamente tiene la BM a 12,8v.  Però, si potrebbe anche impostare che si avvii con l aumento della tensione , con un alternatore tradizionale.

Mettiamo che il caricabatteria 220 carichi solo la BM, e che la porti a 13,5v , a quel punto partirebbe il caricabatterie DC-DC che eleva la tensione a circa 14,5v e carica la BS Litio. La carica con una corrente massima di 30A (nel caso del Votronic 1212-30).
Però, per la differenza di voltaggio, dalla BM verrebbero prelevati circa 32/33A.
Quanto puo caricare il tuo caricabatterie a 220 in maniera continuativa senza surriscaldarsi?
Servirebeb un CB 220, secondo me, almeno da 35/40A, che penso non ci sia mai su un camper.

A quel punto, meglio acquistare un CB 220 nuovo con la curva di carica per la Lifepo4, collegarlo alla BS, e lasciare la sola corrente di mantenimento massima di 1A alla BM, che ne ha piu che a sufficenza.

Certo, spenderesti sia 170 euro del Votronic 1212-30 (o di prodotto equivalente) che del caricabatterie a 220 nuovo (non ho idea del costo) ma avresti un impianto piu semplice e efficente e sicuro, e poi eviti lo stress elevato alla BM che invece ci sarebeb con il sistema a cui pensavi tu.

Pur senza scendere nel caso specifico, però, come discorso generale, mi sembra che possa essere come ho detto.
____________________________________

Tommaso IZ4DJI

www.iz4dji.it




21
ezio55
ezio55
30/12/2004 3418
Rispondi Abuso
Inserito il 23/04/2020 alle: 11:18:36
In risposta al messaggio di IZ4DJI del 23/04/2020 alle 01:10:40

I disegni mi sono di difficile comprensibilità, sia perchè sono piccoli, ma anche per mia ignoranza in materia. Per installare il Votronic 1212-30 (io me lo sono installato da solo) devi seguire uno degli schemi riportati
sul manuale, differenti a seconda del tipo di centralina che hai. Meglio seguire alla lettera perchè se si fanno sbagli si prende l apparecchio e si butta nell immondizia. Comunque se hai il rele parallelatore raggiungibile e esterno alla centralina, è semplicissimo, va tolto il rele e sostituito con il Votronic, sul manuale c'è anche quello schema che è il piu semplice. Il convertitore CC-CC deve funziionare unicamente a motore acceso. Le altre forme di carica, cioè a 220 o da pannello solare, sono cose completamente a se stanti e separate e quindi da valutare una alla volta e saparatamente. Metterai un caricabatteriae a 220 adatto a Litio collegato sulla BS e un regolatore del pannello solare adatto a Litio collegato direttamente sulla BS Se la centralina ha il vecchio caricabatterie a 220 incorporato, semplicemente togli la alimentazione a 220 dalla centralina e quindi è escluso, come se non ci fosse. Se avevi un vecchio caricabatterie separato, lo puoi anche togliere fisicamente. (con vecchio intendo non adatto al Litio).  
...
Ottima spiegazione...yes
Ezio55
14
gduca
gduca
29/11/2011 2093
Rispondi Abuso
Inserito il 23/04/2020 alle: 12:04:38
In risposta al messaggio di Fran50 del 23/04/2020 alle 02:15:12

Riallacciandomi ai miei due post precedenti e per cercare di spiegare in modo meno confuso quale secondo me potrebbe essere una soluzione di lieve  modifica a l'impianto elettrico del camper per caricare in tutte le condizioni
 in modo ottimale le lifep04 spendendo una cifra ragionevole utilizzando solo un alimentatore/covertitire DC/DC Inserisco due link a due schemi con piu' risoluzione e un elenco dei segnali o tensioni presenti sui connettori del derivatore NE196_T montato sul mio camper. Situazione Attuale       situazione modificata     Ingressi uscite derivatore      Cerco di spiegare quello che volevo fare: Scollegare l'alimentatotre  che adesso carica la bs (che non è predisposto per le litio) e collegarlo direttamente a caricare la bm settandolo per pimbo/acido. In questo modo si troverebbe in parallelo alla dinamo del mezzo, (come d'altronde adesso quando il motore è in moto e il camper e collegato alla 220). Collegherei  al polo positivo della bm un convertitore DC/DC ( 30A) che abbia le curve adatte per ricaricare le lifepo4 e la sua uscita la collegherei alla bs. In questo modo otterrei di alimentare sempre la bs con degli algoritmi specifici per le lifepo4 sia quando il camper è collegato alla 220 sia quando quando funziona l'alternatore del mezzo (quindi in viaggio) e limiterei la corrente assorbita dall' alternatore a 30A I covertitori/ alimentatori  DC/DC  (votronic, sterling power o simili) sono settabili e funzionano quando la tensione di ingresso supera il valore di circa 13,5V e quindi il convertitore/ alimentatore   alimenterebbe in questo caso la bs solo quando il camper è alimentato a 220 oppure è in moto. Per fare che tutto ciò funzioni occorre  però evitare ( vedere schema allegato) che le due batterie vadano in parallelo, con la presenza di Alimentazione 220V o motore in moto ( RE1 eccitato), pensavo quindi  sconnettere il connettore j1. con  j1 sconnesso e in assenza di 220V o motore in moto (RE1 aperto) mi troverei però ad avere mancanza di tensione (vedere schema ) sui seguenti pin: JP16-1 (pannello solare + battria di avviamento) jp4-1 (uscita + frigo diretta)  jp14 (uscita + side maker sx) jp 15 (uscita + side maker dx) I primi due pin jp16-1 e jp4-1 sono abbastanza sicuro che non sono utilizzati Gli altri due (jp14 e jp15) non so se sono utilizzati e ne a cosa servono, (devo verificare). Tutto questo capisco che è teoria ma in questo modo, con un convertitore DC/DC , con una spesa contenuta e con poche modifiche all'impianto elettrico del camper, riuscirei a caricare con algoritmi giusti una batteria litio sia con l' attuale alimentatore 220V (non predisposto per le litio)  che da alternatore de motore. Se qualche santo ha la pazienza di verificare quanto ho esposto e facesse dei commenti ne sarei grato, anche perchè con le correnti in gioco è facile farsi male o bruciare qualche apparecchiatura. Scusate ll lungo discorso e grazie a chi vorrà dedicare un poco di tempo a capire se quello che ho intenzione di fare è giusto oppure ci cono controindicazioni. Grazie
...
Non riesco ad aprire le tue foto, ma ho capito che hai la mia stessa centralina. Ho appena fatto la modifica del Votronic ragionando sia in ordine ad una futura installazione della batteria al Litio, sia per ottimizzare la mia attuale situazione con le batterie AGM.
Analizzando la mia situazione (credo in tutto e per tutto speculare alla tua). sono arrivato a questa conclusione:
è sufficiente sostituire solo il caricabatterie 220V e ti spiego il perchè:
1) la batteria dei servizi (litio) può essere ricaricata da tre fonti  :
     a) CB 220 (e quì avrai il suo dedicato)  OK! 
     b) pannello solare (ed anche qui avrai un regolatore con curva di ricarica dedicata collegato direttamente batteria servizi)    OK! 
    c) alternatore (in questo caso il Votronic viene attivato dal D+ e con la sua curva di ricarica, fatto apposta per le Litio, trasferisce la corrente dall'alternatore alla batteria dei servizi.  Scatta anche il relè parallelatore della centralina Nordelettronica ma con la modifica fatta sui cablaggi diventa ininfluente). OK!

2) Batteria motore.    Anche questa può essere ricaricata da tre fonti:

a) alternatore (non c'è dubbio)  OK!
b) carica batterie 220 (in questo caso scatta il relè parallelatore della centralina Nordelettronica ma la strada della corrente verso la batteria motore è interrotta dal Votronic -che senza tensione D+ non parallela -  Lo stesso Votronic però, sopra una certa soglia di tensione della batteria servizi lascia trafilare un pò di corrente di mantenimento per la batteria motore. OK?? credo non rovini la batteria motore anche se è un'altra curva di ricarica;
c) pannello solare.  Anche in questo caso vale quanto detto al precedente punto b)

In estrema sintesi, modifica fattibilissima a patto che quella poca corrente di mantenimento, fatta defluire dal Votronic dalla batteria servizi a quella del motore, non rovini quest'ultima.  Credo proprio di no, salvo interventi di chi mi può smentire.
Ho già visto che con una 50 di euro si può comprare un valido caricabatetrie per litio, più piccolo e leggero del Nordelettronica.

Ultimissima considerazione che si potrebbe fare è se collegare i pannelli solari in centralina Nordelettornica o direttamente in batteria.  Nonostante la predisposizione vedo che tutti gli installatori preferiscono la seconda soluzione. Avranno i loro validi motivi che attualmente mi sfuggono.
Fabrizio

Modificato da gduca il 23/04/2020 alle 12:48:49
10
il tornitore
il tornitore
rating

25/08/2015 6088
Rispondi Abuso
Inserito il 23/04/2020 alle: 12:19:19
In risposta al messaggio di gduca del 23/04/2020 alle 12:04:38

Non riesco ad aprire le tue foto, ma ho capito che hai la mia stessa centralina. Ho appena fatto la modifica del Votronic ragionando sia in ordine ad una futura installazione della batteria al Litio, sia per ottimizzare la
mia attuale situazione con le batterie AGM. Analizzando la mia situazione (credo in tutto e per tutto speculare alla tua). sono arrivato a questa conclusione: è sufficiente sostituire solo il caricabatterie 220V e ti spiego il perchè: 1) la batteria dei servizi (litio) può essere ricaricata da tre fonti  :      a) CB 220 (e quì avrai il suo dedicato)  OK!       b) pannello solare (ed anche qui avrai un regolatore con curva di ricarica dedicata collegato direttamente batteria servizi)    OK!      c) alternatore (in questo caso il Votronic viene attivato dal D+ e con la sua curva di ricarica, fatto apposta per le Litio, trasferisce la corrente dall'alternatore alla batteria dei servizi.  Scatta anche il relè parallelatore della centralina Nordelettronica ma con la modifica fatta sui cablaggi diventa ininfluente).OK! 2) Batteria motore.    Anche questa può essere ricaricata da tre fonti: a) alternatore (non c'è dubbio)  OK! b) carica batterie 220 (in questo caso scatta il relè parallelatore della centralina Nordelettronica ma la strada della corrente verso la batteria motore è interrotta dal Votronic -che senza tensione D+ non parallela -  Lo stesso Votronic però, sopra una certa soglia di tensione della batteria servizi lascia trafilare un pò di corrente di mantenimento per la batteria motore. OK?? credo non rovini la batteria motore anche se è un'altra curva di ricarica; c) pannello solare.  Anche in questo caso vale quanto detto al precedente punto b) In estrema sintesi, modifica fattibilissima a patto che quella poca corrente di mantenimento, fatta defluire dal Votronic dalla batteria servizi a quella del motore, non rovini quest'ultima.  Credo proprio di no, salvo interventi di chi mi può smentire. Ho già visto che con una 50 di euro si può comprare un valido caricabatetrie per litio, più piccolo e leggero del Nordelettronica. Ultimissima considerazione che si potrebbe fare è se collegare i pannelli solari in centralina Nordelettornica o direttamente in batteria.  Nonostante la predisposizione vedo che tutti gli installatori preferiscono la seconda soluzione. Avranno i loro validi motivi che attualmente mi sfuggono.
...
"In estrema sintesi, modifica fattibilissima a patto che quella poca corrente di mantenimento, fatta defluire dal Votronic dalla batteria servizi a quella del motore, non rovini quest'ultima.  Credo proprio di no, salvo interventi di chi mi può smentire."

Hai misurato la tensione che fornisce il Votronic alla BM?
Altro punto... Quando la BM è carica, va in mantenimento? Se si, con quale tensione?
Il Fai Da Te a Opera d'Arte - Marco
14
gduca
gduca
29/11/2011 2093
Rispondi Abuso
Inserito il 23/04/2020 alle: 12:46:53
In risposta al messaggio di il tornitore del 23/04/2020 alle 12:19:19

In estrema sintesi, modifica fattibilissima a patto che quella poca corrente di mantenimento, fatta defluire dal Votronic dalla batteria servizi a quella del motore, non rovini quest'ultima.  Credo proprio di no, salvo interventi
di chi mi può smentire. Hai misurato la tensione che fornisce il Votronic alla BM? Altro punto... Quando la BM è carica, va in mantenimento? Se si, con quale tensione?
...
Giusta osservazione, ma non so risponderti perchè attualmente ho ancora le batterie AGM. Sulla tensione di ricarica e di float immagino (ma verificherò) che essa sia la stessa della batteria dei servizi.  Facciamo quindi questa ipotesi per ragionare... facciamo finta che la tensione sia di 14,7, con corrente max di 1A (mi pare di ricordare che la corrente sia modulata), come la mettiamo? Roviniamo la batteria motore?  Questo è il dilemma!
Fabrizio
10
il tornitore
il tornitore
rating

25/08/2015 6088
Rispondi Abuso
Inserito il 23/04/2020 alle: 13:33:01
In risposta al messaggio di gduca del 23/04/2020 alle 12:46:53

Giusta osservazione, ma non so risponderti perchè attualmente ho ancora le batterie AGM. Sulla tensione di ricarica e di float immagino (ma verificherò) che essa sia la stessa della batteria dei servizi.  Facciamo quindi
questa ipotesi per ragionare... facciamo finta che la tensione sia di 14,7, con corrente max di 1A (mi pare di ricordare che la corrente sia modulata), come la mettiamo? Roviniamo la batteria motore?  Questo è il dilemma!
...
Per me non c'è il dilemma... Avevo già scritto prima che in questo caso non è la corrente il problema, ma la tensione alta.
Nel caso ipotizzato la tensione è alta, fa "bollire" la BM; alla lunga danneggia la BM poichè si consuma l'elettrolita e, da quello che vedo, le BM ora non possono più essere rabboccate. Per una batteria da avviamento tradizionale, non AGM, la tensione di carica massima è di 14,4V.. Già a questa tensione "bolle" l'elettrolita; constatato anche nella realtà, non solo teoricamente.

Per me, quando si è attaccati alla 230V o altre fonti all'infuori dell'alternatore basta una tensione di 13,8V (ovvero quella di mantenimento) per caricare la batteria, così la batteria durerà di più.
Il Fai Da Te a Opera d'Arte - Marco
14
gduca
gduca
29/11/2011 2093
Rispondi Abuso
Inserito il 23/04/2020 alle: 14:01:59
Apparentemente non ci sarebbe una soluzione, quindi, considerato che la "parallelazione" con la 220 non può essere inibita.  Però... intravedo un'altra soluzione. La curva di ricarica di una LifePo è leggermente più bassa di una AGM (come tensione). Leggo 14,4 per il primo Step poi un floating di 13,8, quindi andrebbe benissimo. Giusto?  
Mentre ti scrivo, il mezzo in rimessaggio, sta funzionando con l'impianto originale previsto dal costruttore, quindi il CB Nordelettronica che dovrebbe erogare 14,5V (non ha la curva giusta per le GreenPower AGM prodotte dalla NDS) . Verificherò con il Tester se questa è la tensione che arriva anche alla batteria motore, oppure se essa viene influenzata dalla lunghezza dei fili, o ancora da una funzione particolarmente intelligente del Votronic che non è menzionata nelle istruzioni.
Fabrizio
10
il tornitore
il tornitore
rating

25/08/2015 6088
Rispondi Abuso
Inserito il 23/04/2020 alle: 15:11:40
In risposta al messaggio di gduca del 23/04/2020 alle 14:01:59

Apparentemente non ci sarebbe una soluzione, quindi, considerato che la parallelazione con la 220 non può essere inibita.  Però... intravedo un'altra soluzione. La curva di ricarica di una LifePo è leggermente più bassa
di una AGM (come tensione). Leggo 14,4 per il primo Step poi un floating di 13,8, quindi andrebbe benissimo. Giusto?   Mentre ti scrivo, il mezzo in rimessaggio, sta funzionando con l'impianto originale previsto dal costruttore, quindi il CB Nordelettronica che dovrebbe erogare 14,5V (non ha la curva giusta per le GreenPower AGM prodotte dalla NDS) . Verificherò con il Tester se questa è la tensione che arriva anche alla batteria motore, oppure se essa viene influenzata dalla lunghezza dei fili, o ancora da una funzione particolarmente intelligente del Votronic che non è menzionata nelle istruzioni.
...
Nel mio caso con la centralina Nordelettronica NE185-11S che avevo e il CB Nordelettronica NE186 (settato su AGM erogava circa 14,7-14,8V).. Con la 230V la centralina metteva in parallelo BS-BM (con un relè più piccolo di quello usato durante il viaggio) quando il CB, dopo aver ricevuto la 230V, inviava ad essa il segnale di "Presenza Rete".
Io per evitare che, in presenza della 230V, la centralina mettesse in parallelo BS-BM potevo togliere il segnale "Presenza Rete" dalla centralina e mettere così i 2 CB senza alcun problema e ogni batteria veniva caricata in modo ottimale in modo indipendente. Se il segnale "Presenza Rete" serviva a certe utenze per commutare automaticamente a 230V (vedi frigo) mandavo direttamente al frigo il segnale senza passare dalla centralina.

Per quello che riportano diverse schede tecniche e anche ciò che mi è stato detto dai costruttori che ho contattato la tensione di carica "standard" è 14,6-14,65V per le lifepo4... Poi alcune possono accettare fino a 16V senza danneggiarsi, ma ovviamente ne riduce la vita se vengono caricate con tensioni oltre quella "standard".
14,4V per una lifepo4 van comunque bene tende ad essere bassa, ma avendo una tensione più bassa di carica la batteria soffre meno durando di più.
Il Fai Da Te a Opera d'Arte - Marco
15
Fran50
Fran50
21/05/2010 180
Rispondi Abuso
Inserito il 24/04/2020 alle: 00:22:04
In risposta al messaggio di IZ4DJI del 23/04/2020 alle 11:04:28

Non so secapita solo a me, ma non si aprono i link. Comunque ho capito cosa intendi. A 220 caricare solo la BM e da questa caricare la BS-Litio tramite il caricabatterie DC/DC. In teoria sembrerebbe essere una buona idea,
ma secondo me potrebbero esserci dellle criticità. Vero, il mio Votronic lo ho impostato che si attivi in presenza di D+, quindi slo a motore acceso, perchè ho un Alternatore Intelligente che mediamente tiene la BM a 12,8v.  Però, si potrebbe anche impostare che si avvii con l aumento della tensione , con un alternatore tradizionale. Mettiamo che il caricabatteria 220 carichi solo la BM, e che la porti a 13,5v , a quel punto partirebbe il caricabatterie DC-DC che eleva la tensione a circa 14,5v e carica la BS Litio. La carica con una corrente massima di 30A (nel caso del Votronic 1212-30). Però, per la differenza di voltaggio, dalla BM verrebbero prelevati circa 32/33A. Quanto puo caricare il tuo caricabatterie a 220 in maniera continuativa senza surriscaldarsi? Servirebeb un CB 220, secondo me, almeno da 35/40A, che penso non ci sia mai su un camper. A quel punto, meglio acquistare un CB 220 nuovo con la curva di carica per la Lifepo4, collegarlo alla BS, e lasciare la sola corrente di mantenimento massima di 1A alla BM, che ne ha piu che a sufficenza. Certo, spenderesti sia 170 euro del Votronic 1212-30 (o di prodotto equivalente) che del caricabatterie a 220 nuovo (non ho idea del costo) ma avresti un impianto piu semplice e efficente e sicuro, e poi eviti lo stress elevato alla BM che invece ci sarebeb con il sistema a cui pensavi tu. Pur senza scendere nel caso specifico, però, come discorso generale, mi sembra che possa essere come ho detto.
...
Grazie delle considerazioni che hai fatto.
Provo a inserire due nuovi link (prevalentemente per vedere se questi funzionano).

https://imgur.com/W6MFUwB


https://imgur.com/5PTormX


Tieni comunque presente:
- Che il mio caricabatterie fornisce al massimo 21A In effetti ha una tensione di mantenimento di 13,5
- Che ho perennemente collegato alla bs oltre ai pannelli anche un efoy 140, che ovviamente setteri su litio e quindi difficilmente mi troverei con la BS scarica che richieda 30A .
- Che il mio camper (su ducato X290 del marzo 2017 non ha l'alternatore intelligente).
- Che setteri il Votronic (o caricabatterie simile) a partire non con il d+ ma con una tensione di bm  di 13V , quindi entrerebbe in funzione solo in presenza solo con 220 o alternatore in funzione salvaguardando la batteria motore; credo che il votronic lo permetta.
Siccome attualmente ho una sola batteria AGM da 100A mi interesserebbe sostituirla con una litio da 100A prevalentemente per due motivi:
- Non avere un calo di tensione durante l'accensione della tuma diesel
- Ricaricare con più tranquillità le due batterie per e-bike da 600W ciascuna quando non ho a disposizione la 220V
Comunque non ho ancora deciso che strada prendere per cui ti ringrazio delle tue considerazioni e se ne vorrai fare ancora sono ben accette.
Due cose vorrei sapere se leggi questo post:
- I due link si aprono?
- Il Votronic, il manuale dice che è predisposto per le litio?  ho visto delle curve di carica che non ho capito molto.
Saluti
Francesco

 
Fran50
15
Fran50
Fran50
21/05/2010 180
Rispondi Abuso
Inserito il 24/04/2020 alle: 00:47:48
In risposta al messaggio di gduca del 23/04/2020 alle 12:04:38

Non riesco ad aprire le tue foto, ma ho capito che hai la mia stessa centralina. Ho appena fatto la modifica del Votronic ragionando sia in ordine ad una futura installazione della batteria al Litio, sia per ottimizzare la
mia attuale situazione con le batterie AGM. Analizzando la mia situazione (credo in tutto e per tutto speculare alla tua). sono arrivato a questa conclusione: è sufficiente sostituire solo il caricabatterie 220V e ti spiego il perchè: 1) la batteria dei servizi (litio) può essere ricaricata da tre fonti  :      a) CB 220 (e quì avrai il suo dedicato)  OK!       b) pannello solare (ed anche qui avrai un regolatore con curva di ricarica dedicata collegato direttamente batteria servizi)    OK!      c) alternatore (in questo caso il Votronic viene attivato dal D+ e con la sua curva di ricarica, fatto apposta per le Litio, trasferisce la corrente dall'alternatore alla batteria dei servizi.  Scatta anche il relè parallelatore della centralina Nordelettronica ma con la modifica fatta sui cablaggi diventa ininfluente).OK! 2) Batteria motore.    Anche questa può essere ricaricata da tre fonti: a) alternatore (non c'è dubbio)  OK! b) carica batterie 220 (in questo caso scatta il relè parallelatore della centralina Nordelettronica ma la strada della corrente verso la batteria motore è interrotta dal Votronic -che senza tensione D+ non parallela -  Lo stesso Votronic però, sopra una certa soglia di tensione della batteria servizi lascia trafilare un pò di corrente di mantenimento per la batteria motore. OK?? credo non rovini la batteria motore anche se è un'altra curva di ricarica; c) pannello solare.  Anche in questo caso vale quanto detto al precedente punto b) In estrema sintesi, modifica fattibilissima a patto che quella poca corrente di mantenimento, fatta defluire dal Votronic dalla batteria servizi a quella del motore, non rovini quest'ultima.  Credo proprio di no, salvo interventi di chi mi può smentire. Ho già visto che con una 50 di euro si può comprare un valido caricabatetrie per litio, più piccolo e leggero del Nordelettronica. Ultimissima considerazione che si potrebbe fare è se collegare i pannelli solari in centralina Nordelettornica o direttamente in batteria.  Nonostante la predisposizione vedo che tutti gli installatori preferiscono la seconda soluzione. Avranno i loro validi motivi che attualmente mi sfuggono.
...
Ti ringrazio per le considerazioni.
In effetti non ho ancora deciso che strada prendere, farò comunque tesoro delle tue riflessioni.

Siccome dici che abbiamo la stessa centralina mi piacerebbe capire (se lo sai) cosa alimentano i due connettori jp14 e jp15 (side-marker dx/sx), sul manuale la legenda del fusibile F1 che gli protegge (5A) riporta "Fusibile da 5A collegato alla batteria di avviamento per l'alimentazione delle luci side- maker"; nel manualetto inoltre viene riportato "Segnale side marker: l'uscita side-marker può essere attivata con un comando negativo sul blocchetto (connettore) jp13 pin 5 o con un comando positivo sul blocchetto jp13 pin 4.

Se ti interessa, Tempo fa, Nordelettronica mi ha inviato gli algoritmi di carica del caricabatterie NE287 21A per le varie impostazioni possibili.
saluti
Francesco
 
Fran50
10
il tornitore
il tornitore
rating

25/08/2015 6088
Rispondi Abuso
Inserito il 24/04/2020 alle: 01:54:14
In risposta al messaggio di Fran50 del 24/04/2020 alle 00:47:48

Ti ringrazio per le considerazioni. In effetti non ho ancora deciso che strada prendere, farò comunque tesoro delle tue riflessioni. Siccome dici che abbiamo la stessa centralina mi piacerebbe capire (se lo sai) cosa alimentano
i due connettori jp14 e jp15 (side-marker dx/sx), sul manuale la legenda del fusibile F1 che gli protegge (5A) riporta Fusibile da 5A collegato alla batteria di avviamento per l'alimentazione delle luci side- maker; nel manualetto inoltre viene riportato Segnale side marker: l'uscita side-marker può essere attivata con un comando negativo sul blocchetto (connettore) jp13 pin 5 o con un comando positivo sul blocchetto jp13 pin 4. Se ti interessa, Tempo fa, Nordelettronica mi ha inviato gli algoritmi di carica del caricabatterie NE287 21A per le varie impostazioni possibili. saluti Francesco  
...
I side marker sono le luci di ingombro esterne del camper.

Ora i link si apronoyes
La tua centralina NE196-T cambia veramente poco dalla mia NE186-11S.
Edit: il cavo che va a J1 andrebbe al Votronic, quindi può funzionare come faresti la modifica.
Personalmente adotterei un caricabatteria separato per la lifepo4.

Per la caduta di tensione della truma diesel.. Probabilmente il cavo ha una sezione esigua, spero sia lungo lo stretto necessario e le connessioni non sono fatte bene; ciò comporta una caduta di tensione considerevole.
Il Fai Da Te a Opera d'Arte - Marco

Modificato da il tornitore il 24/04/2020 alle 03:04:57
19
IZ4DJI
IZ4DJI
rating

12/11/2006 58406
Rispondi Abuso
Inserito il 24/04/2020 alle: 02:24:34
In risposta al messaggio di Fran50 del 24/04/2020 alle 00:22:04

Grazie delle considerazioni che hai fatto. Provo a inserire due nuovi link (prevalentemente per vedere se questi funzionano). Tieni comunque presente: - Che il mio caricabatterie fornisce al massimo 21A In effetti ha una
tensione di mantenimento di 13,5 - Che ho perennemente collegato alla bs oltre ai pannelli anche un efoy 140, che ovviamente setteri su litio e quindi difficilmente mi troverei con la BS scarica che richieda 30A . - Che il mio camper (su ducato X290 del marzo 2017 non ha l'alternatore intelligente). - Che setteri il Votronic (o caricabatterie simile) a partire non con il d+ ma con una tensione di bm  di 13V , quindi entrerebbe in funzione solo in presenza solo con 220 o alternatore in funzione salvaguardando la batteria motore; credo che il votronic lo permetta. Siccome attualmente ho una sola batteria AGM da 100A mi interesserebbe sostituirla con una litio da 100A prevalentemente per due motivi: - Non avere un calo di tensione durante l'accensione della tuma diesel - Ricaricare con più tranquillità le due batterie per e-bike da 600W ciascuna quando non ho a disposizione la 220V Comunque non ho ancora deciso che strada prendere per cui ti ringrazio delle tue considerazioni e se ne vorrai fare ancora sono ben accette. Due cose vorrei sapere se leggi questo post: - I due link si aprono? - Il Votronic, il manuale dice che è predisposto per le litio?  ho visto delle curve di carica che non ho capito molto. Saluti Francesco  
...
Ora i link si aprono perfettamente e immagini grandi e belle chiare.

Non ho analizzato a fondo gli schemi (non sono molto ferrato) ma ho visto un paio di cose.

Ha il caricabattereie 220 separato e esterno alla centralina, in questa situazione molto semplice, non avrei il minimo dubbio a sostituirlo con uno adatto a una Batteria Litio,
Sulla spesa di una batteria Litio, la spesa per un caricabatterie non incide piu di tanto.

Ho visto sullo schema come hai collegato il votronic ma così non va bene.
Visto che hai il rele parallelatore (quello da 70A) all interno della centralina devi usare uno schema differente e ben specificato sul manuale.

Lo schema 1 Standard va usato se non c'è una centralina con rele parallelatore interno e quindi se il rele parallelatore è raggiungibile, lo si elimina e il Votronic si mette al posto del rele parallelatore.

Lo schema 2 con EBL (pag 4) è quello che ho usato io perchè ho una centralina EBL SCHAUDT. Il rele parallelatore è interno e non raggiungibile.
Nella centralina originariamnete arrivano i cavi dalla BM e BS.
il morsetto dove si collega il cavo proveniente da BM (Start) e il morsetto +B1.
il morsetto dove si collega il cavo proveniente da BS (Board) è il morsetto +B2

Per installare il Votronic, ho staccato il cavo dal morsetto +B1 della centralina e collegato al +IN del Votronic Lo ho dovuto un po prolungare).
Poi dal +OUT del Votronic messo un cavo collegato al +B2 della centralina.

Forse si vede abbastanza bene da queste FOTO .

La tensione di 12,8v della BM entra nel Votronic, viene elevata a 14.5v (metto i miei valori) , esce dal Votronic, entra nella centralina, attraversa il rele parallelatore (Battery Separator Relay) che a motore acceso si chiude, e poi esce dalla centralina e va alla BS.

Però nella centralina EBL anche il caricabatterie a 220 è incorporato all interno della centralina.

Faccio un po fatica a seguire il tuo schema, ma è solo causa della mia scarsa comprensione della materia, e non certo per il tuo schema.

Poi sul manuale c'è uno schema 3 con EVS che dovrebbe essere per le centraline EVS Calira , ma non ci ho neppure guardato.

Lo schema 4 invece è per auto piu caravan o pickup con cellula scarrabile, dove l impianto viene diviso in due parti staccabili e anche li non ci ho guardato.

Cio che è importantissimo è che non ci sia nessun altro tipo di collegamento tra +BM e +BS perchè se ci foss equalcosa che li mette in comunicazione si rischia di bruciare il Votronic.

Io inizialmente avevo un parallelatore CBE CSB2 (che carica BM con 1A dalla BS) e non lo avevo eliminato.
Dopo poco il Voronic non andava piu. Quindi inviato in fabbrica e fortunatamente dopo 15 giorni me lo hanno restituito senza spese. Non si era rotto, ma si era bloccato il software caricato e quindi lo hanno dovuto riprogrammare. Poi eliminato il CSB2 (il cui fusibile era anche saltato) e poi sempre andato bene.
Sono apparecchi elettronici molto sofisticati e con un microprocessore, quindi basta un collegamento non corretto che si rischia di fare danni.



Sul manuale a pagina 11 c'è spiegato proprio la curva di carica del Votronic con settaggio per batteria Litio. Obbligatorio installare la sonda di temperatura (a corredo) sulla batteria Litio.


2020_04_23_23_51_131.png




Leggo che abbiamo due cose in comune, cioè L EFOY e la Combi Diesel.

 
____________________________________

Tommaso IZ4DJI

www.iz4dji.it




SostaGruppiCompagniItaliaEsteroMarchiMeccanicaCellulaAccessoriEventiLeggiComportamentiDisabiliIn camper perAltro CamperAltroExtra Attivi
Argomenti recenti dal forum
Aree di sosta e campeggi
Campeggio o AA per settimana di giugno
Buongiorno a tutti. Chiedo consigli per un campeggio senza troppe pretese o un area attre...
Omar73
43 minuti fa
Altro sui camper
Grande indecisione su nuovo mezzo ...
Buongiorno a tutti, chiedo l'aiuto di chi abbia avuto lo stesso dilemma. Sto considerando ...
franci700
Oggi alle 17:32
Cellula abitativa
Problema con letto basculante elettrico
Buongiorno, ho il letto basculante della dinette lippert con i comandi come da foto, no ch...
Davy
Oggi alle 12:09
Accessori
Problema stufa Trauma C 6002 - cambio miscelatore
Buongiorno a tutti, premetto: mi trovo in area di sosta giusto nel weekend di Pasqua e son...
Bubetto20
Oggi alle 10:17
Altro non sui camper
Auguri di Buona Pasqua!
Lo Staff e il Team di Moderazione di Camperonline.it augurano Buona Pasqua e felici viaggi...
Team di Mode...
Oggi alle 09:28
Altro non sui camper
La connessione non è privata Gli attaccanti potre
mi appare : La connessione non è privata Gli attaccanti potrebbero provare a impossessar...
salito
Oggi alle 08:31
Accessori
Victron Orion TR CC CC Smart
Ciao a tutti sono nuovo scusate eventuali errori. SITUAZIONE BM al piombo 100Ah BS al lit...
danbag
Oggi alle 08:29
Marchi
Laika ecovip 3l doppio serbatoio acqua comunicante
Buonasera a tutti, sono un nuovo camperista e da poco ho acquistato un laika ecovip 3 l de...
Alex86rm
Oggi alle 00:05
Cellula abitativa
Mobilvetta Driver 60g - pareti cellula?
Buongiorno a tutti, domani vado a vedere un mobilvetta top driver 60g del 2001 apparenteme...
madman82
Ieri alle: 19:14
Normative
Nuove regole per il rinnovo patente over 65
Ho letto che variano alcune regole per i rinnovi ... Nuove Norme Patente 2026 | Cosa D...
franco49tn
Ieri alle: 16:01
Meccanica
Interruttore inerziale: dove sei?
Visto che qui siamo in molti a non saperlo con precisione, io per primo, ho pensato che c...
norbidic
02/04/26 - 21:27
Accessori
Aggiornamento parabola aut. Teleco Flatsat Classic
Buongiorno, nel mio nuovo Elnagh Prince 550L ho trovato installato questa parabola automat...
mugnino
02/04/26 - 17:44
167k Facebook
343k Instagram
42,6k TikTok
73,3k Youtube
CamperOnLine - Copyright © 1998-2026 - P.Iva 06953990014
Informativa privacy
Loading...

Accedi

Recupera Password
Nuovo utente

Vuoi eliminare il messaggio?

Sottoscrizione

Anteprima

PREFERENZA

Il messaggio è in fase di inserimento.

loading

CamperOnLine

Buongiorno gentile utente,

da oltre 20 anni Camperonline offre gratuitamente tutti i suoi servizi
grazie agli inserzionisti che ci hanno dato la loro fiducia, permettici di continuare il nostro lavoro disattivando il blocco delle pubblicità.

Grazie della collaborazione.

Azione eseguita con successo

Azione Fallita

Condividi

Condividi questa pagina con:

O copia il link