CamperOnLine
  • Camper
    • Camper usati
    • Camper nuovi
    • Produttori
    • Listino
    • Cataloghi
    • Concessionari e rete vendita
    • Noleggio
    • Van
    • Caravan
    • Fiere
    • Rimessaggi
    • Le prove di CamperOnLine
    • Provati da voi
    • Primo acquisto
    • Area professionisti
  • Accessori
    • Accessori e Prodotti
    • Camping Sport Magenta accessori
    • Produttori
    • Antenne TV
    • Ammortizzatori
    • GPS
    • Pneumatici
    • Rimorchi
    • Provati da Voi
    • Fai da te
  • Viaggi
    • Diari di viaggi in camper
    • Eventi
    • Foto
    • Check list
    • Traghetti
    • Trasporti
  • Sosta
    • Cerca Strutture
    • Sosta
    • Aree sosta camper
    • Campeggi
    • Agriturismi con sosta camper
    • App Camperonline App
    • 10 Consigli utili per la sosta
    • Area strutture
  • Forum
    • Tutti i Forum
    • Sosta
    • Gruppi
    • Compagni
    • Italia
    • Estero
    • Marchi
    • Meccanica
    • Cellula
    • Accessori
    • Eventi
    • Leggi
    • Comportamenti
    • Disabili
    • In camper per
    • Altro Camper
    • Altro
    • Extra
    • FAQ
    • Regolamento
    • Attivi
    • Preferiti
    • Cerca
  • Community
    • COL
    • CamperOnFest
    • Convenzioni Convenzioni
    • Amici
    • Furti
    • Informativa Privacy
    • Lavoro
  • COL
    • News
    • Newsletter
    • Pubblicità
    • Contatto
    • Ora
    • RSS RSS
    • Video
    • Facebook
    • Instagram
  • Magazine
  • Italiano
    • Bienvenue
    • Welcome
    • Willkommen
  • Accedi
CamperOnLine
Camping Sport Magenta
  1. Forum
  2. Tecnica
  3. Accessori
Galleria

La centralina Elektroblock EBL 99 ricarica la BM?

Rispondi
Cerca
Berger Camping
SostaGruppiCompagniItaliaEsteroMarchiMeccanicaCellulaAccessoriEventiLeggiComportamentiDisabiliIn camper perAltro CamperAltroExtra Attivi
1 20 8
18
Rikardo
Rikardo
17/12/2007 615
Rispondi Abuso
Inserito il 13/12/2022 alle: 21:37:47
Come da titolo, chiedo a chi monta la centralina SCHAUDT ELEKTROBLOCK EBL 99 (quella azzurra) se dopo avere caricato le batterie servizi, ricarica anche la batteria motore.
Grazie, Riccardo. 

https://youtube.com/channel/UCI...

20
Claudio65
Claudio65
16/02/2006 1059
Rispondi Abuso
Inserito il 13/12/2022 alle: 22:08:15

http://ourbumble.com/wp-content...


pagina 8
ciao
18
Rikardo
Rikardo
17/12/2007 615
Rispondi Abuso
Inserito il 13/12/2022 alle: 22:23:43
Forse mi sono spiegato male, intendevo chiedere se ricarica la BM quando sei attaccato alla 220, (come mantenimento). 
Grazie Riccardo.

https://youtube.com/channel/UCI...


Modificato da Rikardo il 13/12/2022 alle 22:41:42
13
Elletufo
Elletufo
17/07/2012 333
Rispondi Abuso
Inserito il 14/12/2022 alle: 10:51:45
sempre a pag. 8
Battery charging via
Mains connector

                               ...
                               Starter battery
                              Charging current float charge max. 2A
a pag. 9
Mains charging of the

Starter battery               This feature provides an automatic max. 2 A float charge for the starter battery when the 230V mains                              is connected to the electrobloc.


 

Modificato da Elletufo il 14/12/2022 alle 10:52:44
18
Rikardo
Rikardo
17/12/2007 615
Rispondi Abuso
Inserito il 14/12/2022 alle: 12:39:27
Da quello che si legge con la 220 ataccata si carica anche la BM, diciamo che la mantiene più che ricaricare, perché fa filtrare solo 2 A.
Devo sostituirea la batteria motore e con l'occasione, se era necessario installavo un ripartitore di carica, ma a questo punto penso che non serva.
Grazie a tutti per i consigli.
Buone Feste, Riccardo.

https://youtube.com/channel/UCI...


Modificato da Rikardo il 14/12/2022 alle 12:41:10
Le statue di legno di Kivijärvi
Le statue di legno di Kivijärvi
Napoli & Caserta in camper
Napoli & Caserta in camper
Natale 2025 in centro Italia
Natale 2025 in centro Italia
Asturia, Cantabria e Paesi Baschi in cam
Asturia, Cantabria e Paesi Baschi in cam
Sala Silvergruva, la miniera d'argento
Sala Silvergruva, la miniera d'argento
Previous Next
17
Mazinga
Mazinga
11/10/2008 70
Rispondi Abuso
Inserito il 19/04/2023 alle: 14:26:14
In risposta al messaggio di Rikardo del 14/12/2022 alle 12:39:27

Da quello che si legge con la 220 ataccata si carica anche la BM, diciamo che la mantiene più che ricaricare, perché fa filtrare solo 2 A. Devo sostituirea la batteria motore e con l'occasione, se era necessario installavo un ripartitore di carica, ma a questo punto penso che non serva. Grazie a tutti per i consigli. Buone Feste, Riccardo.
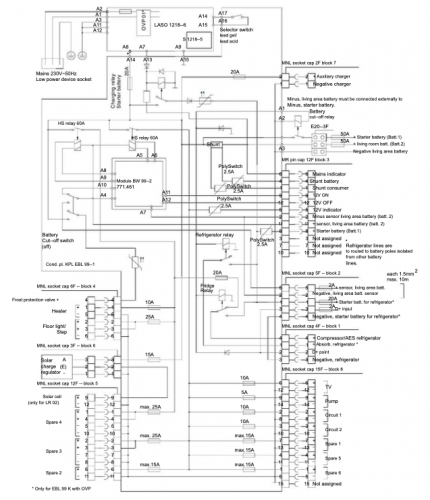
Buongiorno, ha mica una foto (o uno schema) dell'interno della centralina "elektroblock EBL 99". Devo sostituire due resistenze bruciate e non vedo il loro valore.
Grazie
EBL99_.jpg
7
Karbon17
Karbon17
rating

10/01/2019 2147
Rispondi Abuso
Inserito il 23/04/2023 alle: 14:08:26
In risposta al messaggio di Mazinga del 19/04/2023 alle 14:26:14

Buongiorno, ha mica una foto (o uno schema) dell'interno della centralina elektroblock EBL 99. Devo sostituire due resistenze bruciate e non vedo il loro valore. Grazie
image(4827).png

https://www.manualslib.com/manu...


Modificato da Karbon17 il 23/04/2023 alle 14:09:13
Scara
Scara
20/07/2025 2
Rispondi Abuso
Inserito il 21/07/2025 alle: 23:03:25
Io ho la stessa centralina ma non escono i 220v che vanno ad alimentare il frigo. Qualcuno saprebbe dirmi se è possibile ripararla oppure devo sostituirla? Grazie 
6
Szopen
Szopen
rating

06/09/2019 6069
Rispondi Abuso
Inserito il 22/07/2025 alle: 08:33:36
In risposta al messaggio di Scara del 21/07/2025 alle 23:03:25

Io ho la stessa centralina ma non escono i 220v che vanno ad alimentare il frigo. Qualcuno saprebbe dirmi se è possibile ripararla oppure devo sostituirla? Grazie 
Il frigo per funzionare a 230V dev’essere collegato direttamente alla linea 230V del camper, la stessa linea che alimenta la centralina EBL, le varie prese e qualsiasi altro accessorio a bordo che richiede una tensione di 230V per il suo funzionamento. 

Non è la centralina a farlo funzionare a 230V. 

Ciro. 
nomade analogico e fanciulla all'imbrunire. Non ho nulla da vendere nè consigli da dare, solo qualche piccolo suggerimento da prendere con le pinze, possibilmente, amperometriche. Buoni Km a tutti e......... rammentate sempre che....... TESTAR NON NUOCE!
SostaGruppiCompagniItaliaEsteroMarchiMeccanicaCellulaAccessoriEventiLeggiComportamentiDisabiliIn camper perAltro CamperAltroExtra Attivi
Argomenti recenti dal forum
Cellula abitativa
Isolamento pavimento
Buonasera ragazzi, non avendo sul mio veicolo (semintegrale) il doppio pavimento, volevo, ...
fjordland
Ieri alle: 20:43
Altro sui camper
Finestra scardinata dal vento
Buonasera. Chiedo consiglio ai più esperti di me: L’altro giorno mentre eravamo in sosta c...
vaicolvento
Ieri alle: 19:23
Altro sui camper
Camperista sprovveduto cerca aiuto
Preambolo: trovo un camper da un concessionario che vende camper usati. Il camper è del 20...
crucco_02
Ieri alle: 15:45
Accessori
Batteria Litio per ADRIA TWIN SPORT 640 (2024)
Ho letto migliaia di post su questo argomento ma onestamente non ho le idee chiare su cosa...
mavalle
Ieri alle: 14:23
Meccanica
Motore Ford 2200cdi 100cv
Buongiorno a tutti, sto acquistando un camper del 2007 semintegrale, allestimento MC Louis...
FM79
Ieri alle: 09:04
Altro sui camper
Sabotaggio?
Ultimamente ho la sensazione che gli interventi sul forum siano diminuiti. I messaggi dell...
Giovanni
09/04/26 - 16:52
Meccanica
Aiuto ducato 230 anno 2000
Ho subito un danno al vano motore dove un gatto rimasto intrappolato ha strappato alcuni f...
antonio867
09/04/26 - 16:26
Cellula abitativa
Specchio retrovisore e remis ducato 8
Ciao a tutti, come da titolo sul mio van su Ducato 2025 non ho lo specchio retrovisore, ma...
volvo960
09/04/26 - 16:20
Accessori
copricerchi hymer b544 anno 1997
Ciao sto cercando senza fortuna i copricerchi quelli argentati e bombati per intenderci sa...
suoz
09/04/26 - 16:07
Cellula abitativa
Letti gemelli basculanti su Chausson 630 Welcome
Salve il mio camper è dotato di due letti gemelli basculanti che si abbassano e una person...
ernesto24
09/04/26 - 14:17
Accessori
Il frigo mi ha abbandonato...lo cambio?
Dopo poco più di 8 anni di onorato servizio, il mio Vitrifrigo a compressore mi ha abbando...
sport15
08/04/26 - 23:00
Cellula abitativa
Frigo 12v non friga!
Ciao a tutti, il mio frigo Dometic rm 7405l 90 litri su laika 595xr del 2009, quando vado ...
camperdavide
08/04/26 - 21:58
167k Facebook
343k Instagram
42,6k TikTok
73,3k Youtube
CamperOnLine - Copyright © 1998-2026 - P.Iva 06953990014
Informativa privacy
Loading...

Accedi

Recupera Password
Nuovo utente

Vuoi eliminare il messaggio?

Sottoscrizione

Anteprima

PREFERENZA

Il messaggio è in fase di inserimento.

loading

CamperOnLine

Buongiorno gentile utente,

da oltre 20 anni Camperonline offre gratuitamente tutti i suoi servizi
grazie agli inserzionisti che ci hanno dato la loro fiducia, permettici di continuare il nostro lavoro disattivando il blocco delle pubblicità.

Grazie della collaborazione.

Azione eseguita con successo

Azione Fallita

Condividi

Condividi questa pagina con:

O copia il link