CamperOnLine
  • Camper
    • Camper usati
    • Camper nuovi
    • Produttori
    • Listino
    • Cataloghi
    • Concessionari e rete vendita
    • Noleggio
    • Van
    • Caravan
    • Fiere
    • Rimessaggi
    • Le prove di CamperOnLine
    • Provati da voi
    • Primo acquisto
    • Area professionisti
  • Accessori
    • Accessori e Prodotti
    • Camping Sport Magenta accessori
    • Produttori
    • Antenne TV
    • Ammortizzatori
    • GPS
    • Pneumatici
    • Rimorchi
    • Provati da Voi
    • Fai da te
  • Viaggi
    • Diari di viaggi in camper
    • Eventi
    • Foto
    • Check list
    • Traghetti
    • Trasporti
  • Sosta
    • Cerca Strutture
    • Sosta
    • Aree sosta camper
    • Campeggi
    • Agriturismi con sosta camper
    • App Camperonline App
    • 10 Consigli utili per la sosta
    • Area strutture
  • Forum
    • Tutti i Forum
    • Sosta
    • Gruppi
    • Compagni
    • Italia
    • Estero
    • Marchi
    • Meccanica
    • Cellula
    • Accessori
    • Eventi
    • Leggi
    • Comportamenti
    • Disabili
    • In camper per
    • Altro Camper
    • Altro
    • Extra
    • FAQ
    • Regolamento
    • Attivi
    • Preferiti
    • Cerca
  • Community
    • COL
    • CamperOnFest
    • Convenzioni Convenzioni
    • Amici
    • Furti
    • Informativa Privacy
    • Lavoro
  • COL
    • News
    • Newsletter
    • Pubblicità
    • Contatto
    • Ora
    • RSS RSS
    • Video
    • Facebook
    • Instagram
  • Magazine
  • Italiano
    • Bienvenue
    • Welcome
    • Willkommen
  • Accedi
CamperOnLine
Camping Sport Magenta
  1. Forum
  2. Tecnica
  3. Accessori
Galleria

Relé parallelatore centralina Schaudt

Rispondi
Cerca
Berger Camping
SostaGruppiCompagniItaliaEsteroMarchiMeccanicaCellulaAccessoriEventiLeggiComportamentiDisabiliIn camper perAltro CamperAltroExtra
1 20 49
19
Obelix 1
Obelix 1
22/02/2007 1039
Rispondi Abuso
Inserito il 12/10/2023 alle: 11:42:16
Vorrei montare un caricabatterie dedicato alla LiFePO4, qualcuno mi sa indicare come posso escludere il relé parallelatore interno alla schaudt EBL 262/3 ?
Obelix
7
Hunter85
Hunter85
15/06/2018 11024
Rispondi Abuso
Inserito il 12/10/2023 alle: 12:05:41
In risposta al messaggio di Obelix 1 del 12/10/2023 alle 11:42:16

Vorrei montare un caricabatterie dedicato alla LiFePO4, qualcuno mi sa indicare come posso escludere il relé parallelatore interno alla schaudt EBL 262/3 ? Obelix
Se è come le schaudt più vecchie, all interno si vede il relè e i 2 fili della bobina. D+ e massa..basta staccare uni dei 2. 
ma probabilmente c'è un sistema migliore.
Sul sito ci sono tutti i manuali.
In un mondo dove il male è di casa e ha vinto sempre, Dove regna il capitale, oggi più spietatamente, Riusciranno questo brocco e questo inutile scudiero Al Potere dare scacco e salvare il mondo intero?
19
Obelix 1
Obelix 1
22/02/2007 1039
Rispondi Abuso
Inserito il 12/10/2023 alle: 12:31:07
In risposta al messaggio di Hunter85 del 12/10/2023 alle 12:05:41

Se è come le schaudt più vecchie, all interno si vede il relè e i 2 fili della bobina. D+ e massa..basta staccare uni dei 2.  ma probabilmente c'è un sistema migliore. Sul sito ci sono tutti i manuali.
Grazie per la risposta.
sul sito schaudt ho trovato il manuale di utilizzo
 

https://www.schaudt.gmbh/downlo...


con uno schema elettrico, ma ti chiedo di perdonare la mia incompetenza, non mi è chiaro se devo staccare il rele chiamato
" rele di caricamento batteria di avviamento"
oppure 
" batteria rele di separazione"
oppure tutti e due.
chiedevo perchè magari qualcuno lo ha già fatto e c'è un sistema più semplice, (come esempio togliere il fusibile lademodul per inibire il caricabatteria)
Obelix
7
Hunter85
Hunter85
15/06/2018 11024
Rispondi Abuso
Inserito il 12/10/2023 alle: 12:41:29
In risposta al messaggio di Obelix 1 del 12/10/2023 alle 12:31:07

Grazie per la risposta. sul sito schaudt ho trovato il manuale di utilizzo   con uno schema elettrico, ma ti chiedo di perdonare la mia incompetenza, non mi è chiaro se devo staccare il rele chiamato rele di caricamento
batteria di avviamento oppure  batteria rele di separazione oppure tutti e due. chiedevo perchè magari qualcuno lo ha già fatto e c'è un sistema più semplice, (come esempio togliere il fusibile lademodul per inibire il caricabatteria) Obelix
...
Qualcuno ti dirà sicuramente la procedura più semplice.

Comunque semmai è il relè di separazione. 
Il relè caricamento batteria da avviamento dovrebbe essere per il caricabatterie.
Probabilmente è a 3 vie.
Quando la bs sotto Caricabatterie supera una certa tensione, passa alla bm o le parallela.
Sul camper attuale ho un selettore manuale dal Caricabatterie per decidere se bs o bm. Nessun relè.


Quello da ALTERNATORE però è il relè di separazione.

Nella mia vecchia schaudt un solo relè faceva entrambe le cose se ricordo bene.
​​​​​​se togli il fusibile sul cavo proveniente da bm è possibile che non vada più il frigorifero però. Solitamente il relè frigorifero proviene da bm.

 
In un mondo dove il male è di casa e ha vinto sempre, Dove regna il capitale, oggi più spietatamente, Riusciranno questo brocco e questo inutile scudiero Al Potere dare scacco e salvare il mondo intero?
19
IZ4DJI
IZ4DJI
rating

12/11/2006 58356
Rispondi Abuso
Inserito il 12/10/2023 alle: 17:09:47
In risposta al messaggio di Obelix 1 del 12/10/2023 alle 11:42:16

Vorrei montare un caricabatterie dedicato alla LiFePO4, qualcuno mi sa indicare come posso escludere il relé parallelatore interno alla schaudt EBL 262/3 ? Obelix
Caricabatterie di che tipo?  Intendi caricabatterie 220 o un DC-DC cioè un caricabatterie da alternatore mentre viaggi?

In entrambi i casi, non dovrebbe essere necessario manomettere la centralina, ma si fa tutto esternamente.
____________________________________

Tommaso IZ4DJI

www.iz4dji.it





Modificato da IZ4DJI il 12/10/2023 alle 17:11:18
Sala Silvergruva, la miniera d'argento
Sala Silvergruva, la miniera d'argento
Folgaria d’inverno in camper
Folgaria d’inverno in camper
Francia 2025
Francia 2025
Eksjo, la città di legno
Eksjo, la città di legno
Viaggio in Umbria e dintorni
Viaggio in Umbria e dintorni
Previous Next
8
Moby  Dick
Moby Dick
15/11/2017 623
Rispondi Abuso
Inserito il 13/10/2023 alle: 08:59:42
In risposta al messaggio di Obelix 1 del 12/10/2023 alle 11:42:16

Vorrei montare un caricabatterie dedicato alla LiFePO4, qualcuno mi sa indicare come posso escludere il relé parallelatore interno alla schaudt EBL 262/3 ? Obelix
Ciao Obelix,
secondo me devi escludere il relè di separazione ed anche il caricabatterie di rete perchè non è predisposto per le litio.
Potresti semplicemente staccare il connettore di rete dalla Schaudt per escluderlo e poi utilizzare un caricabatterie esterno idoneo alle nuove batterie, se invece togli semplicemente il fusibile da 20 A ,si che lo escludi ma, rimane comunque alimentato da rete 220 per nulla.
Oppure visto che tanto devi aprire la Schaudt per interrompere un filo della bobina del relè di separazione, potresti anche interrompere il filo (o la pista) segata con la crocetta azzurra in modo da escludere la carica delle BS ma rimane funzionante la carica della BM e la spia arancione di presenza rete sul pannello di comando LT452.
Io la modifica di interruzione relè di separazione che ho fatto un pò di tempo fa, anzichè interrompere semplicemente il filo della bobina ho interposto un deviatore in modo da scegliere se usare il booster oppure ripristinare come in origine con il relè di separazione.
Cattura4(10).PNG
Cattura3(9).PNG
bongybongy
19
IZ4DJI
IZ4DJI
rating

12/11/2006 58356
Rispondi Abuso
Inserito il 13/10/2023 alle: 10:52:44
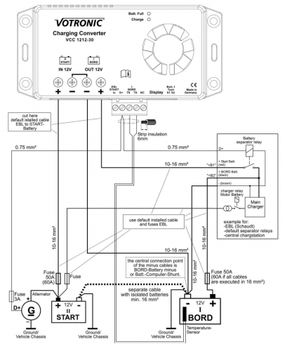
Quando si avvia il motore il rele parallelatore sta chiuso, e quindi è passante come se non ci fosse.
Seguendo lo schema della Votronic, il booster viene collegato in ingresso alla centralina , quindi tramite il rele che è chiuso e passante invia la corrente alla BS senza dovere modificare la centralina.

Screenshot%20-%2013_10_2023%20%2C%2010_47_02.png

Screenshot%20-%2013_10_2023%20%2C%2010_47_21.png
Screenshot%20-%2013_10_2023%20%2C%2010_47_43.png

In pratica ci si colega unicamente ai grossi morsetti dove sono collegati i cavi delel batterie, senza dovere aprire la centralina o manometterla. In caso di guasto del booster, con un cavallotto si elimina il booster ripristinando il funzionamento standard dell impianto.


Riguardo al caricabatteria 220, sulla mia EBL29 (ma anche sulla precedente EBL 101 e quindi immagino su tutte) , c'è un fusibile "internes Lademodul" che se tolto esclude il caricabatteria 220 interno, e poi c'è un connettore Block7 dove collegare un eventuale altro caricabatteria 220 esterno, per esempio quello adatto alla Litio (ma ci si puo collegare li un Efoy, un generatore a benzina o altro).

Capture(10).JPG



Parlo di EBL29 e di EBL101 supponendo che anche altre centraline schaudt siano simili, ma non conosco quella in oggetto.
 
____________________________________

Tommaso IZ4DJI

www.iz4dji.it




8
Moby  Dick
Moby Dick
15/11/2017 623
Rispondi Abuso
Inserito il 13/10/2023 alle: 11:24:34
Purtroppo sull'EBL 262-3 è differente, bisogna per forza aprirla per escludere il relè di separazione perchè non è compatibile con il Booster altrimenti quel relè metterebbe in parallelo le BS con la BM e inibirebbe il vantaggio del DC-DC
Allego risposta di un ingeniere Schaudt quando posi il problema:

Cattura1(17).PNG
Cattura2(21).PNG
 
bongybongy
19
IZ4DJI
IZ4DJI
rating

12/11/2006 58356
Rispondi Abuso
Inserito il 13/10/2023 alle: 18:07:43
In risposta al messaggio di Moby Dick del 13/10/2023 alle 11:24:34

Purtroppo sull'EBL 262-3 è differente, bisogna per forza aprirla per escludere il relè di separazione perchè non è compatibile con il Booster altrimenti quel relè metterebbe in parallelo le BS con la BM e inibirebbe il vantaggio del DC-DC Allego risposta di un ingeniere Schaudt quando posi il problema:  
Grazie, molto interessante, anche se non mi serve direttamente, fa piacere imparare qualcosa di nuovo e esposto molto chiaramente.
____________________________________

Tommaso IZ4DJI

www.iz4dji.it




7
Hunter85
Hunter85
15/06/2018 11024
Rispondi Abuso
Inserito il 13/10/2023 alle: 18:19:45
In risposta al messaggio di Moby Dick del 13/10/2023 alle 08:59:42

Ciao Obelix, secondo me devi escludere il relè di separazione ed anche il caricabatterie di rete perchè non è predisposto per le litio. Potresti semplicemente staccare il connettore di rete dalla Schaudt per escluderlo
e poi utilizzare un caricabatterie esterno idoneo alle nuove batterie, se invece togli semplicemente il fusibile da 20 A ,si che lo escludi ma, rimane comunque alimentato da rete 220 per nulla. Oppure visto che tanto devi aprire la Schaudt per interrompere un filo della bobina del relè di separazione, potresti anche interrompere il filo (o la pista) segata con la crocetta azzurra in modo da escludere la carica delle BS ma rimane funzionante la carica della BM e la spia arancione di presenza rete sul pannello di comando LT452. Io la modifica di interruzione relè di separazione che ho fatto un pò di tempo fa, anzichè interrompere semplicemente il filo della bobina ho interposto un deviatore in modo da scegliere se usare il booster oppure ripristinare come in origine con il relè di separazione.
...
A parte l ottima spiegazione sull esclusione del parallelaTore...
cosa di preciso non è adatto per lifepo4 del caricabatterie della schaudt in oggetto?

La tensione di assorbimento? 
Il tempo di assorbimento?
La tensione di mantenimento?

Solitamente questo tipo di centraline, hanno un oorgramma denominato Gel che viene compatibile con i parametri raccomandati per le batterie lifepo4. (Assorbimento 14.2-14.4, mantenimento 13.5-13.6)..

Non conosco quel modello specifico. Ma va analizzato tutto il programma di carica per dire se è adatto o meno a una tal batteria.

Io sul camper ho il Cb originale Campoli di 33 anni che ha un funzionamento adattissimo a batterie lifepo4.

Nessuna fase a tensione costante (assorbimento)

Solo massima corrente fino a 14.5 e tensione ovviamente in aumento.
poi appena la corrente scende, scende anche la tensione...fino a 13.6.

Quindi è perfetto per lifepo4..e si può anche staccare con selettore, o passare su bm.

L unica cosa cattiva è che è da solo 5A.

Semmai quel caricabatterie non è perfetto per AGM(non avendo una lunga fase di assorbimento) ..ma si per lifepo4. Nonostante sia di 33 anni fa.


Faccio un esempio pratico:

Proprio ora ho esaminato l algoritmo di carica del caricabatterie CBE 516.
Tecnicamente non dato per lifepo4.
Ebbene il programma A, ha un assorbimento a 14.1 breve, e un mantenimento a 13.5.
La copia del programma lifepo4 victron. Anzi, lnassorbimento victron è 14.2.

Migliaia di camperisti butteranno il CBE 516 per passare a lifepo4, sicuramente plagiati dall' installatore furbo o ignorante.

Quando è perfetto per lifepo4 pur senza avere la scritta soprawink
 
In un mondo dove il male è di casa e ha vinto sempre, Dove regna il capitale, oggi più spietatamente, Riusciranno questo brocco e questo inutile scudiero Al Potere dare scacco e salvare il mondo intero?

Modificato da Hunter85 il 13/10/2023 alle 18:49:45
8
Moby  Dick
Moby Dick
15/11/2017 623
Rispondi Abuso
Inserito il 13/10/2023 alle: 22:08:22
In risposta al messaggio di Hunter85 del 13/10/2023 alle 18:19:45

A parte l ottima spiegazione sull esclusione del parallelaTore... cosa di preciso non è adatto per lifepo4 del caricabatterie della schaudt in oggetto? La tensione di assorbimento?  Il tempo di assorbimento? La tensione
di mantenimento? Solitamente questo tipo di centraline, hanno un oorgramma denominato Gel che viene compatibile con i parametri raccomandati per le batterie lifepo4. (Assorbimento 14.2-14.4, mantenimento 13.5-13.6).. Non conosco quel modello specifico. Ma va analizzato tutto il programma di carica per dire se è adatto o meno a una tal batteria. Io sul camper ho il Cb originale Campoli di 33 anni che ha un funzionamento adattissimo a batterie lifepo4. Nessuna fase a tensione costante (assorbimento) Solo massima corrente fino a 14.5 e tensione ovviamente in aumento. poi appena la corrente scende, scende anche la tensione...fino a 13.6. Quindi è perfetto per lifepo4..e si può anche staccare con selettore, o passare su bm. L unica cosa cattiva è che è da solo 5A. Semmai quel caricabatterie non è perfetto per AGM(non avendo una lunga fase di assorbimento) ..ma si per lifepo4. Nonostante sia di 33 anni fa. Faccio un esempio pratico: Proprio ora ho esaminato l algoritmo di carica del caricabatterie CBE 516. Tecnicamente non dato per lifepo4. Ebbene il programma A, ha un assorbimento a 14.1 breve, e un mantenimento a 13.5. La copia del programma lifepo4 victron. Anzi, lnassorbimento victron è 14.2. Migliaia di camperisti butteranno il CBE 516 per passare a lifepo4, sicuramente plagiati dall' installatore furbo o ignorante. Quando è perfetto per lifepo4 pur senza avere la scritta sopra  
...
Ho detto che non è idoneo solo per il fatto che non sta scritto sopra al selettore oltre agm e gel, non essendo io un tecnico lo davo per scontato ignorantemente come tanti altri come dici Tu.
yes
bongybongy
7
Hunter85
Hunter85
15/06/2018 11024
Rispondi Abuso
Inserito il 14/10/2023 alle: 11:02:45
In risposta al messaggio di Moby Dick del 13/10/2023 alle 22:08:22

Ho detto che non è idoneo solo per il fatto che non sta scritto sopra al selettore oltre agm e gel, non essendo io un tecnico lo davo per scontato ignorantemente come tanti altri come dici Tu.
Ah ok.. nemmeno io conosco i dettagli degli algoritmi disponibili di quella particolare centralina.

È solo per evitare che qualcuno butti o disattivi un Cb di serie magari senza motivo,...

Il caso del CBE 516 è emblematico che sul programma A, ha parametri molto adatti a lifepo4.

E nonostante la stessa CBE ha fatto una versione solo per litio ovviamente, con minime variazioni. Per vendere.

Quindi bisogna valutare soprattutto la gestione del fine carica. Se il Cb di serie si stacca o fa un mantenimento a tensione molto bassa , 9 su 10 sarà adatto per lifepo4.
Anche se magari le opzioni si chiamano gel, AGM e pinco pallino smiley.

Dopotutto se uno analizza le impostazioni dei programmi litio di 3 costruttori diversi troverà 3 idee diverse.

Esempio

Litio victron
Assorbimento a 14.2, 2 ore.
Mantenimento a 13.5.

Litio NDS
Assorbimento a 14.6, a oltranza fino a che la corrente cade sotto 3A( valore adatto solo a certe capacità e circostanze per esempio).
Mantenimento a 13.7.

Litio epever
Assorbimento 14.4 ,2 ore
Mantenimento 13.8.

Vi sono costruttori con programmi gel, secondo me molto più idonei a lifepo4 del programma litio epever o NDS..per esempio.

I nomi lasciano il tempo che trovano.

Quello che conta sono i parametri dei vari programmi , e il confronto di questi ultimi con le raccomandazioni del produttore della batteria.

Secondo me se uno vuole proprio cambiare Cb dopo il.oassaggio a lifepo4, lo faccia per un Cb totalmente programmabile a piacere..
Questi Cb sono veramente adatti a tutte le batterie del mondo ed esigenze di utilizzo.
Poiché ogni parametro è gestibile.
In un mondo dove il male è di casa e ha vinto sempre, Dove regna il capitale, oggi più spietatamente, Riusciranno questo brocco e questo inutile scudiero Al Potere dare scacco e salvare il mondo intero?
Argomenti recenti dal forum
Altro non sui camper
Suggerimento a Team di Moderazione
Stanno proliferando interventi che riguardano l'impianto elettrico: ...
Fisool
Ieri alle: 21:56
Accessori
Batteria al litio e centralina arsilicii rossa
Buonasera a tutti, un consiglio da i più esperti, posso montare una ...
Pepeago
Ieri alle: 16:29
Cellula abitativa
Moquette ed - eventualmente - tappezziere
Ciao a tutti, ho cercato ma le ultime discussioni risalgono al 2020 ...
atomant
Ieri alle: 12:20
Meccanica
Parasassi - Locaro passaruota Ducato 2026
Buongiorno a tutti, Sono nuovo dell'ambiente, ma sono molto felice d...
RollingLedger
Ieri alle: 09:57
Accessori
CBE CSB2 sempre acceso + info su reg.carica
CIao a tutti, ho una Adriatik 572 del 2005 con centralina EBL 208 S ...
dav8989
Ieri alle: 07:41
Accessori
Waeco cruiscontroll Ms 900
Chi lo ha montato su ducato 3000cc del 2010 mi spiega come funziona ...
flavius67
15/03/26 - 21:12
Accessori
Impianto 13 poli gancio traino schema
Ciao a tutti, Dubito di risolvere, ma la community qui é numerosa e ...
maaaxxx
15/03/26 - 18:27
Meccanica
Un aiutino da casa x Crossclimate
Mi sono un po perso sulle pressioni corrette , il mezzo è su Ducato ...
dadamazz
15/03/26 - 18:05
Aree di sosta e campeggi
Area sosta sul lago di Barcis
Ciao a tutti , qualcuno è stato a Pasqua nell'area sosta camper a Ba...
diabolik
15/03/26 - 16:14
Accessori
Interpretare smartshunt
Buongiorno, nel cammin di mezza via . . . Mi ritrovo con 2 BS 110AH ...
isauri
15/03/26 - 15:21
Accessori
monitoraggio pressione pneumatici
Buongiorno a tutti, volevo chiedere se qualcuno ha montato un TPMS d...
Walter62
15/03/26 - 14:11
Aree di sosta e campeggi
Area sosta a primaluna Lecco
Buongiorno chiedo x piacere,,qualcuno e stato recentemente all,area ...
giuvanella
15/03/26 - 13:26
Cellula abitativa
Cavi dietro sedile lato passeggero ducato 244
Buongiorno a tutti, sul mio ducato 244 esce dietro il sedile una lin...
CamperistaPN
15/03/26 - 08:55
Meccanica
Arca america 2024
Buonasera a tutti, vorrei capire se il camper in oggetto può già ave...
Adocaro
14/03/26 - 19:14
Cellula abitativa
motorhome hymer 2003 non carica bs
Buongiorno a tutti, ho un problema e spero nel Vostro aiuto. Attacc...
salva56
14/03/26 - 14:29
19
Obelix 1
Obelix 1
22/02/2007 1039
Rispondi Abuso
Inserito il 15/10/2023 alle: 00:02:35
In risposta al messaggio di IZ4DJI del 12/10/2023 alle 17:09:47

Caricabatterie di che tipo?  Intendi caricabatterie 220 o un DC-DC cioè un caricabatterie da alternatore mentre viaggi? In entrambi i casi, non dovrebbe essere necessario manomettere la centralina, ma si fa tutto esternamente.
Entrambi i caricabatterie.
Giustamente come hai scritto per evitare di caricare la batteria servizi con il caricabatterie originale bisogna togliere il fusibile "...lademodul".
per evitare invece di mettere in parallelo la batteria motore e la batteria servizi al litio( manovra che può essere dannosa per l'alternatore) si può  staccare il cavo che collega la BM al Schaudt, ma così facendo si inibisce anche il caricamento della batteria motore, oppure bisogna manomettere la centralina  come ha consigliato Moby Dick, 
Obelix
19
Obelix 1
Obelix 1
22/02/2007 1039
Rispondi Abuso
Inserito il 15/10/2023 alle: 00:03:25
In risposta al messaggio di Moby Dick del 13/10/2023 alle 08:59:42

Ciao Obelix, secondo me devi escludere il relè di separazione ed anche il caricabatterie di rete perchè non è predisposto per le litio. Potresti semplicemente staccare il connettore di rete dalla Schaudt per escluderlo
e poi utilizzare un caricabatterie esterno idoneo alle nuove batterie, se invece togli semplicemente il fusibile da 20 A ,si che lo escludi ma, rimane comunque alimentato da rete 220 per nulla. Oppure visto che tanto devi aprire la Schaudt per interrompere un filo della bobina del relè di separazione, potresti anche interrompere il filo (o la pista) segata con la crocetta azzurra in modo da escludere la carica delle BS ma rimane funzionante la carica della BM e la spia arancione di presenza rete sul pannello di comando LT452. Io la modifica di interruzione relè di separazione che ho fatto un pò di tempo fa, anzichè interrompere semplicemente il filo della bobina ho interposto un deviatore in modo da scegliere se usare il booster oppure ripristinare come in origine con il relè di separazione.
...
grazie del consiglio
Obelix
7
Hunter85
Hunter85
15/06/2018 11024
Rispondi Abuso
Inserito il 15/10/2023 alle: 19:37:29
In risposta al messaggio di Obelix 1 del 15/10/2023 alle 00:02:35

Entrambi i caricabatterie. Giustamente come hai scritto per evitare di caricare la batteria servizi con il caricabatterie originale bisogna togliere il fusibile ...lademodul. per evitare invece di mettere in parallelo la
batteria motore e la batteria servizi al litio( manovra che può essere dannosa per l'alternatore) si può  staccare il cavo che collega la BM al Schaudt, ma così facendo si inibisce anche il caricamento della batteria motore, oppure bisogna manomettere la centralina  come ha consigliato Moby Dick,  Obelix
...
per evitare invece di mettere in parallelo la batteria motore e la batteria servizi al litio( manovra che può essere dannosa per l'alternatore)

Su questo ho i miei dubbi e non sono l unico.

Si può caricare una lifepo4 con alternatore.
Il problema è che i cablaggi e le connessioni e i relè originali sono molto probabilmente insufficienti. Il problema sarà per l impianto più che per l alternatore.

Io ho un alternatore da 65 e con AGM, da freddo più di una volta ho visto 74A . Fari , 20A su inverter e 30 o 40A di carica BS.
E ho viaggiato con 55A continui  su 65 varie volte.
Ho questo risultato poiché ho rifatto il parallelaTore con relè da 120A e cavo da 35.
A Ltrimenti il parallelaTore originale e le sue connessioni si squeglierebbero con 50A .
Tralaltro non vi sarebbero mai in ricarica ne su litio ne tantomeno su AGM. Poiché la caduta di tensione è enorme e la tensione in bs non sarà mai abbastanza da permettere una forte ricarica. Con lifepo4 poi che anche mezze scariche sono a 13.2v, il mio parallelaTore originale non carucherebbe NULLA o quasi poiché non potrebbe superare abbastanza la tensione della batteria lifepo4. Salvo se questa fosse comoletamente a terra.


Il sistema che ho fatto con oarallelatore e cavo maggiorato lo terrò anche in caso di passaggio a lifepo4 in futuro..senza DC DC che mi castra lmaltermatore.
Perché se ho 20 o  25A di carico su inverter, voglio comunque poter caricare 30 o 40A..e un DC DC standard non lo permetterebbe. Anzi , quasi scaricherei la batteria.

Secondo me non è vero che un alternatore da 100A deve funzionare a 50% sennò si brucia.

Può essere un problema se eroga la massima corrente al minimo, quindi con scarso raffreddamento.

Non è il mio caso perché il mio alternatore, a regime minimo, anche in corto circuito non fa più di 30A. Perché così è la sua curva di erogazione.
Quindi litio o non litio, al minimo è al sicuro.

E a regime dovrebbe reggere il 100% del carico. Altrimenti che lo scrivono a fare?

Dopotutto victron fa apposta dei relè per lifepo4 per la ricarica da alternatore bruto.

E mastervolt fa un regolatore di tensione a 3 fasi di carica per alternatori Bosch compatibili, che fa lo stesso di un DC DC ma senza limite di corrente. Con tensioni anche adattee a lifepo4. Quindi sempre corrente bruta da alternatore.
In un mondo dove il male è di casa e ha vinto sempre, Dove regna il capitale, oggi più spietatamente, Riusciranno questo brocco e questo inutile scudiero Al Potere dare scacco e salvare il mondo intero?
19
IZ4DJI
IZ4DJI
rating

12/11/2006 58356
Rispondi Abuso
Inserito il 16/10/2023 alle: 22:42:52
In risposta al messaggio di Obelix 1 del 15/10/2023 alle 00:03:25

grazie del consiglio Obelix
non ne sono certo, bisogna provare, ma staccando la presa di alimentazione 220 della centralina sicuramente non si accende piu il led che indica il collegamento corretto della 220 alla colonnina,mentre togliendo il fusibile del caricabatterie, probabilmente il led dovrebbe continuare a accendersi. Ma va provato.
____________________________________

Tommaso IZ4DJI

www.iz4dji.it




7
Karbon17
Karbon17
rating

10/01/2019 2123
Rispondi Abuso
Inserito il 11/11/2024 alle: 10:05:47
In risposta al messaggio di Obelix 1 del 15/10/2023 alle 00:02:35

Entrambi i caricabatterie. Giustamente come hai scritto per evitare di caricare la batteria servizi con il caricabatterie originale bisogna togliere il fusibile ...lademodul. per evitare invece di mettere in parallelo la
batteria motore e la batteria servizi al litio( manovra che può essere dannosa per l'alternatore) si può  staccare il cavo che collega la BM al Schaudt, ma così facendo si inibisce anche il caricamento della batteria motore, oppure bisogna manomettere la centralina  come ha consigliato Moby Dick,  Obelix
...
Ciao, in previsione di montare una batteria al litio, volevo capire come evitare di mettere in parallelo la BM con la BS, se opero in quesot modo è corretto? tolgo dalla centralina EBL31 il fusibile della batteria, collego direttamente il CB per la litio direttamente hai morsetti della stessa ed utilizzo un CB da 5A collegato direttamente ai morsetti della BM, senza modificare nulla sulla centralina
6
Szopen
Szopen
rating

06/09/2019 6001
Rispondi Abuso
Inserito il 12/11/2024 alle: 18:02:44
In risposta al messaggio di Karbon17 del 11/11/2024 alle 10:05:47

Ciao, in previsione di montare una batteria al litio, volevo capire come evitare di mettere in parallelo la BM con la BS, se opero in quesot modo è corretto? tolgo dalla centralina EBL31 il fusibile della batteria, collego
direttamente il CB per la litio direttamente hai morsetti della stessa ed utilizzo un CB da 5A collegato direttamente ai morsetti della BM, senza modificare nulla sulla centralina
...
Per comodità potresti fare tutto sulla centralina, il nuovo CB litio al BLOCK 7 previo disinserimento del relativo fusibile.

Il positivo dell CB da 5A per la batteria motore puoi collegarlo assieme a quello gia presente in ingresso alla centralina.

Se pero la centralina ricarica gia di suo anche la batteria motore potresti togliere solo il fusibile e risparmiare il CB da 5 A, ovviamente la centralina dovrà rimanere collegata alla 230V.

Ciro.
nomade analogico e fanciulla all'imbrunire. Non ho nulla da vendere nè consigli da dare, solo qualche piccolo suggerimento da prendere con le pinze, possibilmente, amperometriche. Buoni Km a tutti e......... rammentate sempre che....... TESTAR NON NUOCE!

Modificato da Szopen il 12/11/2024 alle 18:06:20
7
Karbon17
Karbon17
rating

10/01/2019 2123
Rispondi Abuso
Inserito il 12/11/2024 alle: 21:00:18
In risposta al messaggio di Szopen del 12/11/2024 alle 18:02:44

Per comodità potresti fare tutto sulla centralina, il nuovo CB litio al BLOCK 7 previo disinserimento del relativo fusibile. Il positivo dell CB da 5A per la batteria motore puoi collegarlo assieme a quello gia presente
in ingresso alla centralina. Se pero la centralina ricarica gia di suo anche la batteria motore potresti togliere solo il fusibile e risparmiare il CB da 5 A, ovviamente la centralina dovrà rimanere collegata alla 230V. Ciro.
...
Grazie Ciro, posso fare delle verifiche? tutto spendo e senza 230V collegata misuro la tensione di BM e BS, poi collego il nuovo CB al Block7 e tolgo il fusibile e controllo la tensione ancora della BM e della BS e dovrei trovare lo stesso valore misurato prima sulla BM ed un valore diverso sulla BS, ma il mio dubbio è quando accendo il motore avere la sicurezza che BM e BS non siano in paralleo
9
Wibos
Wibos
16/11/2016 434
Rispondi Abuso
Inserito il 16/11/2024 alle: 07:51:02
In risposta al messaggio di Obelix 1 del 12/10/2023 alle 11:42:16

Vorrei montare un caricabatterie dedicato alla LiFePO4, qualcuno mi sa indicare come posso escludere il relé parallelatore interno alla schaudt EBL 262/3 ? Obelix
Io ho semplicemente staccato il relè da 50 A sulla batteria, semplice e immediato.
6
Szopen
Szopen
rating

06/09/2019 6001
Rispondi Abuso
Inserito il 16/11/2024 alle: 08:43:59
In risposta al messaggio di Wibos del 16/11/2024 alle 07:51:02

Io ho semplicemente staccato il relè da 50 A sulla batteria, semplice e immediato.
Buongiorno,  se uno e disposto a rinunciare alla carica/mantenimento della BM puo anche decidere di rinunciarvi ma, se ha un frigo trivalente?

Ciro.
nomade analogico e fanciulla all'imbrunire. Non ho nulla da vendere nè consigli da dare, solo qualche piccolo suggerimento da prendere con le pinze, possibilmente, amperometriche. Buoni Km a tutti e......... rammentate sempre che....... TESTAR NON NUOCE!
SostaGruppiCompagniItaliaEsteroMarchiMeccanicaCellulaAccessoriEventiLeggiComportamentiDisabiliIn camper perAltro CamperAltroExtra
167k Facebook
343k Instagram
42,6k TikTok
73,3k Youtube
CamperOnLine - Copyright © 1998-2026 - P.Iva 06953990014
Informativa privacy
Loading...

Accedi

Recupera Password
Nuovo utente

Vuoi eliminare il messaggio?

Sottoscrizione

Anteprima

PREFERENZA

Il messaggio è in fase di inserimento.

loading

CamperOnLine

Buongiorno gentile utente,

da oltre 20 anni Camperonline offre gratuitamente tutti i suoi servizi
grazie agli inserzionisti che ci hanno dato la loro fiducia, permettici di continuare il nostro lavoro disattivando il blocco delle pubblicità.

Grazie della collaborazione.

Azione eseguita con successo

Azione Fallita

Condividi

Condividi questa pagina con:

O copia il link