In risposta al messaggio di Emme48 del 11/04/2018 alle 21:54:09
Mi riferivo a DUE amperometri separati. Uno per ciascuna BS e ovviamente si lavora sui fili di massa. Marco
In risposta al messaggio di justintime64 del 11/04/2018 alle 23:04:27Ciao, questo é il mio impianto modificato:
Scusa Marco mi puoi confermare che i due strumenti Hall devono andare sui due cavi negativi? Non sarebbe meglio metterli sul positivo di tutte e due le batterie? Non sono sicuro che l'allestitore abbia collegato tutti iconsumi ai poli negativi delle batterie.... Misurando i positivi risolverei tale pericolo... ho letto che i sensori possono essere montati sia sul negativo che sul positivo Grazie
qui vedi le 2 batterie in parallelo secco, sul cavo bianco a metà il fusibile da 50a ( in questa foto non erano ancora state fissate perché questa non era la loro posizione originale)
qui invece puoi vedere il cavo bianco + che entra in una scatoletta ( ovviamente ora chiusa dal suo coperchio) dove vi è la barretta di rame con tutte le utenze collegate, poi si vede il filo nero - collegato sulla barretta attaccata a parete con tutte le utenze collegate. Quest'ultima è esterna xké non ci sono problemi, in quanto il vano dove si trova è un vano tecnico.
Visita il mio negozio OnLine
www.compragem.store In risposta al messaggio di Nippon K del 12/04/2018 alle 06:30:39Si Emiliano, va bene.
Ciao, questo é il mio impianto modificato: qui vedi le 2 batterie in parallelo secco, sul cavo bianco a metà il fusibile da 50a ( in questa foto non erano ancora state fissate perché questa non era la loro posizione originale)qui invece puoi vedere il cavo bianco + che entra in una scatoletta ( ovviamente ora chiusa dal suo coperchio) dove vi è la barretta di rame con tutte le utenze collegate, poi si vede il filo nero - collegato sulla barretta attaccata a parete con tutte le utenze collegate. Quest'ultima è esterna xké non ci sono problemi, in quanto il vano dove si trova è un vano tecnico. Il sensore Hall lo posizionerà o sul cavo bianco o sul cavo nero Magari con le foto diventa più chiaro. Fatto così serve un solo sensore di Hall Emiliano
http://www.m48.it
In risposta al messaggio di justintime64 del 11/04/2018 alle 23:04:27Sul negativo o sul positivo la corrente è la stessa identica .
Scusa Marco mi puoi confermare che i due strumenti Hall devono andare sui due cavi negativi? Non sarebbe meglio metterli sul positivo di tutte e due le batterie? Non sono sicuro che l'allestitore abbia collegato tutti iconsumi ai poli negativi delle batterie.... Misurando i positivi risolverei tale pericolo... ho letto che i sensori possono essere montati sia sul negativo che sul positivo Grazie
http://www.m48.it
In risposta al messaggio di Emme48 del 12/04/2018 alle 07:17:50Ciao Marco, a casa mia critiche / consigli costruttivi sono sempre ben accettate, non si finisce mai di imparare.
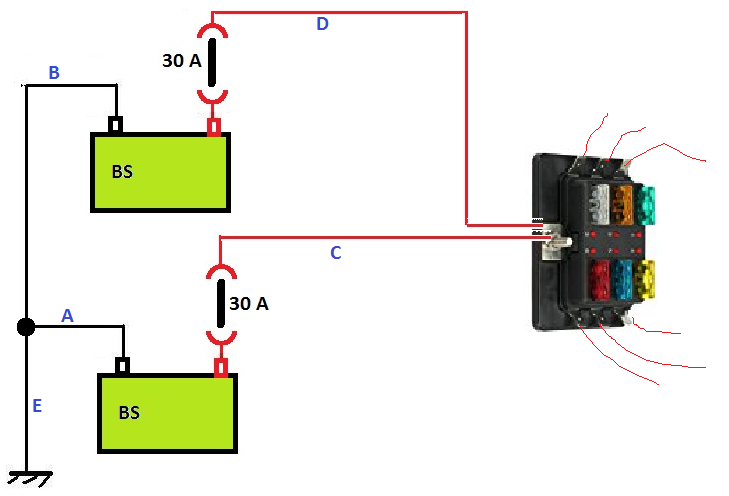
Si Emiliano, va bene. UN sensore serve a misurare la corente delle batterie, se metti due strumenti (e quindi due sensori) puoi controllarle separatamente e vedere per esempio se lavorano allo stesso modo sia in ricaricache in utilizzo. Nel caso della misurazione della corrente si fa come si vuole perchè da un punto di vista elettrico è proprio la stessa cosa, il negativo è un filo meno pericoloso da maneggiare e io per abitudine lavoro su quello. La barretta di rame la vedo ed è come pensavo, anzi, come temevo e questo a punto spero se mi perdonerai se faccio alcune osservazioni sulle foto che hai messo. Una... saggia modifica del tuo impianto potrebbe prevedere tre azioni che io ti consiglio veramente di valutare e di prendere in considerazione perchè in quello che vedo non ci sono protezione elettriche e sei ad elevato rischio. 1) Sostutuzione della barretta di rame con questa cosa qui: Arrivi col positivo al dado grosso che vedi in basso e poi ogni utenza preleva energia tramite il suo fusibile calcolato per sopportare un paio di volte la corrente massima prevista su quel filo ma stai attento che non sia oltre 5 volte E se un fusibile salta ti si accende pure il relativo led rosso. 2) Collegamento di entrambe le batterie direttamente su quel vitone che vedi sul portafusibili senza fare il parallelo sulle batterie stesse. 3) Installazione di DUE portafusibili direttamente sul polo positivo di ciascuna batteria del tipo che non si sfilano con le vibrazioni. Da quello che vedo quel portafusibile nero tra le due batterie è corretto ma è installato in maniera non corretta; deve stare al massimo a 3 cm dal polo positivo di ciascuna batteria, che ci fà quello spezzone da 20 cm di filo non protetto che collega il positivo al portafusibile? In pratica crea qualcosa che somigli a quesa roba qui: In questo modo TUTTI i cablaggi sono protetti da fusibili di valore opportuno (non troppo elevato) I fusibili da 30 A sono disegnati vicinissiimi, anzi, appiccicati ai poli positivi non per caso ma per indicare che devono stare proprio in partenza dalle batterie e non a spasso per il mezzo con fili abbastanza lunghi da poter raggiungere una massa o il negativo della BS. Con questo circuito puoi mettere UN amperometro col sensore nel punto E oppure mettere DUE amperometri separati collegandoli nei punti A & B oppure C & D che è lo stesso ma io farei A & B Scusa ancora se mi sono permesso osservazioni su quello che vedo ma così com'è ora se il filo piccolo che preleva energia dall'attuale barretta di rame va a massa il camper prende fuoco, Marco.
Visita il mio negozio OnLine
www.compragem.store In risposta al messaggio di Nippon K del 12/04/2018 alle 07:51:47... ma la domanda finale è:
Ciao Marco, a casa mia critiche / consigli costruttivi sono sempre ben accettate, non si finisce mai di imparare. Per il portafusibili (basetta) ci stavo già pensando, perché quando ho fatto il lavoro lo scorso weekend,non mi piaceva il risultato finale. Da ogni filo positivo collegato alla barretta di rame, viene protetto da un fusibile calibrato (proporzioni che hai scritto), però i portafusibili sono i classici volanti e di vederli in giro non mi piace affatto. Settimana prossima volevo mettermi alla ricerca di una cosa simile a quella che mi hai postato in foto (se hai un link del prodotto e me lo puoi mandare ti ringrazio). In effetti mettere i 2 sensori per controllare singolarmente le batterie non sarebbe male ed in effetti anche collegarla direttamente sulla basetta dei fusibili evitando il collegamento tra di loro sarebbe più comodo anche in caso di manutenzione. Anche io come te preferisco lavorare sul negativo, infatti il sensore pensavo di posizionarlo su questo cavo. Per il discorso del fusibile vicino al polo positivo purtroppo ci sono molte filosofie di pensiero, in effetti, se si dovesse tranciare/staccare/sfilare o altro, il filo positivo dalla zona fusibile potrebbe cadere e toccando una massa andare in corto, questo é verissimo, ma un cavo crimpato con occhiello da apposita pinza (professionale nn hobbistica) sopra a un cavo da 16mm2 G7 ( doppio rivestimento) ed avvitato con dado autobloccante sul fusibile, quante possibilità ha di staccarsi? Poi verissimo che la sfiga ci vede benissimo.... Quindi seguirò il tuo consiglio e quando prenderò la basetta portafubili modificherò il tutto. Grazie 1000 x le correzioni Emiliano
https://www.ebay.it/itm/Alta-Qu...
https://www.ebay.it/itm/SCATOLA...
https://www.ebay.it/itm/Qiilu-3...
http://www.m48.it
In risposta al messaggio di Emme48 del 12/04/2018 alle 08:11:16Mi fa piacere aver scelto a suo tempo un prodotto (fuse box con i terminali a vite al posto dei faston) che è proprio quello che consigli tu. Per lo stesso motivo di Nippon K, anch'io mi sono trovato (fatto dall'allestitore dell'impianto) un guazzabuglio di cavi con fusibili volanti (e senza etichette esplicative), tutti a distanze diverse e spesso in posizioni inaccessibili (vano batteria piccolo e affolato, problema di molti!).
... ma la domanda finale è: Quanto costa in più mettere il portafusibile direttamente attaccato al polo positivo? Ora so che farai un buon lavoro. Ecco i link che chiedevi 10 fusibili con led: 6 fusibili con led: 10 fusibili con led e con terminali a vite più stabili dei faston Marco
In risposta al messaggio di Emme48 del 12/04/2018 alle 08:11:16Grazie !
... ma la domanda finale è: Quanto costa in più mettere il portafusibile direttamente attaccato al polo positivo? Ora so che farai un buon lavoro. Ecco i link che chiedevi 10 fusibili con led: 6 fusibili con led: 10 fusibili con led e con terminali a vite più stabili dei faston Marco
Visita il mio negozio OnLine
www.compragem.store In risposta al messaggio di Nippon K del 12/04/2018 alle 13:30:05Se può servire: io avevo preso due blocchi da 6, mantenendo divise le uscite (luci, pompa acqua, scalino elettrico, ventola, ...) dalle entrate (Efoy, caricabatteria, MPPT, pala eolica, ...)
Grazie ! Sicuro 10 fusibili con terminale a vite, gli altri 2 non li ho neanche guardati Emiliano
In risposta al messaggio di T i t a n del 12/04/2018 alle 07:20:01ottimo.
Sul negativo o sul positivo la corrente è la stessa identica . il fatto di posizionare lo schunt sul negativo invece che sul positivo è solamente perché potrebbero esserci problemi con l'alimentazione di alcuni strumentidigitali ove non c'è una separazione galvanica tra strumento e parte da misurare. con l'Hall puoi metterlo dove vuoi.(piace anche a me sul positivo)
In risposta al messaggio di Dash del 12/04/2018 alle 13:47:59Io avrei solo caricabatteria e pannello, quindi quasi inutile.
Se può servire: io avevo preso due blocchi da 6, mantenendo divise le uscite (luci, pompa acqua, scalino elettrico, ventola, ...) dalle entrate (Efoy, caricabatteria, MPPT, pala eolica, ...) Ciao da Dash
Visita il mio negozio OnLine
www.compragem.store In risposta al messaggio di Nippon K del 12/04/2018 alle 21:05:33Ricordiamo che se salta un fusibile il relativo LED rosso di segnalazione si accende solo se c'è attaccato qualcosa che consuma corrente e se questo qualcosa viene acceso.
Io avrei solo caricabatteria e pannello, quindi quasi inutile. Scusate l'o.t. pala eolica? Ma funziona o è solo peso inutile? Emiliano
http://www.m48.it
In risposta al messaggio di Emme48 del 13/04/2018 alle 06:46:34Tester con pinza amperometrica è sempre a bordo, oltre fusibili vari di scorta e altro....
Ricordiamo che se salta un fusibile il relativo LED rosso di segnalazione si accende solo se c'è attaccato qualcosa che consuma corrente e se questo qualcosa viene acceso. Se in pratica salta il fusibile della pompa ilLED rimane spento finché la pompa non viene accesa e non aprite l'acqua per far scattare il pressostato. Invece il fusibile che collega la batteria al pannello soolare, se salta, non ha ai suoi capi una tensione capace di far accendere un LED e quindi la segnalazione non avviene. Portatevi dietro sempre un tester. Marco.
Visita il mio negozio OnLine
www.compragem.store In risposta al messaggio di Emme48 del 13/04/2018 alle 06:46:34Nella fattispecie, il fusibile sarebbe a valle del regolatore MPPT.
Ricordiamo che se salta un fusibile il relativo LED rosso di segnalazione si accende solo se c'è attaccato qualcosa che consuma corrente e se questo qualcosa viene acceso. Se in pratica salta il fusibile della pompa ilLED rimane spento finché la pompa non viene accesa e non aprite l'acqua per far scattare il pressostato. Invece il fusibile che collega la batteria al pannello soolare, se salta, non ha ai suoi capi una tensione capace di far accendere un LED e quindi la segnalazione non avviene. Portatevi dietro sempre un tester. Marco.
In risposta al messaggio di Dash del 13/04/2018 alle 07:26:21Il led si accende solo se non ci sono altri interruttori in serie o che l'apparecchio non sia stato spento tramite un interruttore.
Nella fattispecie, il fusibile sarebbe a valle del regolatore MPPT. Non si accende il LED neanche in questo caso? Naturalmente ci sarà un altro fusibile sulla linea che scende dai pannelli all'MPPT, quello non avrà -ovviamente-il LED Il tester fa parte della dotazione fissa del camper, con pinza amperometrica che misura anche le correnti in continua. Tutte le volte che consigli qualcosa, io prendo nota... e cerco di adeguarmi. Ciao da Dash EDIT: se si accenda o no il LED a valle dellMPPT me lo posso guardare anche da solo, basta che vada al camper e provi a togliere il fusibile... Mi interessava il discorso concettuale.
In risposta al messaggio di justintime64 del 16/04/2018 alle 19:41:05Prova con semplice cavo per impianti elettrici e vedi se hai una lettura pulita ed esente da "rumore" altrimenti usi un cavetto schermato tipo uso bassa frequenza.
Scusate una ultima info... il cavo del sensore HALL può essere allungato? Ho difficoltà nel posizionare il misuratore vicino alle batterie quindi vedendo che il cavo di collegametno sensore HALL - Strumento è di cira 15 cm avrei la necessità di portare tale misura a circa 150 cm (1,5 mt). E' possibile? Se si con che cavo? (schermato) Grazie.
.jpg)