CamperOnLine
  • Camper
    • Camper usati
    • Camper nuovi
    • Produttori
    • Listino
    • Cataloghi
    • Concessionari e rete vendita
    • Noleggio
    • Van
    • Caravan
    • Fiere
    • Rimessaggi
    • Le prove di CamperOnLine
    • Provati da voi
    • Primo acquisto
    • Area professionisti
  • Accessori
    • Accessori e Prodotti
    • Camping Sport Magenta accessori
    • Produttori
    • Antenne TV
    • Ammortizzatori
    • GPS
    • Pneumatici
    • Rimorchi
    • Provati da Voi
    • Fai da te
  • Viaggi
    • Diari di viaggi in camper
    • Eventi
    • Foto
    • Check list
    • Traghetti
    • Trasporti
  • Sosta
    • Cerca Strutture
    • Sosta
    • Aree sosta camper
    • Campeggi
    • Agriturismi con sosta camper
    • App Camperonline App
    • 10 Consigli utili per la sosta
    • Area strutture
  • Forum
    • Tutti i Forum
    • Sosta
    • Gruppi
    • Compagni
    • Italia
    • Estero
    • Marchi
    • Meccanica
    • Cellula
    • Accessori
    • Eventi
    • Leggi
    • Comportamenti
    • Disabili
    • In camper per
    • Altro Camper
    • Altro
    • Extra
    • FAQ
    • Regolamento
    • Attivi
    • Preferiti
    • Cerca
  • Community
    • COL
    • CamperOnFest
    • Convenzioni Convenzioni
    • Amici
    • Furti
    • Informativa Privacy
    • Lavoro
  • COL
    • News
    • Newsletter
    • Pubblicità
    • Contatto
    • Ora
    • RSS RSS
    • Video
    • Facebook
    • Instagram
  • Magazine
  • Italiano
    • Bienvenue
    • Welcome
    • Willkommen
  • Accedi
CamperOnLine
Camping Sport Magenta
  1. Forum
  2. Tecnica
  3. Cellula abitativa
Galleria

Batteria a litio non si ricarica con l'alternatore

Rispondi
Cerca
SostaGruppiCompagniItaliaEsteroMarchiMeccanicaCellulaAccessoriEventiLeggiComportamentiDisabiliIn camper perAltro CamperAltroExtra
1 20 39
17
gianni1518
gianni1518
01/05/2008 46
Rispondi Abuso
Inserito il 26/10/2025 alle: 21:57:28
Salve, ho sostituito la batteria servizi 100 ha AGM con una 100 ha al litio, ma non si ricarica con l'alternatore quando si è in marcia e nemmeno con il pannello, mentre si ricarica velocemente quando si è collegati alla 220 volt, qualcuno mi sa' dire perchè? forse devo aggiungere qualche altro dispositivo? Grazie a chi mi dara' dei suggerimenti
Giovanni
16
mimmo69
mimmo69
21/09/2009 4968
Rispondi Abuso
Inserito il 26/10/2025 alle: 22:20:22
In risposta al messaggio di gianni1518 del 26/10/2025 alle 21:57:28

Salve, ho sostituito la batteria servizi 100 ha AGM con una 100 ha al litio, ma non si ricarica con l'alternatore quando si è in marcia e nemmeno con il pannello, mentre si ricarica velocemente quando si è collegati alla 220 volt, qualcuno mi sa' dire perchè? forse devo aggiungere qualche altro dispositivo? Grazie a chi mi dara' dei suggerimenti Giovanni
Al di là del fatto che non dai nessun dettaglio utile, sembra quasi che tu abbia tolto una BS e messa un'altra che richiede altro tipo di gestione senza preoccupartene. È cosi? 
Viaggio su Mobilvetta Admiral K6.3 2025 Fiat Ducato 2.2/180 aut. Heavy
19
IZ4DJI
IZ4DJI
rating

12/11/2006 58356
Rispondi Abuso
Inserito il 27/10/2025 alle: 00:14:37
In risposta al messaggio di gianni1518 del 26/10/2025 alle 21:57:28

Salve, ho sostituito la batteria servizi 100 ha AGM con una 100 ha al litio, ma non si ricarica con l'alternatore quando si è in marcia e nemmeno con il pannello, mentre si ricarica velocemente quando si è collegati alla 220 volt, qualcuno mi sa' dire perchè? forse devo aggiungere qualche altro dispositivo? Grazie a chi mi dara' dei suggerimenti Giovanni
Pur avendo poche informazioni utili,  ne sapendo se hai fatto qualche modifica o aggiunta all impianto, passando al litio, a naso, penso che sia colpa di un fusibile saltato.
Accanto alla Batteria Motore, dovrebbe esserci un grosso fusibile attorno a 50A che manda la corrente alla batteria servizi. Se salta quello non si carica con il motore ma solo con la 220.   Perchè non carichi dal pannello, non lo immagino.
____________________________________

Tommaso IZ4DJI

www.iz4dji.it





Modificato da IZ4DJI il 27/10/2025 alle 00:16:42
20
Emme48
Emme48
rating

13/01/2006 24511
Rispondi Abuso
Inserito il 27/10/2025 alle: 07:46:32
In risposta al messaggio di gianni1518 del 26/10/2025 alle 21:57:28

Salve, ho sostituito la batteria servizi 100 ha AGM con una 100 ha al litio, ma non si ricarica con l'alternatore quando si è in marcia e nemmeno con il pannello, mentre si ricarica velocemente quando si è collegati alla 220 volt, qualcuno mi sa' dire perchè? forse devo aggiungere qualche altro dispositivo? Grazie a chi mi dara' dei suggerimenti Giovanni
Per sostituire una AGM con una litio si fa così:
1 Si scollegano i pannelli solari (basta uno dei due fili, serve a protggere il regolatore durante il cambio batteria)
2 Si toglie l'AGM
3 Si mette la litio
4 Si ricollegano i pannelli solari
5 Si predispone il regolatore solare per il litio (switch o setup)
6 Si predispone il caricabatterie a 230 Volt per il litio (switch o setup)
7 Si predispone il DC DC Charger per il litio (switch o setup), se non c'è va installato eliminando il relè parallelatore.

Oltre a verificare i fusibili, chiedi al tecnico che ti ha fatto il lavoro se tutti questi passaggi hanno avuto buon esito.
L'idea di sostituire 100 Ah AGM con appena 100 Ah al litio chi l'ha avuta?
Marco

http://www.m48.it

21
Laikone
Laikone
rating

31/03/2004 19597
Rispondi Abuso
Inserito il 27/10/2025 alle: 08:21:31
In risposta al messaggio di gianni1518 del 26/10/2025 alle 21:57:28

Salve, ho sostituito la batteria servizi 100 ha AGM con una 100 ha al litio, ma non si ricarica con l'alternatore quando si è in marcia e nemmeno con il pannello, mentre si ricarica velocemente quando si è collegati alla 220 volt, qualcuno mi sa' dire perchè? forse devo aggiungere qualche altro dispositivo? Grazie a chi mi dara' dei suggerimenti Giovanni
sono anche io dell'idea sia saltato il fusibile che porta corrente dalla BM alla litio; se il FV non carica, immagino anche qui sia una questione di fusibili, perchè nel 99% dei casi i pannelli in sè non hanno mai problemi, il rgolatore nemmeno e quindi rimane proprio la questione fusibili... qualora non fosse così, controlleri il regolatore.

PS: spero vivamente tu abbia fatto la sostituzione della AGM nel modo corretto simile a quello indicato da Emme e non alla solita maniera del cantinaro way... 
L'iperlessia e l'analfabetismo funzionale sono una piaga sociale
Sala Silvergruva, la miniera d'argento
Sala Silvergruva, la miniera d'argento
Folgaria d’inverno in camper
Folgaria d’inverno in camper
Francia 2025
Francia 2025
Eksjo, la città di legno
Eksjo, la città di legno
Viaggio in Umbria e dintorni
Viaggio in Umbria e dintorni
Previous Next
19
beppeg
beppeg
07/11/2006 1106
Rispondi Abuso
Inserito il 27/10/2025 alle: 09:10:37
In risposta al messaggio di Emme48 del 27/10/2025 alle 07:46:32

Per sostituire una AGM con una litio si fa così: 1 Si scollegano i pannelli solari (basta uno dei due fili, serve a protggere il regolatore durante il cambio batteria) 2 Si toglie l'AGM 3 Si mette la litio 4 Si ricollegano
i pannelli solari 5 Si predispone il regolatore solare per il litio (switch o setup) 6 Si predispone il caricabatterie a 230 Volt per il litio (switch o setup) 7 Si predispone il DC DC Charger per il litio (switch o setup), se non c'è va installato eliminando il relè parallelatore. Oltre a verificare i fusibili, chiedi al tecnico che ti ha fatto il lavoro se tutti questi passaggi hanno avuto buon esito. L'idea di sostituire 100 Ah AGM con appena 100 Ah al litio chi l'ha avuta?
...
Ciao Marco, permettimi una domanda da incompetente.
Dici di eliminare il relè parallelatore. Questo è dovuto al fatto che i contatti non reggono la corrente che transita, e quindi è meglio collegare il DC-DC direttamente all'alternatore, oppure ci sono altre motivazioni ?
Probabilmente anch'io dovrò decidere, prima o poi, di passare alle litio e, credo, che il poter sfruttare il cablaggio esistente possa essere più veloce.
Ciò detto, chiaramente più "cose" ci sono più alta è la possibilità di guasto.
E' solo un discorso "accademico".
Grazie
Beppe
6
Szopen
Szopen
rating

06/09/2019 5999
Rispondi Abuso
Inserito il 27/10/2025 alle: 09:16:07
In risposta al messaggio di gianni1518 del 26/10/2025 alle 21:57:28

Salve, ho sostituito la batteria servizi 100 ha AGM con una 100 ha al litio, ma non si ricarica con l'alternatore quando si è in marcia e nemmeno con il pannello, mentre si ricarica velocemente quando si è collegati alla 220 volt, qualcuno mi sa' dire perchè? forse devo aggiungere qualche altro dispositivo? Grazie a chi mi dara' dei suggerimenti Giovanni
Prima di darti indicazioni a naso, bisogna sapere almeno 4 cose:
  • Modello della nuova batteria litio.
  • Capacità in Ampere dell'alternatore.
  • Modello e tipologia del regolatore di carica solare.
  • Centralina dei servizi presente a bordo del camper.
A volte, una lina sottile divide una strada da un'altra ma quella che divide un venditore da un cantinaro e' lunga, larga e' tutta in salita per il primo.

Ciro.
nomade analogico e fanciulla all'imbrunire. Non ho nulla da vendere nè consigli da dare, solo qualche piccolo suggerimento da prendere con le pinze, possibilmente, amperometriche. Buoni Km a tutti e......... rammentate sempre che....... TESTAR NON NUOCE!

Modificato da Szopen il 27/10/2025 alle 09:35:00
6
Szopen
Szopen
rating

06/09/2019 5999
Rispondi Abuso
Inserito il 27/10/2025 alle: 09:34:00
In risposta al messaggio di beppeg del 27/10/2025 alle 09:10:37

Ciao Marco, permettimi una domanda da incompetente. Dici di eliminare il relè parallelatore. Questo è dovuto al fatto che i contatti non reggono la corrente che transita, e quindi è meglio collegare il DC-DC direttamente
all'alternatore, oppure ci sono altre motivazioni ? Probabilmente anch'io dovrò decidere, prima o poi, di passare alle litio e, credo, che il poter sfruttare il cablaggio esistente possa essere più veloce. Ciò detto, chiaramente più cose ci sono più alta è la possibilità di guasto. E' solo un discorso accademico. Grazie Beppe
...
Ciao, intanto dovresti prendere e tenere in considerazione alcune cose importanti, in pratica serve stabilire il funzionamento dei vari dispositivi a 12V presenti in cellula come avviene quando il motore e' in moto.

Bisogna verificare se presente una centralina servizi, conoscere le caratteristiche e' importante, se attualmente hai un relè parallelatore esterno combinato ad un caricabatterie DC-DC bisogna capire il perché della presenza di quel relè parallelatore.

Probabilmente potrebbe essere stato predisposto per evitare che la poca corrente destinata dal caricabatterie DC-DC all'attuale batteria non venga assorbita anche dai carichi in cellula durante il viaggio, oppure, potrebbe essere lui l'incaricato all'alimentazione della resistenza del frigo per il suo funzionamento a 12V in viaggio, se trattasi ovviamente di un frigo trivalente ma, naturalmente, queste sono le impressioni di un cantinaro, un "tecnico" venditore esperto saprà dirti di meglio, forse, molto forse.

Ciro.
nomade analogico e fanciulla all'imbrunire. Non ho nulla da vendere nè consigli da dare, solo qualche piccolo suggerimento da prendere con le pinze, possibilmente, amperometriche. Buoni Km a tutti e......... rammentate sempre che....... TESTAR NON NUOCE!

Modificato da Szopen il 27/10/2025 alle 09:37:47
20
Emme48
Emme48
rating

13/01/2006 24511
Rispondi Abuso
Inserito il 27/10/2025 alle: 09:51:09
In risposta al messaggio di beppeg del 27/10/2025 alle 09:10:37

Ciao Marco, permettimi una domanda da incompetente. Dici di eliminare il relè parallelatore. Questo è dovuto al fatto che i contatti non reggono la corrente che transita, e quindi è meglio collegare il DC-DC direttamente
all'alternatore, oppure ci sono altre motivazioni ? Probabilmente anch'io dovrò decidere, prima o poi, di passare alle litio e, credo, che il poter sfruttare il cablaggio esistente possa essere più veloce. Ciò detto, chiaramente più cose ci sono più alta è la possibilità di guasto. E' solo un discorso accademico. Grazie Beppe
...
Il relè parallelatore andrebbe sempre eliminato a prescindere dalla tipologia di BS...
Per caricare una batteria ci vuole un caricabatterie, l'alternatore è invece un alimentatore senza contollo di corrente e tensione.
Sono caricabatterie quello a 230 Volt, il DC DC Charger e il regolatore fotovoltaico, TUTTI devono poter essere settabili su litio.

Come diceva Ford: quello che non c'è non si rompe.
Come dice Emme48: se non c'è nessuno fa quel lavoro.
Dai retta a Ford, elimina i freni, così in futuro non avrai mai più ferodi da cambiare...
Marco

http://www.m48.it

19
beppeg
beppeg
07/11/2006 1106
Rispondi Abuso
Inserito il 27/10/2025 alle: 09:52:16
In risposta al messaggio di Emme48 del 27/10/2025 alle 09:51:09

Il relè parallelatore andrebbe sempre eliminato a prescindere dalla tipologia di BS... Per caricare una batteria ci vuole un caricabatterie, l'alternatore è invece un alimentatore senza contollo di corrente e tensione.
Sono caricabatterie quello a 230 Volt, il DC DC Charger e il regolatore fotovoltaico, TUTTI devono poter essere settabili su litio. Come diceva Ford: quello che non c'è non si rompe. Come dice Emme48: se non c'è nessuno fa quel lavoro. Dai retta a Ford, elimina i freni, così in futuro non avrai mai più ferodi da cambiare...
...
Grazie Marco. Tutto chiaro.

Grazie a tutti.
B.
20
Emme48
Emme48
rating

13/01/2006 24511
Rispondi Abuso
Inserito il 27/10/2025 alle: 10:09:13
Temo che il fusibile saltato sulla BM spieghi solo la mancata ricarica da alternatore.
Per la mancata ricarica solare potrebbe aver.. dimenticato un filo sul positivo BS durante il cambio batteria.
Ovviamente stiamo tutti tirando a indovinare...
Marco

http://www.m48.it

21
Laikone
Laikone
rating

31/03/2004 19597
Rispondi Abuso
Inserito il 27/10/2025 alle: 10:20:59
In risposta al messaggio di beppeg del 27/10/2025 alle 09:10:37

Ciao Marco, permettimi una domanda da incompetente. Dici di eliminare il relè parallelatore. Questo è dovuto al fatto che i contatti non reggono la corrente che transita, e quindi è meglio collegare il DC-DC direttamente
all'alternatore, oppure ci sono altre motivazioni ? Probabilmente anch'io dovrò decidere, prima o poi, di passare alle litio e, credo, che il poter sfruttare il cablaggio esistente possa essere più veloce. Ciò detto, chiaramente più cose ci sono più alta è la possibilità di guasto. E' solo un discorso accademico. Grazie Beppe
...
dipende molto dal tipo di relias... e dal tipo di DC-DC che andrai ad installare.

Concordo sul fatto che ciò che non c'è non si rompe, ma quel relais potrebbe anche fungere da "sicurezza" per evitare che a causa di un malfunzionamento del DC-DC (perchè anche il DC-DC può rompersi) si vada a scaricare la BM.
Con questo non sto dicendo di montare un relais apposta, ma se si esegue una modifica per il collegamento di un DC-DC su un impianto che ha già un buon relais perchè eliminarlo? Certo il relias deve avere una portata tale da riuscire ad alimentare il DC-DC nel migliore dei modi, come anche il cablaggio del resto. Su mezzi di amici ho installato relais da 200A e cavi di generosa sezione rifacendo tutta la linea BM/BS e nel caso si volesse montare un DC-DC non credo lo toglierei.
L'iperlessia e l'analfabetismo funzionale sono una piaga sociale

Modificato da Laikone il 27/10/2025 alle 10:23:47
Argomenti recenti dal forum
Accessori
Waeco cruiscontroll Ms 900
Chi lo ha montato su ducato 3000cc del 2010 mi spiega come funziona ...
flavius67
Ieri alle: 21:12
Accessori
Impianto 13 poli gancio traino schema
Ciao a tutti, Dubito di risolvere, ma la community qui é numerosa e ...
maaaxxx
Ieri alle: 18:27
Meccanica
Un aiutino da casa x Crossclimate
Mi sono un po perso sulle pressioni corrette , il mezzo è su Ducato ...
dadamazz
Ieri alle: 18:05
Aree di sosta e campeggi
Area sosta sul lago di Barcis
Ciao a tutti , qualcuno è stato a Pasqua nell'area sosta camper a Ba...
diabolik
Ieri alle: 16:14
Accessori
Interpretare smartshunt
Buongiorno, nel cammin di mezza via . . . Mi ritrovo con 2 BS 110AH ...
isauri
Ieri alle: 15:21
Accessori
monitoraggio pressione pneumatici
Buongiorno a tutti, volevo chiedere se qualcuno ha montato un TPMS d...
Walter62
Ieri alle: 14:11
Aree di sosta e campeggi
Area sosta a primaluna LECCO
Buongiorno chiedo x piacere,,qualcuno e stato recentemente all,area ...
giuvanella
Ieri alle: 13:26
Cellula abitativa
Cavi dietro sedile lato passeggero ducato 244
Buongiorno a tutti, sul mio ducato 244 esce dietro il sedile una lin...
CamperistaPN
Ieri alle: 08:55
In camper per
Studio di settore sulle aree camper
Buona sera a tutti Sono qua a chiedere qualche minuto del vostro tem...
kettyke
14/03/26 - 23:02
Meccanica
Arca america 2024
Buonasera a tutti, vorrei capire se il camper in oggetto può già ave...
Adocaro
14/03/26 - 19:14
Cellula abitativa
motorhome hymer 2003 non carica bs
Buongiorno a tutti, ho un problema e spero nel Vostro aiuto. Attacc...
salva56
14/03/26 - 14:29
Viaggi in Italia
Ciclabili Verona est
Abbiamo letto la pagina web dell'agricamping Oro verde a Verona. Sap...
rlui
14/03/26 - 14:28
Accessori
Installazione retrocamera posteriore
Ciao a tutti, ho acquistato un Krunia Schermo Portatile 8'' per Appl...
Karbon17
14/03/26 - 10:10
Cellula abitativa
Mercedes Viano Marco Polo allestito Westfalia
Buongiorno a tutti, per il mio Viano Marco Polo allestito Westfalia ...
Salo
14/03/26 - 09:31
Meccanica
Fanale opacizzato
Ciao, ho un Ducato i cui fanali anteriori sono opacizzati. Quest'ann...
Maiamaia4
14/03/26 - 08:35
19
beppeg
beppeg
07/11/2006 1106
Rispondi Abuso
Inserito il 27/10/2025 alle: 11:28:53
In risposta al messaggio di Laikone del 27/10/2025 alle 10:20:59

dipende molto dal tipo di relias... e dal tipo di DC-DC che andrai ad installare. Concordo sul fatto che ciò che non c'è non si rompe, ma quel relais potrebbe anche fungere da sicurezza per evitare che a causa di un malfunzionamento
del DC-DC (perchè anche il DC-DC può rompersi) si vada a scaricare la BM. Con questo non sto dicendo di montare un relais apposta, ma se si esegue una modifica per il collegamento di un DC-DC su un impianto che ha già un buon relais perchè eliminarlo? Certo il relias deve avere una portata tale da riuscire ad alimentare il DC-DC nel migliore dei modi, come anche il cablaggio del resto. Su mezzi di amici ho installato relais da 200A e cavi di generosa sezione rifacendo tutta la linea BM/BS e nel caso si volesse montare un DC-DC non credo lo toglierei.
...
@ Laikone.

Quello che dici era nei miei pensieri. Quando dovrò mettere mano alle BS valuterò.

Grazie mille

B.
19
IZ4DJI
IZ4DJI
rating

12/11/2006 58356
Rispondi Abuso
Inserito il 27/10/2025 alle: 12:23:26
In risposta al messaggio di Laikone del 27/10/2025 alle 10:20:59

dipende molto dal tipo di relias... e dal tipo di DC-DC che andrai ad installare. Concordo sul fatto che ciò che non c'è non si rompe, ma quel relais potrebbe anche fungere da sicurezza per evitare che a causa di un malfunzionamento
del DC-DC (perchè anche il DC-DC può rompersi) si vada a scaricare la BM. Con questo non sto dicendo di montare un relais apposta, ma se si esegue una modifica per il collegamento di un DC-DC su un impianto che ha già un buon relais perchè eliminarlo? Certo il relias deve avere una portata tale da riuscire ad alimentare il DC-DC nel migliore dei modi, come anche il cablaggio del resto. Su mezzi di amici ho installato relais da 200A e cavi di generosa sezione rifacendo tutta la linea BM/BS e nel caso si volesse montare un DC-DC non credo lo toglierei.
...
Nel precedente camper avevo installato un DcDc,  avendo centralina SCHAUDT in cui il rele parallelatore è interno, ho seguito lo schema del produttore del DcDc, specifico per centralina SCHAUDT. Il rele parallelatore non viene eliminato, ma risulta in serie con il DcDc, tanto, accendendo il motore il rele sta chiuso e quindi è passante e come se non fosse presente e non disturba.
Infatti non capisco quelli che sbudellano e manomettono la centralina per estirpare il rele parallelatore, che non ne vedo il senso.

Nel caso in questione il rele se ho capito sarebbe esterno, e quindi facilmente eliminabile senza distruggere nulla,  ma anche lasciarlo non disturba per gli stessi motivi che ho detto.
Accendendo il motore il D+ attiva il DcDc e contestualmente chiude il rele che quindi è in serie e passante e non disturba.

Essendo un rele esterno, e quindi facilmente eliminabile, personalmente penso che lo eliminerei perchè non serve a niente e risulta comunque un punto di eventuale guasto.  Il DcDc stesso ha al suo interno una specie di rele a stato solido di alta potenza che spegnendo il motore (e il D+) isola Bm e Bs.
____________________________________

Tommaso IZ4DJI

www.iz4dji.it




21
Laikone
Laikone
rating

31/03/2004 19597
Rispondi Abuso
Inserito il 27/10/2025 alle: 18:39:17
In risposta al messaggio di IZ4DJI del 27/10/2025 alle 12:23:26

Nel precedente camper avevo installato un DcDc,  avendo centralina SCHAUDT in cui il rele parallelatore è interno, ho seguito lo schema del produttore del DcDc, specifico per centralina SCHAUDT. Il rele parallelatore non
viene eliminato, ma risulta in serie con il DcDc, tanto, accendendo il motore il rele sta chiuso e quindi è passante e come se non fosse presente e non disturba. Infatti non capisco quelli che sbudellano e manomettono la centralina per estirpare il rele parallelatore, che non ne vedo il senso. Nel caso in questione il rele se ho capito sarebbe esterno, e quindi facilmente eliminabile senza distruggere nulla,  ma anche lasciarlo non disturba per gli stessi motivi che ho detto. Accendendo il motore il D+ attiva il DcDc e contestualmente chiude il rele che quindi è in serie e passante e non disturba. Essendo un rele esterno, e quindi facilmente eliminabile, personalmente penso che lo eliminerei perchè non serve a niente e risulta comunque un punto di eventuale guasto.  Il DcDc stesso ha al suo interno una specie di rele a stato solido di alta potenza che spegnendo il motore (e il D+) isola Bm e Bs.
...
concordo, ma infatti non ho detto di inserire il relais se non è presente, ma al limite di lasciarlo per avere certezze. Come ho già scritto seppur non pare essercene bisogno anche quello contenuto del DC-DC potrebbe rompersi...

Scrivo questo perchè si legge spesso di avere impianti sdoppiati per il FV o per altre cose le quali non ci farebbero rinunciare alla vacanza qualora si rimpessero in viaggio, mentre in questo specifico caso, dove la rottura del dc-dc equivale ad avere il mezzo in panne perchè non parte più non si fa nulla, anzi si consiglia di rimuoverlo. Questo non mi torna.

Il motivo per cui deduco venga spesso consigliato di rimuoverlo è la portata, la quale è certamente un limite... non tutto hanno relais da 200A come ho io o altri, specialmente chi ha le centraline di distribuzione CBE, le quali al massimo hanno un 70A... non che sia poco, ma è sempre un limite.
 
L'iperlessia e l'analfabetismo funzionale sono una piaga sociale
17
gianni1518
gianni1518
01/05/2008 46
Rispondi Abuso
Inserito il 27/10/2025 alle: 22:13:33
In risposta al messaggio di Emme48 del 27/10/2025 alle 07:46:32

Per sostituire una AGM con una litio si fa così: 1 Si scollegano i pannelli solari (basta uno dei due fili, serve a protggere il regolatore durante il cambio batteria) 2 Si toglie l'AGM 3 Si mette la litio 4 Si ricollegano
i pannelli solari 5 Si predispone il regolatore solare per il litio (switch o setup) 6 Si predispone il caricabatterie a 230 Volt per il litio (switch o setup) 7 Si predispone il DC DC Charger per il litio (switch o setup), se non c'è va installato eliminando il relè parallelatore. Oltre a verificare i fusibili, chiedi al tecnico che ti ha fatto il lavoro se tutti questi passaggi hanno avuto buon esito. L'idea di sostituire 100 Ah AGM con appena 100 Ah al litio chi l'ha avuta?
...
Grazie mille per il prezioso suggerimento
Giovanni
10
Giusassi54
Giusassi54
29/06/2015 149
Rispondi Abuso
Inserito il 27/10/2025 alle: 23:14:39
Salve. ho letto questa discussione con attenzione perchè sto valutando la possibilità di montare un DC-DC in preparazione per un futuro passaggio a batteria Litio.
Attualmente l'impianto presente sul mio camper può essere cos' descritto:
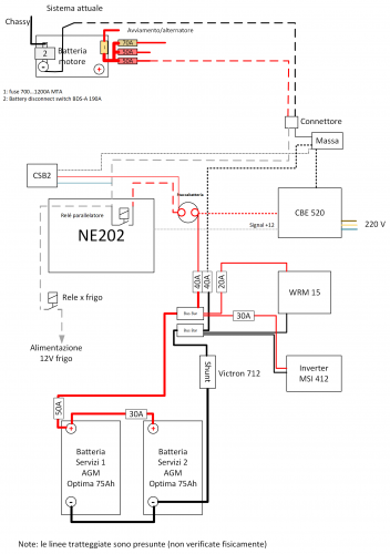
Alternatore standard da 140A, centralina ( o meglio derivatore portafusibili) NE202.02 ( esiste una versione successiva.03 che permette l'esclusione del rele parallelatore), due batterie AGM in parallelo secco da 150 Ah totali, un caricabatterie CBE520 (dal munuale risulta che non è presente il settaggio per litio , ma solo GEL o Piombo), pannelli solari per un totale di 250W nominali collegati ad un regolatore di carica western WRM15. Un paio di anni addietro ho montato uno shunt Victron per poter monitorare i consumi, sempre in vista di passare a litio.   I cavi di collegamento BM a centralina e batteria servizi fino ai bus bar (impianto originale non modificato) sono da 10 mm2, mentre per i collegamenti tra le BS fino al Bus bar sono da 25 mm2. 
Qui sotto lo schema attuale al meglio delle mie conoscenze e capacità.
immagine(6860).png
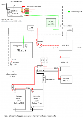
Per poter installare un DCDC, penso di aggiungere un cavo da 25mm2 da BM --> DC-DC --> centralina, e utilizzare il cavo originale per alimentare il frigo trivalente (verificato consumi con amperometro e mi risultano circa 15.2-15.4 A) tramite il rele esterno alla centralina ( 4RA 007 793-04 12VDC   50 o 70A)  che viene attivato dal segnale di motore acceso (D+). In questo modo toglierei l'alimentazione 12 V della resistenza del frigo dalla centralina, per cui dal DC-DC passerebbe sopratutto la ricarica delle BS e i piccoli consumi della centralina ( side marker, e alimentazione scheda frigo il tutto tra i 2-3 A max) Ovviamente il DC-DC dovra essere regolato per non superare i 25-30 A che dovranno passare attraverso la centalina e rele parallelatore (rele con sigla
FRC3A-1 DC12V 70A 14VDC). qui sotto lo schema come penso di modificarlo.( in verde le modifiche)
immagine(6861).png
potrebbe funzionare? ogni suggerimento sarà preso in considerazione.
ringrazio anticipatamente  
Meglio perdere un minuto della vita ..che perdere la vita in un minuto
6
Szopen
Szopen
rating

06/09/2019 5999
Rispondi Abuso
Inserito il 27/10/2025 alle: 23:52:28
In risposta al messaggio di Giusassi54 del 27/10/2025 alle 23:14:39

Salve. ho letto questa discussione con attenzione perchè sto valutando la possibilità di montare un DC-DC in preparazione per un futuro passaggio a batteria Litio. Attualmente l'impianto presente sul mio camper può essere
cos' descritto: Alternatore standard da 140A, centralina ( o meglio derivatore portafusibili) NE202.02 ( esiste una versione successiva.03 che permette l'esclusione del rele parallelatore), due batterie AGM in parallelo secco da 150 Ah totali, un caricabatterie CBE520 (dal munuale risulta che non è presente il settaggio per litio , ma solo GEL o Piombo), pannelli solari per un totale di 250W nominali collegati ad un regolatore di carica western WRM15. Un paio di anni addietro ho montato uno shunt Victron per poter monitorare i consumi, sempre in vista di passare a litio.   I cavi di collegamento BM a centralina e batteria servizi fino ai bus bar (impianto originale non modificato) sono da 10 mm2, mentre per i collegamenti tra le BS fino al Bus bar sono da 25 mm2.  Qui sotto lo schema attuale al meglio delle mie conoscenze e capacità. Per poter installare un DCDC, penso di aggiungere un cavo da 25mm2 da BM > DC-DC > centralina, e utilizzare il cavo originale per alimentare il frigo trivalente (verificato consumi con amperometro e mi risultano circa 15.2-15.4 A) tramite il rele esterno alla centralina ( 4RA 007 793-04 12VDC   50 o 70A)  che viene attivato dal segnale di motore acceso (D+). In questo modo toglierei l'alimentazione 12 V della resistenza del frigo dalla centralina, per cui dal DC-DC passerebbe sopratutto la ricarica delle BS e i piccoli consumi della centralina ( side marker, e alimentazione scheda frigo il tutto tra i 2-3 A max) Ovviamente il DC-DC dovra essere regolato per non superare i 25-30 A che dovranno passare attraverso la centalina e rele parallelatore (rele con sigla FRC3A-1 DC12V 70A 14VDC). qui sotto lo schema come penso di modificarlo.( in verde le modifiche) potrebbe funzionare? ogni suggerimento sarà preso in considerazione. ringrazio anticipatamente  
...
Hai un lavoro semplicissimo da fare.

Sostituire il cavo da 10 mmq con uno da 16 mmq, quello che ora dalla BM va alla centralina NE 202.

Fatto questo puoi montare un caricabatterie DC-DC tra la batteria e la centralina, montalo il più vicino possibile alla centralina stessa.

Se scegli di mettere un Victron Orion XS da 50A puoi anche utilizzarlo alla sua massima portata, vicino alla batteria serve un fusibile da 60A.

Collega il nuovo cavo al morsetto IN dell'Orion poi da questi dal morsetto OUT vai al morsetto BM della centralina, il morsetto centrale dell'Orion e' il negativo comune e va collegato allo Shunt Victron sempre con cavo da 16 mmq.

Per attivare l'Orion suggerisco di sfruttare il D+ che attualmente già arriva alla centralina.

Devi eliminare il CSB-2, un semplice circuito o Diodo+Resistenza utilizzando un diodo Schottky cui potrai montare in ponte ai morsetti IN ed OUT presenti sull'Orion.

Poi, basta impostare il caricabatterie a 230V per batterie al piombo acido, per il regolatore WRM15 invece devi impostare su Li a 14,0V vale a dire al minimo possibile con quel regolatore, stop, non serve fare altro.

Alla fine puoi creare una rete nell'app VictronConnect per avere una miglior gestione della ricarica da parte dei caricatori, al limite poi ti spiego come si fa ed anche perché conviene farlo.

Ciro.
nomade analogico e fanciulla all'imbrunire. Non ho nulla da vendere nè consigli da dare, solo qualche piccolo suggerimento da prendere con le pinze, possibilmente, amperometriche. Buoni Km a tutti e......... rammentate sempre che....... TESTAR NON NUOCE!

Modificato da Szopen il 28/10/2025 alle 00:02:03
19
IZ4DJI
IZ4DJI
rating

12/11/2006 58356
Rispondi Abuso
Inserito il 28/10/2025 alle: 00:16:36
In risposta al messaggio di Laikone del 27/10/2025 alle 18:39:17

concordo, ma infatti non ho detto di inserire il relais se non è presente, ma al limite di lasciarlo per avere certezze. Come ho già scritto seppur non pare essercene bisogno anche quello contenuto del DC-DC potrebbe rompersi...
Scrivo questo perchè si legge spesso di avere impianti sdoppiati per il FV o per altre cose le quali non ci farebbero rinunciare alla vacanza qualora si rimpessero in viaggio, mentre in questo specifico caso, dove la rottura del dc-dc equivale ad avere il mezzo in panne perchè non parte più non si fa nulla, anzi si consiglia di rimuoverlo. Questo non mi torna. Il motivo per cui deduco venga spesso consigliato di rimuoverlo è la portata, la quale è certamente un limite... non tutto hanno relais da 200A come ho io o altri, specialmente chi ha le centraline di distribuzione CBE, le quali al massimo hanno un 70A... non che sia poco, ma è sempre un limite.  
...
nel precedente camper si ruppe il DcDc in viaggio e quindi la BS non si caricava (avevo una AGM), ma avendo il DC Dc in serie con la centralina e il rele parallelatore, semplicemente scollegai il cavo di ingresso nel DcDc (quelo dalla BM e il cavo di uscita dal DcDc, (quello che va alla centralina e poi BS), e li collegai insieme con un grosso morsetto, così affidandomi al rele parallelatore della centralina.
____________________________________

Tommaso IZ4DJI

www.iz4dji.it




21
Laikone
Laikone
rating

31/03/2004 19597
Rispondi Abuso
Inserito il 28/10/2025 alle: 08:26:14
In risposta al messaggio di IZ4DJI del 28/10/2025 alle 00:16:36

nel precedente camper si ruppe il DcDc in viaggio e quindi la BS non si caricava (avevo una AGM), ma avendo il DC Dc in serie con la centralina e il rele parallelatore, semplicemente scollegai il cavo di ingresso nel DcDc
(quelo dalla BM e il cavo di uscita dal DcDc, (quello che va alla centralina e poi BS), e li collegai insieme con un grosso morsetto, così affidandomi al rele parallelatore della centralina.
...
quindi non è impossibile che questo DC-DC si rompa... poi è vero che dipende da come si rompe... a te, nella sfiga credo ti sia andata bene...
L'iperlessia e l'analfabetismo funzionale sono una piaga sociale
21
Laikone
Laikone
rating

31/03/2004 19597
Rispondi Abuso
Inserito il 28/10/2025 alle: 08:33:43
In risposta al messaggio di Giusassi54 del 27/10/2025 alle 23:14:39

Salve. ho letto questa discussione con attenzione perchè sto valutando la possibilità di montare un DC-DC in preparazione per un futuro passaggio a batteria Litio. Attualmente l'impianto presente sul mio camper può essere
cos' descritto: Alternatore standard da 140A, centralina ( o meglio derivatore portafusibili) NE202.02 ( esiste una versione successiva.03 che permette l'esclusione del rele parallelatore), due batterie AGM in parallelo secco da 150 Ah totali, un caricabatterie CBE520 (dal munuale risulta che non è presente il settaggio per litio , ma solo GEL o Piombo), pannelli solari per un totale di 250W nominali collegati ad un regolatore di carica western WRM15. Un paio di anni addietro ho montato uno shunt Victron per poter monitorare i consumi, sempre in vista di passare a litio.   I cavi di collegamento BM a centralina e batteria servizi fino ai bus bar (impianto originale non modificato) sono da 10 mm2, mentre per i collegamenti tra le BS fino al Bus bar sono da 25 mm2.  Qui sotto lo schema attuale al meglio delle mie conoscenze e capacità. Per poter installare un DCDC, penso di aggiungere un cavo da 25mm2 da BM > DC-DC > centralina, e utilizzare il cavo originale per alimentare il frigo trivalente (verificato consumi con amperometro e mi risultano circa 15.2-15.4 A) tramite il rele esterno alla centralina ( 4RA 007 793-04 12VDC   50 o 70A)  che viene attivato dal segnale di motore acceso (D+). In questo modo toglierei l'alimentazione 12 V della resistenza del frigo dalla centralina, per cui dal DC-DC passerebbe sopratutto la ricarica delle BS e i piccoli consumi della centralina ( side marker, e alimentazione scheda frigo il tutto tra i 2-3 A max) Ovviamente il DC-DC dovra essere regolato per non superare i 25-30 A che dovranno passare attraverso la centalina e rele parallelatore (rele con sigla FRC3A-1 DC12V 70A 14VDC). qui sotto lo schema come penso di modificarlo.( in verde le modifiche) potrebbe funzionare? ogni suggerimento sarà preso in considerazione. ringrazio anticipatamente  
...
dipende molto da quanto è lungo quel cavo da 10mmq... anche se nel 90% dei casi è da cambiare...

Se è tua intenzione non andare oltre i 30A con il DC-DC anche se fino a 70A direi che non dovresti avere problemi visto che il relais parallelatore è da 70A... potresti pensare di non cambiare il cavo da 10mmq oppure prima provare e vedere come si comporta l'impianto.
L'iperlessia e l'analfabetismo funzionale sono una piaga sociale
SostaGruppiCompagniItaliaEsteroMarchiMeccanicaCellulaAccessoriEventiLeggiComportamentiDisabiliIn camper perAltro CamperAltroExtra
167k Facebook
343k Instagram
42,6k TikTok
73,3k Youtube
CamperOnLine - Copyright © 1998-2026 - P.Iva 06953990014
Informativa privacy
Loading...

Accedi

Recupera Password
Nuovo utente

Vuoi eliminare il messaggio?

Sottoscrizione

Anteprima

PREFERENZA

Il messaggio è in fase di inserimento.

loading

CamperOnLine

Buongiorno gentile utente,

da oltre 20 anni Camperonline offre gratuitamente tutti i suoi servizi
grazie agli inserzionisti che ci hanno dato la loro fiducia, permettici di continuare il nostro lavoro disattivando il blocco delle pubblicità.

Grazie della collaborazione.

Azione eseguita con successo

Azione Fallita

Condividi

Condividi questa pagina con:

O copia il link