CamperOnLine
  • Camper
    • Camper usati
    • Camper nuovi
    • Produttori
    • Listino
    • Cataloghi
    • Concessionari e rete vendita
    • Noleggio
    • Van
    • Caravan
    • Fiere
    • Rimessaggi
    • Le prove di CamperOnLine
    • Provati da voi
    • Primo acquisto
    • Area professionisti
  • Accessori
    • Accessori e Prodotti
    • Camping Sport Magenta accessori
    • Produttori
    • Antenne TV
    • Ammortizzatori
    • GPS
    • Pneumatici
    • Rimorchi
    • Provati da Voi
    • Fai da te
  • Viaggi
    • Diari di viaggi in camper
    • Eventi
    • Foto
    • Check list
    • Traghetti
    • Trasporti
  • Sosta
    • Cerca Strutture
    • Sosta
    • Aree sosta camper
    • Campeggi
    • Agriturismi con sosta camper
    • App Camperonline App
    • 10 Consigli utili per la sosta
    • Area strutture
  • Forum
    • Tutti i Forum
    • Sosta
    • Gruppi
    • Compagni
    • Italia
    • Estero
    • Marchi
    • Meccanica
    • Cellula
    • Accessori
    • Eventi
    • Leggi
    • Comportamenti
    • Disabili
    • In camper per
    • Altro Camper
    • Altro
    • Extra
    • FAQ
    • Regolamento
    • Attivi
    • Preferiti
    • Cerca
  • Community
    • COL
    • CamperOnFest
    • Convenzioni Convenzioni
    • Amici
    • Furti
    • Informativa Privacy
    • Lavoro
  • COL
    • News
    • Newsletter
    • Pubblicità
    • Contatto
    • Ora
    • RSS RSS
    • Video
    • Facebook
    • Instagram
  • Magazine
  • Italiano
    • Bienvenue
    • Welcome
    • Willkommen
  • Accedi
CamperOnLine
Camping Sport Magenta
  1. Forum
  2. Tecnica
  3. Cellula abitativa
Galleria

Centralina ne 185 batteria litio su Ducato

Rispondi
Cerca
SostaGruppiCompagniItaliaEsteroMarchiMeccanicaCellulaAccessoriEventiLeggiComportamentiDisabiliIn camper perAltro CamperAltroExtra
2 20 63
6
Szopen
Szopen
rating

06/09/2019 5980
Rispondi Abuso
Inserito il 30/10/2025 alle: 15:12:53
In risposta al messaggio di CCMV del 30/10/2025 alle 11:34:14

Ciao Sparviero85, ti posso dire cosa ho fatto io anzi, cosa sto facendo...l'impianto è in via di realizzazione  Come da post sopra, HO SCOLLEGATO la BM dal J1 della centralina NE185. Al suo posto ho collegato un cavo
proveniente dalla BS (esatto, una copia del collegamento che c'è su J2!) Così facendo tutte le utenze continuano a funzionare sia a motore acceso che spento. Faccio presente che io avevo già attuato la famosa modifica che prevede l'alimentazione del trivalente direttamente da BM (modifica by M48) Al momento tutto funziona perfettamente e senza modifiche del relè, tagli di piste o altro... Adesso devo solo studiare come collegare un caricabatterie...ma nessuno mi da una mano  A presto!
...
Collegando in ponte J1 e J2 con uno spezzo di filo avresti risparmiato tempo e fatica ma, ciò che hai fatto e' comunque il peggior modo di fare un lavoro, inoltre, la cosa ancor più sbagliata e' proprio quella di suggerirla ad altri..

Ciro.
nomade analogico e fanciulla all'imbrunire. Non ho nulla da vendere nè consigli da dare, solo qualche piccolo suggerimento da prendere con le pinze, possibilmente, amperometriche. Buoni Km a tutti e......... rammentate sempre che....... TESTAR NON NUOCE!

Modificato da Szopen il 30/10/2025 alle 15:24:05
12
CCMV
CCMV
23/06/2013 53
Rispondi Abuso
Inserito il 30/10/2025 alle: 17:43:17
In risposta al messaggio di Szopen del 30/10/2025 alle 15:12:53

Collegando in ponte J1 e J2 con uno spezzo di filo avresti risparmiato tempo e fatica ma, ciò che hai fatto e' comunque il peggior modo di fare un lavoro, inoltre, la cosa ancor più sbagliata e' proprio quella di suggerirla ad altri.. Ciro.
Ciao Ciro,
1) io non ho dato un consiglio, mi sono limitato a condividere la mia esperienza che è frutto di un'idea successivamente avallata dal lavoro di Fran50 che lo ha fatto, con successo, prima di me.

2) dire che portare una nuova linea di alimentazione sia una soluzione + veloce e - faticosa rispetto che tagliare una pista con un taglierino piuttosto che mettere un pezzo di plastica dentro un relè...beh scusa ma non mi trovi per nulla d'accordo.

3) ad ogni modo, siccome non si finisce mai di imparare, riusciresti ad andare oltre al commento che hai inserito, che oggettivamente lascia il tempo che trova, magari argomentando e dando qualche consiglio piuttosto che limitarti a dire che il lavoro fatto da Fran50 e da me non va bene.

Grazie in anticipo!
 

Modificato da CCMV il 30/10/2025 alle 18:40:39
12
CCMV
CCMV
23/06/2013 53
Rispondi Abuso
Inserito il 30/10/2025 alle: 18:38:29
In risposta al messaggio di Sparviero85 del 30/10/2025 alle 12:56:05

Grazie CCMV, quindi ricapitolando, hai tirato una linea nuova dalla BS che va sul J1 o hai fatto un ponte dal J2 al J1? Facendo questa modifica devo per forza fare la modifica di M48 per il frigo oppure è una cosa in più? Dici che non va senza modifica? Grazie ancora.
Ciao Sparviero,
andiamo per gradi e ragioniamo assieme.
Le soluzioni comunemente proposte per disabilitare R1 sono sempre le stesse:
- tagliare una pista della centralina con un cutter
- inserire un pezzo di plastica in R1
- dissaldare R1
- usare del gel isolante

Sono pratiche consolidate, quindi puoi farlo, ma io non saprei aiutarti perché non ho voluto compromettere la centralina (a dire il vero, non mi piacciono proprio concettualmente)

Per rispondere, invece, alle tue domande:
1) J1 + J2 sotto BS
Io ho preferito tirare una nuova linea, con cavo di sezione pari a quello di J2, per alimentare J1 direttamente dalla BS.

2) FRIGO
Facciamo anche qui un ragionamento insieme (spero di non perdermi pezzi smiley)

Funzionamento standard:
La corrente segue questo percorso:
ALTERNATORE → BM → J1 → PARALLELATORE → J2 + FRIGO + BS + UTENZE
Funzionamento con J1+J2 sotto BS ma senza M48:
ALTERNATORE → BM → DC-DC → J1/J2 → FRIGO
Funzionamento con J1+J2 sotto BS e con M48:
ALTERNATORE → BM → FRIGO

Come vedi, la modifica by M48 è davvero tanta roba per l’efficientamento del frigo, ma se confrontiamo il funzionamento standard con quello senza M48, a me sembra che siano sostanzialmente assimilabili.

Spero di esserti stato d'aiuto!
Cri
 
12
CCMV
CCMV
23/06/2013 53
Rispondi Abuso
Inserito il 30/10/2025 alle: 20:08:27
In risposta al messaggio di ezio55 del 30/10/2025 alle 14:32:01

Il caricabatterie, per la LiFePo4 devi collegarlo direttamente alla LiFePo4, non alla batteria motore. Saluti.
Grazie 1000 Ezio55!
Folgaria d’inverno in camper
Folgaria d’inverno in camper
Francia 2025
Francia 2025
Eksjo, la città di legno
Eksjo, la città di legno
Viaggio in Umbria e dintorni
Viaggio in Umbria e dintorni
Viaggio in Scandinavia in camper
Viaggio in Scandinavia in camper
Previous Next
Sparviero85
Sparviero85
17/10/2025 13
Rispondi Abuso
Inserito il 30/10/2025 alle: 21:05:29
In risposta al messaggio di CCMV del 30/10/2025 alle 18:38:29

Ciao Sparviero, andiamo per gradi e ragioniamo assieme. Le soluzioni comunemente proposte per disabilitare R1 sono sempre le stesse: - tagliare una pista della centralina con un cutter - inserire un pezzo di plastica in R1
- dissaldare R1 - usare del gel isolante Sono pratiche consolidate, quindi puoi farlo, ma io non saprei aiutarti perché non ho voluto compromettere la centralina (a dire il vero, non mi piacciono proprio concettualmente) Per rispondere, invece, alle tue domande: 1) J1 + J2 sotto BS Io ho preferito tirare una nuova linea, con cavo di sezione pari a quello di J2, per alimentare J1 direttamente dalla BS. 2) FRIGO Facciamo anche qui un ragionamento insieme (spero di non perdermi pezzi ) Funzionamento standard: La corrente segue questo percorso: ALTERNATORE → BM → J1 → PARALLELATORE → J2 + FRIGO + BS + UTENZE Funzionamento con J1+J2 sotto BS ma senza M48: ALTERNATORE → BM → DC-DC → J1/J2 → FRIGO Funzionamento con J1+J2 sotto BS e con M48: ALTERNATORE → BM → FRIGO Come vedi, la modifica by M48 è davvero tanta roba per l’efficientamento del frigo, ma se confrontiamo il funzionamento standard con quello senza M48, a me sembra che siano sostanzialmente assimilabili. Spero di esserti stato d'aiuto! Cri  
...
Grazie Cri.
Anche io sono per non fare modifiche invasive alla centralina, infatti mi interessava sapere l'alternativa. Ed effettivamente ragionando mi sembra una buona soluzione e non sembra abbia delle controindicazioni. Anche io sono per una nuova linea per raggiungere J1.
Per il frigo, per non mettere troppa carne sul fuoco, lo lascerei con il secondo metodo proposto e poi passare alla modifica di M48.
Grazie ancora.
Gianpi
 
Se con un Camper non sai dove andare...vendilo!
12
CCMV
CCMV
23/06/2013 53
Rispondi Abuso
Inserito il 30/10/2025 alle: 21:11:53
In risposta al messaggio di Sparviero85 del 30/10/2025 alle 21:05:29

Grazie Cri. Anche io sono per non fare modifiche invasive alla centralina, infatti mi interessava sapere l'alternativa. Ed effettivamente ragionando mi sembra una buona soluzione e non sembra abbia delle controindicazioni.
Anche io sono per una nuova linea per raggiungere J1. Per il frigo, per non mettere troppa carne sul fuoco, lo lascerei con il secondo metodo proposto e poi passare alla modifica di M48. Grazie ancora. Gianpi  
...
Grande Giampi!
Ripeto, io ho fatto questa modifica e pare proprio funzionare tutto egregiamente.
La modifica M48 l'ho messa in campo tempo fa, diversamente avrei fatto anche io il tuo stesso ragionamento:
un pezzo alla volta! yes
Se ti servisse altro, considerando che sto facendo l'impianto Litio partendo da zero, sai dove trovarmi wink
A presto e buon lavoro!
Cri
Sparviero85
Sparviero85
17/10/2025 13
Rispondi Abuso
Inserito il 30/10/2025 alle: 22:20:55
In risposta al messaggio di CCMV del 30/10/2025 alle 21:11:53

Grande Giampi! Ripeto, io ho fatto questa modifica e pare proprio funzionare tutto egregiamente. La modifica M48 l'ho messa in campo tempo fa, diversamente avrei fatto anche io il tuo stesso ragionamento: un pezzo alla volta!  Se ti servisse altro, considerando che sto facendo l'impianto Litio partendo da zero, sai dove trovarmi  A presto e buon lavoro! Cri
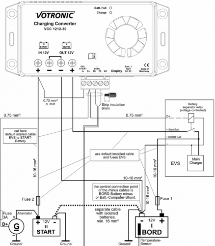
Ti pongo un'altro quesito: 
prendendo spunto da un altro DCDC della Votronic (nel mio caso installo un Victron XS), ho visto che loro in questo schema (destinato a chi ha il paralellatore integrato alla centrlaina). Entrano con il positivo BM nell' IN del DC e poi escono con il positivo e vanno al J1. Mentre la BS resta sul J2. 
Domanda: in questo modo il D+ andrebbe ad attivare il RE1 e la corrente passa dopo essere stata ripulita e stabilizzata dal DCDC che andrebbe a caricare la BS. Giusto? Potrebbe essere un'altra soluzione? 
Avremmo:
Alternatore => DCDC => J1 => J2 => servizi

Allego schema del Votronic. 
Votronic.png
 
Se con un Camper non sai dove andare...vendilo!

Modificato da Sparviero85 il 31/10/2025 alle 08:54:50
6
Szopen
Szopen
rating

06/09/2019 5980
Rispondi Abuso
Inserito il 31/10/2025 alle: 09:24:19
In risposta al messaggio di CCMV del 30/10/2025 alle 17:43:17

Ciao Ciro, 1) io non ho dato un consiglio, mi sono limitato a condividere la mia esperienza che è frutto di un'idea successivamente avallata dal lavoro di Fran50 che lo ha fatto, con successo, prima di me. 2) dire che portare
una nuova linea di alimentazione sia una soluzione + veloce e - faticosa rispetto che tagliare una pista con un taglierino piuttosto che mettere un pezzo di plastica dentro un relè...beh scusa ma non mi trovi per nulla d'accordo. 3) ad ogni modo, siccome non si finisce mai di imparare, riusciresti ad andare oltre al commento che hai inserito, che oggettivamente lascia il tempo che trova, magari argomentando e dando qualche consiglio piuttosto che limitarti a dire che il lavoro fatto da Fran50 e da me non va bene. Grazie in anticipo!  
...
Dal momento che a J2 arriva la BS sarebbero bastati 15 centimetri di cavo da 16 mmq da J2 a J1 per ottenere lo stesso risultato.

Suggerimento che preso da Fran50 cui penso che utilizzi il camper solo prendendolo da casa per portarlo fino al campeggio, perché con l'impianto riportato nelle sue illustrazioni, togliendo i 2-3 mesi estivi, non si va tanto lontani.

Ora non ho tempo, abbiamo già abbondantemente argomentato e se cerchi troverai vecchi tipici al riguardo ma ad ogni modo, più tardi ti daro nuovi lumi.

Ciro.
nomade analogico e fanciulla all'imbrunire. Non ho nulla da vendere nè consigli da dare, solo qualche piccolo suggerimento da prendere con le pinze, possibilmente, amperometriche. Buoni Km a tutti e......... rammentate sempre che....... TESTAR NON NUOCE!

Modificato da Szopen il 31/10/2025 alle 13:00:25
6
Szopen
Szopen
rating

06/09/2019 5980
Rispondi Abuso
Inserito il 31/10/2025 alle: 13:06:20
In risposta al messaggio di Sparviero85 del 30/10/2025 alle 22:20:55

Ti pongo un'altro quesito:  prendendo spunto da un altro DCDC della Votronic (nel mio caso installo un Victron XS), ho visto che loro in questo schema (destinato a chi ha il paralellatore integrato alla centrlaina). Entrano
con il positivo BM nell' IN del DC e poi escono con il positivo e vanno al J1. Mentre la BS resta sul J2.  Domanda: in questo modo il D+ andrebbe ad attivare il RE1 e la corrente passa dopo essere stata ripulita e stabilizzata dal DCDC che andrebbe a caricare la BS. Giusto? Potrebbe essere un'altra soluzione?  Avremmo: Alternatore => DCDC => J1 => J2 => servizi Allego schema del Votronic.   
...
Quello e' il classico collegamento da fare in presenza di batterie AGM, in presenza di batterie litio non sarà la stessa cosa con conseguenze che porterebbero a ricaricare male la batteria finanche a non ricaricarla proprio.

Ciro.
nomade analogico e fanciulla all'imbrunire. Non ho nulla da vendere nè consigli da dare, solo qualche piccolo suggerimento da prendere con le pinze, possibilmente, amperometriche. Buoni Km a tutti e......... rammentate sempre che....... TESTAR NON NUOCE!
12
CCMV
CCMV
23/06/2013 53
Rispondi Abuso
Inserito il 31/10/2025 alle: 13:42:11
In risposta al messaggio di Szopen del 31/10/2025 alle 09:24:19

Dal momento che a J2 arriva la BS sarebbero bastati 15 centimetri di cavo da 16 mmq da J2 a J1 per ottenere lo stesso risultato. Suggerimento che preso da Fran50 cui penso che utilizzi il camper solo prendendolo da casa
per portarlo fino al campeggio, perché con l'impianto riportato nelle sue illustrazioni, togliendo i 2-3 mesi estivi, non si va tanto lontani. Ora non ho tempo, abbiamo già abbondantemente argomentato e se cerchi troverai vecchi tipici al riguardo ma ad ogni modo, più tardi ti daro nuovi lumi. Ciro.
...
OK Ciro allora aspetto te!
Grazie,
Cri
6
Szopen
Szopen
rating

06/09/2019 5980
Rispondi Abuso
Inserito il 31/10/2025 alle: 13:46:27
In risposta al messaggio di CCMV del 31/10/2025 alle 13:42:11

OK Ciro allora aspetto te! Grazie, Cri
Ciao intanto ti chiedo una cosa anzi, due: tutte le utenze 12V passano dalla centralina ? Attualmente il frigo in viaggio a 12V funziona bene?

Ciro.
nomade analogico e fanciulla all'imbrunire. Non ho nulla da vendere nè consigli da dare, solo qualche piccolo suggerimento da prendere con le pinze, possibilmente, amperometriche. Buoni Km a tutti e......... rammentate sempre che....... TESTAR NON NUOCE!

Modificato da Szopen il 31/10/2025 alle 14:05:49
Argomenti recenti dal forum
Viaggi all'estero
USA coast to coast in camper
Buongiorno a tutti eccomi qua a chiedervi consigli su un prossimo po...
Viaggincamper
6 minuti fa
Meccanica
Problema con Pioneer sph evo 950
Buonasera a tutti, ho da poco un camper arca america con doppia tele...
Adocaro
9 minuti fa
Normative
Vicenza: il TAR respinge la sospensione cautelare
Trovate la questione su Giustizia Amminstrativa, TAR Venezia N. 0028...
Anto1957
Oggi alle 12:16
Viaggi in Italia
Giretto estivo in Valle d'Aosta
Buongiorno a tutti viaggiatori itineranti, se possibile vorrei chied...
Zoe2006
Oggi alle 11:22
Aree di sosta e campeggi
Camping o AA per ciclabile sull'Adda
Qualche camperista sa indicarmi camping o area camper (con corrente ...
rlui
Oggi alle 08:48
Cellula abitativa
Sigillante sotto guarnizione.
Salve a tutti. È arrivata l'ora di sostituire questa guarnizione sul...
Motociclista77
Oggi alle 07:59
Cellula abitativa
Finestra centrale lato guida Arca Europa 92/376
Ciao a tutti, cerco la finestra centrale lato guida (sinistro) per i...
Silvexxx
Ieri alle: 20:53
Viaggi all'estero
Festa del re Olanda
ciao a tutti.. 27 aprile saremo in olanda per la festa del re ma vor...
Steva1979
Ieri alle: 18:57
Viaggi all'estero
Percorso per raggiungere la Valle della Loira
Cerco consigli per percorsi più scorrevoli per raggiungere La Valle ...
aprile12
Ieri alle: 17:16
Cellula abitativa
Fusibili cellula Adria compact
Salve. Chiedo dove sono collocati i fusibili dell' Adria compact dl?...
Jenetic500
Ieri alle: 15:34
Cellula abitativa
Consumi anomali da amperometro CBE
Salve. l’amperometro della mia centralina CBE PC-200RO, con nessun s...
Sim700
Ieri alle: 14:30
Accessori
Smontaggio luce ingombro
Dovrei cambiare la lampadina di questa luce ingombro, ma non vorrei ...
nordkap
Ieri alle: 13:30
Accessori
Misurazione corrente prodotta da fotovoltaico
Ciao a tutti esiste uno strumentino che dia una risposta su quanta c...
Viaggincamper
Ieri alle: 11:41
Meccanica
Consiglio urgente
Ragazzi consiglio urgente, che mi dite di un Benimar su meccanica Du...
icaro2002
Ieri alle: 11:11
Accessori
Victron GlobalLink 520
Prima di acquistare il Victron GlobalLink 520 chiedo gentilmente se ...
Mlucky
08/03/26 - 23:36
12
CCMV
CCMV
23/06/2013 53
Rispondi Abuso
Inserito il 31/10/2025 alle: 14:07:27
In risposta al messaggio di Sparviero85 del 30/10/2025 alle 22:20:55

Ti pongo un'altro quesito:  prendendo spunto da un altro DCDC della Votronic (nel mio caso installo un Victron XS), ho visto che loro in questo schema (destinato a chi ha il paralellatore integrato alla centrlaina). Entrano
con il positivo BM nell' IN del DC e poi escono con il positivo e vanno al J1. Mentre la BS resta sul J2.  Domanda: in questo modo il D+ andrebbe ad attivare il RE1 e la corrente passa dopo essere stata ripulita e stabilizzata dal DCDC che andrebbe a caricare la BS. Giusto? Potrebbe essere un'altra soluzione?  Avremmo: Alternatore => DCDC => J1 => J2 => servizi Allego schema del Votronic.   
...
Ciao Giampi!
(esprimo solo un opinione)

Inizialmente devo dire che lo schema mi ha intrigato un botto!
L'idea sembra interessante soprattutto considerando che arriva da niente popò di meno che da Votronic che di mestiere fa quello!

Ma poi mi è sorto dubbio:
è sensato far passare tonnellate di Ampere dalla centralina?
Mi spiego meglio.
Nel mio caso, ho un DC-DC da 50A abbinato ad una LiFePo4 da 300Ah; se attuassi lo schema Votronic significherebbe stressare la centralina di 50A secchi, magari per ore e ore...
Senza contare lo stress aggiuntivo dovuto alle utenze, anche importanti, come il frigo.

Ripeto, l'idea sembra proprio carina e forse funzionerebbe anche ma non credo che correrò il rischio di scoprire se la mia NE185 abbia la forza di gestire tutta quell'energia cheeky
Tu cosa dici?

A presto,
Cri
 
12
CCMV
CCMV
23/06/2013 53
Rispondi Abuso
Inserito il 31/10/2025 alle: 14:23:47
In risposta al messaggio di Szopen del 31/10/2025 alle 13:46:27

Ciao intanto ti chiedo una cosa anzi, due: tutte le utenze 12V passano dalla centralina ? Attualmente il frigo in viaggio a 12V funziona bene? Ciro.
Ciao Ciro!

- Le utenze passano TUTTE da NE185 e vengono correttamente alimentate sia a motore acceso che spento

- L'NE185 prende corrente J1 + J2 entrambi collegati, con cavi di potenza, alla busbar la quale interconnette DC-DC/, MPPT, INVERTER e LITIO

- Per il frigo ho la M48 con D+ e alimentazione comandanti sempre da NE185:
@ J1 scollegato -> Il frigo si accende parte a GAS ma NON switcha a 12V a motore acceso
@ J1 su BS -> tutto funziona correttamente (mi aspetto prestazioni standard dal momento che la corrente proviene da BM con cavi da 10mmq)

Non ho fatto grandi test di funzionamento ovvero non ho ancora stressato nulla. Mi sono limitato al funziona SI o NO ma al momento mi sembra che tutto funzioni alla big...anche se sono in work in progress cool

A presto e grazie 1000,
Cri
6
Szopen
Szopen
rating

06/09/2019 5980
Rispondi Abuso
Inserito il 31/10/2025 alle: 14:23:49
In risposta al messaggio di CCMV del 31/10/2025 alle 14:07:27

Ciao Giampi! (esprimo solo un opinione) Inizialmente devo dire che lo schema mi ha intrigato un botto! L'idea sembra interessante soprattutto considerando che arriva da niente popò di meno che da Votronic che di mestiere
fa quello! Ma poi mi è sorto dubbio: è sensato far passare tonnellate di Ampere dalla centralina? Mi spiego meglio. Nel mio caso, ho un DC-DC da 50A abbinato ad una LiFePo4 da 300Ah; se attuassi lo schema Votronic significherebbe stressare la centralina di 50A secchi, magari per ore e ore... Senza contare lo stress aggiuntivo dovuto alle utenze, anche importanti, come il frigo. Ripeto, l'idea sembra proprio carina e forse funzionerebbe anche ma non credo che correrò il rischio di scoprire se la mia NE185 abbia la forza di gestire tutta quell'energia  Tu cosa dici? A presto, Cri  
...
Votronic ha elaborato quello schema sulla base di una batteria al piombo il cui assorbimento difficilmente arriva a superare i 10A fatta eccezione per i primi minuti, tale corrente però tende ad abbassare ulteriormente col passare dei minuti.

30A sono un po' pochini, il solo frigo ne pretende una quindicina, le altre utenze di bordo se in funzione, potrebbero richiedere altri 10A per la ricarica della batteria potrebbero rimanere forse 5A.

Ciro.
nomade analogico e fanciulla all'imbrunire. Non ho nulla da vendere nè consigli da dare, solo qualche piccolo suggerimento da prendere con le pinze, possibilmente, amperometriche. Buoni Km a tutti e......... rammentate sempre che....... TESTAR NON NUOCE!
6
Szopen
Szopen
rating

06/09/2019 5980
Rispondi Abuso
Inserito il 31/10/2025 alle: 14:28:26
In risposta al messaggio di CCMV del 31/10/2025 alle 14:23:47

Ciao Ciro! - Le utenze passano TUTTE da NE185 e vengono correttamente alimentate sia a motore acceso che spento - L'NE185 prende corrente J1 + J2 entrambi collegati, con cavi di potenza, alla busbar la quale interconnette
DC-DC/, MPPT, INVERTER e LITIO - Per il frigo ho la M48 con D+ e alimentazione comandanti sempre da NE185: @ J1 scollegato -> Il frigo si accende parte a GAS ma NON switcha a 12V a motore acceso @ J1 su BS -> tutto funziona correttamente (mi aspetto prestazioni standard dal momento che la corrente proviene da BM con cavi da 10mmq) Non ho fatto grandi test di funzionamento ovvero non ho ancora stressato nulla. Mi sono limitato al funziona SI o NO ma al momento mi sembra che tutto funzioni alla big...anche se sono in work in progress  A presto e grazie 1000, Cri
...
Bene, non dici dell'effettivo funzionamento del frigo, presumo sia a posto e ne sei soddisfatto.

I vari caricatori, DC-DC,regolatore solare, eventuale CB a 230V esterno, vanno tutti al busbar positivo e da questi direttamente alla batteria litio? Se cosi fosse sarebbe per te di una facilità mostruosa intervenire.

Ciro.
nomade analogico e fanciulla all'imbrunire. Non ho nulla da vendere nè consigli da dare, solo qualche piccolo suggerimento da prendere con le pinze, possibilmente, amperometriche. Buoni Km a tutti e......... rammentate sempre che....... TESTAR NON NUOCE!
12
CCMV
CCMV
23/06/2013 53
Rispondi Abuso
Inserito il 31/10/2025 alle: 15:45:17
In risposta al messaggio di Szopen del 31/10/2025 alle 14:28:26

Bene, non dici dell'effettivo funzionamento del frigo, presumo sia a posto e ne sei soddisfatto. I vari caricatori, DC-DC,regolatore solare, eventuale CB a 230V esterno, vanno tutti al busbar positivo e da questi direttamente alla batteria litio? Se cosi fosse sarebbe per te di una facilità mostruosa intervenire. Ciro.
Allora Ciro,
il frigo funzionava bene e mi aspetto che continui a farlo dal momento che NON modifico nulla rispetto a prima.

Ti confermo che i positivi finiscono tutti sulla busbar (capacità nominale 250A) e sotto tutti protetti alla sorgente da ALN opportunamente dimensionato

Il dubbio ce l'ho solo per:
@ Dove attesto il caricabatterie?
Ma qui il buon EZIO55 mi ha detto di andare diretto sulla BS (anche se porca miseria avrei veramente preferito andare sulla busbar! crying)
@ Come gestisco la 220?
per le prese 220 interne vorrei dotarmi di Priority Switch per la commutazione automatica della 220 da Inverter a Rete.
Devo quindi modificare l'impianto 220 in modo che Frigo + Caricabatterie NON vengano mai alimentati da Priority. Per farlo mi basta collegarli a monte dello stesso ovvero sulla linea della 220 da rete.
(sembra facile ma, anche qui, devo modificare l'impianto) 
Insomma, sta litio doveva essere una cosa complessa ma fattibile invece è una mezza impresa cheeky

Ciao,
Cri
6
Szopen
Szopen
rating

06/09/2019 5980
Rispondi Abuso
Inserito il 31/10/2025 alle: 16:41:24
In risposta al messaggio di CCMV del 31/10/2025 alle 15:45:17

Allora Ciro, il frigo funzionava bene e mi aspetto che continui a farlo dal momento che NON modifico nulla rispetto a prima. Ti confermo che i positivi finiscono tutti sulla busbar (capacità nominale 250A) e sotto tutti
protetti alla sorgente da ALN opportunamente dimensionato Il dubbio ce l'ho solo per: @ Dove attesto il caricabatterie? Ma qui il buon EZIO55 mi ha detto di andare diretto sulla BS (anche se porca miseria avrei veramente preferito andare sulla busbar! ) @ Come gestisco la 220? per le prese 220 interne vorrei dotarmi di Priority Switch per la commutazione automatica della 220 da Inverter a Rete. Devo quindi modificare l'impianto 220 in modo che Frigo + Caricabatterie NON vengano mai alimentati da Priority. Per farlo mi basta collegarli a monte dello stesso ovvero sulla linea della 220 da rete. (sembra facile ma, anche qui, devo modificare l'impianto)  Insomma, sta litio doveva essere una cosa complessa ma fattibile invece è una mezza impresa  Ciao, Cri
...
Il CB a 230V puoi benissimo collegarlo alla busbar, credo che Ezio intendesse dire di non utilizzare un suo collegamento attraverso la centralina, cosa che in realtà sarebbe possibile fare con centraline EBL, non credo fattibile con la tua NE.

Per quanto riguarda l'inverter, dovresti portare un cavo tripolare da almeno 1,5mmq, meglio se 2,5 kmq fino al punto di derivazione dove si incontrano i vari cavi che compongono l'impianto 230V priva che gli stessi vadano all'uscita del magnetotermico di bordo, qui andrai a posizionare un buon relè Finder o analogo, in uscita dall'inverter va OBBLIGATORIAMENTE installato un differenziale puro 2P, devi verificare anche se il costruttore dello stesso inverter abbia previsto un modo proprietario per portare il neutro al telaio altrimenti dovrai intervenire tu.

Per quanto riguarda la centralina NE, lascia tutto come sta, dal momento che tutto funziona bene mettervi mano può solo rivelarsi controproducente.

A te serve solo un semplice relè a 5 contatti da 250A da montare vicino alla centralina e far si che mentre viaggi l'alternatore si occupi dei carichi come normalmente ha sempre fatto attraverso la centralina NE mentre il DC-DC si occuperà della sola ricarica della batteria litio.

Mi auguro e ti auguro solo di avere un'alternatore sufficientemente capace, e' buona norma cercare di destinare alla cellula non più del 40% della sua corrente di targa, con un'alternatore da 120A ad esempio, dovresti regolarti con una corrente intorno ai 50A massimi complessivi da destinarsi al frigo ed agli alle altre utenze che dipendono dalla centralina, diciamo un buon 20A ed impostare il DC-DC (se possibile) con una corrente intorno ai 30 massimo 35A in uscita verso la batteria.

Nell'impianto di Fran50 da te citato, il povero DC-DC da 18A in ingresso alla centralina deve sobbarcarsi di tutti i carichi, compresa la ricarica della BS, nel suo schema e' previsto un frigo che da solo assorbe intorno ai 15A, quanto potrà restare mai a disposizione per tutto il resto compresa la ricarica della BS?
Ecco perché considero quell'impianto un impianto progettato male.

Ciro.

 
nomade analogico e fanciulla all'imbrunire. Non ho nulla da vendere nè consigli da dare, solo qualche piccolo suggerimento da prendere con le pinze, possibilmente, amperometriche. Buoni Km a tutti e......... rammentate sempre che....... TESTAR NON NUOCE!
12
CCMV
CCMV
23/06/2013 53
Rispondi Abuso
Inserito il 31/10/2025 alle: 20:50:28
In risposta al messaggio di Szopen del 31/10/2025 alle 16:41:24

Il CB a 230V puoi benissimo collegarlo alla busbar, credo che Ezio intendesse dire di non utilizzare un suo collegamento attraverso la centralina, cosa che in realtà sarebbe possibile fare con centraline EBL, non credo fattibile
con la tua NE. Per quanto riguarda l'inverter, dovresti portare un cavo tripolare da almeno 1,5mmq, meglio se 2,5 kmq fino al punto di derivazione dove si incontrano i vari cavi che compongono l'impianto 230V priva che gli stessi vadano all'uscita del magnetotermico di bordo, qui andrai a posizionare un buon relè Finder o analogo, in uscita dall'inverter va OBBLIGATORIAMENTE installato un differenziale puro 2P, devi verificare anche se il costruttore dello stesso inverter abbia previsto un modo proprietario per portare il neutro al telaio altrimenti dovrai intervenire tu. Per quanto riguarda la centralina NE, lascia tutto come sta, dal momento che tutto funziona bene mettervi mano può solo rivelarsi controproducente. A te serve solo un semplice relè a 5 contatti da 250A da montare vicino alla centralina e far si che mentre viaggi l'alternatore si occupi dei carichi come normalmente ha sempre fatto attraverso la centralina NE mentre il DC-DC si occuperà della sola ricarica della batteria litio. Mi auguro e ti auguro solo di avere un'alternatore sufficientemente capace, e' buona norma cercare di destinare alla cellula non più del 40% della sua corrente di targa, con un'alternatore da 120A ad esempio, dovresti regolarti con una corrente intorno ai 50A massimi complessivi da destinarsi al frigo ed agli alle altre utenze che dipendono dalla centralina, diciamo un buon 20A ed impostare il DC-DC (se possibile) con una corrente intorno ai 30 massimo 35A in uscita verso la batteria. Nell'impianto di Fran50 da te citato, il povero DC-DC da 18A in ingresso alla centralina deve sobbarcarsi di tutti i carichi, compresa la ricarica della BS, nel suo schema e' previsto un frigo che da solo assorbe intorno ai 15A, quanto potrà restare mai a disposizione per tutto il resto compresa la ricarica della BS? Ecco perché considero quell'impianto un impianto progettato male. Ciro.  
...
Wella che bella rispostona!
Qui c'è da leccarsi i baffi cheeky

CB su BUSBAR
Ecco, qui mi hai svoltato la settimana!
Ero preso malissimo all'idea di dover allungare cavi, sbullonare, sfascettare, ecc, ecc

INVERTER
Ho fatto subito una ricerca con Relè Finder ed è venuto fuori il mondo! Ottimo!
Vedrò cosa fare ma per adesso...non farò nulla, mi limiterò ad alimentare un sola presa (come prima angel)

CENTRALINA
Ecco, qui ti ho perso...non ho capito che cosa dovrei fare con il relè?
Considera che io ho già l'impianto modificato con Litio e con J1+J2 della NE sotto BS e frigo diretto alla BM (modifica M48)

ALTERNATORE
è suo l'onore/onore di tutto quanto!
Quest'estate si è rotto (ponte diodi?) dandomi non pochi problemi per il rientro a casa (cosa che son riuscito a fare solo grazie alla doppia AGM ed ai pannelli solari)
Quando l'ho sostituito ho "approfittato" per metterne uno da 180A (non-smart)
Direi che non di dovrebbero essere problemi di approvvigionamento Ampere wink

MODIFICA by Fran50
...niente, non demordi. Torni ancora sull'argomento laugh
Aiutami a capire Ciro, cosa non va nella modifica J1+J2 sotto BS?
Io mi sono messo anche a ragionare sui flussi di corrente e non ci vedo assolutamente nulla di problematico
E' quasi come un funzionamento standard con parallelatore ingaggiato tra BM e BS, non trovi?
Considera che io ho un DC-DC da 50A, una Litio da 300A e l'energivoro frigo sotto BM.

Cmq grazie infinite per il tempo che mi stai dedicando!

Cri
Sparviero85
Sparviero85
17/10/2025 13
Rispondi Abuso
Inserito il 31/10/2025 alle: 22:40:24
In risposta al messaggio di Szopen del 31/10/2025 alle 13:06:20

Quello e' il classico collegamento da fare in presenza di batterie AGM, in presenza di batterie litio non sarà la stessa cosa con conseguenze che porterebbero a ricaricare male la batteria finanche a non ricaricarla proprio. Ciro.
Bene, infatti volevo capire proprio questo.
Ho immaginato che passando comunque dal DCDC arrivasse bene anche alla BS al litio.

Grazie 
Se con un Camper non sai dove andare...vendilo!
Sparviero85
Sparviero85
17/10/2025 13
Rispondi Abuso
Inserito il 31/10/2025 alle: 22:43:47
In risposta al messaggio di CCMV del 31/10/2025 alle 14:07:27

Ciao Giampi! (esprimo solo un opinione) Inizialmente devo dire che lo schema mi ha intrigato un botto! L'idea sembra interessante soprattutto considerando che arriva da niente popò di meno che da Votronic che di mestiere
fa quello! Ma poi mi è sorto dubbio: è sensato far passare tonnellate di Ampere dalla centralina? Mi spiego meglio. Nel mio caso, ho un DC-DC da 50A abbinato ad una LiFePo4 da 300Ah; se attuassi lo schema Votronic significherebbe stressare la centralina di 50A secchi, magari per ore e ore... Senza contare lo stress aggiuntivo dovuto alle utenze, anche importanti, come il frigo. Ripeto, l'idea sembra proprio carina e forse funzionerebbe anche ma non credo che correrò il rischio di scoprire se la mia NE185 abbia la forza di gestire tutta quell'energia  Tu cosa dici? A presto, Cri  
...
Si su carta sembrava fatta! 
Nel mio caso destinerei non più di 35A, in quanto ho un alternatore da 120A. 
Poi come dice Ciro, la corrente non arriva nel modo miglio alla litio. Ma andrebbe bene solo con AGM.
A questo punto non mi resta che adottare la modifica J2 su J1, e poi attuare la modifica di M48 per la parte frigo.

Grazie
Se con un Camper non sai dove andare...vendilo!
SostaGruppiCompagniItaliaEsteroMarchiMeccanicaCellulaAccessoriEventiLeggiComportamentiDisabiliIn camper perAltro CamperAltroExtra
167k Facebook
343k Instagram
42,6k TikTok
73,3k Youtube
CamperOnLine - Copyright © 1998-2026 - P.Iva 06953990014
Informativa privacy
Loading...

Accedi

Recupera Password
Nuovo utente

Vuoi eliminare il messaggio?

Sottoscrizione

Anteprima

PREFERENZA

Il messaggio è in fase di inserimento.

loading

CamperOnLine

Buongiorno gentile utente,

da oltre 20 anni Camperonline offre gratuitamente tutti i suoi servizi
grazie agli inserzionisti che ci hanno dato la loro fiducia, permettici di continuare il nostro lavoro disattivando il blocco delle pubblicità.

Grazie della collaborazione.

Azione eseguita con successo

Azione Fallita

Condividi

Condividi questa pagina con:

O copia il link