www.ecovippari.com
In risposta al messaggio di k3cco del 05/07/2022 alle 00:11:16Approfitto a postare le foto della serratura. Potrebbe essere la serratura con chiusura centralizzata del ducato seconda serie 94-02. nel mio caso quella della porta SX.
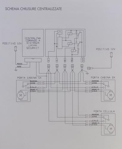
Buongiorno, sono alle prese con la chiusura centralizzata della porta ingresso cellula del mio ecovip 2i del 2000. la porta é quella che é stata montata in tutti gli ecovip di quegli anni. Fino a qualche giorno fa,se chiedevo con il telecomando, a volte succedeva che la serratura della cellula non chiudeva, quelle della cabina sī. L'impressione era che l'attuatore della chiusura facesse fatica. (Anni fa ho avuto lo stesso problema con la porta lato passeggero e ho sostituito l'attuatore risolvendo). Oggi ho smontato la serratura che riporta solo un codice B792, le ho provate tutte, ho pulito, lubrificato, regolato l'alberino che collega il nottolino della chiave con la serratura, risultato ora non chiude più. Escluderei il solito problema al cablaggio (che tende a rompersi nel passaggio tra porta e cellula) perché, nel mio caso, l'impulso arriva, ma l'attuatore non ha abbastanza forza da chiudere, fa solo un leggero movimento. L'attuatore é tutt'uno con la serratura ed é diverso da quello, semplice ed sci olivo, delle porte della cabina. ho cercato sul web che tipo di chiusura possa essere, ipotizzando che Laika l'abbia presa da qualche vettura del tempo, ma non trovo corrispondenza esatta. La maniglia esterna della porta cellula é quella del daily 89-99, ma non riesco a capire il resto, la maniglia interna ricorda quella della vecchia uno, ma non trovo altro. Ho scritto anche a Laika, che solitamente risponde in breve, ma gli anni passano anche per loro e i vecchi Laika oro sono sempre più distanti nel,tempo, se dovessero rispondermi vi aggiorno. Chiedo se c'é qualcuno di voi che mi sa dare qualche info utile, grazie in anticipo. Francesco www.ecovippari.com



www.ecovippari.com
https://www.ebay.it/itm/3138553...
https://infiniti.autosupermarke...
https://www.ebay.it/itm/1753269...
www.ecovippari.com
In risposta al messaggio di k3cco del 05/07/2022 alle 22:19:35Per quanto ne so (anchio ho avuto problemi sulla serratura del mio ecovip 100) iè la serratura dell'iveco daily ma lato guidatore e ribaltata all'incontrario
Approfitto a postare le foto della serratura. Potrebbe essere la serratura con chiusura centralizzata del ducato seconda serie 94-02. nel mio caso quella della porta SX. Potrebbe essere la serratura con chiusura centralizzatadel ducato seconda serie 94-02 (con qualche pezzo aggiunto che potrei recuperare dalla mia) nel mio caso quella della porta SX. la ricerca continua, ma se cosi fosse non dovrebbe essere difficile trovarla.
In risposta al messaggio di Clint del 06/07/2022 alle 08:14:19Al momento no, perché ho scritto all'assistenza Laika direttamente e volevo evitare sovrapposizioni. Sono in attesa che mi rispondano.
Hai provato a telefonare alla 2ELLE, officina riparazione camper posta davanti alla Laika?
www.ecovippari.com
In risposta al messaggio di ronza75 del 06/07/2022 alle 11:28:16Grazie Ronza e bentrovato, immagino tu stia parlando del Daily 35.12, perché il 35c13 ha un sistema diverso. Stasera cerco sul web e verifico, grazie.
Per quanto ne so (anchio ho avuto problemi sulla serratura del mio ecovip 100) iè la serratura dell'iveco daily ma lato guidatore e ribaltata all'incontrario
www.ecovippari.com
www.ecovippari.com
www.ecovippari.com



www.ecovippari.com
In risposta al messaggio di k3cco del 21/07/2022 alle 22:27:05Ciao, come é andata a finire?
Aggiornamento: ho sentito l'officina dueelle, per capire il problema hanno bisogno di avere il camper e fare le verifiche, opzione scartata perchè abito troppo distante e ora non ho in programma viaggi da quelle parti. Hochiesto il prezzo della serratura che ho appurato essere disponibile ma viene una cifra che spenderei solo se fossi sicuro di risolvere, per cui ho optato per comprare una serratura di un ducato seconda serie usata per 30 euro su la baia, primo perchè non ero sicuro che andasse bene e poi per vedere se risolvevo. questa è la serratura affiancata all'originale la cosa positiva e che la serratura è la stessa, basta solo spostare una parte avvitata e la gomma nera da una all'altra. la cosa negativa è che montata sulla porta non va. O meglio si comporta come l'originale, se sta ferma un giorno alla prima chiusura non si muove, poi funziona (finchè non sta ferma un altro giorno). Quindi ho escluso un problema alla serratura. Ho tolto il piano del mobile cucina, quello sotto i fornello, per accedere al morsetto che connette la parte di fili che proviene dalla porta, con quelli che vanno verso la cabina. Ho potuto verificare i fili verso la porta con tester, nessun problema, ho approfittato per pulire i contatti e richiuso. Problema rimasto. Poi sono andato in cerca della centralina, che non so dove sia, immagino che sia un tutt'uno con la sirena alloggiata nel vano motore, per cui ho dato una pulita anche ai contatti sulla sirena. Ancora senza risolvere. Così ho rimontato la porta e temporaneamente abbandonato. Sinceramente non so più cosa cercare. Potrei verificare i contatti sulle chiusure delle porte anteriori, ma significa smontare pannelli e tutto il resto. Se dovesse servire ora ho una serratura in più. Resto in ascolto speranzoso di qualche consiglio.
www.ecovippari.com
In risposta al messaggio di k3cco del 05/07/2022 alle 00:11:16Ciao,io ho risolto con un attuatore acquistato su Amazon,collegato diretto all'astina di blocco della portiera, bypassando l'attuatore elettrico inserito nella serratura.
Buongiorno, sono alle prese con la chiusura centralizzata della porta ingresso cellula del mio ecovip 2i del 2000. la porta é quella che é stata montata in tutti gli ecovip di quegli anni. Fino a qualche giorno fa,se chiedevo con il telecomando, a volte succedeva che la serratura della cellula non chiudeva, quelle della cabina sī. L'impressione era che l'attuatore della chiusura facesse fatica. (Anni fa ho avuto lo stesso problema con la porta lato passeggero e ho sostituito l'attuatore risolvendo). Oggi ho smontato la serratura che riporta solo un codice B792, le ho provate tutte, ho pulito, lubrificato, regolato l'alberino che collega il nottolino della chiave con la serratura, risultato ora non chiude più. Escluderei il solito problema al cablaggio (che tende a rompersi nel passaggio tra porta e cellula) perché, nel mio caso, l'impulso arriva, ma l'attuatore non ha abbastanza forza da chiudere, fa solo un leggero movimento. L'attuatore é tutt'uno con la serratura ed é diverso da quello, semplice ed sci olivo, delle porte della cabina. ho cercato sul web che tipo di chiusura possa essere, ipotizzando che Laika l'abbia presa da qualche vettura del tempo, ma non trovo corrispondenza esatta. La maniglia esterna della porta cellula é quella del daily 89-99, ma non riesco a capire il resto, la maniglia interna ricorda quella della vecchia uno, ma non trovo altro. Ho scritto anche a Laika, che solitamente risponde in breve, ma gli anni passano anche per loro e i vecchi Laika oro sono sempre più distanti nel,tempo, se dovessero rispondermi vi aggiorno. Chiedo se c'é qualcuno di voi che mi sa dare qualche info utile, grazie in anticipo. Francesco www.ecovippari.com