
In risposta al messaggio di Magne84 del 17/11/2025 alle 10:16:19che venga prelevata della corrente dalla BS non è impossibile se qualcosa vi è collegato sopra anche se tutto appare spento.
Ciao a tutti, torno con un quesito per un problema che ho notato sul mio VR, non essendo troppo pratico chiedo a chi lo é piu di me. Allora, ho notato tramite app Vicron che durante la marcia, veicolo in moto, centralonaEBL spenta, quindi tutte utenze spente ho un consumo di xirca 5-6 A fissi. Spegnendo il veicolo il consumo si azzera, se con veicolo acceso, accendo fari alti, oppure accenndo la ventilazione della cabina, il consumo prima scende per poi risalire, mi sembra pure che se viaggio aumenta ancora il consumo, come se venisse prelevata la corrente del veicolo dalla BS al posto della BM. Potrebbe venire da in difetto del parallelatore magari ? Ho la BS collegata alla BM tramite parallelatore attivato con D+ .. se servono altre info chiedete pure e grazie in anticipo.
In risposta al messaggio di Magne84 del 17/11/2025 alle 10:16:195 Ampere sono tante, devi indagare usando una strumentazione seria.
Ciao a tutti, torno con un quesito per un problema che ho notato sul mio VR, non essendo troppo pratico chiedo a chi lo é piu di me. Allora, ho notato tramite app Vicron che durante la marcia, veicolo in moto, centralonaEBL spenta, quindi tutte utenze spente ho un consumo di xirca 5-6 A fissi. Spegnendo il veicolo il consumo si azzera, se con veicolo acceso, accendo fari alti, oppure accenndo la ventilazione della cabina, il consumo prima scende per poi risalire, mi sembra pure che se viaggio aumenta ancora il consumo, come se venisse prelevata la corrente del veicolo dalla BS al posto della BM. Potrebbe venire da in difetto del parallelatore magari ? Ho la BS collegata alla BM tramite parallelatore attivato con D+ .. se servono altre info chiedete pure e grazie in anticipo.
http://www.m48.it
In risposta al messaggio di Laikone del 17/11/2025 alle 11:00:29Ciao Laikone tutto ok ?
che venga prelevata della corrente dalla BS non è impossibile se qualcosa vi è collegato sopra anche se tutto appare spento. Le utenze prelevano dalla fonte che ha la tensione più alta, nel senso, qualora la BS abbiauna tensione maggiore sarà la BS a trasferire energia alla BM visto il parallelo. La cosa strana è come mai eventualmente la BM ha una tensione minore, quando su di essa vi è collegato l'alternatore che dovrebbe sopperire a qualsiasi consumo collegato alla BM. Il cavo alternatore/BM e relativi fusibili e connessioni come sono messi? Tutto in ordine o ci sono cavi sottili come capelli e crimpature ossidate oltre a fusibili di ridicola portata?
In risposta al messaggio di Magne84 del 17/11/2025 alle 12:29:24sì, tutto ok grazie.
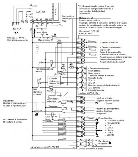
Ciao Laikone tutto ok ? Allora riguardo alla batteria se mi baso sui dati forniti dal shunt, ho la BM a 13.71V e la BM a 13.48V, quindi sempre in teoria la BM ha più tensione quindi dovrebbe prendere da li giusto ? Ilcavo da Alternatore a BM è un 35mm2, appena fatto con crimpature fatte con macchinetta apposita (idraulica) quindi penso sia fatto bene, in entrata c'è un MIDI fuse da 200A sulla BM. Allego lo schema del mio impianto per essere più chiaro : In teoria non dovrebbe poter accingere dalla BS con il collegamento così giusto ? Grazie mille
In risposta al messaggio di Laikone del 17/11/2025 alle 12:52:54Penso che il 13.71V sia dato dalle impostazioni standard del DCDC victron e pure del cb victron 230V con impostazione Litio può essere ?
sì, tutto ok grazie. Quel 13,71V sulla BM non mi torna per nulla... lì ci devono essere almeno 14.00/14.30V. Se il cavo del positivo è appena stato rifatto, guarderei bene la massa, dalla BM al telaio e dalla BS al telaio. Una massa che non conduce è come un positivo che non conduce... crea problemi. PS: controllerei con un tester, non con uno shunt...
In risposta al messaggio di Magne84 del 17/11/2025 alle 12:29:24Non si capisce bene, la tensione della BS e della BM a motore acceso quali sono?
Ciao Laikone tutto ok ? Allora riguardo alla batteria se mi baso sui dati forniti dal shunt, ho la BM a 13.71V e la BM a 13.48V, quindi sempre in teoria la BM ha più tensione quindi dovrebbe prendere da li giusto ? Ilcavo da Alternatore a BM è un 35mm2, appena fatto con crimpature fatte con macchinetta apposita (idraulica) quindi penso sia fatto bene, in entrata c'è un MIDI fuse da 200A sulla BM. Allego lo schema del mio impianto per essere più chiaro : In teoria non dovrebbe poter accingere dalla BS con il collegamento così giusto ? Grazie mille
In risposta al messaggio di banoyo del 17/11/2025 alle 14:30:27Dalle foto non si vede bene, a motore acceso ho sulla BM 13,71V e sulla BS 13.48V, l'inverter è presente solo sullo schema, verrà montato settimana prossima e non sarà sempre acceso ma avrà il telecomando ( Inverter NDS SPB 2000-I ).
Non si capisce bene, la tensione della BS e della BM a motore acceso quali sono? Hai riportato solo i valori della BM. Hai spento la centralina, ma nel disegno sembra sempre acceso l'inverter...hai qualcosa collegato alla uscita inverter?
In risposta al messaggio di Magne84 del 17/11/2025 alle 13:02:29disattiva il DC-DC e controlla la tensione sulla BM a motore acceso, DEVONO ESSERCI 14.V.
Penso che il 13.71V sia dato dalle impostazioni standard del DCDC victron e pure del cb victron 230V con impostazione Litio può essere ?
In risposta al messaggio di Laikone del 17/11/2025 alle 19:09:20Mi son spiegato male, intendevo che la tensione della BS di 13,41 è dato dall'impostazione sbagliata di carica del dcdc e del caricabateria litio che ho messo aggiuntivo per la BS. Quindi dovrò regolarlo a 14.4 volt.
disattiva il DC-DC e controlla la tensione sulla BM a motore acceso, DEVONO ESSERCI 14.V. Il DC-DC gestisce la tensione in uscita verso la BS, non verso la BM.
In risposta al messaggio di Magne84 del 17/11/2025 alle 20:34:31con l'alternatore smart e il DC-DC acceso, se la batteri accetta corrente, l'alternatore regola da solo la tensione e la corrente da erogare in funzione di ciò che viene richiesto.
Mi son spiegato male, intendevo che la tensione della BS di 13,41 è dato dall'impostazione sbagliata di carica del dcdc e del caricabateria litio che ho messo aggiuntivo per la BS. Quindi dovrò regolarlo a 14.4 volt. Avendoalternatoresmart non avró sempre 14v giusto ? Quando ho fatto i printscreen dell'app victron avevo a motore spento la BM a 12.97v, e a motore in moto 13.71v.
In risposta al messaggio di Magne84 del 17/11/2025 alle 20:34:31Ti spiego come funziona il mio DC-DC con alternatore stupido.
Mi son spiegato male, intendevo che la tensione della BS di 13,41 è dato dall'impostazione sbagliata di carica del dcdc e del caricabateria litio che ho messo aggiuntivo per la BS. Quindi dovrò regolarlo a 14.4 volt. Avendoalternatoresmart non avró sempre 14v giusto ? Quando ho fatto i printscreen dell'app victron avevo a motore spento la BM a 12.97v, e a motore in moto 13.71v.
In risposta al messaggio di banoyo del 17/11/2025 alle 21:50:04Alla fine, ho scoperto che quei 5A che vengono scritti sul app victron sono in entrata e non in uscita ( qui si capisce quanto sono una mazza
Ti spiego come funziona il mio DC-DC con alternatore stupido. Se sto viaggiando e la BS arriva al 100% di carica il DC-DC smette di ricaricare, non ha mantenimento. Se ho qualche utenza che assorbe corrente la BS forniscequesta corrente e nonostante sono a motore acceso vedo la BS che si scarica (la stessa cosa che vedi tu). Se la BS scende sotto un certo valore, circa 13,2V, il DC-DC riprende a caricare la BS. Nel tuo caso, con anche l'alternatore intelligente, potrebbe succedere la stessa cosa ma con l'aggiunta che quando il DC-DC è a riposo non hai nemmeno la carica della BM. Un DC-DC a batteria carica deve staccare, quindi se stacca a 14,2/14,6V è normale che fino a che non si raggiunge la soglia di ricarica del DC-DC, la BS fornisce corrente a ciò che ha collegato. Nelle tue foto si nota la batteria al 100% quindi è normale che il DC-DC smetta di caricare...devi solo trovare cosa assorbe quei 5A. Poi hai scritto ; Allora riguardo alla batteria se mi baso sui dati forniti dal shunt, ho la BM a 13.71V e la BM a 13.48V, quindi sempre in teoria la BM ha più tensione quindi dovrebbe prendere da li giusto ? Al di la che hai messo due volte BM, in ogni caso il DC-DC ha il compito di elevare/abbassare la tensione per fornire la 14,4V alla litio, quindi se la BM fosse, per qualsiasi motivo, ad una tensione più bassa della BS (es: per alternatore che non carica), avresti sempre la corrente di ricarica che dalla BM va verso la BS...a meno che avere montato dispositivi per il mantenimento della BM, non dovresti mai vedere corrente che da BS va verso BM.
In risposta al messaggio di Magne84 del 17/11/2025 alle 10:16:19Leggendo solo le prime righe.. non è possibile che le utenze prelevino dalla batteria con tensione più alta, potrebbe essere che prelevino di più dalla batteria più carica ma solo se queste fossero in parallelo e se fossero in parallelo perchè avresti montato un caricabatterie DC/DC ovvero un convertitore?
Ciao a tutti, torno con un quesito per un problema che ho notato sul mio VR, non essendo troppo pratico chiedo a chi lo é piu di me. Allora, ho notato tramite app Vicron che durante la marcia, veicolo in moto, centralonaEBL spenta, quindi tutte utenze spente ho un consumo di xirca 5-6 A fissi. Spegnendo il veicolo il consumo si azzera, se con veicolo acceso, accendo fari alti, oppure accenndo la ventilazione della cabina, il consumo prima scende per poi risalire, mi sembra pure che se viaggio aumenta ancora il consumo, come se venisse prelevata la corrente del veicolo dalla BS al posto della BM. Potrebbe venire da in difetto del parallelatore magari ? Ho la BS collegata alla BM tramite parallelatore attivato con D+ .. se servono altre info chiedete pure e grazie in anticipo.
In risposta al messaggio di teohd del 20/11/2025 alle 23:29:29Nessun fotovoltaico per il momento, arriverà più avanti.
Quando monti il DC/DC va eliminato il parallelatore. Dallo schema si vede essercene uno sul positivo della batteria motore. I 5A possono arrivare da questa incongruenza. Poi, non hai fotovoltaico?
In risposta al messaggio di Magne84 del 22/11/2025 alle 22:21:44Basta fare un circuito a parte ed eliminare il parallelatore fra batterie.
Nessun fotovoltaico per il momento, arriverà più avanti. Come mai togliere il parallelatore ? Avendo collegato il frigorifero alla BM sarebbe un problema non averlo ora..
In risposta al messaggio di Magne84 del 27/11/2025 alle 21:38:50Dipende come è collegato il DC-DC.
Come mai si parla di togliere il Parallelatore in presenza di un DCDC ? Da effettivamente fastidio o problemi lasciarlo ? Saluti a tutti
In risposta al messaggio di Magne84 del 27/11/2025 alle 21:38:50no, non da alcun problema lasciarlo, anzi, funge da ulteriore sicurezza per garantire l'isolamento della BM dal DC-DC.
Come mai si parla di togliere il Parallelatore in presenza di un DCDC ? Da effettivamente fastidio o problemi lasciarlo ? Saluti a tutti