CamperOnLine
  • Camper
    • Camper usati
    • Camper nuovi
    • Produttori
    • Listino
    • Cataloghi
    • Concessionari e rete vendita
    • Noleggio
    • Van
    • Caravan
    • Fiere
    • Rimessaggi
    • Le prove di CamperOnLine
    • Provati da voi
    • Primo acquisto
    • Area professionisti
  • Accessori
    • Accessori e Prodotti
    • Camping Sport Magenta accessori
    • Produttori
    • Antenne TV
    • Ammortizzatori
    • GPS
    • Pneumatici
    • Rimorchi
    • Provati da Voi
    • Fai da te
  • Viaggi
    • Diari di viaggi in camper
    • Eventi
    • Foto
    • Check list
    • Traghetti
    • Trasporti
  • Sosta
    • Cerca Strutture
    • Sosta
    • Aree sosta camper
    • Campeggi
    • Agriturismi con sosta camper
    • App Camperonline App
    • 10 Consigli utili per la sosta
    • Area strutture
  • Forum
    • Tutti i Forum
    • Sosta
    • Gruppi
    • Compagni
    • Italia
    • Estero
    • Marchi
    • Meccanica
    • Cellula
    • Accessori
    • Eventi
    • Leggi
    • Comportamenti
    • Disabili
    • In camper per
    • Altro Camper
    • Altro
    • Extra
    • FAQ
    • Regolamento
    • Attivi
    • Preferiti
    • Cerca
  • Community
    • COL
    • CamperOnFest
    • Convenzioni Convenzioni
    • Amici
    • Furti
    • Informativa Privacy
    • Lavoro
  • COL
    • News
    • Newsletter
    • Pubblicità
    • Contatto
    • Ora
    • RSS RSS
    • Video
    • Facebook
    • Instagram
  • Magazine
  • Italiano
    • Bienvenue
    • Welcome
    • Willkommen
  • Accedi
CamperOnLine
Camping Sport Magenta
  1. Forum
  2. Tecnica
  3. Cellula abitativa
Galleria

Conversione totale impianto da AGM a Litio

Rispondi
Cerca
SostaGruppiCompagniItaliaEsteroMarchiMeccanicaCellulaAccessoriEventiLeggiComportamentiDisabiliIn camper perAltro CamperAltroExtra Attivi
1 20 247
7
Grezz
Grezz
03/09/2018 463
Rispondi Abuso
Inserito il 12/12/2024 alle: 12:48:46
Ciao a tutti di nuovo, come anticipato nell'altro topic che riguardava solo i pannelli solari sono in procinto di modificare totalmente l'impianto elettrico del mio vecchio/nuovo camper, nel senso che l'ho portato a casa da pochi giorni ma mi sono ritrovato con le batterie praticamente inutilizzabili (non voglio aggiungere nulla in merito), sia le due batterie servizi che la batteria di avviamento, specifico infine che le due batterie servizi non sono nemmeno uguali, brand diversi anni diversi e probabilmente tecnologie diverse, ma ripeto, glissiamo su questo argomento perché sono già abbastanza inc...ato a riguardo.
Da queste poche premesse nasce il problema: devo acquistare urgentemente delle batterie ma siccome era già in previsione di passare al litio nel giro di qualche mese mi ritrovo a dover spendere subito un patrimonio e probabilmente senza nemmeno aver chiaro bene le reali necessità, ragion per cui diciamo che sono stato un filino largo con la batteria (spero) e con l'inverter.
Specifico infine che l'inverter verrà acceso ma non così tanto spesso, purtroppo però sono costretto dalla moglie ad acquistare un 2kw perché lei stavolta VUOLE asciugarsi i capelli (io son quasi pelato ormai quindi direi che a me non servirà). ed ovviamente usare attrezzi da cucina e altre cose di minor assorbimento come caricabatterie e simili.

Torniamo all'argomento: a quanto mi è dato capire passando al litio devo sostituire tutti i caricatori del mezzo quindi l'MPPT, il caricabatterie 220v e aggiungere un DC/DC charger, con l'occasione punto a fare un impianto un po' ordinato aggiungendo quindi delle busbar ed uno shunt con relativo schermo.

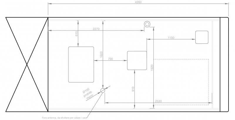
Vi allego in primis la pianta del mio camper e poi vi descrivo dove vorrei mettere i vari componenti.

Screenshot%202024-12-12%20alle%2012_20_48.png

Attualmente sotto al sedile guida c'è il caricatore e vorrei lasciare anche quello nuovo in quella posizione ma victron afferma che dovrebbe essere montato in verticale e libero sopra e sotto... nella realtà dei fatti su un buon 50% delle foto/video di impianti che vedo in rete lo vedo steso a terra proprio come il mio attuale che è un "Nordelettronica Input 230v 1.5A Output Max 14,4V 200W" (non trovo codici modello)
Sempre attualmente sotto al sedile passeggero si trova la prima BS, io li pensavo di metterci il DC/DC Victron e lasciare tutto il vano per lui, anche in questo caso vale il discorso del montaggio verticale o orizzontale e non so quanto sia realmente importante.
Sotto alla seduta della dinette piccola, quella che si trova subito dietro al sedile passeggero attualmente c'è la seconda BS, in questo punto (un vano di 555 x 470 alto 370mm) io installerei la batteria litio, l'inverter, le busbar, lo shunt e il mio MPPT (quest'ultimo da valutare), infine prevederei un piccolo sistema di aerazione del vano con delle ventole da PC.
Diciamo che questo è il quadro generale del progetto, probabilmente si potrebbe raggruppare tutto o quasi nel vano ma credo che poi risulterebbe troppo pieno e con troppe fonti che generano calore. Ovviamente in base alle sezioni dei fili devo verificare se il MPPT è meglio posizionarlo nel vano oppure dentro qualche pensile e da li far partire un altro filo che porta al suddetto caso batteria, ma credo che non ci sia molta differenza.
Ultimissima precisazione: attualmente c'è un pannello scandaloso di X millenni d'età con un regolatore PWM, punto a sostituire subito il regolatore con il victron MPPT ma per il momento lascio il pannello (del quale mi occuperò appena inizia la bella stagione), la calata dei cavi ad ora è attraverso la cappa di aspirazione (no comment please, non c'entro nulla in questo accrocchio) io in futuro eliminerò l'antenna TV e scenderò da li con i cavi.
Vi allego l'immagine dello schema e un po di dati tecnici, specifico che sono uno a cui piace conoscere e informarsi e studiare tutto ma realmente io e l'elettricità non leghiamo per niente, mi trovo a fare questo tipo di intervento a causa del fatto che tutti gli installatori della zona mi parlano di Marzo come minimo e io non posso pensare di star fermo col camper fino alla primavera! Quindi ho deciso di rimboccarmi le maniche e agire, in fin dei conti non mi sembra un impianto difficile da realizzare.
schema1(1).jpg
schema2.jpg
tetto(3).jpg

Nella prima immagine ho scritto quello che a mio parere sono i dati salienti dell'impianto, l'alternatore credo di aver capito (parlando con il vecchio proprietario) che è un 120A quindi più che adatto per un dc/dc da 30A, forse reggerebbe di più ma non mi importa esagerare e sforzarlo. (i cavi che partono da li mi sembrano parecchio grossi di sezione, devo ancora capire come misurarli)
Nella sezione DUBBI la prima e la seconda domanda sono legate suppongo, ma soprattutto ho letto che alcune centraline vanno a parallelare le batterie ed ovviamente io devo evitare che questo accada. Come posso esserne sicuro?
La terza domanda invece è stupida e non consideratela.
Scusate se leggete parole non tecniche o domande stupide ma sono un novellino che si deve buttare in questo mondo e purtroppo devo anche farlo di corsa perché con 11.4V di tensione quando accende il webasto... la vedo dura chiudere una nottata!

EDIT: aggiungo una domanda: DC/DC isolato o no? perché? (in caso di non isolato, i negativi come vengono collegati?)

Avanti con tutte le correzioni che volete... 

Modificato da Grezz il 12/12/2024 alle 12:55:42
14
banoyo
banoyo
23/12/2011 2682
Rispondi Abuso
Inserito il 12/12/2024 alle: 15:24:04
In risposta al messaggio di Grezz del 12/12/2024 alle 12:48:46

Ciao a tutti di nuovo, come anticipato nell'altro topic che riguardava solo i pannelli solari sono in procinto di modificare totalmente l'impianto elettrico del mio vecchio/nuovo camper, nel senso che l'ho portato a casa
da pochi giorni ma mi sono ritrovato con le batterie praticamente inutilizzabili (non voglio aggiungere nulla in merito), sia le due batterie servizi che la batteria di avviamento, specifico infine che le due batterie servizi non sono nemmeno uguali, brand diversi anni diversi e probabilmente tecnologie diverse, ma ripeto, glissiamo su questo argomento perché sono già abbastanza inc...ato a riguardo. Da queste poche premesse nasce il problema: devo acquistare urgentemente delle batterie ma siccome era già in previsione di passare al litio nel giro di qualche mese mi ritrovo a dover spendere subito un patrimonio e probabilmente senza nemmeno aver chiaro bene le reali necessità, ragion per cui diciamo che sono stato un filino largo con la batteria (spero) e con l'inverter. Specifico infine che l'inverter verrà acceso ma non così tanto spesso, purtroppo però sono costretto dalla moglie ad acquistare un 2kw perché lei stavolta VUOLE asciugarsi i capelli (io son quasi pelato ormai quindi direi che a me non servirà). ed ovviamente usare attrezzi da cucina e altre cose di minor assorbimento come caricabatterie e simili. Torniamo all'argomento: a quanto mi è dato capire passando al litio devo sostituire tutti i caricatori del mezzo quindi l'MPPT, il caricabatterie 220v e aggiungere un DC/DC charger, con l'occasione punto a fare un impianto un po' ordinato aggiungendo quindi delle busbar ed uno shunt con relativo schermo. Vi allego in primis la pianta del mio camper e poi vi descrivo dove vorrei mettere i vari componenti. Attualmente sotto al sedile guida c'è il caricatore e vorrei lasciare anche quello nuovo in quella posizione ma victron afferma che dovrebbe essere montato in verticale e libero sopra e sotto... nella realtà dei fatti su un buon 50% delle foto/video di impianti che vedo in rete lo vedo steso a terra proprio come il mio attuale che è un Nordelettronica Input 230v 1.5A Output Max 14,4V 200W (non trovo codici modello) Sempre attualmente sotto al sedile passeggero si trova la prima BS, io li pensavo di metterci il DC/DC Victron e lasciare tutto il vano per lui, anche in questo caso vale il discorso del montaggio verticale o orizzontale e non so quanto sia realmente importante. Sotto alla seduta della dinette piccola, quella che si trova subito dietro al sedile passeggero attualmente c'è la seconda BS, in questo punto (un vano di 555 x 470 alto 370mm) io installerei la batteria litio, l'inverter, le busbar, lo shunt e il mio MPPT (quest'ultimo da valutare), infine prevederei un piccolo sistema di aerazione del vano con delle ventole da PC. Diciamo che questo è il quadro generale del progetto, probabilmente si potrebbe raggruppare tutto o quasi nel vano ma credo che poi risulterebbe troppo pieno e con troppe fonti che generano calore. Ovviamente in base alle sezioni dei fili devo verificare se il MPPT è meglio posizionarlo nel vano oppure dentro qualche pensile e da li far partire un altro filo che porta al suddetto caso batteria, ma credo che non ci sia molta differenza. Ultimissima precisazione: attualmente c'è un pannello scandaloso di X millenni d'età con un regolatore PWM, punto a sostituire subito il regolatore con il victron MPPT ma per il momento lascio il pannello (del quale mi occuperò appena inizia la bella stagione), la calata dei cavi ad ora è attraverso la cappa di aspirazione (no comment please, non c'entro nulla in questo accrocchio) io in futuro eliminerò l'antenna TV e scenderò da li con i cavi. Vi allego l'immagine dello schema e un po di dati tecnici, specifico che sono uno a cui piace conoscere e informarsi e studiare tutto ma realmente io e l'elettricità non leghiamo per niente, mi trovo a fare questo tipo di intervento a causa del fatto che tutti gli installatori della zona mi parlano di Marzo come minimo e io non posso pensare di star fermo col camper fino alla primavera! Quindi ho deciso di rimboccarmi le maniche e agire, in fin dei conti non mi sembra un impianto difficile da realizzare. Nella prima immagine ho scritto quello che a mio parere sono i dati salienti dell'impianto, l'alternatore credo di aver capito (parlando con il vecchio proprietario) che è un 120A quindi più che adatto per un dc/dc da 30A, forse reggerebbe di più ma non mi importa esagerare e sforzarlo. (i cavi che partono da li mi sembrano parecchio grossi di sezione, devo ancora capire come misurarli) Nella sezione DUBBI la prima e la seconda domanda sono legate suppongo, ma soprattutto ho letto che alcune centraline vanno a parallelare le batterie ed ovviamente io devo evitare che questo accada. Come posso esserne sicuro? La terza domanda invece è stupida e non consideratela. Scusate se leggete parole non tecniche o domande stupide ma sono un novellino che si deve buttare in questo mondo e purtroppo devo anche farlo di corsa perché con 11.4V di tensione quando accende il webasto... la vedo dura chiudere una nottata! EDIT: aggiungo una domanda: DC/DC isolato o no? perché? (in caso di non isolato, i negativi come vengono collegati?) Avanti con tutte le correzioni che volete... 
...
Devi integrare il tuo impianto a quello vecchio, la centralina originale dovrebbe essere collegata a una scatola/scheda di distribuzione, questa potrebbe contenere il relè parallelatore BM/BS.
Questa scheda di distribuzione è sicuramente collegata alla BS e probabilmente anche alla BM.
Una volta alimentata ci pensa lei a distribuire alle varie utenze la 12V.
Unica cosa di cui ti devi preoccupare è il parallelatore, con il tuo nuovo impianto non deve più parallelare.
Per la carica della BM basta cercare qui sul sito "Diodo + resistenza", se ne è parlato più volte.
Fai attenzione a come fai il nuovo impianto, le correnti che intendi utilizzare sono alte e devi avere ben chiaro cosa stai facendo, se hai dubbi fatti aiutare.
Tiziano

Modificato da banoyo il 12/12/2024 alle 15:27:45
7
Karbon17
Karbon17
rating

10/01/2019 2209
Rispondi Abuso
Inserito il 12/12/2024 alle: 17:33:31
Ciao, consiglio per il DC/DC il Victron Orion XS da 50A, non tanto per gli Ampere erogabili, ma per l'efficienza le dimensioni e che scalda molto meno del modello precedente, per contro costa di più, per il resto l'inverter sarebbe da installare il più vicino possibile alla BS ma in posizione ventilata, mentre devi verificare come evitare il parallelo tra BM e BS sulla centralina, eventualmente poi puoi montare un CB da 5A solo per la BM oppure come suggerito il "diodo+resistenza" e per ultimo calcola correttamente sezione cavi e relative protezioni.
Buon lavoro
7
Grezz
Grezz
03/09/2018 463
Rispondi Abuso
Inserito il 12/12/2024 alle: 17:40:50
In risposta al messaggio di Karbon17 del 12/12/2024 alle 17:33:31

Ciao, consiglio per il DC/DC il Victron Orion XS da 50A, non tanto per gli Ampere erogabili, ma per l'efficienza le dimensioni e che scalda molto meno del modello precedente, per contro costa di più, per il resto l'inverter
sarebbe da installare il più vicino possibile alla BS ma in posizione ventilata, mentre devi verificare come evitare il parallelo tra BM e BS sulla centralina, eventualmente poi puoi montare un CB da 5A solo per la BM oppure come suggerito il diodo+resistenza e per ultimo calcola correttamente sezione cavi e relative protezioni. Buon lavoro
...
Domanda forse stupida:
il victron blue smart può essere a una o 3 uscite, se io prendessi quello a 3 uscite e collegassi entrambe le batterie? Sono tecnologie diverse... boh, sono dubbioso, mettere due CB. mi sembra assurdamente incasinata come cosa, vorrei fare il lavoro più semplice possibile anche xche come detto sono un novellino di queste cose.
7
Grezz
Grezz
03/09/2018 463
Rispondi Abuso
Inserito il 12/12/2024 alle: 17:48:07
In risposta al messaggio di banoyo del 12/12/2024 alle 15:24:04

Devi integrare il tuo impianto a quello vecchio, la centralina originale dovrebbe essere collegata a una scatola/scheda di distribuzione, questa potrebbe contenere il relè parallelatore BM/BS. Questa scheda di distribuzione
è sicuramente collegata alla BS e probabilmente anche alla BM. Una volta alimentata ci pensa lei a distribuire alle varie utenze la 12V. Unica cosa di cui ti devi preoccupare è il parallelatore, con il tuo nuovo impianto non deve più parallelare. Per la carica della BM basta cercare qui sul sito Diodo + resistenza, se ne è parlato più volte. Fai attenzione a come fai il nuovo impianto, le correnti che intendi utilizzare sono alte e devi avere ben chiaro cosa stai facendo, se hai dubbi fatti aiutare.
...
Intendi la scatola/fusibiliera? (dietro sedile guida) oppure un'altra scatola ancora? (dietro al pannello stesso eventualmente?)

Per il fatto poi di avere ben chiaro cosa sto facendo... assolutamente no! crying
è il primo impianto elettrico in vita mia (ad eccezione delle piccole manutenzioni di casa), ho collegato spesso cose basilari 12 o 220v ma cavolatine, mai avuto esperienze di questo tipo purtroppo. Il problema è che non ho nessuno che possa farlo al posto mio quindi devo fare ad arrangiarmi (o attendere Marzo)
Luglio 2022: Alsazia, Lorena e Normandia
Luglio 2022: Alsazia, Lorena e Normandia
Finlandia in camper
Finlandia in camper
Viitasaari, il comune dei 630 laghi
Viitasaari, il comune dei 630 laghi
Viaggio in camper 2025 nel Perigord
Viaggio in camper 2025 nel Perigord
Alla scoperta della Polonia, in camper
Alla scoperta della Polonia, in camper
Previous Next
14
banoyo
banoyo
23/12/2011 2682
Rispondi Abuso
Inserito il 12/12/2024 alle: 18:01:09
In risposta al messaggio di Grezz del 12/12/2024 alle 17:48:07

Intendi la scatola/fusibiliera? (dietro sedile guida) oppure un'altra scatola ancora? (dietro al pannello stesso eventualmente?) Per il fatto poi di avere ben chiaro cosa sto facendo... assolutamente no! è il primo impianto
elettrico in vita mia (ad eccezione delle piccole manutenzioni di casa), ho collegato spesso cose basilari 12 o 220v ma cavolatine, mai avuto esperienze di questo tipo purtroppo. Il problema è che non ho nessuno che possa farlo al posto mio quindi devo fare ad arrangiarmi (o attendere Marzo)
...
Il display della centralina è solo il display remoto, la centralina, i relè e fusibili di solito sono da un'altra parte.
Si, potrebbero essere sotto il sedile, vedi cosa hai, segnati il modello e mettilo qui.

Per semplificare l'impianto potresti montare un DC-DC + MPTT 40A della Eco Worthy, fa da DC-DC e da regolatore fotovoltaico, ha due ingressi separati e una unica uscita, io ho montato questo modello e funziona bene. Monti un dispositivo e un paio di cavi in meno.

https://www.amazon.it/dp/B0CCH8...


 
Tiziano

Modificato da banoyo il 12/12/2024 alle 18:13:18
7
Grezz
Grezz
03/09/2018 463
Rispondi Abuso
Inserito il 12/12/2024 alle: 18:17:00
In risposta al messaggio di banoyo del 12/12/2024 alle 18:01:09

Il display della centralina è solo il display remoto, la centralina, i relè e fusibili di solito sono da un'altra parte. Si, potrebbero essere sotto il sedile, vedi cosa hai, segnati il modello e mettilo qui. Per semplificare
l'impianto potresti montare un DC-DC + MPTT 40A della Eco Worthy, fa da DC-DC e da regolatore fotovoltaico, ha due ingressi separati e una unica uscita, io ho montato questo modello e funziona bene. Monti un dispositivo e un paio di cavi in meno. twister_B0D8MXT6G5?_encoding=UTF8&psc=1  
...
Sai che mò mi hai messo paura... ero tutto splendido e confidavo in me, adesso mi sento un po' titubante frown
Per favore dammi delle raccomandazioni in merito perché adesso sono pieno di strane idee tipo folgorazioni o incendi o quant'altro... quella frase di prima (trattandosi di energia elettrica quindi non del mio campo) mi ha messo in paranoia

Ho una fusibiliera esattamente dietro al mio sedile guida, vado a vedere se vedo qualche sigla e edito questa risposta.

Ho trovato il kit che è montato sul mio camper:


https://www.ducatoforum.de/foru...



La riprova sono queste foto appena scattate:

centr(3).jpg

fuse(2).jpg

caric.jpg

Non chiedetemi perché le foto sono al contrario, mistero del mio telefono

Modificato da Grezz il 12/12/2024 alle 19:01:18
14
banoyo
banoyo
23/12/2011 2682
Rispondi Abuso
Inserito il 12/12/2024 alle: 19:00:50
In risposta al messaggio di Grezz del 12/12/2024 alle 18:17:00

Sai che mò mi hai messo paura... ero tutto splendido e confidavo in me, adesso mi sento un po' titubante  Per favore dammi delle raccomandazioni in merito perché adesso sono pieno di strane idee tipo folgorazioni o incendi
o quant'altro... quella frase di prima (trattandosi di energia elettrica quindi non del mio campo) mi ha messo in paranoia Ho una fusibiliera esattamente dietro al mio sedile guida, vado a vedere se vedo qualche sigla e edito questa risposta. Ho trovato il kit che è montato sul mio camper: La riprova sono queste foto appena scattate: Non chiedetemi perché le foto sono al contrario, mistero del mio telefono
...
Il progetto che hai fatto è giusto, quindi sai cosa fare, unica cosa sono le connessione, i capicorda e i cablaggi.
Sono la parte più delicata, un cavo sottodimensionato o contatto precario con forti correnti può provocare incendi.
 
Tiziano
7
Grezz
Grezz
03/09/2018 463
Rispondi Abuso
Inserito il 12/12/2024 alle: 19:07:33
In risposta al messaggio di banoyo del 12/12/2024 alle 19:00:50

Il progetto che hai fatto è giusto, quindi sai cosa fare, unica cosa sono le connessione, i capicorda e i cablaggi. Sono la parte più delicata, un cavo sottodimensionato o contatto precario con forti correnti può provocare incendi.  
Sono la persona più metodica e precisa della terra. Se una cosa non mi convince al 101% la rifaccio anche 30 volte fino a che non soddisfa i miei standard di totale perfezione, mia moglie dice che io non sono normale da quanto sono fanatico della precisione.
Purtroppo non ho la manualità per queste cose a causa della mancanza di esperienza, ma se il tuo dubbio è in merito alla qualità delle connessioni, crimpature, isolamenti dei cavi... beh su quello ci posso mettere la mano sul fuoco che tutto andrà liscio. Tuttavia se hai consigli su come iniziare e quali precauzioni iniziali adottare... beh ovviamente è ben gradito un ripassino.
Per quanto riguarda infine i cavi anche li ho adottato la teoria del sovradimensionamento, sono un ingegnere fallito (non sono laureato ahimè) quindi so bene il concetto di dimensionamento di qualsiasi cosa... che in questo caso riassumerei in prevedere sempre ben più di quello che intendi fare, il cavo porta X ampere per Y metri... ne risulta un cavo (esempio stupido) da 2.5mm ... io ci metto il 4!

EDIT: dal manuale che ho allegato sopra mi par di capire che devo solo escludere il ponticello J5 dal derivatore 148-T... peccato che io non abbia visto null'altro che dei fusibili, dovrò smontarlo? indecision

Modificato da Grezz il 12/12/2024 alle 19:16:21
21
ezio55
ezio55
30/12/2004 3452
Rispondi Abuso
Inserito il 12/12/2024 alle: 20:52:08
In risposta al messaggio di banoyo del 12/12/2024 alle 18:01:09

Il display della centralina è solo il display remoto, la centralina, i relè e fusibili di solito sono da un'altra parte. Si, potrebbero essere sotto il sedile, vedi cosa hai, segnati il modello e mettilo qui. Per semplificare
l'impianto potresti montare un DC-DC + MPTT 40A della Eco Worthy, fa da DC-DC e da regolatore fotovoltaico, ha due ingressi separati e una unica uscita, io ho montato questo modello e funziona bene. Monti un dispositivo e un paio di cavi in meno. twister_B0D8MXT6G5?_encoding=UTF8&psc=1  
...
Non mi convince molto, leggi le recensioni, molte sono negative..., certo, rispetto ad un Victron risparmi molto però...
Forse è un problema mio..., non mi piace un apparato che abbia più funzioni, preferisco un DC-DC che faccia solo quello, cosi come un regolatore solare che faccia solo il regolatore solare...,, opinione personale naturalmente, non sto criticando le tue scelte.
Saluti.
Ezio55
7
Grezz
Grezz
03/09/2018 463
Rispondi Abuso
Inserito il 12/12/2024 alle: 21:04:52
In risposta al messaggio di ezio55 del 12/12/2024 alle 20:52:08

Non mi convince molto, leggi le recensioni, molte sono negative..., certo, rispetto ad un Victron risparmi molto però... Forse è un problema mio..., non mi piace un apparato che abbia più funzioni, preferisco un DC-DC
che faccia solo quello, cosi come un regolatore solare che faccia solo il regolatore solare...,, opinione personale naturalmente, non sto criticando le tue scelte. Saluti.
...
Rimango sul dc/dc e mppt separati entrambi victron, accetto e valuto il consiglio di Banoyo ma già da subito il mio pensiero è stato che se si guasta perdo il 100% della mia capacità di ricarica in libera e devo infilarmi di corsa in un campeggio... prendo la strada sicura e un po più dispendiosa e acquisto i due victron.
Ho anche valutato il consiglio di Karbon17 riguardo all'orion xs ma non voglio spremere il mio alternatore, non mi va di chiedergli più di 30A
21
ezio55
ezio55
30/12/2004 3452
Rispondi Abuso
Inserito il 12/12/2024 alle: 21:05:17
In risposta al messaggio di Grezz del 12/12/2024 alle 17:40:50

Domanda forse stupida: il victron blue smart può essere a una o 3 uscite, se io prendessi quello a 3 uscite e collegassi entrambe le batterie? Sono tecnologie diverse... boh, sono dubbioso, mettere due CB. mi sembra assurdamente incasinata come cosa, vorrei fare il lavoro più semplice possibile anche xche come detto sono un novellino di queste cose.
Sul Victron Blue Smart a tre uscite puoi collegare fino a tre batterie servizi, non la batteria motore con tecnologia diversa...
Saluti.
Ezio55
21
ezio55
ezio55
30/12/2004 3452
Rispondi Abuso
Inserito il 12/12/2024 alle: 21:08:52
In risposta al messaggio di Grezz del 12/12/2024 alle 21:04:52

Rimango sul dc/dc e mppt separati entrambi victron, accetto e valuto il consiglio di Banoyo ma già da subito il mio pensiero è stato che se si guasta perdo il 100% della mia capacità di ricarica in libera e devo infilarmi
di corsa in un campeggio... prendo la strada sicura e un po più dispendiosa e acquisto i due victron. Ho anche valutato il consiglio di Karbon17 riguardo all'orion xs ma non voglio spremere il mio alternatore, non mi va di chiedergli più di 30A
...
Ho il Victron Orion XS, non devi spremere l'alternatore per utilizzarlo, puoi settarlo a 20/30 A, non serve utilizzarlo al massimo della sua capacità.
Il pregio di questo DC-DC è il fatto che non scalda per nulla, invece la serie precedente scalda molto, ed è molto piccolo e facile da installare.
Saluti. 
Ezio55
7
Grezz
Grezz
03/09/2018 463
Rispondi Abuso
Inserito il 12/12/2024 alle: 21:13:11
In risposta al messaggio di ezio55 del 12/12/2024 alle 21:08:52

Ho il Victron Orion XS, non devi spremere l'alternatore per utilizzarlo, puoi settarlo a 20/30 A, non serve utilizzarlo al massimo della sua capacità. Il pregio di questo DC-DC è il fatto che non scalda per nulla, invece la serie precedente scalda molto, ed è molto piccolo e facile da installare. Saluti. 
Uff... io faccio di tutto per risparmiare e voi mi incitate sempre ad alzare il conto, sempre le cose più costose! laugh

Invece per il Blue smart ne deduco che le 3 uscite non servano a nulla di nulla... nel mio caso poi nemmeno da considerare!
21
ezio55
ezio55
30/12/2004 3452
Rispondi Abuso
Inserito il 12/12/2024 alle: 21:17:41
In risposta al messaggio di Grezz del 12/12/2024 alle 21:13:11

Uff... io faccio di tutto per risparmiare e voi mi incitate sempre ad alzare il conto, sempre le cose più costose!  Invece per il Blue smart ne deduco che le 3 uscite non servano a nulla di nulla... nel mio caso poi nemmeno da considerare!
Mi spiace..., non volevo deluderti, anch'io prima di arrivare all'impianto attuale ho fatto altre scelte, anche per risparmiare..., ma su alcune cose ho poi capito che è meglio spendere qualcosa in più,  ma essere sicuro della qualità del prodotto, specie in un impianto LiFePo4.
Saluti.
Ezio55
22
Laikone
Laikone
rating

31/03/2004 19977
Rispondi Abuso
Inserito il 12/12/2024 alle: 21:20:50
In risposta al messaggio di Grezz del 12/12/2024 alle 12:48:46

Ciao a tutti di nuovo, come anticipato nell'altro topic che riguardava solo i pannelli solari sono in procinto di modificare totalmente l'impianto elettrico del mio vecchio/nuovo camper, nel senso che l'ho portato a casa
da pochi giorni ma mi sono ritrovato con le batterie praticamente inutilizzabili (non voglio aggiungere nulla in merito), sia le due batterie servizi che la batteria di avviamento, specifico infine che le due batterie servizi non sono nemmeno uguali, brand diversi anni diversi e probabilmente tecnologie diverse, ma ripeto, glissiamo su questo argomento perché sono già abbastanza inc...ato a riguardo. Da queste poche premesse nasce il problema: devo acquistare urgentemente delle batterie ma siccome era già in previsione di passare al litio nel giro di qualche mese mi ritrovo a dover spendere subito un patrimonio e probabilmente senza nemmeno aver chiaro bene le reali necessità, ragion per cui diciamo che sono stato un filino largo con la batteria (spero) e con l'inverter. Specifico infine che l'inverter verrà acceso ma non così tanto spesso, purtroppo però sono costretto dalla moglie ad acquistare un 2kw perché lei stavolta VUOLE asciugarsi i capelli (io son quasi pelato ormai quindi direi che a me non servirà). ed ovviamente usare attrezzi da cucina e altre cose di minor assorbimento come caricabatterie e simili. Torniamo all'argomento: a quanto mi è dato capire passando al litio devo sostituire tutti i caricatori del mezzo quindi l'MPPT, il caricabatterie 220v e aggiungere un DC/DC charger, con l'occasione punto a fare un impianto un po' ordinato aggiungendo quindi delle busbar ed uno shunt con relativo schermo. Vi allego in primis la pianta del mio camper e poi vi descrivo dove vorrei mettere i vari componenti. Attualmente sotto al sedile guida c'è il caricatore e vorrei lasciare anche quello nuovo in quella posizione ma victron afferma che dovrebbe essere montato in verticale e libero sopra e sotto... nella realtà dei fatti su un buon 50% delle foto/video di impianti che vedo in rete lo vedo steso a terra proprio come il mio attuale che è un Nordelettronica Input 230v 1.5A Output Max 14,4V 200W (non trovo codici modello) Sempre attualmente sotto al sedile passeggero si trova la prima BS, io li pensavo di metterci il DC/DC Victron e lasciare tutto il vano per lui, anche in questo caso vale il discorso del montaggio verticale o orizzontale e non so quanto sia realmente importante. Sotto alla seduta della dinette piccola, quella che si trova subito dietro al sedile passeggero attualmente c'è la seconda BS, in questo punto (un vano di 555 x 470 alto 370mm) io installerei la batteria litio, l'inverter, le busbar, lo shunt e il mio MPPT (quest'ultimo da valutare), infine prevederei un piccolo sistema di aerazione del vano con delle ventole da PC. Diciamo che questo è il quadro generale del progetto, probabilmente si potrebbe raggruppare tutto o quasi nel vano ma credo che poi risulterebbe troppo pieno e con troppe fonti che generano calore. Ovviamente in base alle sezioni dei fili devo verificare se il MPPT è meglio posizionarlo nel vano oppure dentro qualche pensile e da li far partire un altro filo che porta al suddetto caso batteria, ma credo che non ci sia molta differenza. Ultimissima precisazione: attualmente c'è un pannello scandaloso di X millenni d'età con un regolatore PWM, punto a sostituire subito il regolatore con il victron MPPT ma per il momento lascio il pannello (del quale mi occuperò appena inizia la bella stagione), la calata dei cavi ad ora è attraverso la cappa di aspirazione (no comment please, non c'entro nulla in questo accrocchio) io in futuro eliminerò l'antenna TV e scenderò da li con i cavi. Vi allego l'immagine dello schema e un po di dati tecnici, specifico che sono uno a cui piace conoscere e informarsi e studiare tutto ma realmente io e l'elettricità non leghiamo per niente, mi trovo a fare questo tipo di intervento a causa del fatto che tutti gli installatori della zona mi parlano di Marzo come minimo e io non posso pensare di star fermo col camper fino alla primavera! Quindi ho deciso di rimboccarmi le maniche e agire, in fin dei conti non mi sembra un impianto difficile da realizzare. Nella prima immagine ho scritto quello che a mio parere sono i dati salienti dell'impianto, l'alternatore credo di aver capito (parlando con il vecchio proprietario) che è un 120A quindi più che adatto per un dc/dc da 30A, forse reggerebbe di più ma non mi importa esagerare e sforzarlo. (i cavi che partono da li mi sembrano parecchio grossi di sezione, devo ancora capire come misurarli) Nella sezione DUBBI la prima e la seconda domanda sono legate suppongo, ma soprattutto ho letto che alcune centraline vanno a parallelare le batterie ed ovviamente io devo evitare che questo accada. Come posso esserne sicuro? La terza domanda invece è stupida e non consideratela. Scusate se leggete parole non tecniche o domande stupide ma sono un novellino che si deve buttare in questo mondo e purtroppo devo anche farlo di corsa perché con 11.4V di tensione quando accende il webasto... la vedo dura chiudere una nottata! EDIT: aggiungo una domanda: DC/DC isolato o no? perché? (in caso di non isolato, i negativi come vengono collegati?) Avanti con tutte le correzioni che volete... 
...
quanta roba in un 3d...

Come BM prederei una varta che trovi anche al Tecnomat 
image(6784).png

Come DC-Dc non andrei oltre i 30A, non ha alcun senso, prima di tutto perchè comunque dentro a una batteria AGM 30A ci andrebbero per pochissimo tempo, per una litio solo nel tempo che intercorre tra il 20% e l'80% di SOC, dopo rallenta anche con la litio.
Non stare a prenderti delle brighe sul pensare dove installare l'inverter, il quale DEVE stare vicino alla BS, perchè essendo da 2000W dovresti montare altrimenti dei cavi enormi. La ventilazione è relativamente importante, nel senso che data la poca disponibilità energetica per far funzionare utenze a batteria, anche montando una litio da 300Ah non andresti tanto in là. Certo, un minimo di ventilazione la deve avere, ma dentro ad una cassapanca va benissimo, se l'inverter è di buona qualità non scalda o scalda poco.

Resta comunque il fatto che per fare ciò che dici non è indispensabile montare una litio, in pratica è la combinazione che ho io con 2 AGM da 95Ah l'una da qualche anno... e non ho motivo alcuno di rifare l'impianto, pensa io faccio anche funzionare il clima quando mi fermo sotto al solo durante un lungo viaggio per mangiare...
L'iperlessia e l'analfabetismo funzionale sono una piaga sociale
7
Grezz
Grezz
03/09/2018 463
Rispondi Abuso
Inserito il 12/12/2024 alle: 21:42:06
In risposta al messaggio di Laikone del 12/12/2024 alle 21:20:50

quanta roba in un 3d... Come BM prederei una varta che trovi anche al Tecnomat  Come DC-Dc non andrei oltre i 30A, non ha alcun senso, prima di tutto perchè comunque dentro a una batteria AGM 30A ci andrebbero per pochissimo
tempo, per una litio solo nel tempo che intercorre tra il 20% e l'80% di SOC, dopo rallenta anche con la litio. Non stare a prenderti delle brighe sul pensare dove installare l'inverter, il quale DEVE stare vicino alla BS, perchè essendo da 2000W dovresti montare altrimenti dei cavi enormi. La ventilazione è relativamente importante, nel senso che data la poca disponibilità energetica per far funzionare utenze a batteria, anche montando una litio da 300Ah non andresti tanto in là. Certo, un minimo di ventilazione la deve avere, ma dentro ad una cassapanca va benissimo, se l'inverter è di buona qualità non scalda o scalda poco. Resta comunque il fatto che per fare ciò che dici non è indispensabile montare una litio, in pratica è la combinazione che ho io con 2 AGM da 95Ah l'una da qualche anno... e non ho motivo alcuno di rifare l'impianto, pensa io faccio anche funzionare il clima quando mi fermo sotto al solo durante un lungo viaggio per mangiare...
...
Al tecnomat ci devo andare giusto domattina... mi sa che quella batteria me la porto a casa, tra l'altro Varta per il poco che mi è dato sapere è anche un buon marchio. Quella che mi hai linkato tu è esattamente quella per il 2.8 jtd power o devo vedere le specifiche da libretto/internet?

Per le litio è una scelta che ormai per me è obbligata, il mezzo a fine lavori verrà utilizzato come casa per qualche mese e spesso rimarrà fermo più giorni quindi la riserva di energia di 280Ah litio è molto maggiore dei canonici 200Ah AGM (che ho avuto sul precedente mezzo), inoltre spiegare alla moglie come si fa economia di energia elettrica è da considerarsi una causa persa ergo preferisco avere molta molta riserva di energia; dulcis in fundo per comprare 2 batterie AGM di buona qualità spendo più di quanto mi è costata la redodo 288Ah che ho acquistato a 460€ spedita (unico pezzo che ho già acquistato).

Lo so che questo topic è davvero una pappardella gigantesca (tra parentesi ho escluso la parte FV perchè avevo già fatto un topic precedentemente) ma purtroppo sono in una condizione in cui non avrei voluto trovarmi e adesso ho mille dubbi da risolvere e zero tempo per farlo... 
22
Laikone
Laikone
rating

31/03/2004 19977
Rispondi Abuso
Inserito il 12/12/2024 alle: 21:59:19
In risposta al messaggio di Grezz del 12/12/2024 alle 21:42:06

Al tecnomat ci devo andare giusto domattina... mi sa che quella batteria me la porto a casa, tra l'altro Varta per il poco che mi è dato sapere è anche un buon marchio. Quella che mi hai linkato tu è esattamente quella
per il 2.8 jtd power o devo vedere le specifiche da libretto/internet? Per le litio è una scelta che ormai per me è obbligata, il mezzo a fine lavori verrà utilizzato come casa per qualche mese e spesso rimarrà fermo più giorni quindi la riserva di energia di 280Ah litio è molto maggiore dei canonici 200Ah AGM (che ho avuto sul precedente mezzo), inoltre spiegare alla moglie come si fa economia di energia elettrica è da considerarsi una causa persa ergo preferisco avere molta molta riserva di energia; dulcis in fundo per comprare 2 batterie AGM di buona qualità spendo più di quanto mi è costata la redodo 288Ah che ho acquistato a 460€ spedita (unico pezzo che ho già acquistato). Lo so che questo topic è davvero una pappardella gigantesca (tra parentesi ho escluso la parte FV perchè avevo già fatto un topic precedentemente) ma purtroppo sono in una condizione in cui non avrei voluto trovarmi e adesso ho mille dubbi da risolvere e zero tempo per farlo... 
...
è esattamente lei, ma per toglierti il dubbio controlla i dati sulla batteria e confrontali con questa.
image(6785).png

Se due buon batterie AGM costano come una litio un motivo ci sarà... ma questo non è argomento del post...

Non ti illudere comunque di avere tutta questa abbondanza, anche le litio non vanno mai scaricate sotto al 20% per evitare di rovinarle prematuramente, il che significa che di quei 280 ne avrai forse forse, perchè la qualità fa la differenza 200... per cui ok al litio, ma convinci anche la moglie laugh
L'iperlessia e l'analfabetismo funzionale sono una piaga sociale
7
Grezz
Grezz
03/09/2018 463
Rispondi Abuso
Inserito il 12/12/2024 alle: 22:07:24
In risposta al messaggio di Laikone del 12/12/2024 alle 21:59:19

è esattamente lei, ma per toglierti il dubbio controlla i dati sulla batteria e confrontali con questa. Se due buon batterie AGM costano come una litio un motivo ci sarà... ma questo non è argomento del post... Non
ti illudere comunque di avere tutta questa abbondanza, anche le litio non vanno mai scaricate sotto al 20% per evitare di rovinarle prematuramente, il che significa che di quei 280 ne avrai forse forse, perchè la qualità fa la differenza 200... per cui ok al litio, ma convinci anche la moglie 
...
Questi dati della foto cosa sono?
Io (per i fatti volutamente non narrati in precedenza) non ho la possibilità di verificare con la mia visto che mi hanno montato una batteria di scarto derivante probabilmente da un trattore o simili
14
banoyo
banoyo
23/12/2011 2682
Rispondi Abuso
Inserito il 12/12/2024 alle: 22:51:19
In risposta al messaggio di Grezz del 12/12/2024 alle 19:07:33

Sono la persona più metodica e precisa della terra. Se una cosa non mi convince al 101% la rifaccio anche 30 volte fino a che non soddisfa i miei standard di totale perfezione, mia moglie dice che io non sono normale da
quanto sono fanatico della precisione. Purtroppo non ho la manualità per queste cose a causa della mancanza di esperienza, ma se il tuo dubbio è in merito alla qualità delle connessioni, crimpature, isolamenti dei cavi... beh su quello ci posso mettere la mano sul fuoco che tutto andrà liscio. Tuttavia se hai consigli su come iniziare e quali precauzioni iniziali adottare... beh ovviamente è ben gradito un ripassino. Per quanto riguarda infine i cavi anche li ho adottato la teoria del sovradimensionamento, sono un ingegnere fallito (non sono laureato ahimè) quindi so bene il concetto di dimensionamento di qualsiasi cosa... che in questo caso riassumerei in prevedere sempre ben più di quello che intendi fare, il cavo porta X ampere per Y metri... ne risulta un cavo (esempio stupido) da 2.5mm ... io ci metto il 4! EDIT: dal manuale che ho allegato sopra mi par di capire che devo solo escludere il ponticello J5 dal derivatore 148-T... peccato che io non abbia visto null'altro che dei fusibili, dovrò smontarlo? 
...
Si esatto, il J5 è il ponticello che esclude il relè RE1 (148T è la scheda completa) che mette in parallelo la BM e BS.
Dovrai anche scollegare il carica batterie  dalla BS...potresti usarlo per la BM.
Tiziano
7
Grezz
Grezz
03/09/2018 463
Rispondi Abuso
Inserito il 12/12/2024 alle: 23:16:51
In risposta al messaggio di banoyo del 12/12/2024 alle 22:51:19

Si esatto, il J5 è il ponticello che esclude il relè RE1 (148T è la scheda completa) che mette in parallelo la BM e BS. Dovrai anche scollegare il carica batterie  dalla BS...potresti usarlo per la BM.
Tu intendi lasciare sia quello vecchio che il nuovo victron? Devo ancora leggermi la storia del diodo ma punto a far tutto con il nuovo, vorrei lasciare i vani più "ariosi" possibile
SostaGruppiCompagniItaliaEsteroMarchiMeccanicaCellulaAccessoriEventiLeggiComportamentiDisabiliIn camper perAltro CamperAltroExtra Attivi
Argomenti recenti dal forum
Accessori
Pannelli solari....
Buonasera a tutti. Ho visto che ci sono pannelli solari a 12 e 24 volt, chiedo ...si po...
volpes
26 minuti fa
Compagni di viaggio
Viaggio prime due settimane di settembre
Ciao, siamo Ettore e Raffaella (61 e 55) da soli senza prole (figli grandi) né animali (no...
IlMago
Oggi alle 17:02
Accessori
comando accensione boiler ATI
Buongiorno al Gruppo, ho un Rimor Koala 100 che ancora ci porta a spasso. Ultimamente si e...
Robby 50
Oggi alle 15:16
Altro sui camper
Parere su acquisto camper usato
Buongiorno a tutti. Avrei intenzione di acquistare un camper ELNAGH MARLIN 57 su FORD TRAN...
Ezio-2026
Oggi alle 13:54
Altro sui camper
Dubbi da neofita nella scelta del primo mezzo
Ciao a tutti! Siamo una coppia con cane dalla Toscana, neofiti del camper ma con buona man...
Den7
Oggi alle 13:48
Accessori
Alimentazione camper Schuko + Industriale
Buongiorno, avrei bisogno un chiarimento elettrico Sappiamo che la norma prevede una prolu...
CaroladeMondini
Oggi alle 11:24
Cellula abitativa
Frigo Thetford il piezo non fa la scintilla
Buongiorno a tutti, ho un problema col frigo, va benissimo a12v, a 220 ma non va a gas. Ho...
Mag172
Oggi alle 10:22
Cellula abitativa
Serranda nere nautico Laika che non si apre
Buongiorno a tutti. ho da pochi mesi un Laika Ecovip H 720 con serbatoio nautico e l'altro...
Macrilla
Oggi alle 09:16
Altro sui camper
Pulizia waterless
Buongiorno, qualcuno usa prodotti waterless per la pulizia del camper? Se si come vi trova...
Malu
Oggi alle 08:58
Viaggi all'estero
Da Roma a marrakech in solitaria in economia
Ciao, vi spiego la situazione: mia moglie ha ferie dal 10 agosto al 8 settembre; io avrei ...
gianninotopo
Ieri alle: 22:04
Accessori
Impianto elettrico Malibu e Batteria LiFePo4 DIY
Ciao a tutti apro questo thread per condividere qualche lavoretto e perchè avrò bisogno di...
ciberbastard
Ieri alle: 21:47
Viaggi in Italia
Destinazione Castiglione della Pescaia (da Monza)
Egregi, buongiorno, abbiamo prenotato una decina di giorni a Castiglione della Pescaia ad ...
CaroladeMondini
Ieri alle: 18:45
168k Facebook
343k Instagram
42,6k TikTok
73,6K Youtube
CamperOnLine - Copyright © 1998-2026 - P.Iva 06953990014
Informativa privacy
Loading...

Accedi

Recupera Password
Nuovo utente

Vuoi eliminare il messaggio?

Sottoscrizione

Anteprima

PREFERENZA

Il messaggio è in fase di inserimento.

loading

CamperOnLine

Buongiorno gentile utente,

da oltre 20 anni Camperonline offre gratuitamente tutti i suoi servizi
grazie agli inserzionisti che ci hanno dato la loro fiducia, permettici di continuare il nostro lavoro disattivando il blocco delle pubblicità.

Grazie della collaborazione.

Azione eseguita con successo

Azione Fallita

Condividi

Condividi questa pagina con:

O copia il link