In risposta al messaggio di Magne84 del 22/02/2026 alle 20:55:45Forse fusibile sottodimensionato che salta quando la batteria è troppo scarica. E richiede maggiore energia , facendo fondere il.fusibile
Salve a tutti, ho una domanda da porre al forum, è la terza volta che mi capita che mi salta un fusibile da 30A, solitamente se ho ben visto mi salta in avviamento quando la BS è un po' scarica ma non son sicuro, purtroppoogni volta che è saltato ero nelle condizioni di sostituirlo al volo e ripartire. Purtroppo non so neppure quale sia il fusibile, nel senso ne ho due uguali uno di fianco all'altro da 30A, ed ora non ricordo più quale dei due salta sempre.. sarebbero in ogni caso i due al PIN 1-2 oppure al 3-4, qui di BA o BS. Appena mi succede si nuovo controllo bene quale sia dei due, qualcuno ha un idea da cosa potrebbe derivare un problema simile ?
In risposta al messaggio di Magne84 del 22/02/2026 alle 20:55:45L'impianto ha un relè parallelatore per la ricarica della batteria servizi? Oppure un caricabatterie DC/DC?
Salve a tutti, ho una domanda da porre al forum, è la terza volta che mi capita che mi salta un fusibile da 30A, solitamente se ho ben visto mi salta in avviamento quando la BS è un po' scarica ma non son sicuro, purtroppoogni volta che è saltato ero nelle condizioni di sostituirlo al volo e ripartire. Purtroppo non so neppure quale sia il fusibile, nel senso ne ho due uguali uno di fianco all'altro da 30A, ed ora non ricordo più quale dei due salta sempre.. sarebbero in ogni caso i due al PIN 1-2 oppure al 3-4, qui di BA o BS. Appena mi succede si nuovo controllo bene quale sia dei due, qualcuno ha un idea da cosa potrebbe derivare un problema simile ?
In risposta al messaggio di rubylove del 22/02/2026 alle 22:03:00Affermativo, c'è il parallelatore con un victron da 50 A, il victron è comandato da D+ con interruttore manuale.
L'impianto ha un relè parallelatore per la ricarica della batteria servizi? Oppure un caricabatterie DC/DC? E' stata cambiata la batteria rispetto all'originale?
In risposta al messaggio di Magne84 del 23/02/2026 alle 05:25:10Ciao, già il fatto che ci sia attivo il parallelo BM-BS non è consigliato, puoi fare una prova : regoli il Victron Orion XS a 25A tramite l'app e verifichi se il fusibile non interviene e probabilmente devi rivedere il cablaggio in quanto il Victron Orion XS non deve passare dalla centralina ma và collegato direttamente dall'alternatore alla BS
Affermativo, c'è il parallelatore con un victron da 50 A, il victron è comandato da D+ con interruttore manuale. La batteria è una Lipo da 100Ah.
In risposta al messaggio di Magne84 del 22/02/2026 alle 20:55:45ti pare normale avere un fusibile da 30A magari anche tipo fastom per eventualmente alimentare un dc-dc da 50A?
Salve a tutti, ho una domanda da porre al forum, è la terza volta che mi capita che mi salta un fusibile da 30A, solitamente se ho ben visto mi salta in avviamento quando la BS è un po' scarica ma non son sicuro, purtroppoogni volta che è saltato ero nelle condizioni di sostituirlo al volo e ripartire. Purtroppo non so neppure quale sia il fusibile, nel senso ne ho due uguali uno di fianco all'altro da 30A, ed ora non ricordo più quale dei due salta sempre.. sarebbero in ogni caso i due al PIN 1-2 oppure al 3-4, qui di BA o BS. Appena mi succede si nuovo controllo bene quale sia dei due, qualcuno ha un idea da cosa potrebbe derivare un problema simile ?
In risposta al messaggio di Magne84 del 22/02/2026 alle 20:55:45Serve avere chiaro come è collegato il DC-DC.
Salve a tutti, ho una domanda da porre al forum, è la terza volta che mi capita che mi salta un fusibile da 30A, solitamente se ho ben visto mi salta in avviamento quando la BS è un po' scarica ma non son sicuro, purtroppoogni volta che è saltato ero nelle condizioni di sostituirlo al volo e ripartire. Purtroppo non so neppure quale sia il fusibile, nel senso ne ho due uguali uno di fianco all'altro da 30A, ed ora non ricordo più quale dei due salta sempre.. sarebbero in ogni caso i due al PIN 1-2 oppure al 3-4, qui di BA o BS. Appena mi succede si nuovo controllo bene quale sia dei due, qualcuno ha un idea da cosa potrebbe derivare un problema simile ?
In risposta al messaggio di Karbon17 del 23/02/2026 alle 07:33:24La BM e la BS non sono in parallelo, il parallelatore va a collegare BM ad una busbar, da qui il DCDC si alimenta e va a caricare la BS..
Ciao, già il fatto che ci sia attivo il parallelo BM-BS non è consigliato, puoi fare una prova : regoli il Victron Orion XS a 25A tramite l'app e verifichi se il fusibile non interviene e probabilmente devi rivedere il cablaggio in quanto il Victron Orion XS non deve passare dalla centralina ma và collegato direttamente dall'alternatore alla BS
In risposta al messaggio di Magne84 del 23/02/2026 alle 16:30:47se il fusibile da 30A è quello che alimenta la bus-bar, nel momento in cui metti in moto il mezzo e le BS sono molto scariche il dc-dc inizia a richiedere energia perchè il parallelatore metterà in parallelo BM con bus-bar e dc-dc e quindi il fusibile salta.
La BM e la BS non sono in parallelo, il parallelatore va a collegare BM ad una busbar, da qui il DCDC si alimenta e va a caricare la BS..
In risposta al messaggio di Magne84 del 23/02/2026 alle 16:30:47Il tuo problema e' risolvibile in modo molto semplice e con 2 semplici passaggi:
La BM e la BS non sono in parallelo, il parallelatore va a collegare BM ad una busbar, da qui il DCDC si alimenta e va a caricare la BS..
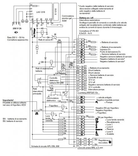
In risposta al messaggio di Laikone del 23/02/2026 alle 18:00:20Ciao Laikone tutto bene ? No il fusibile da 30 A non centra nulla con la busbar, è il fusibile originale dell'impianto in entrata della centralina shaudt ebl 211, solo che essendo due fusibili uguali uno di fianco all'altro non ricordo più se quello che salta è quello sul PIN 1e2 che sarebbe la BS o sul 2 e3 che sarebbe la BM. Riguardo al parallelatore e impianto di se ti ricordi mi avevi detto che il parallelatore potevo lasciarlo che non dava fastidio nella mia configurazione.
se il fusibile da 30A è quello che alimenta la bus-bar, nel momento in cui metti in moto il mezzo e le BS sono molto scariche il dc-dc inizia a richiedere energia perchè il parallelatore metterà in parallelo BM con bus-bar e dc-dc e quindi il fusibile salta. Quell'impianto è fatto malissimo da quanto emerge.
In risposta al messaggio di Magne84 del 23/02/2026 alle 21:09:01Quindi l'impianto "Ad Caxxum" non e' opera del costruttore bensì determinato da e su consigli non proprio adeguati.
Ciao Laikone tutto bene ? No il fusibile da 30 A non centra nulla con la busbar, è il fusibile originale dell'impianto in entrata della centralina shaudt ebl 211, solo che essendo due fusibili uguali uno di fianco all'altronon ricordo più se quello che salta è quello sul PIN 1e2 che sarebbe la BS o sul 2 e3 che sarebbe la BM. Riguardo al parallelatore e impianto di se ti ricordi mi avevi detto che il parallelatore potevo lasciarlo che non dava fastidio nella mia configurazione.
In risposta al messaggio di Laikone del 23/02/2026 alle 12:19:26Non centra nulla quel fusibile da 30A con il DCDC..
ti pare normale avere un fusibile da 30A magari anche tipo fastom per eventualmente alimentare un dc-dc da 50A?
In risposta al messaggio di Magne84 del 23/02/2026 alle 21:09:01confermo che il parallelatore non può essere la causa del problema.
Ciao Laikone tutto bene ? No il fusibile da 30 A non centra nulla con la busbar, è il fusibile originale dell'impianto in entrata della centralina shaudt ebl 211, solo che essendo due fusibili uguali uno di fianco all'altronon ricordo più se quello che salta è quello sul PIN 1e2 che sarebbe la BS o sul 2 e3 che sarebbe la BM. Riguardo al parallelatore e impianto di se ti ricordi mi avevi detto che il parallelatore potevo lasciarlo che non dava fastidio nella mia configurazione.
In risposta al messaggio di Magne84 del 23/02/2026 alle 21:12:34Seguendo lo schema i pin 1-2 e 3-4, sono rispettivamente collegati a BS e BM.
Non centra nulla quel fusibile da 30A con il DCDC..
In risposta al messaggio di banoyo del 23/02/2026 alle 22:04:52Io per relais parallelatore non intendo quello interno, ma quello che mi era stato montato da un ciarlatano che mi aveva collegato la BS direttamente alla BM con relais parallelatore che veniva attivato da un ruba corrente dall accendisigari..
Seguendo lo schema i pin 1-2 e 3-4, sono rispettivamente collegati a BS e BM. Dici di non aver disabilitato il parallelatore. Sempre da quello schema il relè parallelatore (chiamato in quello schema relè separatore) mettein parallelo (tramite D+) BM e BS. Se in qualche modo hai messo in serie il DC-DC da 50A, non va bene perchè hai tutto dimensionato a 30A (due fusibili e uno shunt e forse cavi). Se il DC-DC lo hai collegato direttamente tra BM e BS hai messo in parallelo il DC-DC al parallelatore. In entrambe i casi non va bene. Nel primo caso devi dimensionare cavi, relè, shunt e fusibili per 50A (oppure configurare il DC-DC a 25A) Nel secondo caso devi staccare il fusibile da 30A collegato ai pin 3-4. Non serve fare altro.
In risposta al messaggio di Magne84 del 23/02/2026 alle 22:44:19Cavolo...mi sa che hai un bel pasticcio.
Io per relais parallelatore non intendo quello interno, ma quello che mi era stato montato da un ciarlatano che mi aveva collegato la BS direttamente alla BM con relais parallelatore che veniva attivato da un ruba correntedall accendisigari.. Quel parallelatore a suo tempo lo avevo lasciato, ora mi collega la BM ad una busbar dove vi è attaccato il DCDC, e dove vi è pure attaccato il frigorifero. Questo relais parallelatore è comandato dal D+. Quindi in fin dei conti non riesco a capire come fare per aver un impianto pulito senza problemi.. In allegato lo schizzo dell'impianto di carica
In risposta al messaggio di banoyo del 23/02/2026 alle 23:18:53Quando ho preso il VR si seconda mano era già stato modificato con batteria lipo e DCDC, penso sia stato fatto direttamente dal rivenditore. Io a suo tempo lo avevo portato da un meccanico che faceva VR che mi aveva fatto un accrocchio pazzesco, togliendo il DCDC e mettendo un relais parallelatore per caricare la BS Lipo direttamente da alternatore. Seguendo i consigli che mi son stato dato qui ho fatto l'impianto come lo schema che ho allegato.
Cavolo...mi sa che hai un bel pasticcio. Il disegno che hai messo sembra a posto, ma se hai mantenuto anche la centralina in originale, con il parallelatore ancora attivo, non va bene. In pratica mi sembra di aver capito che hai messo il DC-DC in serie ad un secondo parallelatore aggiunto, da qualcuno, come rinforzo al parallelatore della centralina.
In risposta al messaggio di Magne84 del 24/02/2026 alle 05:17:33Prima di tutto controlla se il parallelatore della centralina è in funzione o meno.
Quando ho preso il VR si seconda mano era già stato modificato con batteria lipo e DCDC, penso sia stato fatto direttamente dal rivenditore. Io a suo tempo lo avevo portato da un meccanico che faceva VR che mi aveva fattoun accrocchio pazzesco, togliendo il DCDC e mettendo un relais parallelatore per caricare la BS Lipo direttamente da alternatore. Seguendo i consigli che mi son stato dato qui ho fatto l'impianto come lo schema che ho allegato. Adesso vorrei capire cosa fare per sistemare il problema dei due parallelatori. Per iniziare dovrei capire se effettivamente nella centralina è ancora attivo il parallelatore, magari nella prima officina è stato modificato quando hanno messo il DCDC iniziale con la lipo ma dubito. Come verifico ? Avendo eliminato il fusibile da 20A del caricatore intern,o il relais si separazione batteria interno non viene direttamente inibito sul circuito si potenza ? Elimino subito il primo parallelatore messo subito dopo la BM ? Dopo avrò il problema che la busbar che alimenta frigo e DCDC sarà sempre alimentata anche a motore spento, per il DCDC che è già controllato da d+ non è un problema ma per il frigo dovrò poi mettere un piccolo relais comandato dal D+ ? Se poi scollego completamente il cavo della BM che arriva alla EBL, dovrò per forza montare un mantenitore da qualche A per la BM quando sono collegato alla 230v, ed automaticamente sul pannello di controllo non avrò più le indicazioni sul voltaggio della BM corretto ? Grazie a tutti e una buona giornata
In risposta al messaggio di banoyo del 24/02/2026 alle 11:11:45Ok, sta mattina son andato in rimessa ed ho tolto il relais parallelatore che era collegato alla BM e che andava ad alimentare la busbar dove è collegato il frigo e il DCDC. Sta sera dopo il lavoro verifico la tensione alla BS una volta acceso il motore con dcdc spento, ma mi sembra che non aumenta la tensione, controllo per essere sicuro.
Prima di tutto controlla se il parallelatore della centralina è in funzione o meno. Se è stato disabilitato sei già a buon punto. Per vedere se è disabilitato devi accendere il motore con il DC-DC spento. Se salta unodei fusibili da 30A oppure se vedi la tensione della BS salire, significa che è ancora attivo. Ho il sospetto che è ancora attivo e che il fusibile salta proprio quando sei in questura condizione, ma devi verificare per essere certo. Non preoccuparti che una soluzione si trova...al massimo aggiungi un relè con contatto NC oppure sostituire quello che hai con uno a doppio contatto sei a posto
.jpg)