CamperOnLine
  • Camper
    • Camper usati
    • Camper nuovi
    • Produttori
    • Listino
    • Cataloghi
    • Concessionari e rete vendita
    • Noleggio
    • Van
    • Caravan
    • Fiere
    • Rimessaggi
    • Le prove di CamperOnLine
    • Provati da voi
    • Primo acquisto
    • Area professionisti
  • Accessori
    • Accessori e Prodotti
    • Camping Sport Magenta accessori
    • Produttori
    • Antenne TV
    • Ammortizzatori
    • GPS
    • Pneumatici
    • Rimorchi
    • Provati da Voi
    • Fai da te
  • Viaggi
    • Diari di viaggi in camper
    • Eventi
    • Foto
    • Check list
    • Traghetti
    • Trasporti
  • Sosta
    • Cerca Strutture
    • Sosta
    • Aree sosta camper
    • Campeggi
    • Agriturismi con sosta camper
    • App Camperonline App
    • 10 Consigli utili per la sosta
    • Area strutture
  • Forum
    • Tutti i Forum
    • Sosta
    • Gruppi
    • Compagni
    • Italia
    • Estero
    • Marchi
    • Meccanica
    • Cellula
    • Accessori
    • Eventi
    • Leggi
    • Comportamenti
    • Disabili
    • In camper per
    • Altro Camper
    • Altro
    • Extra
    • FAQ
    • Regolamento
    • Attivi
    • Preferiti
    • Cerca
  • Community
    • COL
    • CamperOnFest
    • Convenzioni Convenzioni
    • Amici
    • Furti
    • Informativa Privacy
    • Lavoro
  • COL
    • News
    • Newsletter
    • Pubblicità
    • Contatto
    • Ora
    • RSS RSS
    • Video
    • Facebook
    • Instagram
  • Magazine
  • Italiano
    • Bienvenue
    • Welcome
    • Willkommen
  • Accedi
CamperOnLine
Camping Sport Magenta
  1. Forum
  2. Tecnica
  3. Cellula abitativa
Galleria

Hydronic D5WSC

Rispondi
Cerca
SostaGruppiCompagniItaliaEsteroMarchiMeccanicaCellulaAccessoriEventiLeggiComportamentiDisabiliIn camper perAltro CamperAltroExtra Attivi
2 20 24
16
enzo44
enzo44
rating

13/12/2009 4438
Rispondi Abuso
Inserito il 08/11/2017 alle: 14:53:28
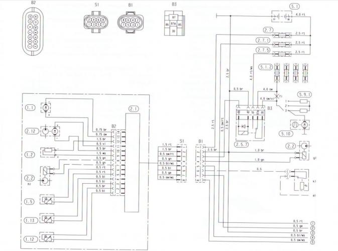
Ciao, per prima cosa individua sullo spinotto i numeri per identificare i pin, sono stampigliati sul dorso dove si attestano i cavi, sul pin 1, va collegato il positivo di potenza, sez. 2,5/4,00 e fusibile da 25 A, sul pin 2 il negativo di potenza, sul pin 3 il positivo della bobina del relè comando ventilatore, sul pin 4 il positivo della pompa gasolio, sul pin 5 la diagnosi, sul pin 6 consenso positivo all'avvio da termostato est o +D alternatore, sul pin 7 consenso positivo all'avvio da timer, pin 8 non collegato.sul dispositivo di comando il rosso è positivo, il marrone è negativo, il giallo è l'uscita positiva per l'accensione del riscaldatore. Un saluto Enzo
Enzo
8
LukeS
LukeS
25/09/2017 61
Rispondi Abuso
Inserito il 08/11/2017 alle: 15:52:22
In risposta al messaggio di enzo44 del 08/11/2017 alle 14:53:28

Ciao, per prima cosa individua sullo spinotto i numeri per identificare i pin, sono stampigliati sul dorso dove si attestano i cavi, sul pin 1, va collegato il positivo di potenza, sez. 2,5/4,00 e fusibile da 25 A, sul pin
2 il negativo di potenza, sul pin 3 il positivo della bobina del relè comando ventilatore, sul pin 4 il positivo della pompa gasolio, sul pin 5 la diagnosi, sul pin 6 consenso positivo all'avvio da termostato est o +D alternatore, sul pin 7 consenso positivo all'avvio da timer, pin 8 non collegato.sul dispositivo di comando il rosso è positivo, il marrone è negativo, il giallo è l'uscita positiva per l'accensione del riscaldatore. Un saluto Enzo
...
Ultime due cose:
Io ho la pompa interna quindi il pin 4 sarà vuoto...mentre il pin 6 non avendo il termostato lo devo attaccare all'alternatore?

lo schema sarebbe questo?
Cattura(9).JPG
Cattura%20(1).JPG


 
LukeS

Modificato da LukeS il 08/11/2017 alle 15:59:56
16
enzo44
enzo44
rating

13/12/2009 4438
Rispondi Abuso
Inserito il 08/11/2017 alle: 16:45:44
Ciao, ti consiglio di aprire lo scatolotto superiore per verificare il collegamento della pompa gasolio e pompa dell'acqua, se sono collegate con cavi provenienti dall'interno del riscaldatore ignora il pin 4, il pin 6 lo collegherai in parallelo al pin 7 dovranno essere collegati entranbi al positivo per avviare il bruciatore, il positivo sarà dato dal dispositivo di comando. Un saluto Enzo
Enzo
8
LukeS
LukeS
25/09/2017 61
Rispondi Abuso
Inserito il 30/07/2018 alle: 17:43:32
In risposta al messaggio di enzo44 del 08/11/2017 alle 16:45:44

Ciao, ti consiglio di aprire lo scatolotto superiore per verificare il collegamento della pompa gasolio e pompa dell'acqua, se sono collegate con cavi provenienti dall'interno del riscaldatore ignora il pin 4, il pin 6 lo
collegherai in parallelo al pin 7 dovranno essere collegati entranbi al positivo per avviare il bruciatore, il positivo sarà dato dal dispositivo di comando. Un saluto Enzo
...
Volevo farvi vedere il la rinascita..grazie alle Vostre istruzioni ed in particolar modo di Ecostar... l'unico dubbio se davvero il pin 6 e 7 in assenza del termostato vanno collegati...io l'ho fatto e funziona...

https://youtu.be/3jVYcUZdJEg



GRAZIE
LukeS
Le statue di legno di Kivijärvi
Le statue di legno di Kivijärvi
Napoli & Caserta in camper
Napoli & Caserta in camper
Natale 2025 in centro Italia
Natale 2025 in centro Italia
Asturia, Cantabria e Paesi Baschi in cam
Asturia, Cantabria e Paesi Baschi in cam
Sala Silvergruva, la miniera d'argento
Sala Silvergruva, la miniera d'argento
Previous Next
SostaGruppiCompagniItaliaEsteroMarchiMeccanicaCellulaAccessoriEventiLeggiComportamentiDisabiliIn camper perAltro CamperAltroExtra Attivi
Argomenti recenti dal forum
Altro sui camper
Sabotaggio?
Ultimamente ho la sensazione che gli interventi sul forum siano diminuiti. I messaggi dell...
Giovanni
Ieri alle: 16:52
Meccanica
Aiuto ducato 230 anno 2000
Ho subito un danno al vano motore dove un gatto rimasto intrappolato ha strappato alcuni f...
antonio867
Ieri alle: 16:26
Cellula abitativa
Specchio retrovisore e remis ducato 8
Ciao a tutti, come da titolo sul mio van su Ducato 2025 non ho lo specchio retrovisore, ma...
volvo960
Ieri alle: 16:20
Accessori
copricerchi hymer b544 anno 1997
Ciao sto cercando senza fortuna i copricerchi quelli argentati e bombati per intenderci sa...
suoz
Ieri alle: 16:07
Cellula abitativa
Letti gemelli basculanti su Chausson 630 Welcome
Salve il mio camper è dotato di due letti gemelli basculanti che si abbassano e una person...
ernesto24
Ieri alle: 14:17
Accessori
Il frigo mi ha abbandonato...lo cambio?
Dopo poco più di 8 anni di onorato servizio, il mio Vitrifrigo a compressore mi ha abbando...
sport15
08/04/26 - 23:00
Cellula abitativa
Frigo 12v non friga!
Ciao a tutti, il mio frigo Dometic rm 7405l 90 litri su laika 595xr del 2009, quando vado ...
camperdavide
08/04/26 - 21:58
Meccanica
Ammortizzatori per Fiat Ducato x244
ciao a tutti… ho cercato e spulciato ma non trovo nulla di preciso… voglio cambiare ammort...
camperinosol...
08/04/26 - 18:08
Accessori
Dove trovo ricambi Remifront?
Buonasera, durante il tragitto di ritorno da Amsterdam a gennaio mi si è rotto un pezzo d...
camperistadoc
08/04/26 - 17:27
Accessori
Problemi Eberspacher Airtonic D2 - Mini Controller
Ciao a tutti, Sono nuovo sul forum, volevo chiedere se a qualcuno fosse già successo il mi...
LuCaffa
08/04/26 - 15:21
Cellula abitativa
Problema con 220V, salta interruttore diferenziale
Salve a tutti Sto riscontrando un problema random, si manifesta senza nessuna causa appare...
Motociclista77
08/04/26 - 12:20
Accessori
Frigorifero portatile, consumi
Ho acquistato un frigorifero portatile a compressore da usare come celletta e volevo capir...
matrixx
08/04/26 - 09:07
167k Facebook
343k Instagram
42,6k TikTok
73,3k Youtube
CamperOnLine - Copyright © 1998-2026 - P.Iva 06953990014
Informativa privacy
Loading...

Accedi

Recupera Password
Nuovo utente

Vuoi eliminare il messaggio?

Sottoscrizione

Anteprima

PREFERENZA

Il messaggio è in fase di inserimento.

loading

CamperOnLine

Buongiorno gentile utente,

da oltre 20 anni Camperonline offre gratuitamente tutti i suoi servizi
grazie agli inserzionisti che ci hanno dato la loro fiducia, permettici di continuare il nostro lavoro disattivando il blocco delle pubblicità.

Grazie della collaborazione.

Azione eseguita con successo

Azione Fallita

Condividi

Condividi questa pagina con:

O copia il link