CamperOnLine
  • Camper
    • Camper usati
    • Camper nuovi
    • Produttori
    • Listino
    • Cataloghi
    • Concessionari e rete vendita
    • Noleggio
    • Van
    • Caravan
    • Fiere
    • Rimessaggi
    • Le prove di CamperOnLine
    • Provati da voi
    • Primo acquisto
    • Area professionisti
  • Accessori
    • Accessori e Prodotti
    • Camping Sport Magenta accessori
    • Produttori
    • Antenne TV
    • Ammortizzatori
    • GPS
    • Pneumatici
    • Rimorchi
    • Provati da Voi
    • Fai da te
  • Viaggi
    • Diari di viaggi in camper
    • Eventi
    • Foto
    • Check list
    • Traghetti
    • Trasporti
  • Sosta
    • Cerca Strutture
    • Sosta
    • Aree sosta camper
    • Campeggi
    • Agriturismi con sosta camper
    • App Camperonline App
    • 10 Consigli utili per la sosta
    • Area strutture
  • Forum
    • Tutti i Forum
    • Sosta
    • Gruppi
    • Compagni
    • Italia
    • Estero
    • Marchi
    • Meccanica
    • Cellula
    • Accessori
    • Eventi
    • Leggi
    • Comportamenti
    • Disabili
    • In camper per
    • Altro Camper
    • Altro
    • Extra
    • FAQ
    • Regolamento
    • Attivi
    • Preferiti
    • Cerca
  • Community
    • COL
    • CamperOnFest
    • Convenzioni Convenzioni
    • Amici
    • Furti
    • Informativa Privacy
    • Lavoro
  • COL
    • News
    • Newsletter
    • Pubblicità
    • Contatto
    • Ora
    • RSS RSS
    • Video
    • Facebook
    • Instagram
  • Magazine
  • Italiano
    • Bienvenue
    • Welcome
    • Willkommen
  • Accedi
CamperOnLine
Camping Sport Magenta
  1. Forum
  2. Tecnica
  3. Cellula abitativa
Galleria

Problema frigo su centrale DS300EL

Rispondi
Cerca
SostaGruppiCompagniItaliaEsteroMarchiMeccanicaCellulaAccessoriEventiLeggiComportamentiDisabiliIn camper perAltro CamperAltroExtra
1 20 15
Paololeo1962
Paololeo1962
28/03/2024 1
Rispondi Abuso
Inserito il 03/04/2024 alle: 18:27:31
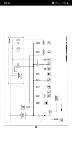
Ciao a tutti
ho un problema sulla DS300EL con il frigo, precisamente quando il camper è in moto non va il frigo a 12 volt.
per tale problema ho controllato tutti i cavi delle alimentazioni e sono arrivato sino alla DS300 che non eroga i 12v al frigo con motore acceso. Ho controllato la scheda ed al relè di commutazione non arrivano i 12v per eccitarlo. Premetto che il consenso d+ 12v arrivano alla ds300. 
Al momento non sono riuscito a venire a capo.
È capitato tale difetto a qualcuno? 
Qualche utente ha tra le mani un schema elettronico della centrale DS300?
Grazie 
19
GialloRosso1961
GialloRosso1961
12/09/2006 521
Rispondi Abuso
Inserito il 03/04/2024 alle: 18:59:42
Sicuramente avrai già verificato, ma controlla che il ponticello di esclusione del relè frigo sia chiuso (n. 11 nella figura sotto)
Screenshot_2024-04-03-18-56-58-788_com_google_android_apps_docs-edit.jpg
15
camperistadoc
camperistadoc
04/10/2010 3538
Rispondi Abuso
Inserito il 07/04/2024 alle: 21:24:11
In risposta al messaggio di GialloRosso1961 del 03/04/2024 alle 18:59:42

Sicuramente avrai già verificato, ma controlla che il ponticello di esclusione del relè frigo sia chiuso (n. 11 nella figura sotto)
Ciao, 
tipo di frigo?
Scontatissimo ma mi sembra non menzionato, il fusibilile da 30A sulla centralina è integro?

Screenshot_20200508-184921_Mobile%20Print.jpg



Valuta eventualmente in futuro la modifica di emme48 che in molti hanno fatto (me compreso) per non far passare correnti elevate tramite quei miseri contatti della CBE.
Ho la tua stessa centralina e prima di cuocerla ho modificato l'arrivo della potenza al frigorifero quando sono in marcia...

Ciaowink
Viaggiare apre la mente...
22
PDR
PDR
01/12/2003 6097
Rispondi Abuso
Inserito il 08/04/2024 alle: 09:45:54
In risposta al messaggio di Paololeo1962 del 03/04/2024 alle 18:27:31

Ciao a tutti ho un problema sulla DS300EL con il frigo, precisamente quando il camper è in moto non va il frigo a 12 volt. per tale problema ho controllato tutti i cavi delle alimentazioni e sono arrivato sino alla DS300
che non eroga i 12v al frigo con motore acceso. Ho controllato la scheda ed al relè di commutazione non arrivano i 12v per eccitarlo. Premetto che il consenso d+ 12v arrivano alla ds300.  Al momento non sono riuscito a venire a capo. È capitato tale difetto a qualcuno?  Qualche utente ha tra le mani un schema elettronico della centrale DS300? Grazie 
...
è capitato a me, hanno dovuto sostituire il tutto, fortunatamente in garanzia; ti si accende la spia "generatore" sul pannello comandi ?
Paolo DR
19
GialloRosso1961
GialloRosso1961
12/09/2006 521
Rispondi Abuso
Inserito il 08/04/2024 alle: 14:17:03
In risposta al messaggio di camperistadoc del 07/04/2024 alle 21:24:11

Ciao,  tipo di frigo? Scontatissimo ma mi sembra non menzionato, il fusibilile da 30A sulla centralina è integro? Valuta eventualmente in futuro la modifica di emme48 che in molti hanno fatto (me compreso) per non
far passare correnti elevate tramite quei miseri contatti della CBE. Ho la tua stessa centralina e prima di cuocerla ho modificato l'arrivo della potenza al frigorifero quando sono in marcia... Ciao
...
Qual è la modifica di Emme48? Il mio già s'è cotto.
 
Sala Silvergruva, la miniera d'argento
Sala Silvergruva, la miniera d'argento
Folgaria d’inverno in camper
Folgaria d’inverno in camper
Francia 2025
Francia 2025
Eksjo, la città di legno
Eksjo, la città di legno
Viaggio in Umbria e dintorni
Viaggio in Umbria e dintorni
Previous Next
22
PDR
PDR
01/12/2003 6097
Rispondi Abuso
Inserito il 08/04/2024 alle: 14:31:29
In risposta al messaggio di GialloRosso1961 del 08/04/2024 alle 14:17:03

Qual è la modifica di Emme48? Il mio già s'è cotto.  
Diodo + resistenza, link

qui

Paolo DR
19
GialloRosso1961
GialloRosso1961
12/09/2006 521
Rispondi Abuso
Inserito il 08/04/2024 alle: 14:36:38
In risposta al messaggio di PDR del 08/04/2024 alle 14:31:29

Diodo + resistenza, link qui
Ma quella è la modifica per il mantenimento della carica della BM. Mi pareva di aver capito si parlasse  di una modifica per bypassare la scheda CBE per l'alimentazione del frigo a 12v
20
Emme48
Emme48
rating

13/01/2006 24513
Rispondi Abuso
Inserito il 08/04/2024 alle: 14:38:06
In risposta al messaggio di GialloRosso1961 del 08/04/2024 alle 14:17:03

Qual è la modifica di Emme48? Il mio già s'è cotto.  
Parlno di questa modifica qui:

http://www.m48.it/camperbricola...



Marco
 
Marco

http://www.m48.it

19
GialloRosso1961
GialloRosso1961
12/09/2006 521
Rispondi Abuso
Inserito il 08/04/2024 alle: 14:40:34
In risposta al messaggio di Emme48 del 08/04/2024 alle 14:38:06

Parlno di questa modifica qui: Marco  
Grazie mille
20
Emme48
Emme48
rating

13/01/2006 24513
Rispondi Abuso
Inserito il 08/04/2024 alle: 14:43:13
In risposta al messaggio di GialloRosso1961 del 08/04/2024 alle 14:40:34

Grazie mille
Si, ma la modifica serve a non sovraccaricare l'impianto esistente, la riparazione devi farla.

Marco.
Marco

http://www.m48.it

19
GialloRosso1961
GialloRosso1961
12/09/2006 521
Rispondi Abuso
Inserito il 08/04/2024 alle: 15:08:05
In risposta al messaggio di Emme48 del 08/04/2024 alle 14:43:13

Si, ma la modifica serve a non sovraccaricare l'impianto esistente, la riparazione devi farla. Marco.
La scheda l ho già riparata. Ho sostituito le mollette del portafusibili bruciato. Volevo però bypassarlo. Cercavo idee , anche se ho difficoltà a ricamblare ultimo tratto dalla centralina CBE al frigo. Pensavo più a un bypass sulla scheda mettendo un portafusibili esterno "serio".
22
PDR
PDR
01/12/2003 6097
Rispondi Abuso
Inserito il 08/04/2024 alle: 15:48:31
In risposta al messaggio di Emme48 del 08/04/2024 alle 14:38:06

Parlno di questa modifica qui: Marco  
si è vero ho copiato il link sbagliato
Paolo DR
Argomenti recenti dal forum
Cellula abitativa
Moquette ed - eventualmente - tappezziere
Ciao a tutti, ho cercato ma le ultime discussioni risalgono al 2020 ...
atomant
Oggi alle 12:20
Meccanica
Parasassi - Locaro passaruota Ducato 2026
Buongiorno a tutti, Sono nuovo dell'ambiente, ma sono molto felice d...
RollingLedger
Oggi alle 09:57
Accessori
CBE CSB2 sempre acceso + info su reg.carica
CIao a tutti, ho una Adriatik 572 del 2005 con centralina EBL 208 S ...
dav8989
Oggi alle 07:41
Accessori
Waeco cruiscontroll Ms 900
Chi lo ha montato su ducato 3000cc del 2010 mi spiega come funziona ...
flavius67
Ieri alle: 21:12
Accessori
Impianto 13 poli gancio traino schema
Ciao a tutti, Dubito di risolvere, ma la community qui é numerosa e ...
maaaxxx
Ieri alle: 18:27
Meccanica
Un aiutino da casa x Crossclimate
Mi sono un po perso sulle pressioni corrette , il mezzo è su Ducato ...
dadamazz
Ieri alle: 18:05
Aree di sosta e campeggi
Area sosta sul lago di Barcis
Ciao a tutti , qualcuno è stato a Pasqua nell'area sosta camper a Ba...
diabolik
Ieri alle: 16:14
Accessori
Interpretare smartshunt
Buongiorno, nel cammin di mezza via . . . Mi ritrovo con 2 BS 110AH ...
isauri
Ieri alle: 15:21
Accessori
monitoraggio pressione pneumatici
Buongiorno a tutti, volevo chiedere se qualcuno ha montato un TPMS d...
Walter62
Ieri alle: 14:11
Aree di sosta e campeggi
Area sosta a primaluna Lecco
Buongiorno chiedo x piacere,,qualcuno e stato recentemente all,area ...
giuvanella
Ieri alle: 13:26
Cellula abitativa
Cavi dietro sedile lato passeggero ducato 244
Buongiorno a tutti, sul mio ducato 244 esce dietro il sedile una lin...
CamperistaPN
Ieri alle: 08:55
Meccanica
Arca america 2024
Buonasera a tutti, vorrei capire se il camper in oggetto può già ave...
Adocaro
14/03/26 - 19:14
Cellula abitativa
motorhome hymer 2003 non carica bs
Buongiorno a tutti, ho un problema e spero nel Vostro aiuto. Attacc...
salva56
14/03/26 - 14:29
Viaggi in Italia
Ciclabili Verona est
Abbiamo letto la pagina web dell'agricamping Oro verde a Verona. Sap...
rlui
14/03/26 - 14:28
Accessori
Installazione retrocamera posteriore
Ciao a tutti, ho acquistato un Krunia Schermo Portatile 8'' per Appl...
Karbon17
14/03/26 - 10:10
20
Emme48
Emme48
rating

13/01/2006 24513
Rispondi Abuso
Inserito il 08/04/2024 alle: 16:55:44
In risposta al messaggio di GialloRosso1961 del 08/04/2024 alle 15:08:05

La scheda l ho già riparata. Ho sostituito le mollette del portafusibili bruciato. Volevo però bypassarlo. Cercavo idee , anche se ho difficoltà a ricamblare ultimo tratto dalla centralina CBE al frigo. Pensavo più a un bypass sulla scheda mettendo un portafusibili esterno serio.
La modifica che ti ho indicato, oltre a risolvere il problema della cottura dei cablaggi, offre due vantaggi.
1 Al frigo arriva una tensione priva di cadute che quindi funziona molto meglio.
2 Senza caduta di tensione sull'impianto alla BS arriva una tensione ottimale capace di ricaricarla davvero.

Il fusibilone che dici te non ti porta questi due vantaggi.

Marco.
 
Marco

http://www.m48.it

15
camperistadoc
camperistadoc
04/10/2010 3538
Rispondi Abuso
Inserito il 08/04/2024 alle: 20:58:15
In risposta al messaggio di GialloRosso1961 del 08/04/2024 alle 15:08:05

La scheda l ho già riparata. Ho sostituito le mollette del portafusibili bruciato. Volevo però bypassarlo. Cercavo idee , anche se ho difficoltà a ricamblare ultimo tratto dalla centralina CBE al frigo. Pensavo più a un bypass sulla scheda mettendo un portafusibili esterno serio.
Considera che la corrente che passerà dalla scheda per arrivare al frigorifero, dopo la modifica di emme, servirà solo ed esclusivamente per eccitare il relè da 70A (io l'ho messo da 100) che collegherà la BM con la resistenza del frigo.
Solo vantaggi sotto tutti i punti di viata con la modifica! 

20200216_151213.jpg

Ciaowink
Viaggiare apre la mente...
Paololeo1962
Paololeo1962
28/03/2024 1
Rispondi Abuso
Inserito il 09/04/2024 alle: 13:05:11
Grazie a tutti per i consigli. 
alla fine dopo vari tentativi ho individuato il problema del frigo. 
Precisamente spiego per un futuro problema che può capitare. 
1. Sulla centrale ds300 non scattava il rele parallelatore nonostante sul cablaggio 18 arrivavo i 12 volt di pilotaggio per il relè parallelatore, a motore spento. La centralina DS 300 per attivare il relè deve arrivare al cablaggio 18 un voltaggio superiore a 13,3 volt, fatta la prova con motore acceso non arrivata tale tensione. Quindi facendo un prolunga con un cavo dalla batteria al pilota (cavo blu +) del cablaggio 18 il relè parallelatore funzionava.
2. Quindi ho cercato il guasto sul cavo ed era il fusibile volante da 3 A nelle vicinanzedellabatteria,  posto a protezione della linea del cablaggio 18, aveva gli inserti ossidati, e non faceva passare tutta la corrente e il voltaggio per far eccitare i relè. 
Cmq prossimamente farò il circuito di Emme.
allego fotoScreenshot_20240409_130036_Samsung%20Notes.jpg
Ancora grazie. 
19
GialloRosso1961
GialloRosso1961
12/09/2006 521
Rispondi Abuso
Inserito il 09/04/2024 alle: 18:36:06
In risposta al messaggio di camperistadoc del 08/04/2024 alle 20:58:15

Considera che la corrente che passerà dalla scheda per arrivare al frigorifero, dopo la modifica di emme, servirà solo ed esclusivamente per eccitare il relè da 70A (io l'ho messo da 100) che collegherà la BM con la resistenza del frigo. Solo vantaggi sotto tutti i punti di viata con la modifica!  Ciao
Grazie mille.  Devo vedere come arrivare al frigo. E' l unico punto difficilmente accessibile nonostante il doppio pavimento. Il resto dell impianto l ho rifatto praticamente tutto.
 
SostaGruppiCompagniItaliaEsteroMarchiMeccanicaCellulaAccessoriEventiLeggiComportamentiDisabiliIn camper perAltro CamperAltroExtra
167k Facebook
343k Instagram
42,6k TikTok
73,3k Youtube
CamperOnLine - Copyright © 1998-2026 - P.Iva 06953990014
Informativa privacy
Loading...

Accedi

Recupera Password
Nuovo utente

Vuoi eliminare il messaggio?

Sottoscrizione

Anteprima

PREFERENZA

Il messaggio è in fase di inserimento.

loading

CamperOnLine

Buongiorno gentile utente,

da oltre 20 anni Camperonline offre gratuitamente tutti i suoi servizi
grazie agli inserzionisti che ci hanno dato la loro fiducia, permettici di continuare il nostro lavoro disattivando il blocco delle pubblicità.

Grazie della collaborazione.

Azione eseguita con successo

Azione Fallita

Condividi

Condividi questa pagina con:

O copia il link