In risposta al messaggio di musami del 08/03/2023 alle 23:02:25Se lo smartshunt lo usi con aux temperatura, devi usare il suo sensore cablato sull uscita aux. E il sensore va comunque appiccicato alla batteria..il cavetto è molto lungo e lo puoi allungare anche perché non è un sensore a resistenza credo.
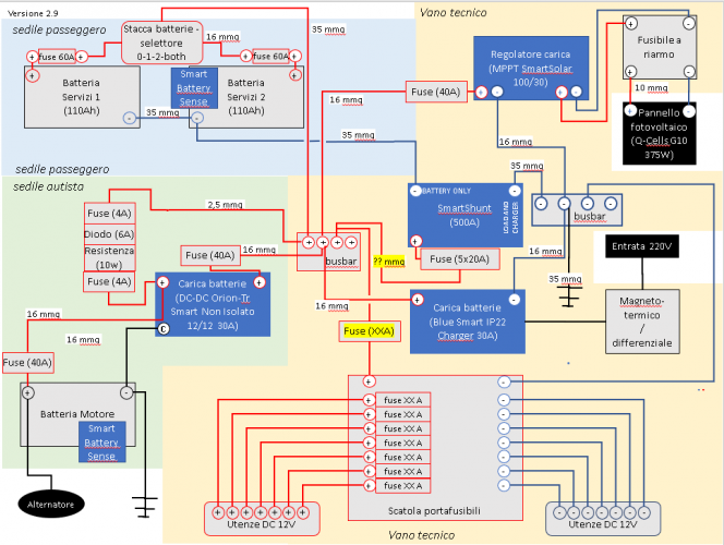
Insomma, sta Victron ogni volta ferma i miei tentativi di uscire dagli schemi. mmh.. dilemma.. purtroppo io non posso proprio mettere lo SmartShunt vicino alle BS: le BS sono sotto il sedile passeggero, poi porto tutto inquello che chiamo vano tecnico (cioè il vano dell'ex BS all'esterno del camper) e ci saranno circa due metri di cavo, che però mi avevate detto di mettere da 25(!!) perchè io ignorante mi sarei portato in giro solo rame inutile :-) ora correggo e metto 35 anche io. Ad ogni modo devo scegliere fra le due soluzioni. Mi piace la tua idea della temperatura dallo SmartShunt, ma temo che, essendo tutto incastrato nel vano tecnico magari esposto al sole, sia comunque una lettura falsata rispetto alla temperatura delle BS che sono nella cellula. Quindi forse la media più precisa ce l'ho con SmartBatterySense sulla BS e hasta luego al sensore temperatura dello SmartShunt. Però in tutto questo: - il disegno che ho fatto è corretto e finito? - per l'OrionTr Smart DC DC Charger è corretto che non mi serva per forza il D+? - e aggiungo: il parallelatore attuale devo buttarlo corretto? PS a quest'ora gli insulti sono leciti. :-) Michele
In risposta al messaggio di musami del 09/03/2023 alle 00:00:39Intanto complimenti per lo sforzo del programma. Ti resterà un bello schema pure stampato per i posteri. Magari trovare usati così.
Hai ragione. Ho riguardato il mio disegno, mi ero fissato che tutto dovesse essere nello scatolotto tecnico. Ok, aggiorna questo punto ritolgo uno Smart Battery Sense dal carrello e aggiorno il disegno, ci vorrà un po' perchènon so se hai visto uso un programma altamente specialistico. Mi sai dire se dall'uscita VBatt+ userò il cavo in dotazione o devo metterne uno io? se si da quanto? Grazie ancora Michele

In risposta al messaggio di rubylove del 09/03/2023 alle 17:06:12Forse mi sono spiegato male. Nel mio caso ho messo i negativi sul telaio si..ma solo in 2 punti.
Preferisco portare per ogni utenza sia il negativo che il positivo, questo da i seguenti vantaggi: 1) le masse ricavate da un punto del telaio o della carrozzeria possono essere soggete a falsi contatti, ossidazione conaumento della resistenza e malfunzionamenti (molto frequenti) a quel punto chi si ricorda dopo qualche anno dove è stata messa a massa quell'utenza? Inoltre spesso si fora la carrozzeria per prendere una massa che potrebbe anche non avere una resistenza bassa come quelle fatte dal costruttore (questo è da evitare assolutamente) 2) se si portano i due conduttori di ogni utenza ad una morsettiera bipolare con negativo e positivo, un'ventuale guasto sarà individuato molto più velocemente che non andarsi a cercare il punto di massa dove è collegata quell'utenza 3) tutte le masse vanno poi portate ad un'unica morsettiera che si mette a massa insieme alla batetria in un unico punto del telaio/chassis (meglio dove c'è un punto predefinito) 4) collegare masse in più punti del mezzo può creare degli anelli (delle spire) che possono generare interferenze (raro ma possibile), le masse dovrebbero convergere in un unico punto
In risposta al messaggio di Hunter85 del 09/03/2023 alle 18:35:29Scusa ma non ho capito nulla! Scrivi troppe cose tutte insieme per un settantarrenne con il cervello mezzo in pappa!
Forse mi sono spiegato male. Nel mio caso ho messo i negativi sul telaio si..ma solo in 2 punti. in uno l uscita dallo smartshunt . E sul lato opposto in un unico punto ho messo tutte le altre cose possibili. Non sono in10 punti diversi. Non mi avrebbe cambiato niente metterle sul polo batteria. Salvo avere problemi per rispettare la lunghezza da positivo e negativo in modo circa simmetrico per entrambe le batterie. D Altra parte il mio camper adriatik non aveva la morsettiera negativa sulla batteria ma sul telaio. E anche il ducato questo ha una morsettiera dei negativi lontani dalla batteria, sul telaio. Certo che la morsettiera è una e non 20 in punti diversi. Non avevo precisato questo fatto. Insomma io l ho fatto per un motivo: Tutte le cose sono lato guida. Quindi sia positivi che negativi vanno presi ñato guida. Però le.batterie sono una lato guida e una lato passeggero.. Come fare per avere il prelievo del positivo sulla batteria lato guida e dei negativi sulla batteria lato passeggero? Senza tirare tutti i cavi negativi fino al lato passeggero? L.unica soluzione era tirare un piccolo negativo da batteria lato passeggero a telaio nelle immediate vicinanze...e poi prelevare dal telaio dallla parte opposta, cioè sul lato guida, tutti i negativi. Ho cercato di scegliere i 2 punti in zone massicce, scartavetrare la vernice e poi coprire di grasso per evitare ossidazione. Ho testato le cadute di tensione da punto a punto anche a decine di amper e sono nulle, perché virtualmente è come avere una sezione infinita. Un cavo di rame da 50mmq tra i 2 punti di massa avrebbe una resistenza maggiore che il telaio. Non so se è dovuto a questo, come hai accennato per le masse in più punti.. Ma ho notato che la lettura dello smartshunt della tensione in bm, varia di qualche centesimo quando ho un forte passaggio di corrente dalle o verso le BS. Ovviamente intendo a bm separata. Secondo me è qualche campo magnetico tra i 2 punti di massa opposti che altera qualcosa sul cavetto di segnale tensione bm che attraversa perpendicolarmente i 2 punti di massa e il positivo generale tra le 2 bs. O è una fesseria!?
In risposta al messaggio di Hunter85 del 09/03/2023 alle 18:35:29No no ti ho capito. Io per fortuna non ho la necessità che hai tu perchè le batterie saranno vicine, ma bella pensata la tua.
Forse mi sono spiegato male. Nel mio caso ho messo i negativi sul telaio si..ma solo in 2 punti. in uno l uscita dallo smartshunt . E sul lato opposto in un unico punto ho messo tutte le altre cose possibili. Non sono in10 punti diversi. Non mi avrebbe cambiato niente metterle sul polo batteria. Salvo avere problemi per rispettare la lunghezza da positivo e negativo in modo circa simmetrico per entrambe le batterie. D Altra parte il mio camper adriatik non aveva la morsettiera negativa sulla batteria ma sul telaio. E anche il ducato questo ha una morsettiera dei negativi lontani dalla batteria, sul telaio. Certo che la morsettiera è una e non 20 in punti diversi. Non avevo precisato questo fatto. Insomma io l ho fatto per un motivo: Tutte le cose sono lato guida. Quindi sia positivi che negativi vanno presi ñato guida. Però le.batterie sono una lato guida e una lato passeggero.. Come fare per avere il prelievo del positivo sulla batteria lato guida e dei negativi sulla batteria lato passeggero? Senza tirare tutti i cavi negativi fino al lato passeggero? L.unica soluzione era tirare un piccolo negativo da batteria lato passeggero a telaio nelle immediate vicinanze...e poi prelevare dal telaio dallla parte opposta, cioè sul lato guida, tutti i negativi. Ho cercato di scegliere i 2 punti in zone massicce, scartavetrare la vernice e poi coprire di grasso per evitare ossidazione. Ho testato le cadute di tensione da punto a punto anche a decine di amper e sono nulle, perché virtualmente è come avere una sezione infinita. Un cavo di rame da 50mmq tra i 2 punti di massa avrebbe una resistenza maggiore che il telaio. Non so se è dovuto a questo, come hai accennato per le masse in più punti.. Ma ho notato che la lettura dello smartshunt della tensione in bm, varia di qualche centesimo quando ho un forte passaggio di corrente dalle o verso le BS. Ovviamente intendo a bm separata. Secondo me è qualche campo magnetico tra i 2 punti di massa opposti che altera qualcosa sul cavetto di segnale tensione bm che attraversa perpendicolarmente i 2 punti di massa e il positivo generale tra le 2 bs. O è una fesseria!?
In risposta al messaggio di rubylove del 09/03/2023 alle 19:27:42Siccome hai detto di non sparpagliare i punti di prelievo delle masse sul telaio, e io ho suggerito di prelevare tutto dal telaio.
Scusa ma non ho capito nulla! Scrivi troppe cose tutte insieme per un settantarrenne con il cervello mezzo in pappa! comunque quello che ho scritto io si fa solo con un impianto nuovo, con un impianto gia cablato devi buttare giu tutto e rifare!
In risposta al messaggio di musami del 09/03/2023 alle 16:50:46Al disegno domani ci guardo anche io
Ciao a tutti, questa è l'ultima versione del mio poco professionale progetto, che somma tutti i consigli fin ora ricevuti: Penso si essere vicino alla versione definitiva, mi mancano poche risposte che elenco di seguito:ildisegno che ho fatto è corretto e completo? meglio prendere il il caricatore da 220v BlueSmart IP22 con una o con tre uscite? Probabilmente per il mio impianto forse sarebbe meglio quello da 1 uscita da attaccare al busbar e via. per l'OrionTr Smart DC DC Charger è corretto che non mi serva per forza il D+? il parallelatore attuale devo buttarlo corretto?Se c'è qualche anima pia che ha voglia di incrociarsi gli occhi per capire il mio impianto, ringrazio infinitamente. Buona serata a tutti Michele
In risposta al messaggio di Hunter85 del 09/03/2023 alle 22:15:52I collegamenti tra le due batterie con cavi incrociati vanno bene perchè minimizzano le differenze di corrente tra le due, questo volevi dire?
Siccome hai detto di non sparpagliare i punti di prelievo delle masse sul telaio, e io ho suggerito di prelevare tutto dal telaio. Ho solo scritto che io intendevo in un punto solo. Poi ho spiegato il perché ho messo tuttosul telaio (simmetria di prelievo tra le 2 batterie, data la situazione spaziale). Cioè era l unico modo per prelevare i positivi sulla batteria 1 e i negativi vicini alla batteria 2. Senza dover allungare tutti i negativi fisicamente sul lato dove c'è la batteria 2. Poi nell' ultima parte, siccome hai detto che varie masse in giro possono dare interferenze, ho scritto una anomalia che noto io . cioè che la lettura della tensione bm sullo smartshunt varia di alcuni centesimi, aumentando il.carico sulle bs. Ho pensato fosse relazionato a campi magnetici. Perché il cavo sensore della tensione bm passa perpendicolare ai 2 punti di massa ai 2 lati del camper e al cavo positivo che unisce le 2 bs. Ma non so..
In risposta al messaggio di rubylove del 10/03/2023 alle 09:24:48Nel mio caso immagina solo il busbar negativo come un bullone messo nel telaio.. invece di essere un bel busbar collegato al telaio, è un bullone. Ma tutte le utenze e i CARICATORI sono su quel bullone.
I collegamenti tra le due batterie con cavi incrociati vanno bene perchè minimizzano le differenze di corrente tra le due, questo volevi dire? Sul telaio non andrebbe messo nulla come utenze, i collegamenti dei negatividelle utenze si fanno al busbar o alle morsettiere predisposte, poi dal busbar negativo si collega uno spezzone grosso al telaio ma se l'impianto è gia fatto e non da fare e le masse sono gia collegate in modo sparpagliato al telaio è meglio non fare anche il collegamento diretto al busbar per quella utenza, cioè o si collega al telaio o si rimane scollegati localmente e si porta la massa al busbar Molte utenze però hanno gia la massa sullo chassis, vedi autoradio e se ancorata in un punto metallico del mezzo è meglio non portarla al busbar ma casomai collegarala in quel punto con un corto spezzone Il collegamento di una massa sul telaio e anche al bus bar, può creare un loop dove circola corrente, questo è più probabile con dispositivi di potenza come inverter o convertitori, questi più sono vicini alla sorgente di alimentazione con cavi corti (la batteria) e meno ci sono possibilità che eventuali interferenze elettromagnetiche si propaghino, ma questo tu gia lo sai benissimo Spesso capita che se un'utenza che genera interferenze (DC/DC/Inverter/dimmer/motori ecc..) di un impianto messo a massa in due punti, generi più interferenze e provare a scollegare una delle due a volte da risultati positivi (miglioramento) La lettura della tensione dello smartshunt varia rispetto a che? Due letture fatte in due punti diversi possono dare un risultato diverso se tra quei due punti c'è una differenza di potenziale dovuto ad esempio ad un caduta di tensione, per questo suggerisco che il conduttore di uno strumento di misura della tensione venga portato dallo strumento di misura (in questo caso lo smartshunt) direttamente al punto dove si vuole fare la misura con una certa attendibilità, su quel conduttore ci deve essere collegato solo lo strumento di misura, così circolerà talmente poca corrente che la caduta di tensione della stessa sarà in pratica non misurabile ti riferivi a questo? Nello schizzo che ho fatto al volo le masse sono connesse a stella esattamente come il positivo che non credo nessuno lo colleghi da due punti diversi no? se l'utenza 4 è collegata a massa attraverso il suo cavo che potrebbe avere anche il segnafilo con scritto U4 (frigo) come anche il positivo, il giorno che cercherai un guasto all'alimentazione del frigorifero individuerai subito non solo il positivo ma anche il negativo Nel disegnino porto l'esempio di collegamento della massa o diretta al telaio ma non collegata al busbar o viceversa (U4) p.s. gia estente sarebbe gia esistente
In risposta al messaggio di Hunter85 del 10/03/2023 alle 10:33:53se la connessione attraverso il telaio è buona, priva di resistenze (magari nei punti di ancoraggio) va bene, lo fanno anche loro, però i fabbricanti hanno punti di massa specifici (per spessori e ancoraggio) l'importante è evitare i loop
Nel mio caso immagina solo il busbar negativo come un bullone messo nel telaio.. invece di essere un bel busbar collegato al telaio, è un bullone. Ma tutte le utenze e i CARICATORI sono su quel bullone. Solo lo smartshuntfinisce su un altro bullone sulla parte opposta del mezzo. Ed è appunto per incrociare i prelievi del positivo e negativo. Se avessi voluto incrociare non passando per il telaio,avrei dovuto allungare tutti i cavi negativi sul lato opposto del camper e mi veniva difficile. Non so se riesco a spiegarmi. Insomma avrei dovuto fare lo schema B, e invece ho fatto l'A. Si può considerare sul telaio qualsiasi distanza come distanza zero, vista la sezione enorme e la resistenza virtualmente nulla. Per questo per rispettare l incrocio del positivo e negativo senza allungare i cavi negativi sull altro lato, ho usato il telaio. I positivi sono vicino alla batteria di sx. In questo modo ELETTRICAMENTE, come resistenza, è come se avessi prelevato anche i negativi vicino alla batteria di dx. Anche se FISICAMENTE sono vicino alla batteria di sx . Senza aver dovuto allungare tutti i negativi. La strada in più, i negativi la fanno sul telaio. Quindi è come se non ci fosse strada in più. Se avessi usato un grosso cavo, per quanto grosso, ha una resistenza molto maggiore del telaio. La lettura della tensione dello smartshunt varia rispetto a che? Rispetto a se stesso. Rispiego: Leggo una tensione bm sullo smartshunt ok? Con la sua funzione aux, col cavetto di segnale direttamente sul positivo bm. La tensione è X. Se varia molto il carico sulle bs(quindi anche sullo smartshunt), la tensione bm visualizzata varia un pochino..di qualche centesimo di volt. Non so il motivo io..ho pensato che sia il campo magnetico. Perché sotto il cavetto di segnale sul telaio scorre la corrente bs in modo perpendicolare al cavetto. E anche il grosso positivo tra bs passa perpendicolare al cavetto di segnale.
In risposta al messaggio di rubylove del 10/03/2023 alle 10:56:47se la connessione attraverso il telaio è buona, priva di resistenze (magari nei punti di ancoraggio) va bene, lo fanno anche loro, però i fabbricanti hanno punti di massa specifici (per spessori e ancoraggio) l'importante è evitare i loop
se la connessione attraverso il telaio è buona, priva di resistenze (magari nei punti di ancoraggio) va bene, lo fanno anche loro, però i fabbricanti hanno punti di massa specifici (per spessori e ancoraggio) l'importanteè evitare i loop Intendi dire che se misuri la tensione alla batteria motore mentre hai un assorbimento sulla/e batteria/e servizi, varia leggermente la tensione sulla batteria motore? ma di quanto? stai parlando del tuo mezzo? ma tu come ricarichi con un DC/DC? Potrebbe esserci una resistenza tra i due positivi che influenza la batteria motore, hai il famoso diodo + resistenza come mantenitore?