CamperOnLine
  • Camper
    • Camper usati
    • Camper nuovi
    • Produttori
    • Listino
    • Cataloghi
    • Concessionari e rete vendita
    • Noleggio
    • Van
    • Caravan
    • Fiere
    • Rimessaggi
    • Le prove di CamperOnLine
    • Provati da voi
    • Primo acquisto
    • Area professionisti
  • Accessori
    • Accessori e Prodotti
    • Camping Sport Magenta accessori
    • Produttori
    • Antenne TV
    • Ammortizzatori
    • GPS
    • Pneumatici
    • Rimorchi
    • Provati da Voi
    • Fai da te
  • Viaggi
    • Diari di viaggi in camper
    • Eventi
    • Foto
    • Check list
    • Traghetti
    • Trasporti
  • Sosta
    • Cerca Strutture
    • Sosta
    • Aree sosta camper
    • Campeggi
    • Agriturismi con sosta camper
    • App Camperonline App
    • 10 Consigli utili per la sosta
    • Area strutture
  • Forum
    • Tutti i Forum
    • Sosta
    • Gruppi
    • Compagni
    • Italia
    • Estero
    • Marchi
    • Meccanica
    • Cellula
    • Accessori
    • Eventi
    • Leggi
    • Comportamenti
    • Disabili
    • In camper per
    • Altro Camper
    • Altro
    • Extra
    • FAQ
    • Regolamento
    • Attivi
    • Preferiti
    • Cerca
  • Community
    • COL
    • CamperOnFest
    • Convenzioni Convenzioni
    • Amici
    • Furti
    • Informativa Privacy
    • Lavoro
  • COL
    • News
    • Newsletter
    • Pubblicità
    • Contatto
    • Ora
    • RSS RSS
    • Video
    • Facebook
    • Instagram
  • Magazine
  • Italiano
    • Bienvenue
    • Welcome
    • Willkommen
  • Accedi
CamperOnLine
Camping Sport Magenta
  1. Forum
  2. Tecnica
  3. Meccanica
Galleria

Accendisigari e presa corrente Ducato 244 KO

Rispondi
Cerca
SostaGruppiCompagniItaliaEsteroMarchiMeccanicaCellulaAccessoriEventiLeggiComportamentiDisabiliIn camper perAltro CamperAltroExtra Attivi
1 20 6
9
bimox
bimox
12/12/2016 325
Rispondi Abuso
Inserito il 22/11/2021 alle: 10:34:39
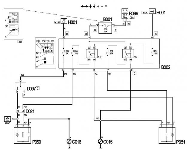
Ieri mio figlio piccolo ha fatto cio' che non doveva fare: mi ha bruciato il fusibile dell'accendisigari e della presa di corrente inserendovi un oggetto metallico. Al di la' di un rimprovero per averlo perso di vista in uno spazio cosi' piccolo, mi interessa ripristinare la funzionalita' delle 2 prese.
Laika Ecovip 8.1 anno 2004.
Ho recuperato lo schema elettrico originale
Cattura(167).JPG
dove si vede benissimo che entrambe le prese P050 e P051 sono sottochiave.
Bene, nel mio non e' cosi'. Questo mi fa pensare ad una modifica del primo proprietario oppure di Laika.
I fusibili F44 e F52 sono entrambi integri ed inoltre ho verificato che vi arriva il 12V una volta che giro la chiave, quindi fa proprio pensare che ci sia una modifica all'impianto originale.
Ci sarebbe da smontare la plancia... Vorrei evitarlo se possibile e trovare il/i fusibile/i che protegge le 2 linee.
L'ultima spiaggia e' portarlo dall'elettrauto, visto che non ho ne' tempo ne' spazio per smontare mezzo camper.
16
falchirossi
falchirossi
22/07/2009 972
Rispondi Abuso
Inserito il 22/11/2021 alle: 11:12:16
In risposta al messaggio di bimox del 22/11/2021 alle 10:34:39

Ieri mio figlio piccolo ha fatto cio' che non doveva fare: mi ha bruciato il fusibile dell'accendisigari e della presa di corrente inserendovi un oggetto metallico. Al di la' di un rimprovero per averlo perso di vista in
uno spazio cosi' piccolo, mi interessa ripristinare la funzionalita' delle 2 prese. Laika Ecovip 8.1 anno 2004. Ho recuperato lo schema elettrico originale dove si vede benissimo che entrambe le prese P050 e P051 sono sottochiave. Bene, nel mio non e' cosi'. Questo mi fa pensare ad una modifica del primo proprietario oppure di Laika. I fusibili F44 e F52 sono entrambi integri ed inoltre ho verificato che vi arriva il 12V una volta che giro la chiave, quindi fa proprio pensare che ci sia una modifica all'impianto originale. Ci sarebbe da smontare la plancia... Vorrei evitarlo se possibile e trovare il/i fusibile/i che protegge le 2 linee. L'ultima spiaggia e' portarlo dall'elettrauto, visto che non ho ne' tempo ne' spazio per smontare mezzo camper.
...
controlla i relè T12 e T01 se ci sono. Ricordo che una modifica che ho fatto io era quello di mettere uno dei 2 relè sotto batteria per avere un 12 Vcc sempre disponibile anche con chiave spenta.
scatola CBA lato guida 
image(3148).png
9
bimox
bimox
12/12/2016 325
Rispondi Abuso
Inserito il 22/11/2021 alle: 11:31:34
In risposta al messaggio di falchirossi del 22/11/2021 alle 11:12:16

controlla i relè T12 e T01 se ci sono. Ricordo che una modifica che ho fatto io era quello di mettere uno dei 2 relè sotto batteria per avere un 12 Vcc sempre disponibile anche con chiave spenta. scatola CBA lato guida 
Grazie, e' una cosa che faro' al piu' presto appena avro' modo di accedere ancora al camper. Ho letto infatti qualcosa sulla modifica...
La cosa strana pero' e' che se giro la chiave, su F44 (mi sembra sul contatto in alto) ho tensione. E' come se avessero spostato le 2 prese sotto un altro fusibile. Il punto e' "dove?".
22
B747
B747
22/08/2003 3262
Rispondi Abuso
Inserito il 22/11/2021 alle: 15:10:32
potrebbe anche aver tirato un cavo dalla BS per averli sempre alimentati (ancor più probabile se anche l'autoradio è collegata alla BS). Potresti cercare un portafusibile post-montato nei pressi della BS e vedere se lo becchi...
Ciao! Gianluca
Hymer Ayers Rock su Ducato 540 140cv
9
bimox
bimox
12/12/2016 325
Rispondi Abuso
Inserito il 23/11/2021 alle: 00:42:09
Trovato!

20211122_225757.jpg
l'immagine e' capovolta...
Il primo proprietario ha tirato un cavo direttamente dalla BM e ha messo un fusibile da 30A.
Non entro nel merito del lavoro e dei motivi.
Bon, ho risolto.
Grazie a tutti.
Normandia in camper: là dove la Natura
Normandia in camper: là dove la Natura
Pasqua in Costa Azzurra
Pasqua in Costa Azzurra
A spasso per la Germania del Nord in cam
A spasso per la Germania del Nord in cam
In camper nel centro Italia: tra sacro e
In camper nel centro Italia: tra sacro e
Le statue di legno di Kivijärvi
Le statue di legno di Kivijärvi
Previous Next
17
masivo
masivo
rating

24/08/2008 15435
Rispondi Abuso
Inserito il 23/11/2021 alle: 13:39:39
In risposta al messaggio di bimox del 22/11/2021 alle 11:31:34

Grazie, e' una cosa che faro' al piu' presto appena avro' modo di accedere ancora al camper. Ho letto infatti qualcosa sulla modifica... La cosa strana pero' e' che se giro la chiave, su F44 (mi sembra sul contatto in alto) ho tensione. E' come se avessero spostato le 2 prese sotto un altro fusibile. Il punto e' dove?.
Se è come dici, hai ripristinato l' impianto originale, prese messe sotto chiave tramite relè, e concordo sulla probabilità che abbiano aggiunto un collegamento con fusibili, ora interrotto con fusibile saltato.

Solitamente il modo più semplice, per tenere sempre attiva una presa sotto chiave della BM, è sostituire il relè con un ponte fisso.
Ivo
9
bimox
bimox
12/12/2016 325
Rispondi Abuso
Inserito il 25/11/2021 alle: 16:37:29
In risposta al messaggio di masivo del 23/11/2021 alle 13:39:39

Se è come dici, hai ripristinato l' impianto originale, prese messe sotto chiave tramite relè, e concordo sulla probabilità che abbiano aggiunto un collegamento con fusibili, ora interrotto con fusibile saltato. Solitamente il modo più semplice, per tenere sempre attiva una presa sotto chiave della BM, è sostituire il relè con un ponte fisso.
No, dicevo che ho tensione sul fusibile, non alla presa.
Se leggi il mio ultimo post, ho trovato il fusibile ed arriva diretto dalla BM.
SostaGruppiCompagniItaliaEsteroMarchiMeccanicaCellulaAccessoriEventiLeggiComportamentiDisabiliIn camper perAltro CamperAltroExtra Attivi
Argomenti recenti dal forum
Accessori
Box fai-da-te per batteria al litio.
Chi non è stato condannato dal destino a mettere la batteria al litio sotto il sedile, può...
Emme48
Oggi alle 08:23
Cellula abitativa
Scheda madre per frigo Dometic RMD 8555 AES
Buongiorno a tutti. Dopo varie prove ho potuto appurare che il malfunzionamento a gas del ...
superbrigaldo
Ieri alle: 23:44
Viaggi all'estero
Vecchio autopass norvegese mai attivato
Buongiorno ho un camper over 35q Anni fa avevo ordinato un autopass norvegese, mai attivat...
Princess Leila
Ieri alle: 21:29
Aree di sosta e campeggi
Vignola e Carpi (MO)
Amici avete dritte sul dove sostare in questi due paesi ? Grazie. ......
fratetoc
Ieri alle: 19:56
Accessori
Victron ( cbs3)
Salve. Ho il regolatore di tensione sul mio camper Victron mppt 150/35. ho montato il para...
Presinal
Ieri alle: 19:34
Altro non sui camper
Dove mangio?
titolo semplice semplice, girando in lungo e in largo tutti voi siete stati soddisfatti di...
marinox
Ieri alle: 17:37
Cellula abitativa
Guarnizione zanzariera/oscurante
Salve a tutti, sul Laika Ecovip 2.1 Classic del 2002, finestre grandi, unione fra zanzarie...
andreapodda
Ieri alle: 16:06
Cellula abitativa
Upgrade lifepo4
Buonasera a tutti, possiedo un Rapido C55i e al momento il camper è così configurato: -Dcd...
Zanna1979
25/04/26 - 22:51
Cellula abitativa
Nuovo acquisto giottilne z600 iveco
Buongiorno a tutti, bellissimo questo forum sui camper. A giorni concludo l'acquisto di un...
Pasca1787
25/04/26 - 18:36
Viaggi all'estero
Istria Ponte Primo Maggio
Ciao a tutti, stiamo pensando di fare 5 giorni in Istria nei primi giorni di maggio, abbia...
ovsp84
25/04/26 - 12:45
Meccanica
Rimappatura Iveco Daily 3gen e fischio turbina
Buongiorno, dopo aver rimappato il mio 35c15 ho notato che in fase di accelerazione ma sol...
323232
25/04/26 - 10:38
Aree di sosta e campeggi
Roma LGP - Zona Verde
Vorrei sapere da qualche camperista romano se e come è possibile accedere all'area camper ...
memmio
25/04/26 - 09:10
168k Facebook
343k Instagram
42,6k TikTok
73,6K Youtube
CamperOnLine - Copyright © 1998-2026 - P.Iva 06953990014
Informativa privacy
Loading...

Accedi

Recupera Password
Nuovo utente

Vuoi eliminare il messaggio?

Sottoscrizione

Anteprima

PREFERENZA

Il messaggio è in fase di inserimento.

loading

CamperOnLine

Buongiorno gentile utente,

da oltre 20 anni Camperonline offre gratuitamente tutti i suoi servizi
grazie agli inserzionisti che ci hanno dato la loro fiducia, permettici di continuare il nostro lavoro disattivando il blocco delle pubblicità.

Grazie della collaborazione.

Azione eseguita con successo

Azione Fallita

Condividi

Condividi questa pagina con:

O copia il link