CamperOnLine
  • Camper
    • Camper usati
    • Camper nuovi
    • Produttori
    • Listino
    • Cataloghi
    • Concessionari e rete vendita
    • Noleggio
    • Van
    • Caravan
    • Fiere
    • Rimessaggi
    • Le prove di CamperOnLine
    • Provati da voi
    • Primo acquisto
    • Area professionisti
  • Accessori
    • Accessori e Prodotti
    • Camping Sport Magenta accessori
    • Produttori
    • Antenne TV
    • Ammortizzatori
    • GPS
    • Pneumatici
    • Rimorchi
    • Provati da Voi
    • Fai da te
  • Viaggi
    • Diari di viaggi in camper
    • Eventi
    • Foto
    • Check list
    • Traghetti
    • Trasporti
  • Sosta
    • Cerca Strutture
    • Sosta
    • Aree sosta camper
    • Campeggi
    • Agriturismi con sosta camper
    • App Camperonline App
    • 10 Consigli utili per la sosta
    • Area strutture
  • Forum
    • Tutti i Forum
    • Sosta
    • Gruppi
    • Compagni
    • Italia
    • Estero
    • Marchi
    • Meccanica
    • Cellula
    • Accessori
    • Eventi
    • Leggi
    • Comportamenti
    • Disabili
    • In camper per
    • Altro Camper
    • Altro
    • Extra
    • FAQ
    • Regolamento
    • Attivi
    • Preferiti
    • Cerca
  • Community
    • COL
    • CamperOnFest
    • Convenzioni Convenzioni
    • Amici
    • Furti
    • Informativa Privacy
    • Lavoro
  • COL
    • News
    • Newsletter
    • Pubblicità
    • Contatto
    • Ora
    • RSS RSS
    • Video
    • Facebook
    • Instagram
  • Magazine
  • Italiano
    • Bienvenue
    • Welcome
    • Willkommen
  • Accedi
CamperOnLine
Camping Sport Magenta
  1. Forum
  2. Tecnica
  3. Meccanica
Galleria

Accendisigari e ventilatore KO, Ducato 244:Risolto

Rispondi
Cerca
SostaGruppiCompagniItaliaEsteroMarchiMeccanicaCellulaAccessoriEventiLeggiComportamentiDisabiliIn camper perAltro CamperAltroExtra Attivi
1 20 11
andrix1988
andrix1988
19/08/2021 25
Rispondi Abuso
Inserito il 31/05/2025 alle: 17:58:44
Buongiorno a tutti,
sul nostro camper Adria del 2004, motorizzato Ducato 244, abbiamo montato un'autoradio 2 din.

Tutto bene per due settimane.

Poi abbiamo deciso di montare la telecamera retromarcia, abbiamo quindi:
- passato i cavi telecamera dalla sede autoradio al posteriore,
- collegato alimentazione telecamera alla luce retromarcia.

Improvvisamente hanno smesso di funzionare i seguenti dispositivi:
- accendisigari posti sul cruscotto (sia quello a bassa potenza che quello da 180W),
- ventilatore, non funziona à nessuna velocità, e quindi non funziona il climatizzatore.
- inoltre anche la luce della retromarcia ha smesso di funzionare, ipotizzo si sia bruciato il bulbo montato sul cambio.

Ho ricontrollato due volte tutti i fusibili, e anche i connettori nell'ipotesi che si fosse allentato qualcosa. Ma nulla.

Qualcuno ha un suggerimento su cosa potrebbe essere?

Nota da non trascurare: il camper l'ho acquistato da poco. Nel mentre che andavo a prendere l'alimentazione della telecamera dalla luce retromarcia mi sono accorto che c'era un cablaggio strano: la luce retromarcia si accendeva insieme a un'altra luce. Credo che il bulbo si sia bruciato proprio per questo doppio assorbimento e che non sia collegato agli altri due problemi (accendisigari e ventilatore/climatizzatore).


Grazie molte
Andrea

EDIT PER I POSTERI: problema risolto, era il fusibile F31 = commutatore accensione  bruciato. Tiene sotto di lui, tra gli altri, i relè che gestiscono:
- accendisigari
- ventilatore
- climatizzatore
- luce retromarcia.

Strano che tutto il resto funzionasse bene tanto da permettere di fare un viaggio di 700km senza problemi...
Problema risolto grazie al solido approccio di Laikone e al manuale officina eLearn ufficiale dal quale ho ricavato gli schemi elettrici (contattatemi per info) 
22
Laikone
Laikone
rating

31/03/2004 19681
Rispondi Abuso
Inserito il 31/05/2025 alle: 18:46:25
In risposta al messaggio di andrix1988 del 31/05/2025 alle 17:58:44

Buongiorno a tutti, sul nostro camper Adria del 2004, motorizzato Ducato 244, abbiamo montato un'autoradio 2 din. Tutto bene per due settimane. Poi abbiamo deciso di montare la telecamera retromarcia, abbiamo quindi:
- passato i cavi telecamera dalla sede autoradio al posteriore, - collegato alimentazione telecamera alla luce retromarcia. Improvvisamente hanno smesso di funzionare i seguenti dispositivi: - accendisigari posti sul cruscotto (sia quello a bassa potenza che quello da 180W), - ventilatore, non funziona à nessuna velocità, e quindi non funziona il climatizzatore. - inoltre anche la luce della retromarcia ha smesso di funzionare, ipotizzo si sia bruciato il bulbo montato sul cambio. Ho ricontrollato due volte tutti i fusibili, e anche i connettori nell'ipotesi che si fosse allentato qualcosa. Ma nulla. Qualcuno ha un suggerimento su cosa potrebbe essere? Nota da non trascurare: il camper l'ho acquistato da poco. Nel mentre che andavo a prendere l'alimentazione della telecamera dalla luce retromarcia mi sono accorto che c'era un cablaggio strano: la luce retromarcia si accendeva insieme a un'altra luce. Credo che il bulbo si sia bruciato proprio per questo doppio assorbimento e che non sia collegato agli altri due problemi (accendisigari e ventilatore/climatizzatore). Grazie molte Andrea EDIT PER I POSTERI: problema risolto, era il fusibile F31 = commutatore accensione  bruciato. Tiene sotto di lui, tra gli altri, i relè che gestiscono: - accendisigari - ventilatore - climatizzatore - luce retromarcia. Strano che tutto il resto funzionasse bene tanto da permettere di fare un viaggio di 700km senza problemi... Problema risolto grazie al solido approccio di Laikone e al manuale officina eLearn ufficiale dal quale ho ricavato gli schemi elettrici (contattatemi per info) 
...
gli accessori che smettono di funzionare possono smettere di farlo per due motivi principalmente:

1) non arriva il positivo... e se hai veramente controllato tutti i fusibili con il tester e non a occhio non dovrebbe essere questo il problema...

2) non arriva il negativo...

Bisogna che ti armi di tester e fai qualche controllo sia sui positivi che sui negativi.

PS: non so l'assorbimento che hai caricato sulla retro, ma a meno di avere esagerato non credo possano essere 2 lampadine e 1 telecamera a far fondere gli accessori di servizio...
L'iperlessia e l'analfabetismo funzionale sono una piaga sociale

Modificato da Laikone il 31/05/2025 alle 18:47:18
16
impiegatodelvolante
impiegatodel...
rating

14/01/2010 30191
Rispondi Abuso
Inserito il 31/05/2025 alle: 22:28:33
In risposta al messaggio di andrix1988 del 31/05/2025 alle 17:58:44

Buongiorno a tutti, sul nostro camper Adria del 2004, motorizzato Ducato 244, abbiamo montato un'autoradio 2 din. Tutto bene per due settimane. Poi abbiamo deciso di montare la telecamera retromarcia, abbiamo quindi:
- passato i cavi telecamera dalla sede autoradio al posteriore, - collegato alimentazione telecamera alla luce retromarcia. Improvvisamente hanno smesso di funzionare i seguenti dispositivi: - accendisigari posti sul cruscotto (sia quello a bassa potenza che quello da 180W), - ventilatore, non funziona à nessuna velocità, e quindi non funziona il climatizzatore. - inoltre anche la luce della retromarcia ha smesso di funzionare, ipotizzo si sia bruciato il bulbo montato sul cambio. Ho ricontrollato due volte tutti i fusibili, e anche i connettori nell'ipotesi che si fosse allentato qualcosa. Ma nulla. Qualcuno ha un suggerimento su cosa potrebbe essere? Nota da non trascurare: il camper l'ho acquistato da poco. Nel mentre che andavo a prendere l'alimentazione della telecamera dalla luce retromarcia mi sono accorto che c'era un cablaggio strano: la luce retromarcia si accendeva insieme a un'altra luce. Credo che il bulbo si sia bruciato proprio per questo doppio assorbimento e che non sia collegato agli altri due problemi (accendisigari e ventilatore/climatizzatore). Grazie molte Andrea EDIT PER I POSTERI: problema risolto, era il fusibile F31 = commutatore accensione  bruciato. Tiene sotto di lui, tra gli altri, i relè che gestiscono: - accendisigari - ventilatore - climatizzatore - luce retromarcia. Strano che tutto il resto funzionasse bene tanto da permettere di fare un viaggio di 700km senza problemi... Problema risolto grazie al solido approccio di Laikone e al manuale officina eLearn ufficiale dal quale ho ricavato gli schemi elettrici (contattatemi per info) 
...
Hai toccato qualcosa che ha causato il problema , vai a ritroso di quelle che hai fatto e magari capisci dove sta l'inghippo
Altrimenti vai da un bravo elettrauto
Solo tu puoi sapere cosa hai combinato
Se non vano alcune funzioni, o manca corrente o si sono rotti
Silvio
andrix1988
andrix1988
19/08/2021 25
Rispondi Abuso
Inserito il 01/06/2025 alle: 15:50:03
In risposta al messaggio di Laikone del 31/05/2025 alle 18:46:25

gli accessori che smettono di funzionare possono smettere di farlo per due motivi principalmente: 1) non arriva il positivo... e se hai veramente controllato tutti i fusibili con il tester e non a occhio non dovrebbe essere
questo il problema... 2) non arriva il negativo... Bisogna che ti armi di tester e fai qualche controllo sia sui positivi che sui negativi. PS: non so l'assorbimento che hai caricato sulla retro, ma a meno di avere esagerato non credo possano essere 2 lampadine e 1 telecamera a far fondere gli accessori di servizio...
...
grazie a tutti per gli input.

Buona idea, cerco di capire se manca l'alimentazione o il negativo.

Qualcuno è così gentile da condividere gli schemi?

Grazie e buona domenica

Modificato da andrix1988 il 01/06/2025 alle 15:50:51
22
Laikone
Laikone
rating

31/03/2004 19681
Rispondi Abuso
Inserito il 01/06/2025 alle: 22:22:50
In risposta al messaggio di andrix1988 del 01/06/2025 alle 15:50:03

grazie a tutti per gli input. Buona idea, cerco di capire se manca l'alimentazione o il negativo. Qualcuno è così gentile da condividere gli schemi? Grazie e buona domenica
mi spiace ma io non li ho...
L'iperlessia e l'analfabetismo funzionale sono una piaga sociale
Napoli & Caserta in camper
Napoli & Caserta in camper
Natale 2025 in centro Italia
Natale 2025 in centro Italia
Asturia, Cantabria e Paesi Baschi in cam
Asturia, Cantabria e Paesi Baschi in cam
Sala Silvergruva, la miniera d'argento
Sala Silvergruva, la miniera d'argento
Folgaria d’inverno in camper
Folgaria d’inverno in camper
Previous Next
andrix1988
andrix1988
19/08/2021 25
Rispondi Abuso
Inserito il 02/06/2025 alle: 19:36:40
In risposta al messaggio di Laikone del 31/05/2025 alle 18:46:25

gli accessori che smettono di funzionare possono smettere di farlo per due motivi principalmente: 1) non arriva il positivo... e se hai veramente controllato tutti i fusibili con il tester e non a occhio non dovrebbe essere
questo il problema... 2) non arriva il negativo... Bisogna che ti armi di tester e fai qualche controllo sia sui positivi che sui negativi. PS: non so l'assorbimento che hai caricato sulla retro, ma a meno di avere esagerato non credo possano essere 2 lampadine e 1 telecamera a far fondere gli accessori di servizio...
...
Abbiamo controllato, partendo dall'accendisigari che dovrebbe avere un circuito più semplice...

Al fusibile sulla plancia non arrivano i 12 V.

Sto cercando gli schemi per capire cosa porta a quel fusibile (relay, connettori, ecc).

Ciao e buona giornata
22
Laikone
Laikone
rating

31/03/2004 19681
Rispondi Abuso
Inserito il 02/06/2025 alle: 22:23:34
In risposta al messaggio di andrix1988 del 02/06/2025 alle 19:36:40

Abbiamo controllato, partendo dall'accendisigari che dovrebbe avere un circuito più semplice... Al fusibile sulla plancia non arrivano i 12 V. Sto cercando gli schemi per capire cosa porta a quel fusibile (relay, connettori, ecc). Ciao e buona giornata
non arriva il POSITIVO o il NEGATIVO?
L'iperlessia e l'analfabetismo funzionale sono una piaga sociale
andrix1988
andrix1988
19/08/2021 25
Rispondi Abuso
Inserito il 02/06/2025 alle: 22:30:41
In risposta al messaggio di Laikone del 02/06/2025 alle 22:23:34

non arriva il POSITIVO o il NEGATIVO?
Non arriva i positivo.
Ho fatto un passo qualche passo in piu. Ho visto che al relè a monte del fusibile arriva il POSITIVO, quindi è lui che non viene alimentato (NDR: l'ho testato e funziona).

Stasera ho anche trovato gli schemi...se dovessero servire a chi leggerà il posto, fate un fischio :)

Ora manca da verificare l'alimentazione del rele T12, ma con gli schemi in mano torna tutto piu semplice.

Grazie e buona serata
image(7229).png

image(7230).png

Modificato da andrix1988 il 02/06/2025 alle 22:31:55
andrix1988
andrix1988
19/08/2021 25
Rispondi Abuso
Inserito il 02/06/2025 alle: 23:23:26
In risposta al messaggio di andrix1988 del 02/06/2025 alle 22:30:41

Non arriva i positivo. Ho fatto un passo qualche passo in piu. Ho visto che al relè a monte del fusibile arriva il POSITIVO, quindi è lui che non viene alimentato (NDR: l'ho testato e funziona). Stasera ho anche trovato
gli schemi...se dovessero servire a chi leggerà il posto, fate un fischio :) Ora manca da verificare l'alimentazione del rele T12, ma con gli schemi in mano torna tutto piu semplice. Grazie e buona serata
...
Risolto... mi ero perso in un bicchiere d'acqua, e diciamo che FIAT non mi ha aiutato.

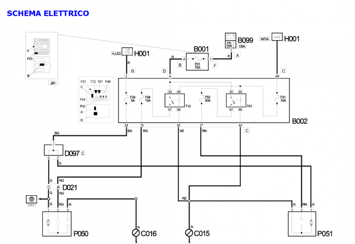
Era il fusibile F31 = denominato a libretto "COMMUTATORE ACCENSIONE"

E,contro ogni thread trovato su internet, rettifico quanto scritto prima, la luce retromarcia è proprio sotto questo fusibile F31...  insieme ai fusibili del relè accendisigari, rele climatizzatore e relè ventilatore.

Effettivamente, non è che uno lascia in parcheggio la macchina con la retro e la luce rimane accesa... potevo arrivarci ...

Grazie LAIKONE per il supporto e le indicazioni nell'usare un approccio solido senza andare a caso. Grazie anche a google che mi ha portato a scaricare l'eLearn.

Per i posteri: SCHEMA ELETTRICO IMPIANTO LUCE RETROMARCIA

image(7231).png
22
PDR
PDR
01/12/2003 6125
Rispondi Abuso
Inserito il 03/06/2025 alle: 09:33:29
grazie per aver condiviso la soluzione; magari puoi cambiare titolo al topic mettendo alla fine del titolo attuale la parola RISOLTO
Paolo DR
22
Laikone
Laikone
rating

31/03/2004 19681
Rispondi Abuso
Inserito il 03/06/2025 alle: 10:53:49
In risposta al messaggio di andrix1988 del 02/06/2025 alle 23:23:26

Risolto... mi ero perso in un bicchiere d'acqua, e diciamo che FIAT non mi ha aiutato. Era il fusibile F31 = denominato a libretto COMMUTATORE ACCENSIONE E,contro ogni thread trovato su internet, rettifico quanto scritto
prima, la luce retromarcia è proprio sotto questo fusibile F31...  insieme ai fusibili del relè accendisigari, rele climatizzatore e relè ventilatore. Effettivamente, non è che uno lascia in parcheggio la macchina con la retro e la luce rimane accesa... potevo arrivarci ... Grazie LAIKONE per il supporto e le indicazioni nell'usare un approccio solido senza andare a caso. Grazie anche a google che mi ha portato a scaricare l'eLearn. Per i posteri: SCHEMA ELETTRICO IMPIANTO LUCE RETROMARCIA
...
nessun bisogno di ringraziare, l'importante è tu abbia risolto...

peeeeeròòòòò laugh

era un fusibile... la prima cosa da controllare.

PS: in ambito automotive è difficilissimo che un fusibile alimenti solo un'utenza singola quando si parla di accessori di secondo piano...
L'iperlessia e l'analfabetismo funzionale sono una piaga sociale
andrix1988
andrix1988
19/08/2021 25
Rispondi Abuso
Inserito il 03/06/2025 alle: 14:32:39
In risposta al messaggio di Laikone del 03/06/2025 alle 10:53:49

nessun bisogno di ringraziare, l'importante è tu abbia risolto... peeeeeròòòòò  era un fusibile... la prima cosa da controllare. PS: in ambito automotive è difficilissimo che un fusibile alimenti solo un'utenza singola quando si parla di accessori di secondo piano...
Eh si...Direi che le ore spese (buttate) me le sono meritate visto che era una cavolata!
SostaGruppiCompagniItaliaEsteroMarchiMeccanicaCellulaAccessoriEventiLeggiComportamentiDisabiliIn camper perAltro CamperAltroExtra Attivi
Argomenti recenti dal forum
Viaggi all'estero
Multa in Slovenia - attenti a dove la fate ...
Salve a tutti, riporto qui questo episodio che mi è capitato giovedì mattina in Slovenia, ...
girellik
Ieri alle: 20:51
Cellula abitativa
1 pannello 2 regolatori 1 batteria
Si può fare montando i regolatori in parallelo? ......
ligurt
Ieri alle: 20:28
Viaggi in Italia
Sosta bergamo
Ciao mi consigliate una sosta a Bergamo? L'ideale sarebbe un parcheggio o area sosta con b...
gianninotopo
Ieri alle: 20:17
Aree di sosta e campeggi
Campeggio o AA per settimana di giugno
Buongiorno a tutti. Chiedo consigli per un campeggio senza troppe pretese o un area attre...
Omar73
Ieri alle: 18:08
Altro sui camper
Grande indecisione su nuovo mezzo ...
Buongiorno a tutti, chiedo l'aiuto di chi abbia avuto lo stesso dilemma. Sto considerando ...
franci700
Ieri alle: 17:32
Cellula abitativa
Problema con letto basculante elettrico
Buongiorno, ho il letto basculante della dinette lippert con i comandi come da foto, no ch...
Davy
Ieri alle: 12:09
Accessori
Problema stufa Trauma C 6002 - cambio miscelatore
Buongiorno a tutti, premetto: mi trovo in area di sosta giusto nel weekend di Pasqua e son...
Bubetto20
Ieri alle: 10:17
Altro non sui camper
Auguri di Buona Pasqua!
Lo Staff e il Team di Moderazione di Camperonline.it augurano Buona Pasqua e felici viaggi...
Team di Mode...
Ieri alle: 09:28
Altro non sui camper
La connessione non è privata Gli attaccanti potre
mi appare : La connessione non è privata Gli attaccanti potrebbero provare a impossessar...
salito
Ieri alle: 08:31
Accessori
Victron Orion TR CC CC Smart
Ciao a tutti sono nuovo scusate eventuali errori. SITUAZIONE BM al piombo 100Ah BS al lit...
danbag
Ieri alle: 08:29
Marchi
Laika ecovip 3l doppio serbatoio acqua comunicante
Buonasera a tutti, sono un nuovo camperista e da poco ho acquistato un laika ecovip 3 l de...
Alex86rm
Ieri alle: 00:05
Cellula abitativa
Mobilvetta Driver 60g - pareti cellula?
Buongiorno a tutti, domani vado a vedere un mobilvetta top driver 60g del 2001 apparenteme...
madman82
03/04/26 - 19:14
167k Facebook
343k Instagram
42,6k TikTok
73,3k Youtube
CamperOnLine - Copyright © 1998-2026 - P.Iva 06953990014
Informativa privacy
Loading...

Accedi

Recupera Password
Nuovo utente

Vuoi eliminare il messaggio?

Sottoscrizione

Anteprima

PREFERENZA

Il messaggio è in fase di inserimento.

loading

CamperOnLine

Buongiorno gentile utente,

da oltre 20 anni Camperonline offre gratuitamente tutti i suoi servizi
grazie agli inserzionisti che ci hanno dato la loro fiducia, permettici di continuare il nostro lavoro disattivando il blocco delle pubblicità.

Grazie della collaborazione.

Azione eseguita con successo

Azione Fallita

Condividi

Condividi questa pagina con:

O copia il link