In risposta al messaggio di galletto del 05/04/2022 alle 19:21:00Ciao, hai provato controllare il fusibile F2 sulla centralina?
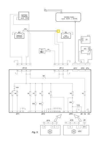
Ciao a tutti e complimenti per l'ottimo Forum. Espongo il mio Problema, ho un impianto litio su camper Roller Team Pegaso del 2009 3.0 160 cv con centralina Nordelettronica NE185, alternatore standard e DC DC Victron da 30A .Collegato come da manuale la BM con il DCDC Victron e da qui alla BS al Litio, è stata staccata la centralina dalla BM. Quando accendo il camper il Frigorifero non và (spia Rossa) e in più non si vede l'indicazione dei Volt della BM sul Pannello Comandi. Credo che non sia stato interrotto il Rele Parallelatore e da quanto ho cercato di capire leggendo molti forum ogni centralina ha il suo metodo. Dunque chiedo: nel manuale c'è scritto il relè frigo permette di alimentare a 12V il frigo trivalente sempre quando il motore è in moto. - Se si usa un sistema di ricarica esterna togliere il ponticello J5 - nella pagina successiva nella leggenda alla voce J5 dice ABILITAZIONE RELE' ACCOPPIATORE Togliendo il ponticello il derivatore non accoppia più le batterie con il motore in moto. Cosa andava fatto? Lasciato il collegamento tra la batteria motore la centralina (che serve per far andare il friigorifero) e tolto il ponticello J5 (per interrompere la funzione del relè parallelatore? Grazie e spero di ricevere presto risposta perchè a giorni devo partire in vacanza...
In risposta al messaggio di galletto del 05/04/2022 alle 19:21:00Anche se il mio Roller Team ha un derivatore NE diverso, io credo che la BM non debba essere scollegata dallo stesso.
Ciao a tutti e complimenti per l'ottimo Forum. Espongo il mio Problema, ho un impianto litio su camper Roller Team Pegaso del 2009 3.0 160 cv con centralina Nordelettronica NE185, alternatore standard e DC DC Victron da 30A .Collegato come da manuale la BM con il DCDC Victron e da qui alla BS al Litio, è stata staccata la centralina dalla BM. Quando accendo il camper il Frigorifero non và (spia Rossa) e in più non si vede l'indicazione dei Volt della BM sul Pannello Comandi. Credo che non sia stato interrotto il Rele Parallelatore e da quanto ho cercato di capire leggendo molti forum ogni centralina ha il suo metodo. Dunque chiedo: nel manuale c'è scritto il relè frigo permette di alimentare a 12V il frigo trivalente sempre quando il motore è in moto. - Se si usa un sistema di ricarica esterna togliere il ponticello J5 - nella pagina successiva nella leggenda alla voce J5 dice ABILITAZIONE RELE' ACCOPPIATORE Togliendo il ponticello il derivatore non accoppia più le batterie con il motore in moto. Cosa andava fatto? Lasciato il collegamento tra la batteria motore la centralina (che serve per far andare il friigorifero) e tolto il ponticello J5 (per interrompere la funzione del relè parallelatore? Grazie e spero di ricevere presto risposta perchè a giorni devo partire in vacanza...
Altre foto del Manuale In risposta al messaggio di galletto del 06/04/2022 alle 08:04:30ecco... questo è un altro problema che sfugge a chi non è informato.
Attualmente la corrente 230v che alimenta il caricabatterie originale Nordelettronica da 20A (non idoneo alle Litio) carica direttamente la BM e il DC DC sente la Tensione e carica la Litio a 15A.
In risposta al messaggio di galletto del 08/04/2022 alle 13:28:56contento che hai risolto, però è più un quesito da "accessori" e non "meccanica"
Ringrazio tutti per i suggerimenti dati. Stamattina è stato ripristinato il collegamento BM con la centralina e quindi il frigorifero adesso va quando sono in moto. E' stato interrotto il Relè Parallelatore con un metodoche non avevo mai letto sui vari forum consultati. Lo espongo per futuri camperisti che hanno la stessa scheda la NE185T, il tecnico ha semplicemente aperto il Rele Parallelatore sollevandolo con la lama di un taglierino/Cacciavite di taglio, il cubotto nero è ad incastro (no termosaldato come pensavo) e poi ha inserito tra i contatti un pezzetto di platica fissato con colla tipo Attack. Richiuso e come dicevo funziona e spero di non riscontrare alcun inconveniente in futuro.
In risposta al messaggio di gduca del 06/04/2022 alle 22:26:14Concordo sull'analisi che fai, ho notato anch'io che sull'argomento Litio c'è ancora poca conoscenza anche da parte degli Operatori del settore. Per quanto concerne l'uso dei 2 Victron DC DC al momento conto di tenerli staccati, attraverso il relè riarmabile posizionato sul positivo all'ingresso dei DC DC, e di azionarli ogni qualvolta la batteria si scarica sotto una certa soglia 30 o 20% e riportare la carica attorno all'80%, cosi da non tenere sempre la batteria troppo carica.
ecco... questo è un altro problema che sfugge a chi non è informato. Provo a rimettere ordine. 1) la batteria motore deve essere correttamente collegata alla centralina al connettore j1 2) solo dopo esserti accertato diquesto, verifica che con motore acceso e batteria servizi staccata, funzionino tutte le utenze, frigo compreso. 2) nella mia NE196, se si mette il jumper sul piedino JP19 il relè parallelatore viene inibito per permettere il collegamento del DC-DC ma il frigo deve funzionare. 3) premesso che con la batteria Litio raramente sentirai la necessità di ricaricare alla colonnina 220, in caso di necessità la curva GEL del CB a 220V originale della Nordelettronica è molto prudente per la Litio e non la rovina, ergo io non ho sentito la necessità di sostituire il CB- Comunque anche questo è un lungo discorso che non voglio approfondire ora per non mettere troppa carne al fuoco e crere confusione; 4) Installare un DC-DC che si auto innesca con la tensione dell'alternatore anzichè con il segnale D+ per noi camperisti non va bene e ti spiego brevemente il perchè con un semplice esempio. Ipotizza di avere la batteria motore scarica. Colleghi un C.B. esterno... tipo quelli della LIDL... da 10A o meno. Ok? Come colleghi le pinze la tensione della batteria si alza e questo comportamento viene interpretato dal DC-DC come se avessi motore in moto con alternatore che carica. Tu immetti 8/10A a monte ma il DC-DC a valle ne preleva 30 o 40 (a seconda del taglio del tuo DC-DC) da riversare sulla batteria Litio. Nel breve fai sedere la batteria motore. Discorso similare con il CB 220 del camper, nel caso in cui (come accade con NORDELETTRONICA), il CB 220 va a ricaricare anche la batteria del motore. Le cose stanno così, non ci sono scorciatoie. Se poi ci si arrampica a chiedere pareri in giro nella speranza di sentirsi dire quello che uno vorrebbe... beh... no comment. Se l'impianto è stato fatto in un'officina non è scontato che abbiano fatto le cose giuste, anche perchè c'è davvero ancora tanta confusione negli installatori abituati al compitino. Di questo ne ho avuto ampia riprova quando ho cominciato a girare... chiedere..., informarmi, ricevendo risposte disarmanti. Alla fine, sperimentando a mie spese e battendoci la testa, sono arrivato a trovare la quadra e meno male che non ho lasciato fare gli apprendisti stregoni. Qualcuno che si sbatte per fortuna c'è. I più per non avere rogne ripiegano sul sistema 3Link della NDS che però, a mio giudizio è costoso e contorto. Semplifica semplicemente la vita agli installatori. Sul come risolvere le varie problematiche con la centralina NORDELETTRONICA NE196 se ne è parlato a lungo e dovresti avere un pò di pazienza di andare a rileggere perchè lungo da riscrivere. La tua è il modello successivo ma il principio di funzionamento è identico. Io con un pizzico di presunzione credo di aver trovato una soluzione di una praticità estrema mantenendo un sistema misto Litio con una piccolissima AGM di appoggio da commutare a seconda della circostanza (campeggio, massimo irragiamento solare, scarico pre-rimessaggio ecc...).
In risposta al messaggio di galletto del 05/04/2022 alle 21:34:11Buonasera, ho anche io il vostro stesso problema avendo installato una litio, io ho effettuato la modifica come da schema togliendo il collegamento con la batteria motore e collegandola con la batteria servizi, sembrerebbe funzionare tutto bene eccetto l'indicatore batteria motorew sul pannello che in realtà segna la tensione della batteria servizi. Poco male tanto le tensioni sono tutte sulla schermata del dcdc. Secondo voi può andare o potrebbero esserci ulteriori problematiche? C'è modo di contattare Nordelettronica per chiedere un loro parere?
Foto 2 Manuale
In risposta al messaggio di galletto del 05/04/2022 alle 19:21:00Facile facile... io messo un diodo tra l'ingresso della litio sulla centralina che guarda verso l'ingresso della BM. La centralina ora dice che è carica anche la BM e non lampeggia più il led. Inoltre il D+ che alimenta il frigo arriva ora correttamente.
Ciao a tutti e complimenti per l'ottimo Forum. Espongo il mio Problema, ho un impianto litio su camper Roller Team Pegaso del 2009 3.0 160 cv con centralina Nordelettronica NE185, alternatore standard e DC DC Victron da 30A .Collegato come da manuale la BM con il DCDC Victron e da qui alla BS al Litio, è stata staccata la centralina dalla BM. Quando accendo il camper il Frigorifero non và (spia Rossa) e in più non si vede l'indicazione dei Volt della BM sul Pannello Comandi. Credo che non sia stato interrotto il Rele Parallelatore e da quanto ho cercato di capire leggendo molti forum ogni centralina ha il suo metodo. Dunque chiedo: nel manuale c'è scritto il relè frigo permette di alimentare a 12V il frigo trivalente sempre quando il motore è in moto. - Se si usa un sistema di ricarica esterna togliere il ponticello J5 - nella pagina successiva nella leggenda alla voce J5 dice ABILITAZIONE RELE' ACCOPPIATORE Togliendo il ponticello il derivatore non accoppia più le batterie con il motore in moto. Cosa andava fatto? Lasciato il collegamento tra la batteria motore la centralina (che serve per far andare il friigorifero) e tolto il ponticello J5 (per interrompere la funzione del relè parallelatore? Grazie e spero di ricevere presto risposta perchè a giorni devo partire in vacanza...
In risposta al messaggio di gduca del 06/04/2022 alle 22:26:14Salve,sto leggendo un po' di post in merito al passaggio alle lifepo4,anchio sul mio roller zefiro 294 ho installato di serie la centralina ne196 e leggendo il tuo post hai scritto che mettendo il ponte sul jp19 si disabilita il rele' parallelatore:1° sulla mia centralina non esiste il jp19,2°da schema elettrico anche se fosse jp sta' per connettore e non un contatto ponticellabile es. j,3°ho chiamato la nordelettronica la quale mi dice che su tale centralina non esiste modo di disabilitare il rele' parallelatore,forse hai sbagliato a scrive se puoi spiegarti meglio che la cosa mi interessa,avrei pensato di dissaldare il rele' oppure di aprirlo e inserire un isolante tra i contatti,grazie
ecco... questo è un altro problema che sfugge a chi non è informato. Provo a rimettere ordine. 1) la batteria motore deve essere correttamente collegata alla centralina al connettore j1 2) solo dopo esserti accertato diquesto, verifica che con motore acceso e batteria servizi staccata, funzionino tutte le utenze, frigo compreso. 2) nella mia NE196, se si mette il jumper sul piedino JP19 il relè parallelatore viene inibito per permettere il collegamento del DC-DC ma il frigo deve funzionare. 3) premesso che con la batteria Litio raramente sentirai la necessità di ricaricare alla colonnina 220, in caso di necessità la curva GEL del CB a 220V originale della Nordelettronica è molto prudente per la Litio e non la rovina, ergo io non ho sentito la necessità di sostituire il CB- Comunque anche questo è un lungo discorso che non voglio approfondire ora per non mettere troppa carne al fuoco e crere confusione; 4) Installare un DC-DC che si auto innesca con la tensione dell'alternatore anzichè con il segnale D+ per noi camperisti non va bene e ti spiego brevemente il perchè con un semplice esempio. Ipotizza di avere la batteria motore scarica. Colleghi un C.B. esterno... tipo quelli della LIDL... da 10A o meno. Ok? Come colleghi le pinze la tensione della batteria si alza e questo comportamento viene interpretato dal DC-DC come se avessi motore in moto con alternatore che carica. Tu immetti 8/10A a monte ma il DC-DC a valle ne preleva 30 o 40 (a seconda del taglio del tuo DC-DC) da riversare sulla batteria Litio. Nel breve fai sedere la batteria motore. Discorso similare con il CB 220 del camper, nel caso in cui (come accade con NORDELETTRONICA), il CB 220 va a ricaricare anche la batteria del motore. Le cose stanno così, non ci sono scorciatoie. Se poi ci si arrampica a chiedere pareri in giro nella speranza di sentirsi dire quello che uno vorrebbe... beh... no comment. Se l'impianto è stato fatto in un'officina non è scontato che abbiano fatto le cose giuste, anche perchè c'è davvero ancora tanta confusione negli installatori abituati al compitino. Di questo ne ho avuto ampia riprova quando ho cominciato a girare... chiedere..., informarmi, ricevendo risposte disarmanti. Alla fine, sperimentando a mie spese e battendoci la testa, sono arrivato a trovare la quadra e meno male che non ho lasciato fare gli apprendisti stregoni. Qualcuno che si sbatte per fortuna c'è. I più per non avere rogne ripiegano sul sistema 3Link della NDS che però, a mio giudizio è costoso e contorto. Semplifica semplicemente la vita agli installatori. Sul come risolvere le varie problematiche con la centralina NORDELETTRONICA NE196 se ne è parlato a lungo e dovresti avere un pò di pazienza di andare a rileggere perchè lungo da riscrivere. La tua è il modello successivo ma il principio di funzionamento è identico. Io con un pizzico di presunzione credo di aver trovato una soluzione di una praticità estrema mantenendo un sistema misto Litio con una piccolissima AGM di appoggio da commutare a seconda della circostanza (campeggio, massimo irragiamento solare, scarico pre-rimessaggio ecc...).
In risposta al messaggio di brborl del 12/05/2023 alle 11:10:24Non hai risolto nessun arcano. La sigla rimane sempre la stessa ossia NE196. L'ultima lettera è la personalizzazione che Nordelettronica fa per ogni singolo costruttore. NE196A è per il gruppo Arca, NE196S è per il gruppo SEA (io possiedo un Mobilvetta) e deduco la tua lettera R sia per Roller Team. Di centraline modello NE196, a parte le personalizzazioni per le varie case costruttrici, ne sono uscite due versioni e questo lo si capisce dall'adesivo posto sul relè della scheda. La mia scheda modificata da Nordelettronica riporta la sigla 1551.196.01 R.3 mentre in quella originale non modificata i due ultimi caratteri sono R.2. La NE196 intorno al 2020 è quindi uscita di produzione per far posto al nuovo modello di fattezze e sigla diversi, nate appunto dopo il diffondersi degli alternatori Smart sui mezzi Euro 6.
Salve,sto leggendo un po' di post in merito al passaggio alle lifepo4,anchio sul mio roller zefiro 294 ho installato di serie la centralina ne196 e leggendo il tuo post hai scritto che mettendo il ponte sul jp19 si disabilitail rele' parallelatore:1° sulla mia centralina non esiste il jp19,2°da schema elettrico anche se fosse jp sta' per connettore e non un contatto ponticellabile es. j,3°ho chiamato la nordelettronica la quale mi dice che su tale centralina non esiste modo di disabilitare il rele' parallelatore,forse hai sbagliato a scrive se puoi spiegarti meglio che la cosa mi interessa,avrei pensato di dissaldare il rele' oppure di aprirlo e inserire un isolante tra i contatti,grazie p.s arcano risolto la mia e' una NE196-R la tua da quello che vedo e' una NE196-S con optional esclusione rele' parallelatore tramite CONNETTORE JP19
In risposta al messaggio di gduca del 13/05/2023 alle 13:37:13Ho risolto lo stesso problema su una NE 185 FV del 2018 tagliando con un cutter affilato il coperchio del relè, inserendo fra i contatti caldi una linguetta di plastica di 2mm impedendo il contatto e l'oscillazione del relè quando sollecitato dalla elettrocalamita.
Non hai risolto nessun arcano. La sigla rimane sempre la stessa ossia NE196. L'ultima lettera è la personalizzazione che Nordelettronica fa per ogni singolo costruttore. NE196A è per il gruppo Arca, NE196S è peril gruppo SEA (io possiedo un Mobilvetta) e deduco la tua lettera R sia per Roller Team. Di centraline modello NE196, a parte le personalizzazioni per le varie case costruttrici, ne sono uscite due versioni e questo lo si capisce dall'adesivo posto sul relè della scheda. La mia scheda modificata da Nordelettronica riporta la sigla 1551.196.01 R.3 mentre in quella originale non modificata i due ultimi caratteri sono R.2. La NE196 intorno al 2020 è quindi uscita di produzione per far posto al nuovo modello di fattezze e sigla diversi, nate appunto dopo il diffondersi degli alternatori Smart sui mezzi Euro 6. Quando ho avuto in mano le due schede, e le ho potute confrontare, ho subito capito che era possibile una modifica faidate, per certi versi anche migliore di quella di Nordelettronica (ho già pubblicato le foto). Si tratta di tagliare con un cutter la pista della bobina del relè, aggiungendo (se lo si vuole) un interruttore che rimetta in contatto i due estremi della pista interrotta, facendo ritornare tutto al funzionamento originale in caso di bisogno. Perchè la modifica del taglio pista sarebbe, a mio giudizio, migliore della versione modificata da Nordelettronica? La modifica Nordelettronica è sostanzialmente una modifica software ed agisce sulla logica che fa innescare il relè parallelatore, evitando che esso si inneschi quando è in funzione l'alternatore. Il problema è che (per qualche motivo a me non noto) nella filosofia di riprogrammazione Nordelettronica, lo stesso relè riprende a funzionare quando il camper è collegato alla colonnina 220 e così la batteria dei servizi al Litio e quella motore al piombo si ritrovano ad essere in collegamento tra loro. Questo è sbagliatissimo. Per coloro che si ritrovano a bordo la scheda Nordelettronica, modificata col jumper 19, la soluzione ci sarebbe, escludendo il filo line in uscita dal caricabatterie. Così però si perde la spia presenza 220 sul pannello. Altra modifica di cui ho avuto notizia attraverso il forum (e che quindi non ho verificato di persona) è quella di rimuovere il coperchio del relè (se ne parla qualche riga sopra) e porre fisicamente un coriandolo di materiale isolante sui contatti dello scambio relè, per evitare che le lamelle si tocchino e lascino passare la corrente. Ottima e veloce soluzione che prenderei in considerazione, però non consente un eventuale e veloce ripristino come con l'interruttore.

In risposta al messaggio di max netw del 06/05/2023 alle 08:38:39a me hanno risposto che non è possibile fare l'upgrade litio per via della presenza della fusibiliera NE256 che NON ha la funzione per disabilitare il relè parallelatore
Facile facile... io messo un diodo tra l'ingresso della litio sulla centralina che guarda verso l'ingresso della BM. La centralina ora dice che è carica anche la BM e non lampeggia più il led. Inoltre il D+ che alimenta il frigo arriva ora correttamente.
In risposta al messaggio di Guerriero del 18/01/2025 alle 12:22:45È stato spiegato come intervenire nelle varie centraline NE, tuttavia si può sempre non toccarle e mettere un dispositivo che permette di far fluire la corrente solo dalla BS verso la centralina, anche un semplice diodo può ovviare a ciò.
a me hanno risposto che non è possibile fare l'upgrade litio per via della presenza della fusibiliera NE256 che NON ha la funzione per disabilitare il relè parallelatore