
In risposta al messaggio di FedeMK3 del 10/07/2025 alle 19:55:25Ci dovrebbe essere un fermo a mo' di forcella che la tiene ferma in posizione,.basta toglierla e poi girare per fare uscire l'asta dal foro
Ciao a tutti, l altro giorno mi sono entrati in furgone e mi hanno rotto il cilindretto chiave dello sportello anteriore lato passeggero. Ho un ford transit furgonato MK3 del 1990. Qualcuno sa spiegarmi il procedimento di come sostituire il cilindro? Magari in caso ci sia qualche accuratezza che non conosco. Grazie, metto foto del pezzo nuovo e quello vecchio!
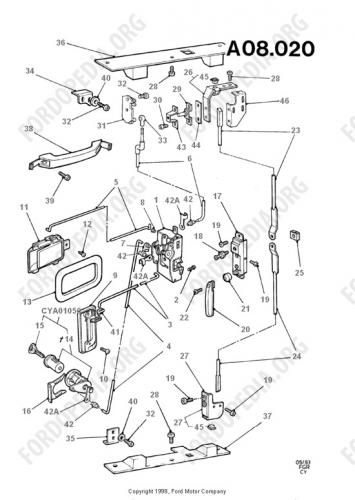
In risposta al messaggio di impiegatodelvolante del 10/07/2025 alle 20:02:58Ok, io pensavo di dover levare prima quel ferro lungo collegato alla maniglia che entra nel buco, e poi levare il cilindro svitando quel dato che si vede in foto...forcella penso intendi questa in figura al punto 16, ma non la trovo forse è caduta come è stato forzato.
Ci dovrebbe essere un fermo a mo' di forcella che la tiene ferma in posizione,.basta toglierla e poi girare per fare uscire l'asta dal foro È una cosa abbastanza intuitiva
In risposta al messaggio di FedeMK3 del 10/07/2025 alle 20:15:07Vedendo l'esploso che ha impostato, probabilmente c'è una boccola che tiene dentro l'asta, indicato con il n42
Ok, io pensavo di dover levare prima quel ferro lungo collegato alla maniglia che entra nel buco, e poi levare il cilindro svitando quel dato che si vede in foto...forcella penso intendi questa in figura al punto 16, ma non la trovo forse è caduta come è stato forzato.
In risposta al messaggio di impiegatodelvolante del 10/07/2025 alle 20:40:24ok, grazie come mi arriva il pezzo nuovo ci provo
Vedendo l'esploso che ha impostato, probabilmente c'è una boccola che tiene dentro l'asta, indicato con il n42 Comunque, è abbastanza intuitivo, o viene via prima l'asta e poi togli il fermo, o viceversa ma non è così complicato