CamperOnLine
  • Camper
    • Camper usati
    • Camper nuovi
    • Produttori
    • Listino
    • Cataloghi
    • Concessionari e rete vendita
    • Noleggio
    • Van
    • Caravan
    • Fiere
    • Rimessaggi
    • Le prove di CamperOnLine
    • Provati da voi
    • Primo acquisto
    • Area professionisti
  • Accessori
    • Accessori e Prodotti
    • Camping Sport Magenta accessori
    • Produttori
    • Antenne TV
    • Ammortizzatori
    • GPS
    • Pneumatici
    • Rimorchi
    • Provati da Voi
    • Fai da te
  • Viaggi
    • Diari di viaggi in camper
    • Eventi
    • Foto
    • Check list
    • Traghetti
    • Trasporti
  • Sosta
    • Cerca Strutture
    • Sosta
    • Aree sosta camper
    • Campeggi
    • Agriturismi con sosta camper
    • App Camperonline App
    • 10 Consigli utili per la sosta
    • Area strutture
  • Forum
    • Tutti i Forum
    • Sosta
    • Gruppi
    • Compagni
    • Italia
    • Estero
    • Marchi
    • Meccanica
    • Cellula
    • Accessori
    • Eventi
    • Leggi
    • Comportamenti
    • Disabili
    • In camper per
    • Altro Camper
    • Altro
    • Extra
    • FAQ
    • Regolamento
    • Attivi
    • Preferiti
    • Cerca
  • Community
    • COL
    • CamperOnFest
    • Convenzioni Convenzioni
    • Amici
    • Furti
    • Informativa Privacy
    • Lavoro
  • COL
    • News
    • Newsletter
    • Pubblicità
    • Contatto
    • Ora
    • RSS RSS
    • Video
    • Facebook
    • Instagram
  • Magazine
  • Italiano
    • Bienvenue
    • Welcome
    • Willkommen
  • Accedi
CamperOnLine
Camping Sport Magenta
  1. Forum
  2. Tecnica
  3. Meccanica
Galleria

Tensione bassa batteria motore Ducato 290 160 CV

Rispondi
Cerca
SostaGruppiCompagniItaliaEsteroMarchiMeccanicaCellulaAccessoriEventiLeggiComportamentiDisabiliIn camper perAltro CamperAltroExtra
1 20 44
15
alesanguin
alesanguin
08/04/2010 232
Rispondi Abuso
Inserito il 20/01/2021 alle: 18:59:39
Buonasera a tutti, penso di avere un problema di tensione bassa della batteria motore del mio ducato x290 euro 6d 160 cv, acquistato nuovo a maggio 2020, mi spiego meglio, dopo aver tenuto il mezzo sotto carica con 220V , trovo tutte e due le batterie BM e BS cariche, all'atto dell'accensione del motore la tensione della BM rilevata da centralina si attesta sui 12.2 V - 12.4 V, messo in marcia questo valore scende in continuazione sino ad arrivare ad 11.5- 11.7 e si assesta. La BS non ha alcun problema, durante tutto il viaggio la tensione  è 14.4 volt costante ed è mantenuta in carica con un booster montato di serie dall'allestitore. Quest'estate il problema era marginale perché arrivato in sosta il pannello solare andava a ricaricare la batteria portandola alla giusta tensione. Ora il mezzo è fermo causa pandemia da fine Settembre. Temo che se dovessi andare in una località montana e spegnere il motore con quella tensione non ripartirebbe. Sentita una officina Fiat, è tutto normale perché questo ducato monta alternatore smart e non ci sono a loro dire problemi. Vi chiedo se anche i vostri mezzi si attestano su questi valori considerati normali, oppure se anche in altri mezzi con la stessa motorizzazione avete riscontrato questi problemi e come sono stati risolti. Ringrazio anticipatamente quanti vorranno intervenire con consigli ed esperienze personali.
Alessandra
8
motociclista12
motociclista12
31/08/2017 1049
Rispondi Abuso
Inserito il 20/01/2021 alle: 21:42:05
Quei valori che tu leggi sulla centralina, potrebbero non essere reali. Dovresti provare, con un tester, a misurare la tensione direttamente sui poli della batteria, sia da spento che in moto.
ciao
Paolo
19
IZ4DJI
IZ4DJI
rating

12/11/2006 58356
Rispondi Abuso
Inserito il 21/01/2021 alle: 08:43:03
La tensione che dici in effetti è un po bassa, e quindi come suggerito meglio controllere che sia reale.

Però, è vero che  alternatore smart (che ho anch'io sullo sprinter) in marcia tiene la BM a 12,8 e quando ci arriva smette di produrre energia.
Il booster non fa altro che prelevare questi 12,8 dalla BM elevarl a 14,5 - 15v e inviarli alla BS (nel mio caso max 30A), e quindi toglie corrente alla BM. A questopunto l alternatore sente la BM che si scarica e ricomincia a caricarla per portarla a 12,8.

Da me cio provoca un problema con il frigo, che penso sia alimentato da BM in viaggio, perchè in viaggio a 12v perde freddo e dai 3-4° quando va a gas, dopo ore di viaggio lo trovo a 15°.
____________________________________

Tommaso IZ4DJI

www.iz4dji.it




16
cinquantuno
cinquantuno
rating

06/02/2010 4107
Rispondi Abuso
Inserito il 21/01/2021 alle: 09:52:08
In risposta al messaggio di alesanguin del 20/01/2021 alle 18:59:39

Buonasera a tutti, penso di avere un problema di tensione bassa della batteria motore del mio ducato x290 euro 6d 160 cv, acquistato nuovo a maggio 2020, mi spiego meglio, dopo aver tenuto il mezzo sotto carica con 220V
, trovo tutte e due le batterie BM e BS cariche, all'atto dell'accensione del motore la tensione della BM rilevata da centralina si attesta sui 12.2 V - 12.4 V, messo in marcia questo valore scende in continuazione sino ad arrivare ad 11.5- 11.7 e si assesta. La BS non ha alcun problema, durante tutto il viaggio la tensione  è 14.4 volt costante ed è mantenuta in carica con un booster montato di serie dall'allestitore. Quest'estate il problema era marginale perché arrivato in sosta il pannello solare andava a ricaricare la batteria portandola alla giusta tensione. Ora il mezzo è fermo causa pandemia da fine Settembre. Temo che se dovessi andare in una località montana e spegnere il motore con quella tensione non ripartirebbe. Sentita una officina Fiat, è tutto normale perché questo ducato monta alternatore smart e non ci sono a loro dire problemi. Vi chiedo se anche i vostri mezzi si attestano su questi valori considerati normali, oppure se anche in altri mezzi con la stessa motorizzazione avete riscontrato questi problemi e come sono stati risolti. Ringrazio anticipatamente quanti vorranno intervenire con consigli ed esperienze personali. Alessandra
...
Succede anche a me, ducato acquistato a luglio 2020 con alternatore smart.
Anche a me il costruttore ( Laika ) ha installato un booster ( Redarc ) che a volte quando si parte preleva immediatamente dalla batteria motore corrente e la manda alla batteria servizi, la conseguenza è che per qualche minuto la batteria motore va molto giù di voltaggio, la Laika ha messo un cicalino che si fa sentire per magari 20 - 30 secondi ma poi tutto torna normale, penso nel momento in cui l'alternatore comincia a fornire energia alla BM.
Secondo me occorrerebbe ritardare il prelievo del booster di qualche minuto e fare prima intervenire la ricarica dell'alternatore, io non l'ho ancora fatto.
Ciao
15
alesanguin
alesanguin
08/04/2010 232
Rispondi Abuso
Inserito il 21/01/2021 alle: 10:24:33
In risposta al messaggio di motociclista12 del 20/01/2021 alle 21:42:05

Quei valori che tu leggi sulla centralina, potrebbero non essere reali. Dovresti provare, con un tester, a misurare la tensione direttamente sui poli della batteria, sia da spento che in moto. ciao
Ciao Paolo, grazie per la risposta, la tensione è già stata misurata con due diversi tester sia ai capi della batteria motore, sia direttamente all'alternatore. Ci sono minime differenze di tensione. Grazie. ale
Sala Silvergruva, la miniera d'argento
Sala Silvergruva, la miniera d'argento
Folgaria d’inverno in camper
Folgaria d’inverno in camper
Francia 2025
Francia 2025
Eksjo, la città di legno
Eksjo, la città di legno
Viaggio in Umbria e dintorni
Viaggio in Umbria e dintorni
Previous Next
15
alesanguin
alesanguin
08/04/2010 232
Rispondi Abuso
Inserito il 21/01/2021 alle: 10:31:17
In risposta al messaggio di IZ4DJI del 21/01/2021 alle 08:43:03

La tensione che dici in effetti è un po bassa, e quindi come suggerito meglio controllere che sia reale. Però, è vero che  alternatore smart (che ho anch'io sullo sprinter) in marcia tiene la BM a 12,8 e quando ci arriva
smette di produrre energia. Il booster non fa altro che prelevare questi 12,8 dalla BM elevarl a 14,5 - 15v e inviarli alla BS (nel mio caso max 30A), e quindi toglie corrente alla BM. A questopunto l alternatore sente la BM che si scarica e ricomincia a caricarla per portarla a 12,8. Da me cio provoca un problema con il frigo, che penso sia alimentato da BM in viaggio, perchè in viaggio a 12v perde freddo e dai 3-4° quando va a gas, dopo ore di viaggio lo trovo a 15°.
...
Ciao Tommaso, la tensione della tua batteria motore non mi sembra male. La mia diversamente è un volt e più sotto ed è pochino secondo me.
Per quanto riguarda il tuo frigo, io proverei con cavo volante ad alimentarlo con la batteria che ha la tensione più alta, ovvero la Bs, che da come descrivi si attesta sui 14.5 V poichè alimentata da booster, se dovessi riscontrare beneficio da questa modifica, potresti portarti una linea di alimentazione del frigo direttamente dalla Bs e interporre un relè che si attivi con segnale d+ che dovresti trovare nei pressi del frigo, naturalmente escludendo la linea originale che arriva da Bm.
Grazie comunque dell'interessamento.
Ale.
15
alesanguin
alesanguin
08/04/2010 232
Rispondi Abuso
Inserito il 21/01/2021 alle: 10:39:30
In risposta al messaggio di cinquantuno del 21/01/2021 alle 09:52:08

Succede anche a me, ducato acquistato a luglio 2020 con alternatore smart. Anche a me il costruttore ( Laika ) ha installato un booster ( Redarc ) che a volte quando si parte preleva immediatamente dalla batteria motore corrente
e la manda alla batteria servizi, la conseguenza è che per qualche minuto la batteria motore va molto giù di voltaggio, la Laika ha messo un cicalino che si fa sentire per magari 20 - 30 secondi ma poi tutto torna normale, penso nel momento in cui l'alternatore comincia a fornire energia alla BM. Secondo me occorrerebbe ritardare il prelievo del booster di qualche minuto e fare prima intervenire la ricarica dell'alternatore, io non l'ho ancora fatto.
...
Ciao Cinquantuno, la tensione della mia Bm appena acceso il motore è tra i 12.2 - 12.4 volt, il problema mio è che più viaggio e più la batteria motore scende di tensione e se ad esempio faccio un viaggio di 200 km, dopo i primi 50 la batteria motore la trovo con tensione di 11.4-11.6 e così resta nel resto della percorrenza, probabilmente l'alternatore attacca e stacca portandola solo attorno ai 12 V., poi avendo assorbimento booster e frigo collegati, da qui la bassa tensione rilevata, naturalmente sono tutte supposizioni. Il mio mezzo monta centralina e booster nordelettronica.
Sei sicuro che il tuo, dopo 50 km sia alla giusta tensione?
Grazie-. Ale.
16
cinquantuno
cinquantuno
rating

06/02/2010 4107
Rispondi Abuso
Inserito il 21/01/2021 alle: 10:56:00
In risposta al messaggio di alesanguin del 21/01/2021 alle 10:39:30

Ciao Cinquantuno, la tensione della mia Bm appena acceso il motore è tra i 12.2 - 12.4 volt, il problema mio è che più viaggio e più la batteria motore scende di tensione e se ad esempio faccio un viaggio di 200 km, dopo
i primi 50 la batteria motore la trovo con tensione di 11.4-11.6 e così resta nel resto della percorrenza, probabilmente l'alternatore attacca e stacca portandola solo attorno ai 12 V., poi avendo assorbimento booster e frigo collegati, da qui la bassa tensione rilevata, naturalmente sono tutte supposizioni. Il mio mezzo monta centralina e booster nordelettronica. Sei sicuro che il tuo, dopo 50 km sia alla giusta tensione? Grazie-. Ale.
...
Sei sicuro che il tuo, dopo 50 km sia alla giusta tensione?
Come ti ho scritto, l'anomalia a me dura pochi minuti dalla partenza, per cui dopo pochi km. la BM è già in ricarica arrivando fino a 14.4 V.
Centralina CBE e Booster Redarc

Sembrerebbe che il tuo booster richiami più energia per la BS di quanto sia in grado di fornire l'alternatore.
Io darei o farei dare un'occhiata anche all'alternatore, caso mai non fornisse energia sufficiente.
Naturalmente i principali indiziati sono la centralina ed il booster...
Quanti Ampere al max fornisce il booster?
Ciao
15
alesanguin
alesanguin
08/04/2010 232
Rispondi Abuso
Inserito il 21/01/2021 alle: 11:04:40
In risposta al messaggio di cinquantuno del 21/01/2021 alle 10:56:00

Sei sicuro che il tuo, dopo 50 km sia alla giusta tensione? Come ti ho scritto, l'anomalia a me dura pochi minuti dalla partenza, per cui dopo pochi km. la BM è già in ricarica arrivando fino a 14.4 V. Centralina CBE e
Booster Redarc Sembrerebbe che il tuo booster richiami più energia per la BS di quanto sia in grado di fornire l'alternatore. Io darei o farei dare un'occhiata anche all'alternatore, caso mai non fornisse energia sufficiente. Naturalmente i principali indiziati sono la centralina ed il booster... Quanti Ampere al max fornisce il booster?
...
Ciao, vado a memoria, il booster dovrebbe essere un 25 Ampere, l'alternatore dovrebbe essere da 180ah, concessionario camper e officina Fiat non sono riusciti a trovare problemi, l'officina Fiat ha fatto anche il test alla batteria, nulla, tutto funzionante e quindi passo da rompipalle( scusate il termine) e fissato.
19
IZ4DJI
IZ4DJI
rating

12/11/2006 58356
Rispondi Abuso
Inserito il 21/01/2021 alle: 11:26:12
In risposta al messaggio di alesanguin del 21/01/2021 alle 10:31:17

Ciao Tommaso, la tensione della tua batteria motore non mi sembra male. La mia diversamente è un volt e più sotto ed è pochino secondo me. Per quanto riguarda il tuo frigo, io proverei con cavo volante ad alimentarlo con
la batteria che ha la tensione più alta, ovvero la Bs, che da come descrivi si attesta sui 14.5 V poichè alimentata da booster, se dovessi riscontrare beneficio da questa modifica, potresti portarti una linea di alimentazione del frigo direttamente dalla Bs e interporre un relè che si attivi con segnale d+ che dovresti trovare nei pressi del frigo, naturalmente escludendo la linea originale che arriva da Bm. Grazie comunque dell'interessamento. Ale.
...
in effetti ci avevo pensato e sarebbe quella la cossa da fare, alimentare il frigo da BS. Potrei mettere un rele comandato dalla linea che ora alimenta il frigo, sarebbe semplice.
Però, la mia centralina Schaudt, ha all interno un rele che a motore in mto alimenta il frigo da BM, e a motore spento lo alimenta da BS (serve alimentazione per fare andare l AES) e quindi potrei scrivere alla SCHAUDT esponendo il problema e se mi danno una soluzione visto che ora tutti i camper nascono con il booster, mentre nel mio non c'era essendo uno dei primi con lo smart, e lo ho poi messo io altrmenti la BS non si caricava in marcia.

Ma era solo un inciso, non voglio portare ulteriormente OT il Topic.
____________________________________

Tommaso IZ4DJI

www.iz4dji.it




8
Moby  Dick
Moby Dick
15/11/2017 623
Rispondi Abuso
Inserito il 21/01/2021 alle: 11:27:28
In risposta al messaggio di IZ4DJI del 21/01/2021 alle 08:43:03

La tensione che dici in effetti è un po bassa, e quindi come suggerito meglio controllere che sia reale. Però, è vero che  alternatore smart (che ho anch'io sullo sprinter) in marcia tiene la BM a 12,8 e quando ci arriva
smette di produrre energia. Il booster non fa altro che prelevare questi 12,8 dalla BM elevarl a 14,5 - 15v e inviarli alla BS (nel mio caso max 30A), e quindi toglie corrente alla BM. A questopunto l alternatore sente la BM che si scarica e ricomincia a caricarla per portarla a 12,8. Da me cio provoca un problema con il frigo, che penso sia alimentato da BM in viaggio, perchè in viaggio a 12v perde freddo e dai 3-4° quando va a gas, dopo ore di viaggio lo trovo a 15°.
...
Ciao Tommaso e scusa l'intromissione, ma se non ricordo male, dopo la tua modifica dell'inserimento del booster...il frigo dovrebbe funzionare sotto codesto e non da BM con conseguente calo anche delle prestazioni e rallentamento di carica verso le BS in quanto il booster deve sopportare anche il consumo del frigo.
Questo è un pensiero che ho perchè ho lo stesso tuo problema con il booster schaudt WA 121525, fin che non mi decido a modificare l'impianto e togliere il relè di separazione dentro la centralina schaudt.
 
bongybongy

Modificato da Moby Dick il 21/01/2021 alle 13:49:50
16
cinquantuno
cinquantuno
rating

06/02/2010 4107
Rispondi Abuso
Inserito il 21/01/2021 alle: 11:41:48
In risposta al messaggio di alesanguin del 21/01/2021 alle 11:04:40

Ciao, vado a memoria, il booster dovrebbe essere un 25 Ampere, l'alternatore dovrebbe essere da 180ah, concessionario camper e officina Fiat non sono riusciti a trovare problemi, l'officina Fiat ha fatto anche il test alla batteria, nulla, tutto funzionante e quindi passo da rompipalle( scusate il termine) e fissato.
Il concessionario ti ha venduto il camper, il concessionario è responsabile del buon funzionamento di tutto il camper, per cui pretendi che venga qualcuno con te sul camper a rilevare di persona l'anomalia e se non sono in grado di ripararlo ci penseranno loro a portarlo in FCA.
Ciao
Argomenti recenti dal forum
Meccanica
Acquisto ricambi usati (specchietto sinistro)
Ciao, mentre tornavamo da Valsesia camper per riparare la porta del ...
LaLory
Ieri alle: 22:15
Accessori
Istallazione dashcam anteriore su Ducato nuovo
Ciao a tutti ho un amico inglese che sta acquistando un campervan El...
solidsnork
Ieri alle: 16:50
Viaggi all'estero
Assicurazione viaggio x estero
Buongiorno a tutti, come da titolo volevo sapere se quando andate al...
cpuffo
Ieri alle: 16:20
Cellula abitativa
Luce cortesia Doral 161 - modello maxxima 063
Buongiorno a tutti, qualcuno di voi ha sostituito la lampada di cort...
daleo
Ieri alle: 13:22
Aree di sosta e campeggi
Campeggi zona Pisa a fine marzo
Ciao a tutti, a fine mese (weekend del 21 marzo) vorremmo fare qual...
Andre78
Ieri alle: 10:33
Accessori
Pannelli solari senza incollaggio
Ciao a tutti, cosa ne pensate di questa soluzione? un pò costosa ma ...
Karbon17
Ieri alle: 10:24
Accessori
Pannello solare incollato sul tetto
Buongiorno a tutti, ho notato che sul mio arca america 745 glg del 2...
Adocaro
Ieri alle: 08:38
Accessori
Sostituzione batteria al piombo
Salve a tutti. La batteria del mio camper è morta. Era una batteria ...
CamperistaPN
Ieri alle: 01:08
Aree di sosta e campeggi
Area sosta Portovenere ancora aperta?
Ciao a tutti, chiedevo se qualcuno sa se è ancora aperto ai camper i...
simons
10/03/26 - 21:23
Accessori
Problemi a batterie al litio
Buon giorno a tutti. Ho da circa 8 mesi un camper nuovo con 2 batter...
cla3010
10/03/26 - 18:29
Normative
Curiosità normativa
Ciao a tutti, volevo chiarirmi le idee su un punto : fermo restando ...
Karbon17
10/03/26 - 17:01
Viaggi all'estero
USA coast to coast in camper
Buongiorno a tutti eccomi qua a chiedervi consigli su un prossimo po...
Viaggincamper
10/03/26 - 14:59
Accessori
Problema con Pioneer sph evo 950
Buonasera a tutti, ho da poco un camper arca america con doppia tele...
Adocaro
10/03/26 - 14:56
Normative
Vicenza: il TAR respinge la sospensione cautelare
Trovate la questione su Giustizia Amminstrativa, TAR Venezia N. 0028...
Anto1957
10/03/26 - 12:16
Viaggi in Italia
Giretto estivo in Valle d'Aosta
Buongiorno a tutti viaggiatori itineranti, se possibile vorrei chied...
Zoe2006
10/03/26 - 11:22
19
FabioCris
FabioCris
17/11/2006 227
Rispondi Abuso
Inserito il 21/01/2021 alle: 11:51:23
Ciao.
Anche io ero "assillato" da questo allarme che proviene dalla centralina in cellula (Ducato X290 Euro 6d 160cv anno 2020).
Accendo il motore, parto e dopo 4/5 minuti suona l'allarme della centralina (5 o 6 bip per una o due volte, dipende) segnalando la tensione della batteria a 11,2/11,4V. Poi, dopo circa 15 minuti, mi fermo e la tensione è sui 12,8V. Misurata sulla batteria (c/o officina Fiat) sia a motore spento che acceso e confrontata con quella della centralina in cellula, coincide a 12,8V.

Ho chiesto al concessionario ma non ne sanno niente se non verificare in Fiat e/o far verificare funzionamento della centralina (non ricordo marca).
Non vorrei far toccare niente però, mi sembra di capire che questa cosa sia "normale".

Grazie.
Ciao
FabioCris
19
IZ4DJI
IZ4DJI
rating

12/11/2006 58356
Rispondi Abuso
Inserito il 21/01/2021 alle: 23:07:25
In risposta al messaggio di Moby Dick del 21/01/2021 alle 11:27:28

Ciao Tommaso e scusa l'intromissione, ma se non ricordo male, dopo la tua modifica dell'inserimento del booster...il frigo dovrebbe funzionare sotto codesto e non da BM con conseguente calo anche delle prestazioni e rallentamento
di carica verso le BS in quanto il booster deve sopportare anche il consumo del frigo. Questo è un pensiero che ho perchè ho lo stesso tuo problema con il booster schaudt WA 121525, fin che non mi decido a modificare l'impianto e togliere il relè di separazione dentro la centralina schaudt.  
...
Ciao Aldo, Io ho la centralina SCHAUDT EBL 29 , e leggendo il manuale, vedo che c’è un relè che commuta il frigo su BS a motore spento, ma su BM a motore acceso, e come hai notato, con il booster non va bene. Non voglio aprire e manomettere la centralina, che non mi piace, e quindi dovrei trovare una soluzione esterna.  Per esempio se porto due fili diretti da BS a frigo con cui lo alimento, e dietro al frigo metto un rele che interrompe questo collegamento, e comando il rele con il cavo che ora alimenta il frigo, dovrei avere il frigo sempre alimentato da BS, e il rele verrebbe comandato o da BM o da BS secondo come vuole la centralina, ma non comporterebbe nulla di negativo visto il minimo assorbimento del rele.
 
Dimmi se secondo te puo funzionare o ci vedi qualche criticità che ora casomai mi sfugge.
 
La cosa piu logica sarebbe aprire la centralina e interrompere la pista che alimenta la bobina del rele, ma è un lavoro non reversibile, almeno facilmente, e non mi piace dovere smontare la centralina, aprirla e manometterla.
____________________________________

Tommaso IZ4DJI

www.iz4dji.it




8
Moby  Dick
Moby Dick
15/11/2017 623
Rispondi Abuso
Inserito il 22/01/2021 alle: 00:03:25
In risposta al messaggio di IZ4DJI del 21/01/2021 alle 23:07:25

Ciao Aldo, Io ho la centralina SCHAUDT EBL 29 , e leggendo il manuale, vedo che c’è un relè che commuta il frigo su BS a motore spento, ma su BM a motore acceso, e come hai notato, con il booster non va bene. Non voglio
aprire e manomettere la centralina, che non mi piace, e quindi dovrei trovare una soluzione esterna.  Per esempio se porto due fili diretti da BS a frigo con cui lo alimento, e dietro al frigo metto un rele che interrompe questo collegamento, e comando il rele con il cavo che ora alimenta il frigo, dovrei avere il frigo sempre alimentato da BS, e il rele verrebbe comandato o da BM o da BS secondo come vuole la centralina, ma non comporterebbe nulla di negativo visto il minimo assorbimento del rele. Dimmi se secondo te puo funzionare o ci vedi qualche criticità che ora casomai mi sfugge. La cosa piu logica sarebbe aprire la centralina e interrompere la pista che alimenta la bobina del rele, ma è un lavoro non reversibile, almeno facilmente, e non mi piace dovere smontare la centralina, aprirla e manometterla.
...
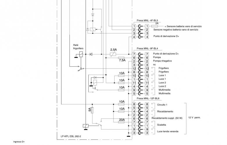
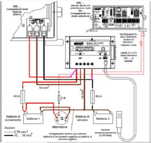
Ciao Tommaso, non penso vada bene, anche perchè il frigo "Trivalente" dovrebbe funzionare solo con BM a motore avviato e non con BS specie se il motore è spento. Non conosco la EBL-29 dovrei vedere lo schema, ma per quanto riguarda la mia EBL 262-3 il frigo viene commutato su BM (e mai su BS) quando questo è avviato tramite il D+ che però risultava assente dopo il collegamento con il Booster.
Aggirato il problema fornendogli il segnale D+ esternamente son riuscito a far funzionare il Booster, collegato in serie all' EBL ma così facendo il frigo viene alimentato, non più da BM ma dal Booster e di conseguenza mi porta via Amp. di carica e scarso rendimento al frigo.
Allego istruzioni di collegamento
Collegamento%20Booster.JPG
Quindi non contento ho contattato Schaudt e il tecnico mi ha proposto una modifica (che però devo ancora effettuare appena trovo un pò di tempo) che a parer mio funzionerà alla grande, ma bisogna eliminare il relè di separazione interno.
Ora la cerco e la allego
bongybongy

Modificato da Moby Dick il 22/01/2021 alle 09:00:43
8
Moby  Dick
Moby Dick
15/11/2017 623
Rispondi Abuso
Inserito il 22/01/2021 alle: 00:16:17
Catturadfd.JPG
p%C3%B2%C3%A0io.JPG
Con questa modifica il Booster non è più collegato in serie all'EBL ma in parallelo, quindi il frigo funziona come in origine solo con BM e il booster si alleggerisce del carico ma bisogna scollegare il relè separatore interno come d'altronde è stato eliminato sull'EBL successiva la 262-4 che è + identica per funzionare con il booster, ma senza il relè di separazione.
bongybongy

Modificato da Moby Dick il 22/01/2021 alle 09:03:40
8
Moby  Dick
Moby Dick
15/11/2017 623
Rispondi Abuso
Inserito il 22/01/2021 alle: 00:33:20
Allego la modifica che ho in mente di fare (quella azzurra dentro il tratteggio arancio) in modo da poter usufruire del Booster oppure del relè separatore interno come in origine senza eliminarlo, ma interrompendo solo il segnale della bobina con un semplice deviatore, così se il booster dovesse mai abbandonarmi ho la possibilità di tornare in origine senza smontare per l'ennesima volta il sedile guida.

Catturaadas.JPG
Cattura5(2).JPG
 
bongybongy

Modificato da Moby Dick il 22/01/2021 alle 09:07:21
19
IZ4DJI
IZ4DJI
rating

12/11/2006 58356
Rispondi Abuso
Inserito il 22/01/2021 alle: 13:28:42
In risposta al messaggio di Moby Dick del 22/01/2021 alle 00:03:25

Ciao Tommaso, non penso vada bene, anche perchè il frigo Trivalente dovrebbe funzionare solo con BM a motore avviato e non con BS specie se il motore è spento. Non conosco la EBL-29 dovrei vedere lo schema, ma per quanto
riguarda la mia EBL 262-3 il frigo viene commutato su BM (e mai su BS) quando questo è avviato tramite il D+ che però risultava assente dopo il collegamento con il Booster. Aggirato il problema fornendogli il segnale D+ esternamente son riuscito a far funzionare il Booster, collegato in serie all' EBL ma così facendo il frigo viene alimentato, non più da BM ma dal Booster e di conseguenza mi porta via Amp. di carica e scarso rendimento al frigo. Allego istruzioni di collegamento Quindi non contento ho contattato Schaudt e il tecnico mi ha proposto una modifica (che però devo ancora effettuare appena trovo un pò di tempo) che a parer mio funzionerà alla grande, ma bisogna eliminare il relè di separazione interno. Ora la cerco e la allego
...
Ovviamente il frigo a 12v funziona solo con motore acceso, e da me alimentato da BM.
Però, essendo un frigo AES ha una centralina che deve essere alimentata a 12v anche quando va a gas o a 220, e in tal caso viene alimentata da BS, e a questo serve il rele che commuta la alimentazione del frigo tra BM e BS.
Ovviamente perchè il frigo funzioni a 12v deve anche ricevere il D+ che si ha solo a motore in moto.

Appena ho un attimo mi guardo con calma la modifica proposta dalla Shaudt, e me la studio bene.
Grazie
____________________________________

Tommaso IZ4DJI

www.iz4dji.it




19
IZ4DJI
IZ4DJI
rating

12/11/2006 58356
Rispondi Abuso
Inserito il 22/01/2021 alle: 13:31:30
In risposta al messaggio di Moby Dick del 22/01/2021 alle 00:33:20

Allego la modifica che ho in mente di fare (quella azzurra dentro il tratteggio arancio) in modo da poter usufruire del Booster oppure del relè separatore interno come in origine senza eliminarlo, ma interrompendo solo il
segnale della bobina con un semplice deviatore, così se il booster dovesse mai abbandonarmi ho la possibilità di tornare in origine senza smontare per l'ennesima volta il sedile guida.  
...
Non capisco, il rele che va eliminato è quello in basso nello schema e indicato come "Rele frigorifero".
____________________________________

Tommaso IZ4DJI

www.iz4dji.it




16
cinquantuno
cinquantuno
rating

06/02/2010 4107
Rispondi Abuso
Inserito il 22/01/2021 alle: 18:36:29
Una alternativa al frigo a 12 volt potrebbe essere il frigo a 230 volt da inverter, sicuramente il prelievo sarà dalla BS.
Io in genere faccio così.
Ciao
19
IZ4DJI
IZ4DJI
rating

12/11/2006 58356
Rispondi Abuso
Inserito il 22/01/2021 alle: 20:11:02
In risposta al messaggio di cinquantuno del 22/01/2021 alle 18:36:29

Una alternativa al frigo a 12 volt potrebbe essere il frigo a 230 volt da inverter, sicuramente il prelievo sarà dalla BS. Io in genere faccio così.
Buona idea anche quella.
Vorrei fare le cose piu semplici possibile e manomettere il meno possibile gli impianti originali.

Hai usato un inverter dedicato solo al frigo o usi l inverter di bordo?
Io ho a bordo un inverter Waeco 1000W a onda modificata, ma forse basterebbe un inverter piu piccolo e dedicarlo solo al frigo, tanto per non lasciare sempre acceso quello grosso che penso abbia un maggiore autoconsumo.

Come risolvi la commutazione tra quando sei collegato a rete 220 e quando viaggi con l inverter?
____________________________________

Tommaso IZ4DJI

www.iz4dji.it




SostaGruppiCompagniItaliaEsteroMarchiMeccanicaCellulaAccessoriEventiLeggiComportamentiDisabiliIn camper perAltro CamperAltroExtra
167k Facebook
343k Instagram
42,6k TikTok
73,3k Youtube
CamperOnLine - Copyright © 1998-2026 - P.Iva 06953990014
Informativa privacy
Loading...

Accedi

Recupera Password
Nuovo utente

Vuoi eliminare il messaggio?

Sottoscrizione

Anteprima

PREFERENZA

Il messaggio è in fase di inserimento.

loading

CamperOnLine

Buongiorno gentile utente,

da oltre 20 anni Camperonline offre gratuitamente tutti i suoi servizi
grazie agli inserzionisti che ci hanno dato la loro fiducia, permettici di continuare il nostro lavoro disattivando il blocco delle pubblicità.

Grazie della collaborazione.

Azione eseguita con successo

Azione Fallita

Condividi

Condividi questa pagina con:

O copia il link