CamperOnLine
  • Camper
    • Camper usati
    • Camper nuovi
    • Produttori
    • Listino
    • Cataloghi
    • Concessionari e rete vendita
    • Noleggio
    • Van
    • Caravan
    • Fiere
    • Rimessaggi
    • Le prove di CamperOnLine
    • Provati da voi
    • Primo acquisto
    • Area professionisti
  • Accessori
    • Accessori e Prodotti
    • Camping Sport Magenta accessori
    • Produttori
    • Antenne TV
    • Ammortizzatori
    • GPS
    • Pneumatici
    • Rimorchi
    • Provati da Voi
    • Fai da te
  • Viaggi
    • Diari di viaggi in camper
    • Eventi
    • Foto
    • Check list
    • Traghetti
    • Trasporti
  • Sosta
    • Cerca Strutture
    • Sosta
    • Aree sosta camper
    • Campeggi
    • Agriturismi con sosta camper
    • App Camperonline App
    • 10 Consigli utili per la sosta
    • Area strutture
  • Forum
    • Tutti i Forum
    • Sosta
    • Gruppi
    • Compagni
    • Italia
    • Estero
    • Marchi
    • Meccanica
    • Cellula
    • Accessori
    • Eventi
    • Leggi
    • Comportamenti
    • Disabili
    • In camper per
    • Altro Camper
    • Altro
    • Extra
    • FAQ
    • Regolamento
    • Attivi
    • Preferiti
    • Cerca
  • Community
    • COL
    • CamperOnFest
    • Convenzioni Convenzioni
    • Amici
    • Furti
    • Informativa Privacy
    • Lavoro
  • COL
    • News
    • Newsletter
    • Pubblicità
    • Contatto
    • Ora
    • RSS RSS
    • Video
    • Facebook
    • Instagram
  • Magazine
  • Italiano
    • Bienvenue
    • Welcome
    • Willkommen
  • Accedi
CamperOnLine
Camping Sport Magenta
  1. Forum
  2. Tecnica
  3. Accessori
Galleria

Eberspächer motore Sprinter W903

Rispondi
Cerca
Berger Camping
SostaGruppiCompagniItaliaEsteroMarchiMeccanicaCellulaAccessoriEventiLeggiComportamentiDisabiliIn camper perAltro CamperAltroExtra
1 20 22
20
riccardo23
riccardo23
03/01/2006 154
Rispondi Abuso
Inserito il 04/02/2025 alle: 18:02:48
Un saluto a tutti. sul mio camper Arca, con meccanica Mercedes Benz Sprinter 2200cc, è installato di fabbrica il riscaldatore motore. Questo riscaldatore è utilizzabile soltanto a motore acceso e fa egregiamente il suo lavoro, specialmente con temperature esterne molto sotto lo zero. In pochi minuti si sghiaccia il parabrezza e la temperatura motore va a regime regolarmente.

Ho letto diverse discussioni in merito alla possibilità di utilizzarlo anche a motore spento e accenderlo per pre-riscaldare il motore prima di metterlo in moto. utilizzerei questa opzione con temperature esterne molto fredde

Inoltre da quanto ho inteso è anche possibile utilizzarlo come riscaldamento ausiliario del camper in sosta o almeno per tenere la zona cabina meno fredda del resto. Sapete indicarmi se la modifica è molto invasiva e che accorgimenti si devono adottare? C'è la possibilità di avere un timer? ho cercato sul forum ma le info sono a volte contrastanti
grazie in anticipo per le risposte.
16
Hecktor2
Hecktor2
rating

18/10/2009 6220
Rispondi Abuso
Inserito il 05/02/2025 alle: 06:48:19
In risposta al messaggio di riccardo23 del 04/02/2025 alle 18:02:48

Un saluto a tutti. sul mio camper Arca, con meccanica Mercedes Benz Sprinter 2200cc, è installato di fabbrica il riscaldatore motore. Questo riscaldatore è utilizzabile soltanto a motore acceso e fa egregiamente il suo
lavoro, specialmente con temperature esterne molto sotto lo zero. In pochi minuti si sghiaccia il parabrezza e la temperatura motore va a regime regolarmente. Ho letto diverse discussioni in merito alla possibilità di utilizzarlo anche a motore spento e accenderlo per pre-riscaldare il motore prima di metterlo in moto. utilizzerei questa opzione con temperature esterne molto fredde Inoltre da quanto ho inteso è anche possibile utilizzarlo come riscaldamento ausiliario del camper in sosta o almeno per tenere la zona cabina meno fredda del resto. Sapete indicarmi se la modifica è molto invasiva e che accorgimenti si devono adottare? C'è la possibilità di avere un timer? ho cercato sul forum ma le info sono a volte contrastanti grazie in anticipo per le risposte.
...
interesserebbe anche a me, chiedo in Mercedes, penso si possa fare 
12
gangan76
gangan76
24/11/2013 947
Rispondi Abuso
Inserito il 05/02/2025 alle: 07:41:46
In risposta al messaggio di riccardo23 del 04/02/2025 alle 18:02:48

Un saluto a tutti. sul mio camper Arca, con meccanica Mercedes Benz Sprinter 2200cc, è installato di fabbrica il riscaldatore motore. Questo riscaldatore è utilizzabile soltanto a motore acceso e fa egregiamente il suo
lavoro, specialmente con temperature esterne molto sotto lo zero. In pochi minuti si sghiaccia il parabrezza e la temperatura motore va a regime regolarmente. Ho letto diverse discussioni in merito alla possibilità di utilizzarlo anche a motore spento e accenderlo per pre-riscaldare il motore prima di metterlo in moto. utilizzerei questa opzione con temperature esterne molto fredde Inoltre da quanto ho inteso è anche possibile utilizzarlo come riscaldamento ausiliario del camper in sosta o almeno per tenere la zona cabina meno fredda del resto. Sapete indicarmi se la modifica è molto invasiva e che accorgimenti si devono adottare? C'è la possibilità di avere un timer? ho cercato sul forum ma le info sono a volte contrastanti grazie in anticipo per le risposte.
...
Ciao, ma tu che hai lo Sprinter 2.2 non è w906?
Te lo chiedo perché stavo cercando alcune cose per il mio Arca su Sprinter 2.7 e mi risulta w903. Il tuo dovrebbe essere una generazione dopo.
Comunque nel mio c'é sia il pulsante "originale"per farlo partire come aiuto a scaldare a motore acceso, sia la pulsantiera Eberspacher per farlo andare a motore spento, ed al raggiungimento della temperatura parte la ventola cruscotto.
Pensavo fosse di serie sugli Arca.
Gangan

Modificato da gangan76 il 05/02/2025 alle 07:43:40
20
riccardo23
riccardo23
03/01/2006 154
Rispondi Abuso
Inserito il 05/02/2025 alle: 08:41:45
In risposta al messaggio di gangan76 del 05/02/2025 alle 07:41:46

Ciao, ma tu che hai lo Sprinter 2.2 non è w906? Te lo chiedo perché stavo cercando alcune cose per il mio Arca su Sprinter 2.7 e mi risulta w903. Il tuo dovrebbe essere una generazione dopo. Comunque nel mio c'é sia il
pulsante originaleper farlo partire come aiuto a scaldare a motore acceso, sia la pulsantiera Eberspacher per farlo andare a motore spento, ed al raggiungimento della temperatura parte la ventola cruscotto. Pensavo fosse di serie sugli Arca.
...
confermo è un W903 2200cc il modello è 313cdi del 2002 arca produzione 2001.
il riscaldatore si accende dal cruscotto con il tasto originale mercedes. Sul manuale d'uso vedo che per i modelli in cui è presente un temporizzatore con display, si possono programmare accensioni settimanali anche a motore spento, da lì partono i miei dubbi.

Modificato da riccardo23 il 05/02/2025 alle 08:42:26
18
niknik02
niknik02
27/09/2007 2352
Rispondi Abuso
Inserito il 05/02/2025 alle: 10:37:21
Se è dotato di pompa h2o puoi renderlo indipendente, se non ha la pompa h2o dovrai procurartene una da inserire nel circuito e pilotarla con l'accensione del riscaldatore ,bisogna inoltre modificare i comandi di accensione 
Asturia, Cantabria e Paesi Baschi in cam
Asturia, Cantabria e Paesi Baschi in cam
Sala Silvergruva, la miniera d'argento
Sala Silvergruva, la miniera d'argento
Folgaria d’inverno in camper
Folgaria d’inverno in camper
Francia 2025
Francia 2025
Eksjo, la città di legno
Eksjo, la città di legno
Previous Next
21
vadopiano
vadopiano
08/10/2004 1887
Rispondi Abuso
Inserito il 05/02/2025 alle: 13:07:57
Mi sembra ricordare che ci fosse un kit MB per l'utilizzo più esteso di quel riscaldatore. Anzi, direi che proprio c'era...
5
ciotta
ciotta
09/03/2021 21
Rispondi Abuso
Inserito il 05/02/2025 alle: 18:01:18
In risposta al messaggio di riccardo23 del 04/02/2025 alle 18:02:48

Un saluto a tutti. sul mio camper Arca, con meccanica Mercedes Benz Sprinter 2200cc, è installato di fabbrica il riscaldatore motore. Questo riscaldatore è utilizzabile soltanto a motore acceso e fa egregiamente il suo
lavoro, specialmente con temperature esterne molto sotto lo zero. In pochi minuti si sghiaccia il parabrezza e la temperatura motore va a regime regolarmente. Ho letto diverse discussioni in merito alla possibilità di utilizzarlo anche a motore spento e accenderlo per pre-riscaldare il motore prima di metterlo in moto. utilizzerei questa opzione con temperature esterne molto fredde Inoltre da quanto ho inteso è anche possibile utilizzarlo come riscaldamento ausiliario del camper in sosta o almeno per tenere la zona cabina meno fredda del resto. Sapete indicarmi se la modifica è molto invasiva e che accorgimenti si devono adottare? C'è la possibilità di avere un timer? ho cercato sul forum ma le info sono a volte contrastanti grazie in anticipo per le risposte.
...
modifica che feci fare au LAIKA CHE MONTAVA MOTORE MERCEDES . PRESERO 2 TUBI DI RAME RIVESTITI DA 2 GUIANE DI GOMMA E LI PORTARONO FINO IN CODA DOPO TRAMITE UNA PICCOLA APERTURA ALL INTERNO DEL CAMPER POSIZIONARONO 2 VENTOLINE DA COMPUTER CON RELATIVA GRIGLIA DI COPERTURA  E IN PIU UN TERMOSTATO AMBIENTE COSI DA REGOLARE AUTOMATICAMENTE LATEMPERATURA  IMPOSTATA .I 2 TUBI DI RAME CHIARAMENTE SONO STATI DIRETTAMENTE AL RISCALDATORE DEL MOTORE E FATTI SCORRERE SOTTO AL PIANALE DEL CAMPER FINO IN CODA
12
gangan76
gangan76
24/11/2013 947
Rispondi Abuso
Inserito il 05/02/2025 alle: 19:38:16
In risposta al messaggio di riccardo23 del 05/02/2025 alle 08:41:45

confermo è un W903 2200cc il modello è 313cdi del 2002 arca produzione 2001. il riscaldatore si accende dal cruscotto con il tasto originale mercedes. Sul manuale d'uso vedo che per i modelli in cui è presente un temporizzatore con display, si possono programmare accensioni settimanali anche a motore spento, da lì partono i miei dubbi.
Pensavo che la w90... Si riferisse alla generazione,
Il mio è del 2006 e monta questo comando che  in cui si può sia far andare per un tempo prestabilito e spegnersi automaticamente, andare in continuo o programmare anche l,ora di accensione.



https

https://www.ebay.it/itm/1445754...

://www.ebay.it/itm/144575416787?mkcid=16&mkevt=1&mkrid=711-127632-2357-0&ssspo=u12kqm9qqxi&sssrc=4429486&ssuid=L_WlBg0sQa-&var=&widget_ver=artemis&media=COPY

Gangan
20
riccardo23
riccardo23
03/01/2006 154
Rispondi Abuso
Inserito il 05/02/2025 alle: 20:10:58
In risposta al messaggio di gangan76 del 05/02/2025 alle 19:38:16

Pensavo che la w90... Si riferisse alla generazione, Il mio è del 2006 e monta questo comando che  in cui si può sia far andare per un tempo prestabilito e spegnersi automaticamente, andare in continuo o programmare anche l,ora di accensione. https
ti ringrazio, sa i dirmi se interviene anche sulla pompa dell'acqua? per riscaldare il motore?
12
gangan76
gangan76
24/11/2013 947
Rispondi Abuso
Inserito il 05/02/2025 alle: 21:41:22
In risposta al messaggio di riccardo23 del 05/02/2025 alle 20:10:58

ti ringrazio, sa i dirmi se interviene anche sulla pompa dell'acqua? per riscaldare il motore?
Il riscaldatore e quello montato di serie, sono sicuro che ha la pompa dell'acqua dedicata in quanto a scalda il motore spento e l'acqua del radiatore con ventola sotto la dinette, installato da Arca.
Non lo ho da molto e non ho ancora avuto molto tempo per mettere la testa nel cofano per capire la questione del riscaldatore.
Azzarderei a pensare che se scolleghi l'accensione da cruscotto Mercedes e colleghi il comando che ti ho linkato vada in autonomia.
Il mio è uno Sprinter 316cdi, non so se il riscaldatore sia uguale al tuo.
Gangan

Modificato da gangan76 il 05/02/2025 alle 21:44:53
20
RobiAle
RobiAle
rating

17/02/2006 1553
Rispondi Abuso
Inserito il 05/02/2025 alle: 21:47:07
In risposta al messaggio di riccardo23 del 05/02/2025 alle 20:10:58

ti ringrazio, sa i dirmi se interviene anche sulla pompa dell'acqua? per riscaldare il motore?
Ciao
il mio era di un anno più giovane,2000,avevo fatto fare la modifica in provincia di bergamo.
avevano aggiunto un tasto per l'accensione,nel giro di un'oretta scarsa potevo accendere il web a motore spento e scaldare la cabina usando  i comandi del cruscotto.
AlbertoPD
AlbertoPD
29/06/2023 108
Rispondi Abuso
Inserito il 06/02/2025 alle: 00:31:58
In risposta al messaggio di riccardo23 del 04/02/2025 alle 18:02:48

Un saluto a tutti. sul mio camper Arca, con meccanica Mercedes Benz Sprinter 2200cc, è installato di fabbrica il riscaldatore motore. Questo riscaldatore è utilizzabile soltanto a motore acceso e fa egregiamente il suo
lavoro, specialmente con temperature esterne molto sotto lo zero. In pochi minuti si sghiaccia il parabrezza e la temperatura motore va a regime regolarmente. Ho letto diverse discussioni in merito alla possibilità di utilizzarlo anche a motore spento e accenderlo per pre-riscaldare il motore prima di metterlo in moto. utilizzerei questa opzione con temperature esterne molto fredde Inoltre da quanto ho inteso è anche possibile utilizzarlo come riscaldamento ausiliario del camper in sosta o almeno per tenere la zona cabina meno fredda del resto. Sapete indicarmi se la modifica è molto invasiva e che accorgimenti si devono adottare? C'è la possibilità di avere un timer? ho cercato sul forum ma le info sono a volte contrastanti grazie in anticipo per le risposte.
...
ciao, anch'io volevo fare questa modifica.  mi sono informato da due installatori eberspacher webasto, uno dai due l'ha smontato, ha la sua pompa h2o, ha fatto pure un test con pc, niente da fare, mi hanno detto che non è fattibile.
il mio è un MB 2.2 315, eberspacher D5WS. se trovi la soluzione sarei felice di sapere come fare.
ciao

Modificato da AlbertoPD il 06/02/2025 alle 00:33:23
Argomenti recenti dal forum
Cellula abitativa
Comando Cp plus su Combi 6002
Buongiorno a tutti,volevo sapere se si può montare il comando cp plu...
Rickyge
Ieri alle: 16:00
Viaggi all'estero
Vignette/telepass oltre 35q in Cechia e Polonia
Buongiorno a tutti, stavo programmando un viaggio per vedere la Polo...
biomax
Ieri alle: 14:09
Cellula abitativa
Sportello presa cee
Lo sportello della presa del mio veicolo è mal ridotta, un paio di c...
gianninotopo
Ieri alle: 11:10
Altro sui camper
camper puro, furgonato x usarlo anche per lavori
buongiorno, mi frulla in testa la voglia anche se non per quest'anno...
vespucci
Ieri alle: 09:04
Altro sui camper
Cerco rimessaggio Arenzano,Genova,Savona,masone ec
Aiutoooo cerco rimessaggio nel raggio di 50km da Arenzano… grazie an...
Lelle007
Ieri alle: 01:19
Accessori
domanda secca su lifepo4
buonaser a tutti, prossimamente vorrei acquistare un box batteria d...
AlbertoPD
18/03/26 - 23:08
Cellula abitativa
Caricabatterie e colonnina 220v
Buonasera, non mi era mai capitato oppure non ci avevo fatto caso. S...
323232
18/03/26 - 20:17
Compagni di viaggio
Compagni viaggio Lombardia
Ciao, siamo una coppia di Milano, Matteo (34) e Angelica (40), con u...
Mario Dalgalla
18/03/26 - 17:16
Accessori
Striscia a led "d'atmosfera"
Salve vorrei mettere questa striscia (5mt. COB 45w) alla base dei ...
gianninotopo
18/03/26 - 16:43
Meccanica
Problema elettrico Fiat ducato X250 2.3 mjt 2012
Salve a tutti. Ho un grosso problema sul mio mezzo per quanto riguar...
Pizza77
18/03/26 - 10:30
Accessori
Impianto con lifepo4
Buongiorno a tutti, sono un novellino di questo fantastico mondo, ho...
The Box
18/03/26 - 09:16
Meccanica
Quantità olio circuito freni
Secondo voi, su un mezzo di 7 metri su telaio ALKO con interasse di ...
norbidic
18/03/26 - 06:57
Meccanica
luce fari ducato
Buonasera ragazzi, cruccio di Marzo. Volevo capire secondo le vostre...
fjordland
17/03/26 - 23:00
Aree di sosta e campeggi
Consigli soste
Buonasera, ad agosto partiremo da Napoli direzione Francia, vorremmo...
Mcar
17/03/26 - 22:42
Accessori
Scheda ne 185 .3
Buonasera sul pannello ne 268 non ho comunicazione con l' ne 185 , h...
mmazza
17/03/26 - 20:53
19
IZ4DJI
IZ4DJI
rating

12/11/2006 58356
Rispondi Abuso
Inserito il 06/02/2025 alle: 10:35:28
Nell 316 W906  avevo l Eberspacher di serie sotto al pavimento, ma funzionava solo a motore avviato.
Nel mio attuale 419 W907 usano un Webasto 5,5kw , sempre nella stessa posizione e funziona sia a motore avviato (per un tempo illimitato) e sia a motore spento per 50 minuti ripetibili. Però non è di serie, è una opzione a pagamento, e lo chiamano "riscaldatore da parcheggio e supporto al riscaldamento" e si aziona con i comandi a cruscotto.

Però avevo letto anch'io che sui precedenti Sprinter si poteva fare la modifica per farlo funzionare a motore spento, e avevo visto casualmente anche qualcosa in rete, ma non avendone interesse non avevo approfondito.  Penso che facendo una ricerca approfondita e con un po di fortuna si potrebeb trovare ancora qualche documentazione in rete.
____________________________________

Tommaso IZ4DJI

www.iz4dji.it




21
gieffe
gieffe
15/10/2004 1276
Rispondi Abuso
Inserito il 06/02/2025 alle: 11:00:40
In risposta al messaggio di IZ4DJI del 06/02/2025 alle 10:35:28

Nell 316 W906  avevo l Eberspacher di serie sotto al pavimento, ma funzionava solo a motore avviato. Nel mio attuale 419 W907 usano un Webasto 5,5kw , sempre nella stessa posizione e funziona sia a motore avviato (per un
tempo illimitato) e sia a motore spento per 50 minuti ripetibili. Però non è di serie, è una opzione a pagamento, e lo chiamano riscaldatore da parcheggio e supporto al riscaldamento e si aziona con i comandi a cruscotto. Però avevo letto anch'io che sui precedenti Sprinter si poteva fare la modifica per farlo funzionare a motore spento, e avevo visto casualmente anche qualcosa in rete, ma non avendone interesse non avevo approfondito.  Penso che facendo una ricerca approfondita e con un po di fortuna si potrebeb trovare ancora qualche documentazione in rete.
...
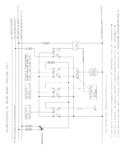
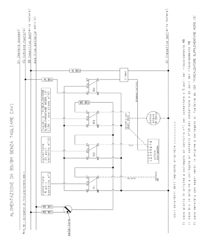
Io avevo fatto fare questa modifica anni fa ad un elettrauto sulla base di indicazioni ed uno schema trovati qui su questo sito.
Non riesco ad allegare il file pdf, metto tre immagini delle 3 pagine:
image(6904).png
image(6905).png
image(6906).png
 
Gieffe
16
nordkap
nordkap
04/10/2009 1896
Rispondi Abuso
Inserito il 06/02/2025 alle: 14:08:26
Io l'ho fatta sul mio Arca H7 su Mercedes 2700. Ho seguito queste istruzioni e ho avuto anche l'aiuto di Corrado, colui che ha pubblicato il progetto, e credo che troverai qualche post su questo forum di qualche anno fa..
Non è difficile ma devi avere una buona manualità.
Devi utilizzare la pompa originale Mercedes (quella che senti girare quando giri la chiave) ai relè e aprire tutto il cruscotto per passare i fili. Questo e il collegamento su Col per scaricare la guida alla modifica:
Microsoft Word - Istruzioni modifica eberspacher su Sprinter per accensione a motore spento.doc
E' una buona modifica ed io avevo trovato anche il comando originale da inserire sul cruscotto nel vano rettangolare.
Ti ci vorrà una buona batteria perchè a me buttava giù sia quella motore che quella dei servizi a cui potevo collegarmi a piacere
Molto più semplice la modifica di Enzo44 che puoi contattare da questo forum..
20
riccardo23
riccardo23
03/01/2006 154
Rispondi Abuso
Inserito il 06/02/2025 alle: 14:12:45
In risposta al messaggio di nordkap del 06/02/2025 alle 14:08:26

Io l'ho fatta sul mio Arca H7 su Mercedes 2700. Ho seguito queste istruzioni e ho avuto anche l'aiuto di Corrado, colui che ha pubblicato il progetto, e credo che troverai qualche post su questo forum di qualche anno fa..
Non è difficile ma devi avere una buona manualità. Devi utilizzare la pompa originale Mercedes (quella che senti girare quando giri la chiave) ai relè e aprire tutto il cruscotto per passare i fili. Questo e il collegamento su Col per scaricare la guida alla modifica: Microsoft Word - Istruzioni modifica eberspacher su Sprinter per accensione a motore spento.doc E' una buona modifica ed io avevo trovato anche il comando originale da inserire sul cruscotto nel vano rettangolare. Ti ci vorrà una buona batteria perchè a me buttava giù sia quella motore che quella dei servizi a cui potevo collegarmi a piacere Molto più semplice la modifica di Enzo44 che puoi contattare da questo forum..
...
Ringrazio tutti per i contributi. Sarà un lavoro che dovrò richiedere ad un professionista, la mia manualità in questi casi è piuttosto basica
16
nordkap
nordkap
04/10/2009 1896
Rispondi Abuso
Inserito il 06/02/2025 alle: 19:22:12
Se non vuoi impazzirti esistono 2 possibilità: o monti il Kit Eberspacher già predisposto per la trasformazione o senti Enzo44 e la sua modifica molto semplice. Se poi sei di Roma o vicino puoi contare sulla sua collaborazione dal vivo.
Ciao
 
AlbertoPD
AlbertoPD
29/06/2023 108
Rispondi Abuso
Inserito il 06/02/2025 alle: 22:57:26
le modifiche trattate nel forum cortes ecc riguardano la versione con motore 2.7 5 cilindri, il motore trattato in questo topic è diverso come è diversa l'elettronica, questo è quanto mi è stato detto dall'elettrauto con l'esito negativo riguardo la mia richiesta.
16
enzo44
enzo44
rating

13/12/2009 4433
Rispondi Abuso
Inserito il 06/02/2025 alle: 23:28:43
Ciao, la modifica è fattibile ed anche abbastanza semplice, c'è da verificare se la centralina del riscaldatore sia analogica o can bus, Eberspacher, come Webasto, utilizza la tecnologia digitale da parecchi anni per integrare e gestire i suoi prodotti con gli impianti can bus. Il nuovo sistema potrebbe facilitare la modifica rivolgendosi a Mercedes ma la rende complicata per l'eventuale fai da te.  Il problema può risolversi con la sostituzione della centralina con una "vecchia" analogica. Se il mezzo è recente sicuramente è can bus. Un saluto Enzo
Enzo
20
riccardo23
riccardo23
03/01/2006 154
Rispondi Abuso
Inserito il 07/02/2025 alle: 00:00:33
In risposta al messaggio di enzo44 del 06/02/2025 alle 23:28:43

Ciao, la modifica è fattibile ed anche abbastanza semplice, c'è da verificare se la centralina del riscaldatore sia analogica o can bus, Eberspacher, come Webasto, utilizza la tecnologia digitale da parecchi anni per integrare
e gestire i suoi prodotti con gli impianti can bus. Il nuovo sistema potrebbe facilitare la modifica rivolgendosi a Mercedes ma la rende complicata per l'eventuale fai da te.  Il problema può risolversi con la sostituzione della centralina con una vecchia analogica. Se il mezzo è recente sicuramente è can bus. Un saluto Enzo
...
la meccanica è un 313cdi 2200cc 129cv prodotta nel 2001 e allestita da arca nel 2002. Il riscaldatore è posizionato più o meno nel passaruota anteriore sinistro, si attiva da interruttore originale MB sulla plancia e funziona solo a motore acceso.
16
enzo44
enzo44
rating

13/12/2009 4433
Rispondi Abuso
Inserito il 07/02/2025 alle: 00:35:01
In risposta al messaggio di riccardo23 del 07/02/2025 alle 00:00:33

la meccanica è un 313cdi 2200cc 129cv prodotta nel 2001 e allestita da arca nel 2002. Il riscaldatore è posizionato più o meno nel passaruota anteriore sinistro, si attiva da interruttore originale MB sulla plancia e funziona solo a motore acceso.
Ciao, mezzo del 2001 sicuramente analogica, ho fatto la modifica su Laika del 2004 senza problemi, sono passati molti anni ma se vuoi cercherò "nell'archivio" per darti indicazioni piu' precise. Un saluto Enzo PS la modifica fatta da Cortes fuziona perfettamente.
Enzo

Modificato da enzo44 il 07/02/2025 alle 00:36:35
SostaGruppiCompagniItaliaEsteroMarchiMeccanicaCellulaAccessoriEventiLeggiComportamentiDisabiliIn camper perAltro CamperAltroExtra
167k Facebook
343k Instagram
42,6k TikTok
73,3k Youtube
CamperOnLine - Copyright © 1998-2026 - P.Iva 06953990014
Informativa privacy
Loading...

Accedi

Recupera Password
Nuovo utente

Vuoi eliminare il messaggio?

Sottoscrizione

Anteprima

PREFERENZA

Il messaggio è in fase di inserimento.

loading

CamperOnLine

Buongiorno gentile utente,

da oltre 20 anni Camperonline offre gratuitamente tutti i suoi servizi
grazie agli inserzionisti che ci hanno dato la loro fiducia, permettici di continuare il nostro lavoro disattivando il blocco delle pubblicità.

Grazie della collaborazione.

Azione eseguita con successo

Azione Fallita

Condividi

Condividi questa pagina con:

O copia il link